Подобрать запчасти Suzuki DT40CS/L/L2 модель 1985 года - Масляный бак / Oil tank
вконтакте

Контактный телефон: +7 (981) 121-46-93, +7 (800) 200-90-76 , Email: parts-katalog@yandex.ru, где купить

 
 

  Логин:

Пароль:

Регистрация

www.partskatalog.ru Все каталоги Запчасти Mercury Запчасти Suzuki Запчасти Tohatsu Запчасти Honda Контакты



УВАЖАЕМЫЕ КЛИЕНТЫ!
C 19 ДЕКАБРЯ 2025 ПО 02 МАРТА 2026 ГОДА ОТДЕЛ ЗАПЧАСТЕЙ И СЕРВИС РАБОТАТЬ НЕ БУДУТ
ПРОДАЖА ЛОДОЧНЫХ МОТОРОВ В ШТАТНОМ РЕЖИМЕ
ОБ ИЗМЕНЕНИЯХ В ГРАФИКЕ РАБОТЫ ЧИТАЙТЕ НА САЙТА



назад Раздел:   вперёд

Вернуться к выбору узлов мотора


ДЕТАЛИРОВКА ДЛЯ МОДЕЛИ: SUZUKI DT40C VF/DT40RC VF

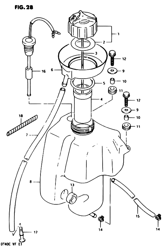
Масляный бак


Код модели двигателя: DT40CS/L/L2

Год выпуска двигателя: 1985

Регион: General Export No.1 ,Код региона: P01

Номер на
рисунке
АртикулНаименованиеQTYКол-во
на складе
Цена
169200-94400-000

Колпачок в сборе, Масляный бак Filler - Cap Assy, Oil Tank Filler (Cap Assy, Oil Tank Filler)

под заказ4110 руб.
169200-94510-000

   (актуальный код замены) Колпачок в сборе, Масляный бак Filler - Cap Assy, Oil Tank Filler

под заказ4110 руб.
169200-94510-000

Колпачок в сборе, Масляный бак Filler - Cap Assy, Oil Tank Filler (Cap assy, oil tank filler ) (Cap Assy, Oil Tank Filler)

под заказ4110 руб.
269241-94500-000

Прокладка, Масляный бак Filler Колпачок - Gasket, Oil Tank Filler Cap (Gasket ) (Gasket, Oil Tank Filler Cap)

под заказ0 руб.
369251-94400-000

Запчасть снята с производства - The Spare Part Is Laid Off (The Spare Part Is Laid Off)

под заказ0 руб.
369251-94401-000

   (актуальный код замены) Запчасть снята с производства - The Spare Part Is Laid Off

под заказ0 руб.
469351-94400-000

Запчасть снята с производства - The Spare Part Is Laid Off (The Spare Part Is Laid Off)

под заказ0 руб.
509280-40008-000

Запчасть снята с производства - The Spare Part Is Laid Off (The Spare Part Is Laid Off)

под заказ0 руб.
669355-94400-000

Gutter, Масляный бак вход - Gutter, Oil Tank Inlet (Gutter, Oil Tank Inlet)

под заказ0 руб.
709343-05277-000

Шланг (5x9x600) - Hose (5x9x600) (Hose (5x9x600))

под заказ570 руб.
709352-50006-600

   (актуальный код замены) Шланг (5x9x600) - Hose (5x9x600)

1 шт570 руб.
709352-50903-600

Шланг (5x9x600) - Hose (5x9x600) (Hose (5x9x600))

под заказ570 руб.
709352-50006-600

   (актуальный код замены) Шланг (5x9x600) - Hose (5x9x600)

1 шт570 руб.
869110-94400-000

Запчасть снята с производства - The Spare Part Is Laid Off (The Spare Part Is Laid Off)

под заказ0 руб.
909160-06036-000

Шайба (6.5x18x1.5) - Washer (65x18x15) (Washer, 6.5x18x1.5 ) (Washer (6.5x18x1.5))

под заказ150 руб.
1009180-06030-000

Проставка (6.5x10x10) - Spacer (65x10x10) (Spacer (6.5x10x10))

под заказ150 руб.
1009180-06310-000

   (актуальный код замены) Проставка (6.5x10x10) - Spacer (6.5x10x10)

под заказ150 руб.
1009180-06310-000

Проставка (6.5x10x10) - Spacer (65x10x10) (Spacer (6.8x10x10) ) (Spacer (6.5x10x10))

под заказ150 руб.
1109320-10008-000

Подушка - Cushion (Cushion ) (Cushion)

под заказ190 руб.
1109320-10075-000

   (актуальный код замены) Подушка - Cushion

под заказ190 руб.
1201517-06258-000

Болт - Bolt (Bolt)

под заказ180 руб.
1201550-06257-000

   (актуальный код замены) Болт - Bolt

под заказ180 руб.
1201550-06257-000

Болт - Bolt (Bolt)

под заказ180 руб.
1309329-12004-000

Подушка - Cushion (Cushion, intake manifold ) (Cushion)

под заказ190 руб.
1309329-12006-000

   (актуальный код замены) Подушка - Cushion

под заказ190 руб.
1409401-08409-000

Зажим - Clip (Clip)

под заказ160 руб.
1509343-04045-000

Шланг (4.5x8.5x600) - Hose (45x85x600) (Hose (4.5x8.5x600))

под заказ960 руб.
1509355-45001-600

   (актуальный код замены) Шланг (4.5x8.5x600) - Hose (4.5x8.5x600)

под заказ960 руб.
1509355-45855-600

Шланг (4.5x8.5x600) - Hose (45x85x600) (Hose (4.5x8.5x600))

под заказ960 руб.
1509355-45001-600

   (актуальный код замены) Шланг (4.5x8.5x600) - Hose (4.5x8.5x600)

под заказ960 руб.
1634860-94401-000

Переключатель в сборе, Oil Level - Switch Assy, Oil Level (Switch Assy, Oil Level)

под заказ3170 руб.
1634860-94402-000

   (актуальный код замены) Переключатель в сборе, Oil Level - Switch Assy, Oil Level

под заказ3170 руб.
1634860-94402-000

Переключатель в сборе, Oil Level - Switch Assy, Oil Level (Switch assy, oil level ) (Switch Assy, Oil Level)

под заказ3170 руб.
1736615-96300-000

Клемма - Terminal (Terminal)

под заказ120 руб.
1834863-94500-000

Трубка провода переключателя (l: 250) - Tube, Switch Lead (l:250) (Tube, Switch Lead (l:250))

под заказ610 руб.
1833833-91J00-000

   (актуальный код замены) Трубка провода переключателя (l: 250) - Tube, Switch Lead (l:250)

под заказ610 руб.
1833833-91J00-000

Трубка провода переключателя (l: 250) - Tube, Switch Lead (l:250) (Tube, Switch Lead (l:250))

под заказ610 руб.


Время выполнения запроса 3.3339440822601 сек.

 
 

данный сайт носит информационный характер и не является публичной офертой

склад запчастей для водомоторной техники