Купить оригинальные запчасти на лодочный мотор Suzuki DT40(R)S/L/LL/L2/UL; - Remote control - Дистанционное управление
вконтакте

Контактный телефон: +7 (981) 121-46-93, +7 (800) 200-90-76 , Email: parts-katalog@yandex.ru, где купить

 
 

  Логин:

Пароль:

Регистрация

www.partskatalog.ru Все каталоги Запчасти Mercury Запчасти Suzuki Запчасти Tohatsu Запчасти Honda Контакты



УВАЖАЕМЫЕ КЛИЕНТЫ!
C 19 ДЕКАБРЯ 2025 ПО 02 МАРТА 2026 ГОДА ОТДЕЛ ЗАПЧАСТЕЙ И СЕРВИС РАБОТАТЬ НЕ БУДУТ
ПРОДАЖА ЛОДОЧНЫХ МОТОРОВ В ШТАТНОМ РЕЖИМЕ
ОБ ИЗМЕНЕНИЯХ В ГРАФИКЕ РАБОТЫ ЧИТАЙТЕ НА САЙТА



назад Раздел:   вперёд

Вернуться к выбору узлов мотора


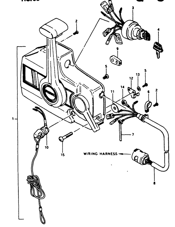
ДЕТАЛИРОВКА ДЛЯ МОДЕЛИ: SUZUKI DT40G(G/J/VZ) G

Дистанционное управление


Код модели двигателя: DT40(R)S/L/LL/L2/UL;

Год выпуска двигателя: 1986

Номер на
рисунке
АртикулНаименованиеQTYКол-во
на складе
Цена
267296-94300-000

Винт (4x10) - Screw (4x10) (Screw (4x10))

под заказ120 руб.
337110-94300-000

Выключатель зажигания - Switch Assy, Ignition (Switch Assy, Ignition)

под заказ0 руб.
337110-95551-000

   (актуальный код замены) Запчасть снята с производства - The Spare Part Is Laid Off

под заказ0 руб.
337110-95551-000

Выключатель зажигания - Switch Assy, Ignition (Switch, ignition ) (Switch Assy, Ignition)

под заказ0 руб.
437141-93300-000

Ключ, Spare (8511) - Key, Spare (8511) (Key, spare 8511 # Key, spare (8511); Opt ) (Key, Spare (8511))

под заказ0 руб.
437141-93310-000

Ключ, Spare (8512) - Key, Spare (8512) (Key, spare 8512 # Key, spare (8512); Opt ) (Key, Spare (8512))

под заказ0 руб.
437141-93320-000

Ключ, Spare (8513) - Key, Spare (8513) (Key, spare 8513 # Key, spare (8513); Opt ) (Key, Spare (8513))

под заказ0 руб.
437141-93330-000

Ключ, Spare (8611) - Key, Spare (8611) (Key, spare 8611 # Key, spare (8611); Opt ) (Key, Spare (8611))

под заказ0 руб.
437141-93340-000

Ключ, Spare (8612) - Key, Spare (8612) (Key, spare 8612 # Key, spare (8612); Opt ) (Key, Spare (8612))

под заказ0 руб.
437141-93350-000

Ключ, Spare (8613) - Key, Spare (8613) (Key, spare 8613 # Key, spare (8613); Opt ) (Key, Spare (8613))

под заказ0 руб.
567296-94310-000

Винт - Screw (Screw)

под заказ180 руб.
636622-94300-000

Запчасть снята с производства - The Spare Part Is Laid Off (The Spare Part Is Laid Off)

под заказ0 руб.
736632-95501-000

Струбцина (l: 250) - Clamp (l:250) (Clamp (l:250))

под заказ190 руб.
709407-20405-000

   (актуальный код замены) Струбцина (l: 202) - Clamp (l:202)

под заказ190 руб.
709407-25402-000

Струбцина (l: 250) - Clamp (l:250) (Clamp, tilt sw ) (Clamp (l:250))

под заказ350 руб.
709407-25402-000

Струбцина (l: 250) - Clamp (l:250) (Clamp, tilt sw ) (Clamp (l:250))

под заказ350 руб.
709407-25402-000

Струбцина (l: 250) - Clamp (l:250) (Clamp, tilt sw ) (Clamp (l:250))

под заказ350 руб.
836620-94300-000

Жгут проводов, WiКольцо Ext - Harness, Wiring Ext (Harness, Wiring Ext)

под заказ23620 руб.
836620-95D00-000

   (актуальный код замены) Жгут проводов, WiКольцо Ext - Harness, Wiring Ext

под заказ23620 руб.
836620-95D00-000

Жгут проводов, WiКольцо Ext - Harness, Wiring Ext (Wiring harness 9 wires ) (Harness, Wiring Ext)

под заказ23620 руб.
967275-94300-000

Наконечник кабеля - End, Cable (End, Cable)

под заказ810 руб.
967275-95600-000

   (актуальный код замены) Наконечник кабеля - End, Cable

36 шт810 руб.
967275-95600-000

Наконечник кабеля - End, Cable (End, Cable)

36 шт810 руб.
1037820-95251-000

Аварийный выключатель, в сборе - Switch Assy, Emergency (Model j) (Switch Assy, Emergency)

под заказ4710 руб.
1037820-92E03-000

   (актуальный код замены) Аварийный выключатель, в сборе - Switch Assy, Emergency

под заказ4710 руб.
1037820-92E04-000

Аварийный выключатель, в сборе - Switch Assy, Emergency (Switch Assy, Emergency)

под заказ4710 руб.
1037820-92E05-000

   (актуальный код замены) Аварийный выключатель, в сборе - Switch Assy, Emergency

1 шт4710 руб.
1037820-95253-000

Аварийный выключатель, в сборе - Switch Assy, Emergency (Model vz) (Switch Assy, Emergency)

под заказ4710 руб.
1037820-92E04-000

   (актуальный код замены) Аварийный выключатель, в сборе - Switch Assy, Emergency

под заказ4710 руб.
1167288-94300-000

Запчасть снята с производства - The Spare Part Is Laid Off (The Spare Part Is Laid Off)

под заказ0 руб.
1267271-94300-000

Запчасть снята с производства - The Spare Part Is Laid Off (Holder, cable;) (The Spare Part Is Laid Off)

под заказ0 руб.
1367288-94310-000

Шайба (6.5x24x2) - Washer (65x24x2) (Washer (6.5x24x2))

под заказ220 руб.
1309160-06104-000

   (актуальный код замены) Шайба (6.5x24x2) - Washer (6.5x24x2)

под заказ220 руб.
1309160-06104-000

Шайба (6.5x24x2) - Washer (65x24x2) (Washer (6.5x24x2))

под заказ220 руб.
1409140-06004-000

Гайка - Nut (Nut)

под заказ150 руб.
1409140-06020-000

   (актуальный код замены) Гайка - Nut

9 шт150 руб.
1409140-06020-000

Гайка - Nut (Nut)

9 шт150 руб.
1509125-06012-000

Винт - Screw (Screw)

под заказ130 руб.
1502112-06407-000

   (актуальный код замены) Винт - Screw

под заказ130 руб.
1502112-06407-000

Винт - Screw (Screw)

под заказ130 руб.


Время выполнения запроса 2.3024830818176 сек.

 
 

данный сайт носит информационный характер и не является публичной офертой

склад запчастей для водомоторной техники