Оригинальные запчасти на лодочный мотор Suzuki DT40К(R)S/L/LL/L2/UL; модель 1986 года - Recoil starter
вконтакте

Контактный телефон: +7 (981) 121-46-93, +7 (800) 200-90-76 , Email: parts-katalog@yandex.ru, где купить

 
 

  Логин:

Пароль:

Регистрация

www.partskatalog.ru Все каталоги Запчасти Mercury Запчасти Suzuki Запчасти Tohatsu Запчасти Honda Контакты



УВАЖАЕМЫЕ КЛИЕНТЫ!
C 19 ДЕКАБРЯ 2025 ПО 02 МАРТА 2026 ГОДА ОТДЕЛ ЗАПЧАСТЕЙ И СЕРВИС РАБОТАТЬ НЕ БУДУТ
ПРОДАЖА ЛОДОЧНЫХ МОТОРОВ В ШТАТНОМ РЕЖИМЕ
ОБ ИЗМЕНЕНИЯХ В ГРАФИКЕ РАБОТЫ ЧИТАЙТЕ НА САЙТА



назад Раздел:   вперёд

Вернуться к выбору узлов мотора


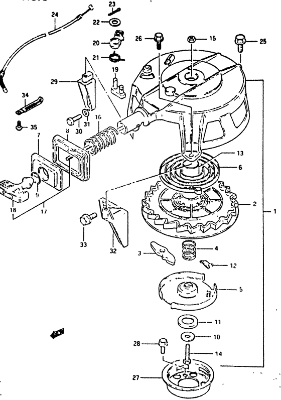
ДЕТАЛИРОВКА ДЛЯ МОДЕЛИ: SUZUKI DT40KVG(Z-K) G

Барабанный стартер


Код модели двигателя: DT40К(R)S/L/LL/L2/UL;

Год выпуска двигателя: 1986

Номер на
рисунке
АртикулНаименованиеQTYКол-во
на складе
Цена
118100-94318-000

Запчасть снята с производства - The Spare Part Is Laid Off (The Spare Part Is Laid Off)

под заказ0 руб.
118100-94323-000

(W/n.s.i)

под заказнет сведений
118290-96302-000

Кабели Nsi - Cable Nsi (Cable, nsi ) (Cable Nsi)

2 шт0 руб.
218120-94300-000

Запчасть снята с производства - The Spare Part Is Laid Off (The Spare Part Is Laid Off)

под заказ0 руб.
318131-94302-000

Запчасть снята с производства - The Spare Part Is Laid Off (The Spare Part Is Laid Off)

под заказ0 руб.
318130-94300-000

   (актуальный код замены) Запчасть снята с производства - The Spare Part Is Laid Off

под заказ0 руб.
418153-95200-000

Фрикционная пружина - Spring, Friction (Spring, friction ) (Spring, Friction)

под заказ0 руб.
518151-94300-000

Запчасть снята с производства - The Spare Part Is Laid Off (The Spare Part Is Laid Off)

под заказ0 руб.
618142-93000-000

Запчасть снята с производства - The Spare Part Is Laid Off (The Spare Part Is Laid Off)

под заказ0 руб.
718191-95202-000

Пластина - Plate (Plate)

под заказ1580 руб.
818192-95204-000

Rubber, Стартер Направляющая пластина - Rubber, Starter Guide Plate (Rubber, difence # Rubber, guide plate; ) (Rubber, Starter Guide Plate)

под заказ0 руб.
918195-95200-000

Кольцо - Ring (Ring ) (Ring)

под заказ0 руб.
1018335-94300-000

Запчасть снята с производства - The Spare Part Is Laid Off (The Spare Part Is Laid Off)

под заказ0 руб.
1118162-94300-000

Запчасть снята с производства - The Spare Part Is Laid Off (The Spare Part Is Laid Off)

под заказ0 руб.
1218155-94300-000

Запчасть снята с производства - The Spare Part Is Laid Off (The Spare Part Is Laid Off)

под заказ0 руб.
1318124-94300-000

Запчасть снята с производства - The Spare Part Is Laid Off (The Spare Part Is Laid Off)

под заказ0 руб.
1418332-94300-000

Запчасть снята с производства - The Spare Part Is Laid Off (The Spare Part Is Laid Off)

под заказ0 руб.
1508310-11062-000

Гайка - Nut (Nut)

под заказ140 руб.
1508310-00067-000

   (актуальный код замены) Гайка - Nut

под заказ140 руб.
1508310-00067-000

Гайка - Nut (Nut)

под заказ140 руб.
1618196-96301-000

Пружина, Направляющая пластина - Spring, Guide Plate (Spring, difence # Spring, guide plate; ) (Spring, Guide Plate)

под заказ0 руб.
1718200-95203-000

под заказ0 руб.
1718210-93002-000

Рукоятка в сборе - Grip Assy (Grip Assy)

1 шт1150 руб.
1818210-93001-000

Рукоятка в сборе - Grip Assy (Grip Assy)

под заказ1150 руб.
1818210-93002-000

   (актуальный код замены) Рукоятка в сборе - Grip Assy

1 шт1150 руб.
1818210-93002-000

Рукоятка в сборе - Grip Assy (Grip Assy)

1 шт1150 руб.
1918281-96300-000

Барабан, Стопор - Reel, Stopper (Reel, stopper # W/n.s.i ) (Reel, Stopper)

под заказ620 руб.
2018282-96300-000

Запчасть снята с производства - The Spare Part Is Laid Off (W/n.s.i) (The Spare Part Is Laid Off)

под заказ0 руб.
2118284-96300-000

Пружина - Spring (W/n.s.i ) (Spring)

под заказ0 руб.
2218335-96300-000

Шайба - Washer (W/n.s.i ) (Washer)

под заказ140 руб.
2318348-96300-000

Штифт - Pin (W/n.s.i) (Pin)

под заказ150 руб.
2309204-01006-000

   (актуальный код замены) Штифт - Pin

14 шт150 руб.
2309204-01006-000

Штифт - Pin (Pin, cotter ) (Pin)

14 шт150 руб.
2418290-94300-000

Запчасть снята с производства - The Spare Part Is Laid Off (W/n.s.i) (The Spare Part Is Laid Off)

под заказ0 руб.
2501517-08252-000

Болт - Bolt (Bolt)

под заказ210 руб.
2501550-08257-000

   (актуальный код замены) Болт - Bolt

под заказ300 руб.
2501550-08257-000

Болт - Bolt (Bolt)

под заказ300 руб.
2601517-06252-000

Болт - Bolt (Bolt)

под заказ180 руб.
2601550-06257-000

   (актуальный код замены) Болт - Bolt

под заказ180 руб.
2601550-06257-000

Болт - Bolt (Bolt)

под заказ180 руб.
2718411-94302-000

Запчасть снята с производства - The Spare Part Is Laid Off (The Spare Part Is Laid Off)

под заказ0 руб.
2801517-08162-000

Болт - Bolt (Bolt)

под заказ210 руб.
2801550-08167-000

   (актуальный код замены) Болт - Bolt

8 шт210 руб.
2801550-08167-000

Болт - Bolt (Bolt (8x16) ) (Bolt)

8 шт210 руб.
2918711-94301-01J

Запчасть снята с производства - The Spare Part Is Laid Off (W/n.s.i) (The Spare Part Is Laid Off)

под заказ0 руб.
2918711-94301-0ED

   (актуальный код замены) Запчасть снята с производства - The Spare Part Is Laid Off

под заказ0 руб.
2918711-94301-02M

Запчасть снята с производства - The Spare Part Is Laid Off (W/n.s.i) (The Spare Part Is Laid Off)

под заказ0 руб.
2918711-94301-0ED

   (актуальный код замены) Запчасть снята с производства - The Spare Part Is Laid Off

под заказ0 руб.
2918711-94301-01T

Запчасть снята с производства - The Spare Part Is Laid Off (W/n.s.i) (The Spare Part Is Laid Off)

под заказ0 руб.
2918711-94301-0ED

   (актуальный код замены) Запчасть снята с производства - The Spare Part Is Laid Off

под заказ0 руб.
2918711-94301-0ED

Запчасть снята с производства - The Spare Part Is Laid Off (W/n.s.i) (The Spare Part Is Laid Off)

под заказ0 руб.
3001107-06202-000

Болт - Bolt (Bolt)

под заказ150 руб.
3001500-06207-000

   (актуальный код замены) Болт - Bolt

под заказ150 руб.
3001500-06207-000

Болт - Bolt (Bolt)

под заказ150 руб.
3108322-21062-000

Шайба - Washer (Washer)

под заказ140 руб.
3108322-01067-000

   (актуальный код замены) Шайба - Washer

10 шт160 руб.
3108322-01067-000

Шайба - Washer (Washer)

10 шт160 руб.
3218721-94301-01J

Запчасть снята с производства - The Spare Part Is Laid Off (Manual starter) (The Spare Part Is Laid Off)

под заказ0 руб.
3218721-94301-0ED

   (актуальный код замены) Запчасть снята с производства - The Spare Part Is Laid Off

под заказ0 руб.
3218721-94301-02M

Запчасть снята с производства - The Spare Part Is Laid Off (Manual starter) (The Spare Part Is Laid Off)

под заказ0 руб.
3218721-94301-0ED

   (актуальный код замены) Запчасть снята с производства - The Spare Part Is Laid Off

под заказ0 руб.
3218721-94301-01T

Запчасть снята с производства - The Spare Part Is Laid Off (Manual starter) (The Spare Part Is Laid Off)

под заказ0 руб.
3218721-94301-0ED

   (актуальный код замены) Запчасть снята с производства - The Spare Part Is Laid Off

под заказ0 руб.
3218721-94301-0ED

Запчасть снята с производства - The Spare Part Is Laid Off (Manual starter) (The Spare Part Is Laid Off)

под заказ0 руб.
3301517-08252-000

Болт - Bolt (Bolt)

под заказ210 руб.
3301550-08257-000

   (актуальный код замены) Болт - Bolt

под заказ300 руб.
3301550-08257-000

Болт - Bolt (Bolt)

под заказ300 руб.
3409404-06204-000

Струбцина (l: 65) - Clamp (l:65) (Clamp (l:65))

под заказ100 руб.
3409404-06207-000

   (актуальный код замены) Струбцина (l: 65) - Clamp (l:65)

под заказ100 руб.
3409404-06207-000

Струбцина (l: 65) - Clamp (l:65) (Clamp (l:65))

под заказ100 руб.
3502152-06122-000

Винт - Screw (Screw)

под заказ190 руб.
3502112-16127-000

   (актуальный код замены) Винт - Screw

под заказ190 руб.
3502112-16127-000

Винт - Screw (Screw, wiring harness ) (Screw)

под заказ190 руб.


Время выполнения запроса 3.9823851585388 сек.

 
 

данный сайт носит информационный характер и не является публичной офертой

склад запчастей для водомоторной техники