Подобрать оригинальные запчасти на подвесной мотор Сузуки DT40К(R)S/L/LL/L2/UL; модель 1986 года - Fuel pump
вконтакте

Контактный телефон: +7 (981) 121-46-93, +7 (800) 200-90-76 , Email: parts-katalog@yandex.ru, где купить

 
 

  Логин:

Пароль:

Регистрация

www.partskatalog.ru Все каталоги Запчасти Mercury Запчасти Suzuki Запчасти Tohatsu Запчасти Honda Контакты



УВАЖАЕМЫЕ КЛИЕНТЫ!
C 19 ДЕКАБРЯ 2025 ПО 02 МАРТА 2026 ГОДА ОТДЕЛ ЗАПЧАСТЕЙ И СЕРВИС РАБОТАТЬ НЕ БУДУТ
ПРОДАЖА ЛОДОЧНЫХ МОТОРОВ В ШТАТНОМ РЕЖИМЕ
ОБ ИЗМЕНЕНИЯХ В ГРАФИКЕ РАБОТЫ ЧИТАЙТЕ НА САЙТА



назад Раздел:   вперёд

Вернуться к выбору узлов мотора


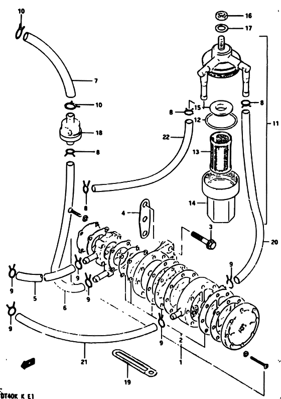
ДЕТАЛИРОВКА ДЛЯ МОДЕЛИ: SUZUKI DT40K VG

Топливный насос


Код модели двигателя: DT40К(R)S/L/LL/L2/UL;

Год выпуска двигателя: 1986

Номер на
рисунке
АртикулНаименованиеQTYКол-во
на складе
Цена
115100-94350-000

Топливный насос, в сборе - Pump Assy, Fuel (Pump Assy, Fuel)

под заказ17520 руб.
115100-94362-000

   (актуальный код замены) Топливный насос, в сборе - Pump Assy, Fuel

под заказ17520 руб.
115100-9436V-000

Топливный насос, в сборе - Pump Assy, Fuel (Pump Assy, Fuel)

2 шт17520 руб.
115100-94362-000

   (актуальный код замены) Топливный насос, в сборе - Pump Assy, Fuel

под заказ17520 руб.
215170-94350-000

Диафрагма Set, Топливный насос - Diaphragm Set, Fuel Pump (Diaphragm Set, Fuel Pump)

под заказ3170 руб.
215170-94461-000

   (актуальный код замены) Диафрагма Set, Топливный насос - Diaphragm Set, Fuel Pump

под заказ3170 руб.
215170-94460-000

Диафрагма Set, Топливный насос - Diaphragm Set, Fuel Pump (Diaphragm Set, Fuel Pump)

под заказ3170 руб.
215170-94461-000

   (актуальный код замены) Диафрагма Set, Топливный насос - Diaphragm Set, Fuel Pump

под заказ3170 руб.
301517-06252-000

Болт - Bolt (Bolt)

под заказ180 руб.
301550-06257-000

   (актуальный код замены) Болт - Bolt

под заказ180 руб.
301550-06257-000

Болт - Bolt (Bolt)

под заказ180 руб.
415321-99700-000

Прокладка топливного насоса (na) - Gasket, Fuel Pump (na) (Gasket, Fuel Pump (na))

под заказ360 руб.
415321-99710-000

   (актуальный код замены) Прокладка топливного насоса (na) - Gasket, Fuel Pump (na)

8 шт370 руб.
415321-99710-000

Прокладка топливного насоса (na) - Gasket, Fuel Pump (na) (Gasket, fuel pump ) (Gasket, Fuel Pump (na))

8 шт370 руб.
509352-50903-540

Шланг (5x9x600) - Hose (5x9x600) (GASOLINE L:540->215) (Hose (5x9x600))

под заказ570 руб.
509352-50006-600

   (актуальный код замены) Шланг (5x9x600) - Hose (5x9x600)

1 шт570 руб.
509352-50903-600

Шланг (5x9x600) - Hose (5x9x600) (Hose (5x9x600))

под заказ570 руб.
509352-50006-600

   (актуальный код замены) Шланг (5x9x600) - Hose (5x9x600)

1 шт570 руб.
609352-50903-540

Шланг (5x9x600) - Hose (5x9x600) (GASOLINE L:540->240) (Hose (5x9x600))

под заказ570 руб.
609352-50006-600

   (актуальный код замены) Шланг (5x9x600) - Hose (5x9x600)

1 шт570 руб.
609352-50903-600

Шланг (5x9x600) - Hose (5x9x600) (Hose (5x9x600))

под заказ570 руб.
609352-50006-600

   (актуальный код замены) Шланг (5x9x600) - Hose (5x9x600)

1 шт570 руб.
709343-07050-000

Шланг (7x12x2000) - Hose (7x12x2000) (GASOLINE L:810->160) (Hose (7x12x2000))

под заказ3510 руб.
709355-70125-00B

   (актуальный код замены) Шланг (7x12x2000) - Hose (7x12x2000)

под заказ3510 руб.
709355-70125-00B

Шланг (7x12x2000) - Hose (7x12x2000) (Hose, fuel (conn to filter) (7x12x2000) ) (Hose (7x12x2000))

под заказ3510 руб.
809401-08410-000

Зажим - Clip (Clip)

под заказ130 руб.
909401-10410-000

Зажим - Clip (Clip ) (Clip)

под заказ170 руб.
1009401-11402-000

Зажим - Clip (Clip)

под заказ190 руб.
1009401-11403-000

   (актуальный код замены) Зажим - Clip

под заказ190 руб.
1009401-11403-000

Зажим - Clip (Clip ) (Clip)

под заказ190 руб.
1115410-93400-000

Топливный фильтр в сборе - Filter Assy, Fuel (KEROSENE) (Filter Assy, Fuel)

под заказ2280 руб.
1115410-94401-000

   (актуальный код замены) Топливный фильтр в сборе - Filter Assy, Fuel

32 шт2280 руб.
1115410-94400-000

Топливный фильтр в сборе - Filter Assy, Fuel (Filter Assy, Fuel)

3 шт2280 руб.
1115410-94401-000

   (актуальный код замены) Топливный фильтр в сборе - Filter Assy, Fuel

32 шт2280 руб.
1215415-93400-000

Уплотнительное кольцо - O Ring (O ring ) (O Ring)

под заказ290 руб.
1315412-93400-000

Фильтр Set - Filter Set (Filter Set)

под заказ1360 руб.
1315430-93412-000

   (актуальный код замены) Фильтр Set - Filter Set

под заказ1360 руб.
1315430-93410-000

Фильтр Set - Filter Set (Strainer set ) (Filter Set)

под заказ1360 руб.
1315430-93412-000

   (актуальный код замены) Фильтр Set - Filter Set

под заказ1360 руб.
1415413-93400-000

Cвыше - Cup (Cup ) (Cup)

под заказ0 руб.
1515416-93400-000

Запчасть снята с производства - The Spare Part Is Laid Off (The Spare Part Is Laid Off)

под заказ0 руб.
1608310-22082-000

Гайка - Nut (Nut)

под заказ140 руб.
1608310-00087-000

   (актуальный код замены) Гайка - Nut

под заказ140 руб.
1608310-00087-000

Гайка - Nut (Nut)

под заказ140 руб.
1708322-21082-000

Шайба - Washer (Washer)

под заказ140 руб.
1708322-01087-000

   (актуальный код замены) Шайба - Washer

под заказ140 руб.
1708322-01087-000

Шайба - Washer (Lock washer ) (Washer)

под заказ140 руб.
1815410-94350-000

Топливный фильтр - Filter, Fuel (GASOLINE ) (Filter, Fuel)

под заказ1080 руб.
1909404-06204-000

Струбцина (l: 65) - Clamp (l:65) (Clamp (l:65))

под заказ100 руб.
1909404-06207-000

   (актуальный код замены) Струбцина (l: 65) - Clamp (l:65)

под заказ100 руб.
1909404-06207-000

Струбцина (l: 65) - Clamp (l:65) (Clamp (l:65))

под заказ100 руб.
2009343-05205-000

Шланг (5.3x10.5x600) - Hose (53x105x600) (KEROSENE L:360->150) (Hose (5.3x10.5x600))

под заказ1160 руб.
2009355-53001-600

   (актуальный код замены) Шланг (5.3x10.5x600) - Hose (5.3x10.5x600)

под заказ1160 руб.
2009354-53103-600

Шланг (5.3x10.5x600) - Hose (53x105x600) (Hose (conn to filter) ) (Hose (5.3x10.5x600))

под заказ1160 руб.
2009355-53001-600

   (актуальный код замены) Шланг (5.3x10.5x600) - Hose (5.3x10.5x600)

под заказ1160 руб.
2109343-05205-000

Шланг (5.3x10.5x600) - Hose (53x105x600) (KEROSENE L:360->240) (Hose (5.3x10.5x600))

под заказ1160 руб.
2109355-53001-600

   (актуальный код замены) Шланг (5.3x10.5x600) - Hose (5.3x10.5x600)

под заказ1160 руб.
2109354-53103-600

Шланг (5.3x10.5x600) - Hose (53x105x600) (Hose (conn to filter) ) (Hose (5.3x10.5x600))

под заказ1160 руб.
2109355-53001-600

   (актуальный код замены) Шланг (5.3x10.5x600) - Hose (5.3x10.5x600)

под заказ1160 руб.
2209343-05205-000

Шланг (5.3x10.5x600) - Hose (53x105x600) (KEROSENE, L:360) (Hose (5.3x10.5x600))

под заказ1160 руб.
2209355-53001-600

   (актуальный код замены) Шланг (5.3x10.5x600) - Hose (5.3x10.5x600)

под заказ1160 руб.
2209354-53103-600

Шланг (5.3x10.5x600) - Hose (53x105x600) (Hose (conn to filter) ) (Hose (5.3x10.5x600))

под заказ1160 руб.
2209355-53001-600

   (актуальный код замены) Шланг (5.3x10.5x600) - Hose (5.3x10.5x600)

под заказ1160 руб.


Время выполнения запроса 3.2970209121704 сек.

 
 

данный сайт носит информационный характер и не является публичной офертой

склад запчастей для водомоторной техники