Купить оригинальные запчасти на подвесной двигатель Сузуки DT40CS/L/L2 модель 1987 года - Цилиндр
вконтакте

Контактный телефон: +7 (981) 121-46-93, +7 (800) 200-90-76 , Email: parts-katalog@yandex.ru, где купить

 
 

  Логин:

Пароль:

Регистрация

www.partskatalog.ru Все каталоги Запчасти Mercury Запчасти Suzuki Запчасти Tohatsu Запчасти Honda Контакты

Раздел:   вперёд

Вернуться к выбору узлов мотора


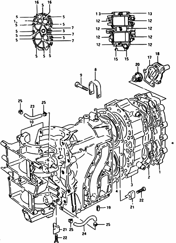
ДЕТАЛИРОВКА ДЛЯ МОДЕЛИ: SUZUKI DT40C VH

Цилиндр


Код модели двигателя: DT40CS/L/L2

Год выпуска двигателя: 1987

Регион: General Export No.1 ,Код региона: P01

Номер на
рисунке
АртикулНаименованиеQTYКол-во
на складе
Цена
111161-94400-0ED

Крышка головки цилиндра - Cover, Cylinder Head (Cover, cylinder head (gray) # <-11161-94400-02M ) (Cover, Cylinder Head)

под заказ0 руб.
211162-94410-000

Прокладка крышки головки блока цилиндра - Gasket, Cyl Head Cover (Gasket, Cyl Head Cover)

под заказ1200 руб.
211162-92L00-000

   (актуальный код замены) Прокладка крышки головки блока цилиндра - Gasket, Cyl Head Cover

10 шт1500 руб.
2SK11162-94410

   (не оригинальный аналог) Прокладка крышки головки блока Skipper для Suzuki Модели техники: 2-stroke 40HP

0 шт495 руб.
211162-92L00-000

Прокладка крышки головки блока цилиндра - Gasket, Cyl Head Cover (Gasket, Cyl Head Cover)

10 шт1500 руб.
311111-94401-0ED

Головка цилиндра - Head, Cylinder (Head, cylinder (gray) # DT40C 40TC 40RC 40W 40WR MODEL:86~99 <-11111-94401-02M <-11111-94411-02M <-11111-94411-01T <-11111-94411-0ED ) (Head, Cylinder)

под заказ0 руб.
311111-94421-0ED

Запчасть снята с производства - The Spare Part Is Laid Off (DT40WK MODEL:91~99) (The Spare Part Is Laid Off)

под заказ0 руб.
411141-94440-000

Прокладка головки блока цилиндра - Gasket, Cylinder Head (<-11141-94411 <-11141-94430) (Gasket, Cylinder Head)

под заказ2880 руб.
411141-94450-000

   (актуальный код замены) Прокладка головки блока цилиндра - Gasket, Cylinder Head

17 шт3140 руб.
4SC-GS251

   (не оригинальный аналог) Прокладка под головку Suzuki SC-GS251

под заказ1190 руб.
411141-94450-000

Прокладка головки блока цилиндра - Gasket, Cylinder Head (Gasket, Cylinder Head)

17 шт3140 руб.
501560-08757-000

Болт - Bolt (<-09103-08311 ) (Bolt)

под заказ290 руб.
616710-94420-000

Запчасть снята с производства - The Spare Part Is Laid Off (DT40C, MODEL:94) (The Spare Part Is Laid Off)

под заказ0 руб.
709103-06182-000

Болт (6x28) - Bolt (6x28) (Bolt (6x28))

под заказ180 руб.
811291-94402-000

Крюк двигателя - Hook, Engine (Hook, engine port # <-11291-94401 ) (Hook, Engine)

под заказ430 руб.
901550-08357-000

Болт - Bolt (Bolt)

под заказ260 руб.
1011301-94437-0ED

Блок цилиндра в сборе - Block Assy, Cylinder (DT40W 40WK 40WR <-11301-94435-0ED <-11301-94404-01T) (Block Assy, Cylinder)

под заказ165600 руб.
1011300-92L20-000

   (актуальный код замены) Блок цилиндра в сборе - Block Assy, Cylinder

под заказ165600 руб.
1011300-92L20-000

Блок цилиндра в сборе - Block Assy, Cylinder (Block Assy, Cylinder)

под заказ165600 руб.
1011300-92L20-000

Блок цилиндра в сборе - Block Assy, Cylinder (Block Assy, Cylinder)

под заказ165600 руб.
1011301-94446-0ED

Запчасть снята с производства - The Spare Part Is Laid Off (DT40C MODEL:86~94 <-11301-94413-0ED <-11301-94445-0ED <-11301-94421-0ED) (The Spare Part Is Laid Off)

под заказ0 руб.
1011301-94452-0ED

Цилиндр в сборе (gray) - Cylinder Assy (gray) (Cylinder assy (gray) # DT40C 40TC 40RC MODEL:95~99 <-11301-94450-0ED ) (Cylinder Assy (gray))

под заказ0 руб.
1104211-09109-000

Штифт - Pin (Knock pin ) (Pin)

под заказ120 руб.
1201550-10557-000

Болт - Bolt (Bolt)

под заказ290 руб.
1301560-10657-000

Болт - Bolt (Bolt)

под заказ330 руб.
1501550-06407-000

Болт - Bolt (Bolt)

4 шт210 руб.
1609103-06183-000

Болт (6x36) - Bolt (6x36) (Bolt (6x38) ) (Bolt (6x36))

под заказ280 руб.
1717685-94410-000

Прокладка крышки термостата - Gasket, Thermostat Cover (Gasket, thermostat cover # <-17685-94400 ) (Gasket, Thermostat Cover)

5 шт480 руб.
1817681-94401-0ED

Крышка термостата - Cover, Thermostat (Cover, thermostat # <-17681-94400 ) (Cover, Thermostat)

под заказ13830 руб.
1909205-06011-000

Стопор пружины (6x12) - Pin, Spring (6x12) (Pin, Spring (6x12))

под заказ120 руб.
2017670-93962-000

Термостат 50 градусов - Thermostat, Water 50 Deg (Thermostat (50яc) # DT40W, 40WR ) (Thermostat, Water 50 Deg)

под заказ5810 руб.
2017670-93964-000

   (актуальный код замены) Термостат 50 градусов - Thermostat, Water 50 Deg

15 шт6850 руб.
2017670-94402-000

Термостат на 60 градусов - Thermostat, Water 60 Deg (Thermostat (60c) # DT40C, 40WK, 40TC, 40RC ) (Thermostat, Water 60 Deg)

под заказ6100 руб.
2017670-94404-000

   (актуальный код замены) Термостат на 60 градусов - Thermostat, Water 60 Deg

7 шт6330 руб.
2111281-94400-000

Защитный анод - Protection, Anode (Protection, anode # MODEL:92 MODEL:93~99 ) (Protection, Anode)

под заказ390 руб.
2209126-06005-000

Винт (6x30) - Screw (6x30) (MODEL:92 MODEL:93~99 ) (Screw (6x30))

под заказ160 руб.
2309351-25703-600

Шланг (2.5x7x600) - Hose (25x7x600) (Hose, outlet no.1 # DT40C L:600->60 MODEL:94 ) (Hose (2.5x7x600))

под заказ480 руб.
2409351-25703-600

Шланг (2.5x7x600) - Hose (25x7x600) (Hose, outlet no.1 # DT40C L:600->75 MODEL:94 ) (Hose (2.5x7x600))

под заказ480 руб.
2509401-06405-000

Зажим - Clip (DT40C, MODEL:94 ) (Clip)

под заказ160 руб.


Время выполнения запроса 0.96853995323181 сек.

 
 

данный сайт носит информационный характер и не является публичной офертой

склад запчастей для водомоторной техники