Купить запчасти на лодочный мотор Suzuki - Топливный насос
вконтакте

Контактный телефон: +7 (981) 121-46-93, +7 (800) 200-90-76 , Email: parts-katalog@yandex.ru, где купить

 
 

  Логин:

Пароль:

Регистрация

www.partskatalog.ru Все каталоги Запчасти Mercury Запчасти Suzuki Запчасти Tohatsu Запчасти Honda Контакты



УВАЖАЕМЫЕ КЛИЕНТЫ!
C 19 ДЕКАБРЯ 2025 ПО 02 МАРТА 2026 ГОДА ОТДЕЛ ЗАПЧАСТЕЙ И СЕРВИС РАБОТАТЬ НЕ БУДУТ
ПРОДАЖА ЛОДОЧНЫХ МОТОРОВ В ШТАТНОМ РЕЖИМЕ
ОБ ИЗМЕНЕНИЯХ В ГРАФИКЕ РАБОТЫ ЧИТАЙТЕ НА САЙТА



назад Раздел:   вперёд

Вернуться к выбору узлов мотора


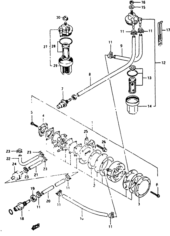
ДЕТАЛИРОВКА ДЛЯ МОДЕЛИ: SUZUKI DT40WVJ J

Топливный насос


Год выпуска двигателя: 1988

Номер на
рисунке
АртикулНаименованиеQTYКол-во
на складе
Цена
115100-94460-000

Топливный насос, в сборе - Pump Assy, Fuel (Pump Assy, Fuel)

под заказ18480 руб.
215170-94460-000

Диафрагма Set, Топливный насос - Diaphragm Set, Fuel Pump (Diaphragm Set, Fuel Pump)

под заказ3170 руб.
215170-94461-000

   (актуальный код замены) Диафрагма Set, Топливный насос - Diaphragm Set, Fuel Pump

под заказ3170 руб.
315141-98500-000

Запчасть снята с производства - The Spare Part Is Laid Off (The Spare Part Is Laid Off)

под заказ0 руб.
415141-94470-000

Запчасть снята с производства - The Spare Part Is Laid Off (The Spare Part Is Laid Off)

под заказ0 руб.
515251-94450-000

Винт - Screw (Screw)

под заказ230 руб.
615251-94470-000

Винт - Screw (Screw)

под заказ230 руб.
765720-94401-000

Разъем топливного коннектора - Plug, Fuel Connector (Plug, fuel conn; For kerosene) (Plug, Fuel Connector)

под заказ2480 руб.
765720-94403-000

   (актуальный код замены) Разъем топливного коннектора - Plug, Fuel Connector

1 шт2480 руб.
765720-94403-000

Разъем топливного коннектора - Plug, Fuel Connector (Plug, Fuel Connector)

1 шт2480 руб.
765720-98520-000

Разъем топливного коннектора - Plug, Fuel Connector (Plug, fuel conn; For kerosene, 231001) (Plug, Fuel Connector)

под заказ3170 руб.
765720-985L1-000

   (актуальный код замены) Разъем топливного коннектора - Plug, Fuel Connector

5 шт3950 руб.
7SK65720-98520

   (не оригинальный аналог) Коннектор топливный Skipper для Suzuki DT2-65, DF9.9-15 "папа", 6 мм

0 шт836 руб.
7SF80210-1

   (не оригинальный аналог) Адаптер топливный SUNFINE тип Suzuki, 7.5мм, 6720-98521

под заказ1270 руб.
765720-985L1-000

Разъем топливного коннектора - Plug, Fuel Connector (Plug, Fuel Connector)

5 шт3950 руб.
809354-53103-600

Шланг (5.3x10.5x600) - Hose (53x105x600) (Hose (conn to filter) # Hose (5.3x10.5x600); L:600->370, for kerosene ) (Hose (5.3x10.5x600))

под заказ1160 руб.
809355-53001-600

   (актуальный код замены) Шланг (5.3x10.5x600) - Hose (5.3x10.5x600)

под заказ1160 руб.
909354-53103-600

Шланг (5.3x10.5x600) - Hose (53x105x600) (Hose (conn to filter) # Hose (5.3x10.5x600); L:600->135, for kerosene ) (Hose (5.3x10.5x600))

под заказ1160 руб.
909355-53001-600

   (актуальный код замены) Шланг (5.3x10.5x600) - Hose (5.3x10.5x600)

под заказ1160 руб.
1009354-53103-600

Шланг (5.3x10.5x600) - Hose (53x105x600) (Hose (conn to filter) # Hose (5.3x10.5x600); L:600->260, for kerosene ) (Hose (5.3x10.5x600))

под заказ1160 руб.
1009355-53001-600

   (актуальный код замены) Шланг (5.3x10.5x600) - Hose (5.3x10.5x600)

под заказ1160 руб.
1109401-10409-000

Зажим - Clip (Clip)

под заказ170 руб.
1215410-93411-000

Топливный фильтр в сборе - Filter Assy, Fuel (For kerosene) (Filter Assy, Fuel)

под заказ2280 руб.
1215410-94401-000

   (актуальный код замены) Топливный фильтр в сборе - Filter Assy, Fuel

32 шт2280 руб.
1215410-94400-000

Топливный фильтр в сборе - Filter Assy, Fuel (Filter Assy, Fuel)

3 шт2280 руб.
1215410-94401-000

   (актуальный код замены) Топливный фильтр в сборе - Filter Assy, Fuel

32 шт2280 руб.
1315430-93410-000

Фильтр Set - Filter Set (Strainer set # Strainer set; For kerosene, ~model:94 ) (Filter Set)

под заказ1360 руб.
1315430-93412-000

   (актуальный код замены) Фильтр Set - Filter Set

под заказ1360 руб.
1315430-93411-000

Фильтр Set - Filter Set (Strainer set # Strainer set; For kerosene, model:95, 96 ) (Filter Set)

под заказ1230 руб.
1415413-93400-000

Cвыше - Cup (Cup # For kerosene ) (Cup)

под заказ0 руб.
1508322-01087-000

Шайба - Washer (Lock washer # Washer; For kerosene ) (Washer)

под заказ140 руб.
1608310-00087-000

Гайка - Nut (For kerosene ) (Nut)

под заказ140 руб.
1709404-06432-000

Струбцина (l: 65) - Clamp (l:65) (Clamp (l:80) # For kerosene ) (Clamp (l:65))

8 шт170 руб.
1709404-06039-000

   (актуальный код замены) Струбцина (l: 65) - Clamp (l:65)

под заказ170 руб.
1865720-95511-000

Разъем топливного коннектора - Plug, Fuel Connector (Plug, fuel conn; For gasoline) (Plug, Fuel Connector)

под заказ5810 руб.
1865720-955L1-000

   (актуальный код замены) Разъем топливного коннектора (gas) - Plug, Fuel Connector (gas)

под заказ5810 руб.
1865720-95512-000

Разъем топливного коннектора - Plug, Fuel Connector (Plug, Fuel Connector)

под заказ5810 руб.
1865720-955L1-000

   (актуальный код замены) Разъем топливного коннектора (gas) - Plug, Fuel Connector (gas)

под заказ5810 руб.
1908310-00127-000

Гайка - Nut (For gasoline ) (Nut)

под заказ190 руб.
2009352-70113-600

Шланг (7x11x600) - Hose (7x11x600) (Hose (7x11x600); For gasoline, l:600->150 ) (Hose (7x11x600))

под заказ1040 руб.
2009352-70119-600

   (актуальный код замены) Шланг (7x11x600) - Hose (7x11x600)

под заказ1040 руб.
2109352-50903-600

Шланг (5x9x600) - Hose (5x9x600) (Hose (5.0x9.0x600); For gasoline, l:600->50 ) (Hose (5x9x600))

под заказ570 руб.
2109352-50006-600

   (актуальный код замены) Шланг (5x9x600) - Hose (5x9x600)

1 шт570 руб.
2209352-50903-600

Шланг (5x9x600) - Hose (5x9x600) (Hose (5.0x9.0x600); For gasoline, l:600->140 ) (Hose (5x9x600))

под заказ570 руб.
2209352-50006-600

   (актуальный код замены) Шланг (5x9x600) - Hose (5x9x600)

1 шт570 руб.
2309401-08411-000

Зажим - Clip (For gasoline ) (Clip)

8 шт130 руб.
2415410-94350-000

Топливный фильтр - Filter, Fuel (For gasoline ) (Filter, Fuel)

под заказ1080 руб.
2515321-99710-000

Прокладка топливного насоса (na) - Gasket, Fuel Pump (na) (Gasket, fuel pump # Gasket, fuel pump; ) (Gasket, Fuel Pump (na))

8 шт370 руб.
2601550-06257-000

Болт - Bolt (Bolt)

под заказ180 руб.
2715410-94400-000

Топливный фильтр в сборе - Filter Assy, Fuel (Model:97~99 ) (Filter Assy, Fuel)

3 шт2280 руб.
2715410-94401-000

   (актуальный код замены) Топливный фильтр в сборе - Filter Assy, Fuel

32 шт2280 руб.
2815430-87D10-000

Element Set - Element Set (Element set; Model:97~99 ) (Element Set)

4 шт1350 руб.
2915413-87D10-000

Cвыше - Cup (Model:97~99 ) (Cup)

под заказ880 руб.
3008316-10087-000

Гайка - Nut (Model:97~99 ) (Nut)

14 шт170 руб.


Время выполнения запроса 1.8926470279694 сек.

 
 

данный сайт носит информационный характер и не является публичной офертой

склад запчастей для водомоторной техники