| |
 |
|
 |
Вернуться к выбору узлов мотора
ДЕТАЛИРОВКА ДЛЯ МОДЕЛИ: SUZUKI DT40C VJ
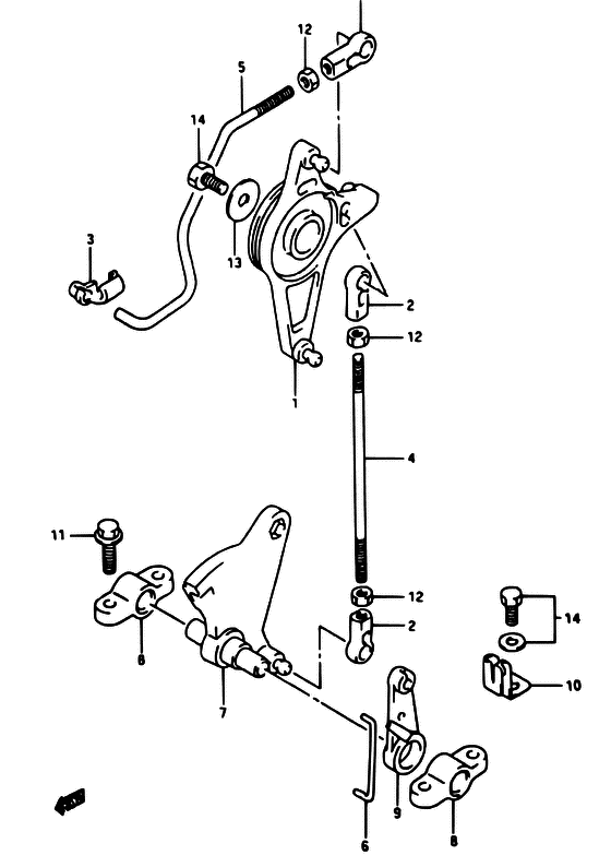
Управление дросселем
Код модели двигателя: DT40CS/L/L2
Год выпуска двигателя: 1988
Регион: General Export No.1 ,Код региона: P01
Номер на рисунке | Артикул | Наименование | QTY | Кол-во на складе | Цена |
| 1 | 19121-94400-000 | Рычаг управления дросселем - Lever, Throttle Control (Lever, throttle control ) (Lever, Throttle Control) | | под заказ | 1040 руб. |
| 2 | 19131-95502-000 | Коннектор - Connector (Connector, oil pump no.2 ) (Connector) | | 21 шт | 530 руб. |
| 3 | 19132-96300-000 | Коннектор тяги дросселя - Connector, Throttle Rod (Retainer ) (Connector, Throttle Rod) | | под заказ | 220 руб. |
| 4 | 19135-94400-000 | Тяга (от рычага до ограничителя) - Rod (lever To Limiter) (Rod (lever to limitter) ) (Rod (lever To Limiter)) | | под заказ | 460 руб. |
| 5 | 19136-94451-000 | Тяга дросселя - Rod, Throttle (<-19136-94450 ) (Rod, Throttle) | | под заказ | 1200 руб. |
| 6 | 19654-94401-000 | Тяга, Interlock - Rod, Interlock (MODEL:99) (Rod, Interlock) | | под заказ | 350 руб. |
| 6 | 19654-94421-000 | (актуальный код замены) Тяга, Interlock - Rod, Interlock | | под заказ | 350 руб. |
| 6 | 19654-94421-000 | Тяга, Interlock - Rod, Interlock (Rod (clutch to nsi lever) ) (Rod, Interlock) | | под заказ | 350 руб. |
| 6 | 19654-94410-000 | Тяга, Interlock - Rod, Interlock (Rod, Interlock) | | под заказ | 350 руб. |
| 6 | 19654-94421-000 | (актуальный код замены) Тяга, Interlock - Rod, Interlock | | под заказ | 350 руб. |
| 6 | 19654-94421-000 | Тяга, Interlock - Rod, Interlock (Rod (clutch to nsi lever) ) (Rod, Interlock) | | под заказ | 350 руб. |
| 7 | 19811-94400-000 | Ограничитель дросселя - Limiter, Throttle (Limitter, throttle ) (Limiter, Throttle) | | под заказ | 1180 руб. |
| 8 | 19815-94400-000 | Держатель ограничителя дросселя - Holder, Throttle Limiter (Holder, nsi lever ) (Holder, Throttle Limiter) | | под заказ | 340 руб. |
| 9 | 19851-94401-000 | Рычаг, Nsi - Lever, Nsi (Lever, nsi ) (Lever, Nsi) | | под заказ | 460 руб. |
| 10 | 19861-96301-000 | Станина NSI тросика - Stay, Nsi Cable (Stay, nsi cable ) (Stay, Nsi Cable) | | под заказ | 370 руб. |
| 11 | 09103-06048-000 | Болт (6x20) - Bolt (6x20) (<-09103-06138 ) (Bolt (6x20)) | | под заказ | 180 руб. |
| 12 | 09140-05005-000 | Гайка - Nut (Nut) | | 10 шт | 270 руб. |
| 13 | 09160-06036-000 | Шайба (6.5x18x1.5) - Washer (65x18x15) (Washer, 6.5x18x1.5 # MODEL:94~96 ) (Washer (6.5x18x1.5)) | | под заказ | 150 руб. |
| 13 | 09160-06046-000 | Шайба (6.5x20x1.5) - Washer (65x20x15) (Washer (6.5x20x1.5) ) (Washer (6.5x20x1.5)) | | 20 шт | 150 руб. |
| 13 | 09160-06084-000 | Шайба (6.5x18x1.6) - Washer (65x18x16) (MODEL:97~99 ) (Washer (6.5x18x1.6)) | | 7 шт | 130 руб. |
| 14 | 02162-06127-000 | Винт - Screw (Screw) | | под заказ | 150 руб. |
Время выполнения запроса 1.2379250526428 сек. |
|