Подобрать оригинальные запчасти на подвесной лодочный мотор SUZUKI DT40К(R)S/L/LL/L2/UL; - Опции: Дистанционное управление / Optional:remote control
вконтакте

Контактный телефон: +7 (981) 121-46-93, +7 (800) 200-90-76 , Email: parts-katalog@yandex.ru, где купить

 
 

  Логин:

Пароль:

Регистрация

www.partskatalog.ru Все каталоги Запчасти Mercury Запчасти Suzuki Запчасти Tohatsu Запчасти Honda Контакты



УВАЖАЕМЫЕ КЛИЕНТЫ!
C 19 ДЕКАБРЯ 2025 ПО 02 МАРТА 2026 ГОДА ОТДЕЛ ЗАПЧАСТЕЙ И СЕРВИС РАБОТАТЬ НЕ БУДУТ
ПРОДАЖА ЛОДОЧНЫХ МОТОРОВ В ШТАТНОМ РЕЖИМЕ
ОБ ИЗМЕНЕНИЯХ В ГРАФИКЕ РАБОТЫ ЧИТАЙТЕ НА САЙТА



назад Раздел:   вперёд

Вернуться к выбору узлов мотора


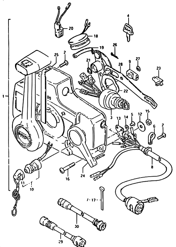
ДЕТАЛИРОВКА ДЛЯ МОДЕЛИ: SUZUKI DT40K VJ

Опции: Дистанционное управление


Код модели двигателя: DT40К(R)S/L/LL/L2/UL;

Год выпуска двигателя: 1988

Номер на
рисунке
АртикулНаименованиеQTYКол-во
на складе
Цена
167200-94630-02M

(<-67200-95553)

под заказ0 руб.
167200-87D61-000

Дистанционное управление в сборе - Remote Control Assy (Remote Control Assy)

под заказ0 руб.
167200-87D61-000

Дистанционное управление в сборе - Remote Control Assy (Remote Control Assy)

под заказ0 руб.
167200-87D61-000

Дистанционное управление в сборе - Remote Control Assy (Remote Control Assy)

под заказ0 руб.
167200-94630-0ED

под заказ0 руб.
167200-87D61-000

Дистанционное управление в сборе - Remote Control Assy (Remote Control Assy)

под заказ0 руб.
167200-87D61-000

Дистанционное управление в сборе - Remote Control Assy (Remote Control Assy)

под заказ0 руб.
167200-87D61-000

Дистанционное управление в сборе - Remote Control Assy (Remote Control Assy)

под заказ0 руб.
267296-94300-000

Винт (4x10) - Screw (4x10) (Screw (4x10))

под заказ120 руб.
337110-94301-000

Выключатель зажигания - Switch Assy, Ignition (Switch Assy, Ignition)

под заказ0 руб.
337110-95551-000

   (актуальный код замены) Запчасть снята с производства - The Spare Part Is Laid Off

под заказ0 руб.
337110-95551-000

Выключатель зажигания - Switch Assy, Ignition (Switch, ignition ) (Switch Assy, Ignition)

под заказ0 руб.
437141-93300-000

Ключ, Spare (8511) - Key, Spare (8511) (Key, spare 8511 ) (Key, Spare (8511))

под заказ0 руб.
437141-93310-000

Ключ, Spare (8512) - Key, Spare (8512) (Key, spare 8512 ) (Key, Spare (8512))

под заказ0 руб.
437141-93320-000

Ключ, Spare (8513) - Key, Spare (8513) (Key, spare 8513 ) (Key, Spare (8513))

под заказ0 руб.
437141-93330-000

Ключ, Spare (8611) - Key, Spare (8611) (Key, spare 8611 ) (Key, Spare (8611))

под заказ0 руб.
437141-93340-000

Ключ, Spare (8612) - Key, Spare (8612) (Key, spare 8612 ) (Key, Spare (8612))

под заказ0 руб.
437141-93350-000

Ключ, Spare (8613) - Key, Spare (8613) (Key, spare 8613 ) (Key, Spare (8613))

под заказ0 руб.
567296-94310-000

Винт - Screw (Screw)

под заказ180 руб.
636622-94300-000

Запчасть снята с производства - The Spare Part Is Laid Off (The Spare Part Is Laid Off)

под заказ0 руб.
736632-95501-000

Струбцина (l: 250) - Clamp (l:250) (Clamp (l:250))

под заказ190 руб.
709407-20405-000

   (актуальный код замены) Струбцина (l: 202) - Clamp (l:202)

под заказ190 руб.
709407-25402-000

Струбцина (l: 250) - Clamp (l:250) (Clamp, tilt sw ) (Clamp (l:250))

под заказ350 руб.
709407-25402-000

Струбцина (l: 250) - Clamp (l:250) (Clamp, tilt sw ) (Clamp (l:250))

под заказ350 руб.
709407-25402-000

Струбцина (l: 250) - Clamp (l:250) (Clamp, tilt sw ) (Clamp (l:250))

под заказ350 руб.
836620-94320-000

Жгут проводов, WiКольцо Ext - Harness, Wiring Ext (<-36620-94320) (Harness, Wiring Ext)

под заказ23620 руб.
836620-95D00-000

   (актуальный код замены) Жгут проводов, WiКольцо Ext - Harness, Wiring Ext

под заказ23620 руб.
836620-95D00-000

Жгут проводов, WiКольцо Ext - Harness, Wiring Ext (Wiring harness 9 wires ) (Harness, Wiring Ext)

под заказ23620 руб.
967275-94300-000

Наконечник кабеля - End, Cable (End, Cable)

под заказ810 руб.
967275-95600-000

   (актуальный код замены) Наконечник кабеля - End, Cable

36 шт810 руб.
967275-95600-000

Наконечник кабеля - End, Cable (End, Cable)

36 шт810 руб.
1037820-96350-000

Аварийный выключатель, в сборе - Switch Assy, Emergency (<-37820-96302) (Switch Assy, Emergency)

под заказ4710 руб.
1037820-92E05-000

   (актуальный код замены) Аварийный выключатель, в сборе - Switch Assy, Emergency

1 шт4710 руб.
1037820-92E04-000

Аварийный выключатель, в сборе - Switch Assy, Emergency (Switch Assy, Emergency)

под заказ4710 руб.
1037820-92E05-000

   (актуальный код замены) Аварийный выключатель, в сборе - Switch Assy, Emergency

1 шт4710 руб.
1137823-95251-000

Колпачок, Emergency Переключатель - Cap, Emergency Switch (Cap ) (Cap, Emergency Switch)

под заказ0 руб.
1267288-94300-000

Запчасть снята с производства - The Spare Part Is Laid Off (The Spare Part Is Laid Off)

под заказ0 руб.
1367271-94300-000

Запчасть снята с производства - The Spare Part Is Laid Off (The Spare Part Is Laid Off)

под заказ0 руб.
1467288-94310-000

Шайба (6.5x24x2) - Washer (65x24x2) (Washer (6.5x24x2))

под заказ220 руб.
1409160-06104-000

   (актуальный код замены) Шайба (6.5x24x2) - Washer (6.5x24x2)

под заказ220 руб.
1409160-06104-000

Шайба (6.5x24x2) - Washer (65x24x2) (Washer (6.5x24x2))

под заказ220 руб.
1509140-06004-000

Гайка - Nut (Nut)

под заказ150 руб.
1509140-06020-000

   (актуальный код замены) Гайка - Nut

9 шт150 руб.
1509140-06020-000

Гайка - Nut (Nut)

9 шт150 руб.
1609125-06012-000

Винт - Screw (Screw)

под заказ130 руб.
1602112-06407-000

   (актуальный код замены) Винт - Screw

под заказ130 руб.
1602112-06407-000

Винт - Screw (Screw)

под заказ130 руб.
1737119-94300-000

Запчасть снята с производства - The Spare Part Is Laid Off (The Spare Part Is Laid Off)

под заказ0 руб.
1838500-95503-000

Предупреждающий зуммер, в сборе - Buzzer Assy, Warning (Buzzer Assy, Warning)

под заказ0 руб.
1838500-95202-000

   (актуальный код замены) Запчасть снята с производства - The Spare Part Is Laid Off

под заказ0 руб.
1838500-95202-000

Предупреждающий зуммер, в сборе - Buzzer Assy, Warning (Buzzer Assy, Warning)

под заказ0 руб.
1938501-95500-000

Ремешок, Warning Buzzer - Band, Warning Buzzer (Band, warning buzzer ) (Band, Warning Buzzer)

под заказ680 руб.
2037721-95551-000

Выключатель нейтрали, в сборе - Switch Assy, Neutral (Switch Assy, Neutral)

под заказ3650 руб.
2037721-94601-000

   (актуальный код замены) Выключатель нейтрали, в сборе - Switch Assy, Neutral

1 шт4380 руб.
2037721-94601-000

Выключатель нейтрали, в сборе - Switch Assy, Neutral (Switch Assy, Neutral)

1 шт4380 руб.
2167232-94300-000

Запчасть снята с производства - The Spare Part Is Laid Off (The Spare Part Is Laid Off)

под заказ0 руб.
2267252-94300-000

Запчасть снята с производства - The Spare Part Is Laid Off (The Spare Part Is Laid Off)

под заказ0 руб.
2367214-94300-000

Запчасть снята с производства - The Spare Part Is Laid Off (The Spare Part Is Laid Off)

под заказ0 руб.
2467241-94300-000

Запчасть снята с производства - The Spare Part Is Laid Off (The Spare Part Is Laid Off)

под заказ0 руб.
2567255-94300-000

Запчасть снята с производства - The Spare Part Is Laid Off (The Spare Part Is Laid Off)

под заказ0 руб.
2667293-94300-000

Запчасть снята с производства - The Spare Part Is Laid Off (The Spare Part Is Laid Off)

под заказ0 руб.
2767292-94300-000

Уплотнительное кольцо дистанционного управления - E Ring, Remo-con (E Ring, Remo-con)

25 шт120 руб.
2867220-94300-000

Запчасть снята с производства - The Spare Part Is Laid Off (The Spare Part Is Laid Off)

под заказ0 руб.
2936641-94701-000

Adapter (n.o) - Adapter (no) (Adapter (o.n) ) (Adapter (n.o))

под заказ0 руб.
3036642-94703-000

Adapter (n.o) - Adapter (no) (Adapter (n.o) # <-36642-94702 ) (Adapter (n.o))

под заказ0 руб.


Время выполнения запроса 3.145201921463 сек.

 
 

данный сайт носит информационный характер и не является публичной офертой

склад запчастей для водомоторной техники