Купить комплектующие на лодочный подвесной мотор Suzuki DT40W(R)S/L/LL/L2/UL; модель 1989 года - Топливный бак
вконтакте

Контактный телефон: +7 (981) 121-46-93, +7 (800) 200-90-76 , Email: parts-katalog@yandex.ru, где купить

 
 

  Логин:

Пароль:

Регистрация

www.partskatalog.ru Все каталоги Запчасти Mercury Запчасти Suzuki Запчасти Tohatsu Запчасти Honda Контакты



УВАЖАЕМЫЕ КЛИЕНТЫ!
C 19 ДЕКАБРЯ 2025 ПО 02 МАРТА 2026 ГОДА ОТДЕЛ ЗАПЧАСТЕЙ И СЕРВИС РАБОТАТЬ НЕ БУДУТ
ПРОДАЖА ЛОДОЧНЫХ МОТОРОВ В ШТАТНОМ РЕЖИМЕ
ОБ ИЗМЕНЕНИЯХ В ГРАФИКЕ РАБОТЫ ЧИТАЙТЕ НА САЙТА



назад Раздел:   вперёд

Вернуться к выбору узлов мотора


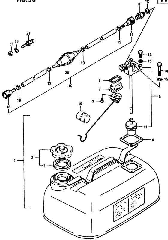
ДЕТАЛИРОВКА ДЛЯ МОДЕЛИ: SUZUKI DT40WK K

Топливный бак


Код модели двигателя: DT40W(R)S/L/LL/L2/UL;

Год выпуска двигателя: 1989

Номер на
рисунке
АртикулНаименованиеQTYКол-во
на складе
Цена
165800-95872-000

Запчасть снята с производства - The Spare Part Is Laid Off (Tank set, fuel (23l); 6 u.s.gal/5.1 imp.gal) (The Spare Part Is Laid Off)

под заказ0 руб.
265510-98512-000

Крышка горловины топливного бака, в сборе - Cap Assy, Fuel Tank (Cap assy, fuel tank;) (Cap Assy, Fuel Tank)

под заказ0 руб.
265510-92D00-000

   (актуальный код замены) Запчасть снята с производства - The Spare Part Is Laid Off

под заказ0 руб.
265510-92D00-000

Крышка горловины топливного бака, в сборе - Cap Assy, Fuel Tank (Cap assy, separate tank ) (Cap Assy, Fuel Tank)

под заказ0 руб.
365561-98502-000

Запчасть снята с производства - The Spare Part Is Laid Off (Gasket, fuel gauge;) (The Spare Part Is Laid Off)

под заказ0 руб.
465871-93010-000

Прокладка, Fuel Gauge - Gasket, Fuel Gauge (Gasket, fuel gauge # Gasket, fuel gauge; ) (Gasket, Fuel Gauge)

под заказ240 руб.
565850-95520-000

Запчасть снята с производства - The Spare Part Is Laid Off (Gauge assy, fuel;) (The Spare Part Is Laid Off)

под заказ0 руб.
665854-93001-000

Прокладка - Gasket (Gasket, strainer; ) (Gasket)

под заказ0 руб.
765853-93001-000

Топливный фильтр Gauge - Strainer, Fuel Gauge (Strainer; ) (Strainer, Fuel Gauge)

под заказ0 руб.
865740-95500-000

Разъем топливного коннектора - Plug, Fuel Connector (Connector, fuel # Connector, male fuel; Od:13 ) (Plug, Fuel Connector)

под заказ2720 руб.
865740-95501-000

   (актуальный код замены) Разъем топливного коннектора - Plug, Fuel Connector

под заказ2720 руб.
902112-04107-000

Винт - Screw (Screw)

под заказ120 руб.
1065864-95200-000

Запчасть снята с производства - The Spare Part Is Laid Off (Float;) (The Spare Part Is Laid Off)

под заказ0 руб.
1165830-95500-000

Фильтр - Filter (Filter, outlet; ) (Filter)

под заказ1180 руб.
1209168-12001-000

Прокладка (12.5x20x1) - Gasket (125x20x1) (Gasket ) (Gasket (12.5x20x1))

под заказ220 руб.
1301550-06167-000

Болт - Bolt (Bolt)

9 шт210 руб.
1401500-06403-000

Болт - Bolt (Bolt)

под заказ190 руб.
1401500-0640B-000

   (актуальный код замены) Болт - Bolt

под заказ190 руб.
1401500-0640B-000

Болт - Bolt (Bolt)

под заказ190 руб.
1508322-01067-000

Шайба - Washer (Washer)

10 шт160 руб.
1665700-95523-000

Топливный шланг (от бака до коннектора) - Hose, Fuel (tank To Conn) (Hose, Fuel (tank To Conn))

под заказ6530 руб.
1665700-87DL2-000

   (актуальный код замены) Топливный шланг (от бака до коннектора) - Hose, Fuel (tank To Conn)

под заказ6530 руб.
1665700-87DL0-000

Топливный шланг (от бака до коннектора) - Hose, Fuel (tank To Conn) (Hose, Fuel (tank To Conn))

под заказ6530 руб.
1665700-87DL2-000

   (актуальный код замены) Топливный шланг (от бака до коннектора) - Hose, Fuel (tank To Conn)

под заказ6530 руб.
1765750-95500-000

Разъём топливного шланга - Socket, Fuel Hose (Socket, fuel hose (in) ) (Socket, Fuel Hose)

под заказ3700 руб.
1765750-95501-000

   (актуальный код замены) Разъём топливного шланга - Socket, Fuel Hose

2 шт3700 руб.
17SF80211-4

   (не оригинальный аналог) Коннектор топливный SUNFINE тип Suzuki, Mercury, Evinrude, Tohatsu, 10мм 3GF-70281-0

под заказ1880 руб.
1865750-98505-000

Разъём топливного шланга - Socket, Fuel Hose (Socket, fuel hose (out) # Connector, female fuel; ) (Socket, Fuel Hose)

2 шт3240 руб.
1865750-98506-000

   (актуальный код замены) Разъём топливного шланга - Socket, Fuel Hose

под заказ3240 руб.
1965781-98500-000

Зажим топливного шланга - Clip, Fuel Hose (Clip, Fuel Hose)

9 шт350 руб.
2065770-95540-000

Запчасть снята с производства - The Spare Part Is Laid Off (Pump, squeeze;) (The Spare Part Is Laid Off)

под заказ0 руб.
2065770-95541-000

   (актуальный код замены) Запчасть снята с производства - The Spare Part Is Laid Off

под заказ0 руб.
2165720-98520-000

Разъем топливного коннектора - Plug, Fuel Connector (Connector, fuel;) (Plug, Fuel Connector)

под заказ3170 руб.
2165720-985L1-000

   (актуальный код замены) Разъем топливного коннектора - Plug, Fuel Connector

5 шт3950 руб.
21SK65720-98520

   (не оригинальный аналог) Коннектор топливный Skipper для Suzuki DT2-65, DF9.9-15 "папа", 6 мм

0 шт836 руб.
21SF80210-1

   (не оригинальный аналог) Адаптер топливный SUNFINE тип Suzuki, 7.5мм, 6720-98521

под заказ1270 руб.
2165720-985L1-000

Разъем топливного коннектора - Plug, Fuel Connector (Plug, Fuel Connector)

5 шт3950 руб.
2208321-01107-000

Шайба с блокировкой - Washer, Lock (Lock washer ) (Washer, Lock)

9 шт140 руб.
2308310-00107-000

Гайка - Nut (Nut)

под заказ170 руб.


Время выполнения запроса 1.0849239826202 сек.

 
 

данный сайт носит информационный характер и не является публичной офертой

склад запчастей для водомоторной техники