Купить оригинальные запчасти на подвесной двигатель Suzuki DT40CS/L/L2 - Топливный насос
вконтакте

Контактный телефон: +7 (981) 121-46-93, +7 (800) 200-90-76 , Email: parts-katalog@yandex.ru, где купить

 
 

  Логин:

Пароль:

Регистрация

www.partskatalog.ru Все каталоги Запчасти Mercury Запчасти Suzuki Запчасти Tohatsu Запчасти Honda Контакты

назад Раздел:   вперёд

Вернуться к выбору узлов мотора


ДЕТАЛИРОВКА ДЛЯ МОДЕЛИ: SUZUKI DT40C K/DT40TC K/DT40RC K

Топливный насос


Код модели двигателя: DT40CS/L/L2

Год выпуска двигателя: 1989

Регион: General Export No.1 ,Код региона: P01

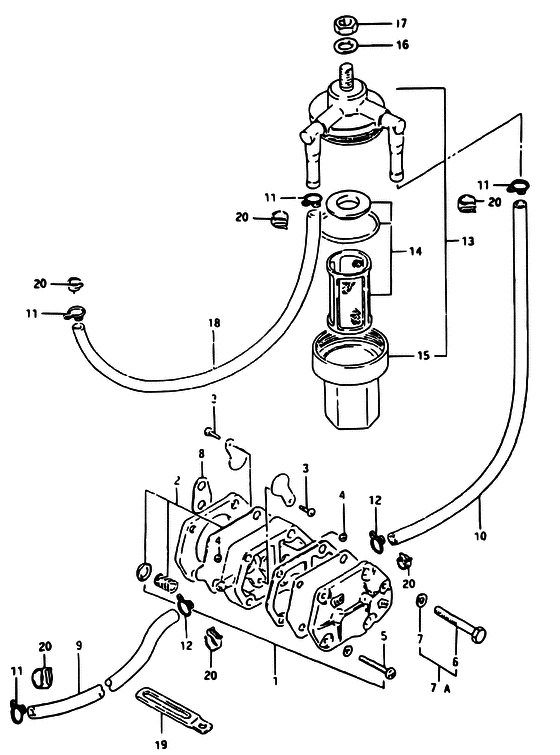
Номер на
рисунке
АртикулНаименованиеQTYКол-во
на складе
Цена
115100-94303-000

Топливный насос, в сборе - Pump Assy, Fuel (<-15100-94302) (Pump Assy, Fuel)

под заказ10370 руб.
115100-94312-000

   (актуальный код замены) Топливный насос, в сборе - Pump Assy, Fuel

3 шт12370 руб.
115100-94311-000

Топливный насос, в сборе - Pump Assy, Fuel (Pump Assy, Fuel)

4 шт12370 руб.
115100-94312-000

   (актуальный код замены) Топливный насос, в сборе - Pump Assy, Fuel

3 шт12370 руб.
215170-94311-000

Диафрагма Set - Diaphragm Set (Diaphragm set ) (Diaphragm Set)

3 шт3320 руб.
215170-94312-000

   (актуальный код замены) Диафрагма Set - Diaphragm Set

под заказ3320 руб.
315183-94301-000

Винт - Screw (Screw)

под заказ170 руб.
415186-94300-000

Гайка - Nut (Nut)

под заказ160 руб.
515851-94300-000

Винт - Screw (Screw ) (Screw)

под заказ260 руб.
601500-06403-000

Болт - Bolt (Bolt)

под заказ190 руб.
601500-0640B-000

   (актуальный код замены) Болт - Bolt

под заказ190 руб.
601500-0640B-000

Болт - Bolt (Bolt)

под заказ190 руб.
708321-01067-000

Шайба с блокировкой - Washer, Lock (Washer, Lock)

под заказ140 руб.
701570-06407-000

Болт - Bolt (MODEL:94 ) (Bolt)

под заказ230 руб.
815321-99710-000

Прокладка топливного насоса (na) - Gasket, Fuel Pump (na) (Gasket, fuel pump # <-15321-99700 ) (Gasket, Fuel Pump (na))

8 шт370 руб.
909352-50903-600

Шланг (5x9x600) - Hose (5x9x600) (L:600->110 ) (Hose (5x9x600))

под заказ570 руб.
909352-50006-600

   (актуальный код замены) Шланг (5x9x600) - Hose (5x9x600)

1 шт570 руб.
1009352-50903-600

Шланг (5x9x600) - Hose (5x9x600) (L:600->135 ) (Hose (5x9x600))

под заказ570 руб.
1009352-50006-600

   (актуальный код замены) Шланг (5x9x600) - Hose (5x9x600)

1 шт570 руб.
1109401-08410-000

Зажим - Clip (MODEL:87~90 ) (Clip)

под заказ130 руб.
1215331-94300-000

Зажим - Clip (MODEL:87~90 ) (Clip)

под заказ240 руб.
1315410-93411-000

Топливный фильтр в сборе - Filter Assy, Fuel (->15410-94400) (Filter Assy, Fuel)

под заказ2280 руб.
1315410-94401-000

   (актуальный код замены) Топливный фильтр в сборе - Filter Assy, Fuel

32 шт2280 руб.
1315410-94400-000

Топливный фильтр в сборе - Filter Assy, Fuel (Filter Assy, Fuel)

3 шт2280 руб.
1315410-94401-000

   (актуальный код замены) Топливный фильтр в сборе - Filter Assy, Fuel

32 шт2280 руб.
1415430-93410-000

Фильтр Set - Filter Set (Strainer set ) (Filter Set)

под заказ1360 руб.
1415430-93412-000

   (актуальный код замены) Фильтр Set - Filter Set

под заказ1360 руб.
1515413-93400-000

Cвыше - Cup (Cup ) (Cup)

под заказ0 руб.
1608322-01087-000

Шайба - Washer (Lock washer ) (Washer)

под заказ140 руб.
1708310-00087-000

Гайка - Nut (Nut)

под заказ140 руб.
1809352-50903-600

Шланг (5x9x600) - Hose (5x9x600) (L:600->370 ) (Hose (5x9x600))

под заказ570 руб.
1809352-50006-600

   (актуальный код замены) Шланг (5x9x600) - Hose (5x9x600)

1 шт570 руб.
1909404-06433-000

Струбцина (l: 80) - Clamp (l:80) (Clamp (l:80) ) (Clamp (l:80))

под заказ230 руб.
1909404-06436-000

   (актуальный код замены) Струбцина (l: 80) - Clamp (l:80)

под заказ230 руб.
2009401-08411-000

Зажим - Clip (MODEL:91~94 ) (Clip)

8 шт130 руб.


Время выполнения запроса 5.8201510906219 сек.

 
 

данный сайт носит информационный характер и не является публичной офертой

склад запчастей для водомоторной техники