Купить комплектующие на подвесной двигатель SUZUKI DT40К(R)S/L/LL/L2/UL; модель 1989 года - Опции: Комплект прокладок
вконтакте

Контактный телефон: +7 (981) 121-46-93, +7 (800) 200-90-76 , Email: parts-katalog@yandex.ru, где купить

 
 

  Логин:

Пароль:

Регистрация

www.partskatalog.ru Все каталоги Запчасти Mercury Запчасти Suzuki Запчасти Tohatsu Запчасти Honda Контакты



УВАЖАЕМЫЕ КЛИЕНТЫ!
C 19 ДЕКАБРЯ 2025 ПО 02 МАРТА 2026 ГОДА ОТДЕЛ ЗАПЧАСТЕЙ И СЕРВИС РАБОТАТЬ НЕ БУДУТ
ПРОДАЖА ЛОДОЧНЫХ МОТОРОВ В ШТАТНОМ РЕЖИМЕ
ОБ ИЗМЕНЕНИЯХ В ГРАФИКЕ РАБОТЫ ЧИТАЙТЕ НА САЙТА



назад Раздел:   вперёд

Вернуться к выбору узлов мотора


ДЕТАЛИРОВКА ДЛЯ МОДЕЛИ: SUZUKI DT40K K

Опции: Комплект прокладок


Код модели двигателя: DT40К(R)S/L/LL/L2/UL;

Год выпуска двигателя: 1989

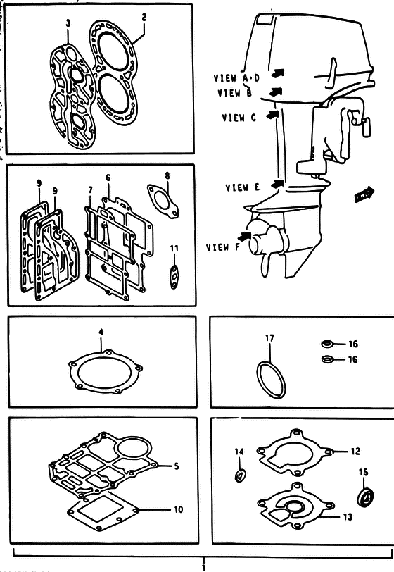
Номер на
рисунке
АртикулНаименованиеQTYКол-во
на складе
Цена
111400-94833-000

Запчасть снята с производства - The Spare Part Is Laid Off (<-11400-94832) (The Spare Part Is Laid Off)

под заказ0 руб.
111400-94837-000

   (актуальный код замены) Запчасть снята с производства - The Spare Part Is Laid Off

под заказ0 руб.
211141-94303-000

Прокладка головки блока цилиндра - Gasket, Cylinder Head (Gasket, Cylinder Head)

под заказ9700 руб.
211141-94311-000

   (актуальный код замены) Прокладка головки блока цилиндра - Gasket, Cylinder Head

под заказ9700 руб.
211141-94311-000

Прокладка головки блока цилиндра - Gasket, Cylinder Head (Gasket, Cylinder Head)

под заказ9700 руб.
311162-94310-000

Прокладка крышки головки блока цилиндра (na) - Gasket, Cyl Head Cover (na) (T:1.0) (Gasket, Cyl Head Cover (na))

под заказ2670 руб.
311162-94360-000

   (актуальный код замены) Прокладка крышки головки блока цилиндра (na) - Gasket, Cyl Head Cover (na)

под заказ2670 руб.
311162-94360-000

Прокладка крышки головки блока цилиндра (na) - Gasket, Cyl Head Cover (na) (Gasket, Cyl Head Cover (na))

под заказ2670 руб.
311162-94320-000

Прокладка крышки головки блока цилиндра (na) - Gasket, Cyl Head Cover (na) (T:0.5) (Gasket, Cyl Head Cover (na))

под заказ2670 руб.
311162-94360-000

   (актуальный код замены) Прокладка крышки головки блока цилиндра (na) - Gasket, Cyl Head Cover (na)

под заказ2670 руб.
311162-94360-000

Прокладка крышки головки блока цилиндра (na) - Gasket, Cyl Head Cover (na) (Gasket, Cyl Head Cover (na))

под заказ2670 руб.
411413-94300-000

Прокладка верхнего корпуса сальника (na) - Gasket, Upr Oil Seal Hsg (na) (Gasket, Upr Oil Seal Hsg (na))

под заказ0 руб.
411413-94360-000

   (актуальный код замены) Запчасть снята с производства - The Spare Part Is Laid Off

под заказ0 руб.
411413-94360-000

Прокладка верхнего корпуса сальника (na) - Gasket, Upr Oil Seal Hsg (na) (Gasket, Upr Oil Seal Hsg (na))

под заказ0 руб.
511433-94303-000

Прокладка нижнего корпуса сальника (na) - Gasket, Under Oil Seal Hsg (na) (Gasket, Under Oil Seal Hsg (na))

под заказ3480 руб.
511433-94360-000

   (актуальный код замены) Прокладка нижнего корпуса сальника (na) - Gasket, Under Oil Seal Hsg (na)

под заказ3480 руб.
511433-94360-000

Прокладка нижнего корпуса сальника (na) - Gasket, Under Oil Seal Hsg (na) (Gasket, Under Oil Seal Hsg (na))

под заказ3480 руб.
613121-94301-000

Запчасть снята с производства - The Spare Part Is Laid Off (T:0.5) (The Spare Part Is Laid Off)

под заказ0 руб.
613121-94370-000

   (актуальный код замены) Запчасть снята с производства - The Spare Part Is Laid Off

под заказ0 руб.
613121-94350-000

Прокладка, вход Case - Gasket, Inlet Case (T:1.0) (Gasket, Inlet Case)

под заказ0 руб.
613121-94360-000

   (актуальный код замены) Запчасть снята с производства - The Spare Part Is Laid Off

под заказ0 руб.
613121-94360-000

Прокладка, вход Case - Gasket, Inlet Case (Gasket, Inlet Case)

под заказ0 руб.
713122-94300-000

Прокладка седла клапана - Gasket, Valve Seat (Gasket, Valve Seat)

под заказ0 руб.
713122-94360-000

   (актуальный код замены) Запчасть снята с производства - The Spare Part Is Laid Off

под заказ0 руб.
713122-94360-000

Прокладка седла клапана - Gasket, Valve Seat (Gasket, Valve Seat)

под заказ0 руб.
813125-95200-000

Прокладка карбюратора - Gasket, Carburetor (Gasket, Carburetor)

под заказ430 руб.
813125-95210-000

   (актуальный код замены) Прокладка карбюратора - Gasket, Carburetor

7 шт480 руб.
813125-95210-000

Прокладка карбюратора - Gasket, Carburetor (Gasket, carburetor ) (Gasket, Carburetor)

7 шт480 руб.
914151-94300-000

Прокладка кожуха выхлопной трубы - Gasket, Exhaust Cover (Gasket, Exhaust Cover)

под заказ1960 руб.
914151-94361-000

   (актуальный код замены) Прокладка кожуха выхлопной трубы - Gasket, Exhaust Cover

под заказ1960 руб.
914151-94361-000

Прокладка кожуха выхлопной трубы - Gasket, Exhaust Cover (Gasket, Exhaust Cover)

под заказ1960 руб.
1014215-94300-000

Запчасть снята с производства - The Spare Part Is Laid Off (The Spare Part Is Laid Off)

под заказ0 руб.
1014215-94360-000

   (актуальный код замены) Запчасть снята с производства - The Spare Part Is Laid Off

под заказ0 руб.
1115321-99700-000

Прокладка топливного насоса (na) - Gasket, Fuel Pump (na) (Gasket, Fuel Pump (na))

под заказ360 руб.
1115321-99710-000

   (актуальный код замены) Прокладка топливного насоса (na) - Gasket, Fuel Pump (na)

8 шт370 руб.
1115321-99710-000

Прокладка топливного насоса (na) - Gasket, Fuel Pump (na) (Gasket, fuel pump ) (Gasket, Fuel Pump (na))

8 шт370 руб.
1217472-95200-000

Прокладка панели корпуса помпы - Gasket, Pump Case Panel (Gasket ) (Gasket, Pump Case Panel)

под заказ1100 руб.
1317472-95300-000

Прокладка пластины водяного насоса - Gasket, Water Pump Plate (Gasket, Water Pump Plate)

под заказ320 руб.
1317472-95310-000

   (актуальный код замены) Прокладка пластины водяного насоса - Gasket, Water Pump Plate

под заказ320 руб.
1317472-95310-000

Прокладка пластины водяного насоса - Gasket, Water Pump Plate (Gasket, panel ) (Gasket, Water Pump Plate)

под заказ320 руб.
1409168-06002-000

Прокладка (6.2x11x1.2) - Gasket (62x11x12) (Gasket (6.2x11x1.2))

под заказ120 руб.
1409168-06004-000

   (актуальный код замены) Прокладка (6.2x11x1.2) - Gasket (6.2x11x1.2)

под заказ120 руб.
1409168-06004-000

Прокладка (6.2x11x1.2) - Gasket (62x11x12) (Washer (6x11.8x1.5) ) (Gasket (6.2x11x1.2))

под заказ120 руб.
1509168-10022-000

Прокладка (10x17x1.5) - Gasket (10x17x15) (Gasket (10x17x1.5))

2205 шт150 руб.
1609280-08005-000

Уплотнительное кольцо (d: 1.7, Id: 7.7) - O Ring (d:17, Id:77) (O ring (d:1.8, id:7.6) # ID:7.6, D:1.8 ) (O Ring (d:1.7, Id:7.7))

45 шт160 руб.
1709280-75001-000

Уплотнительное кольцо (d: 3.3, Id: 75) - O Ring (d:33, Id:75) (O ring (d:3.8 id:75) # ID:75, D:3.3 ) (O Ring (d:3.3, Id:75))

94 шт370 руб.
17SK09280-75001

   (не оригинальный аналог) Кольцо уплотнительное обоймы гребного вала Skipper для Suzuki Модели техники: DT40HP, DF40-50HP, DF40A-60A

0 шт141 руб.


Время выполнения запроса 2.2350859642029 сек.

 
 

данный сайт носит информационный характер и не является публичной офертой

склад запчастей для водомоторной техники