| |
 |
|
 |
Вернуться к выбору узлов мотора
ДЕТАЛИРОВКА ДЛЯ МОДЕЛИ: SUZUKI DT40CL L
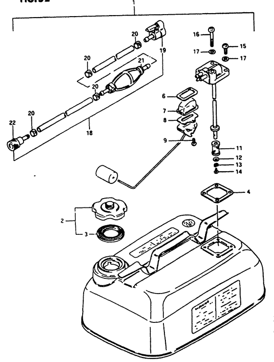
Топливный бак
Код модели двигателя: DT40CS/L/L2
Год выпуска двигателя: 1990
Регион: General Export No.1 ,Код региона: P01
Цвет: California Gray Metallic
Номер на рисунке | Артикул | Наименование | QTY | Кол-во на складе | Цена |
| 1 | 65800-95872-000 | Запчасть снята с производства - The Spare Part Is Laid Off (Tank set, fuel (23l); 6 u.s.gal/5.1 imp.gal) (The Spare Part Is Laid Off) | | под заказ | 0 руб. |
| 2 | 65510-98512-000 | Крышка горловины топливного бака, в сборе - Cap Assy, Fuel Tank (Cap assy, fuel tank;) (Cap Assy, Fuel Tank) | | под заказ | 0 руб. |
| 2 | 65510-92D00-000 | (актуальный код замены) Запчасть снята с производства - The Spare Part Is Laid Off | | под заказ | 0 руб. |
| 2 | 65510-92D00-000 | Крышка горловины топливного бака, в сборе - Cap Assy, Fuel Tank (Cap assy, separate tank ) (Cap Assy, Fuel Tank) | | под заказ | 0 руб. |
| 3 | 65561-98502-000 | Запчасть снята с производства - The Spare Part Is Laid Off (Gasket, fuel gauge;) (The Spare Part Is Laid Off) | | под заказ | 0 руб. |
| 4 | 65871-93010-000 | Прокладка, Fuel Gauge - Gasket, Fuel Gauge (Gasket, fuel gauge # Gasket, fuel gauge; ) (Gasket, Fuel Gauge) | | под заказ | 240 руб. |
| 6 | 65854-93001-000 | Прокладка - Gasket (Gasket, strainer; ) (Gasket) | | под заказ | 0 руб. |
| 7 | 65853-93001-000 | Топливный фильтр Gauge - Strainer, Fuel Gauge (Strainer; ) (Strainer, Fuel Gauge) | | под заказ | 0 руб. |
| 8 | 65862-93060-000 | Запчасть снята с производства - The Spare Part Is Laid Off (The Spare Part Is Laid Off) | | под заказ | 0 руб. |
| 9 | 02112-04107-000 | Винт - Screw (Screw) | | под заказ | 120 руб. |
| 11 | 65830-93301-000 | Запчасть снята с производства - The Spare Part Is Laid Off (Filter, outlet;) (The Spare Part Is Laid Off) | | под заказ | 0 руб. |
| 12 | 08322-01057-000 | Шайба - Washer (Washer, front hook holder ) (Washer) | | под заказ | 140 руб. |
| 13 | 08321-01057-000 | Шайба с блокировкой - Washer, Lock (Washer, Lock) | | под заказ | 140 руб. |
| 13 | 08321-0105A-000 | (актуальный код замены) Шайба с блокировкой - Washer, Lock | | под заказ | 140 руб. |
| 13 | 08321-0105A-000 | Шайба с блокировкой - Washer, Lock (Washer, Lock) | | под заказ | 140 руб. |
| 14 | 09125-05050-000 | Винт (5x8) - Screw (5x8) (Screw (5x8)) | | под заказ | 150 руб. |
| 15 | 02112-06167-000 | Винт - Screw (Screw) | | под заказ | 120 руб. |
| 16 | 02112-06407-000 | Винт - Screw (Screw) | | под заказ | 130 руб. |
| 17 | 08322-01067-000 | Шайба - Washer (Washer) | | 10 шт | 160 руб. |
| 18 | 65700-98530-000 | | | под заказ | 0 руб. |
| 18 | 65700-98526-000 | Топливный шланг (от бака до коннектораector) - Hose, Fuel (tank To Connector) (Hose, Fuel (tank To Connector)) | | под заказ | 0 руб. |
| 18 | 65700-98527-000 | (актуальный код замены) Запчасть снята с производства - The Spare Part Is Laid Off | | под заказ | 0 руб. |
| 18 | 65750-99700-000 | Разъём топливного шланга - Socket, Fuel Hose (Socket, fuel hose ) (Socket, Fuel Hose) | | под заказ | 0 руб. |
| 18 | 65781-98500-000 | Зажим топливного шланга - Clip, Fuel Hose (Clip, Fuel Hose) | | 9 шт | 350 руб. |
| 19 | 65750-99700-000 | Разъём топливного шланга - Socket, Fuel Hose (Socket, fuel hose # Socket, fuel hose; ) (Socket, Fuel Hose) | | под заказ | 0 руб. |
| 20 | 65781-98500-000 | Зажим топливного шланга - Clip, Fuel Hose (Clip, Fuel Hose) | | 9 шт | 350 руб. |
| 21 | 65770-99703-000 | Запчасть снята с производства - The Spare Part Is Laid Off (Pump, squeeze;) (The Spare Part Is Laid Off) | | под заказ | 0 руб. |
| 21 | 65770-99704-000 | (актуальный код замены) Запчасть снята с производства - The Spare Part Is Laid Off | | под заказ | 0 руб. |
| 22 | 65750-98505-000 | Разъём топливного шланга - Socket, Fuel Hose (Socket, fuel hose (out) # Socket, fuel hose; ) (Socket, Fuel Hose) | | 2 шт | 3240 руб. |
| 22 | 65750-98506-000 | (актуальный код замены) Разъём топливного шланга - Socket, Fuel Hose | | под заказ | 3240 руб. |
Время выполнения запроса 1.0105490684509 сек. |
|