Купить оригинальные запчасти на двигатель SUZUKI DT40W(R)S/L/LL/L2/UL; модель 1990 года - Ignition Переключатель
вконтакте

Контактный телефон: +7 (981) 121-46-93, +7 (800) 200-90-76 , Email: parts-katalog@yandex.ru, где купить

 
 

  Логин:

Пароль:

Регистрация

www.partskatalog.ru Все каталоги Запчасти Mercury Запчасти Suzuki Запчасти Tohatsu Запчасти Honda Контакты

назад Раздел:   вперёд

Вернуться к выбору узлов мотора


ДЕТАЛИРОВКА ДЛЯ МОДЕЛИ: SUZUKI DT40WL L

Ignition Переключатель


Код модели двигателя: DT40W(R)S/L/LL/L2/UL;

Год выпуска двигателя: 1990

Регион: General Export No.1 ,Код региона: P01

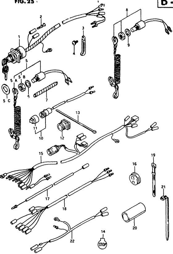
Номер на
рисунке
АртикулНаименованиеQTYКол-во
на складе
Цена
137110-94461-000

Выключатель зажигания - Switch Assy, Ignition (Switch Assy, Ignition)

под заказ11620 руб.
137110-94472-000

   (актуальный код замены) Выключатель зажигания - Switch Assy, Ignition

под заказ11620 руб.
137110-94471-000

Выключатель зажигания - Switch Assy, Ignition (Switch Assy, Ignition)

под заказ11620 руб.
137110-94472-000

   (актуальный код замены) Выключатель зажигания - Switch Assy, Ignition

под заказ11620 руб.
236615-96300-000

Клемма - Terminal (Terminal; ) (Terminal)

под заказ120 руб.
309404-06432-000

Струбцина (l: 65) - Clamp (l:65) (Clamp (l:80) ) (Clamp (l:65))

8 шт170 руб.
309404-06039-000

   (актуальный код замены) Струбцина (l: 65) - Clamp (l:65)

под заказ170 руб.
402142-06127-000

Винт - Screw (Screw; ) (Screw)

под заказ110 руб.
537820-92E00-000

Аварийный выключатель, в сборе - Switch Assy, Emergency (Switch assy, emergency;) (Switch Assy, Emergency)

под заказ4710 руб.
537820-92E05-000

   (актуальный код замены) Аварийный выключатель, в сборе - Switch Assy, Emergency

1 шт4710 руб.
537820-92E04-000

Аварийный выключатель, в сборе - Switch Assy, Emergency (Switch Assy, Emergency)

под заказ4710 руб.
537820-92E05-000

   (актуальный код замены) Аварийный выключатель, в сборе - Switch Assy, Emergency

1 шт4710 руб.
537823-92E00-000

Пластина блокировки аварийного выключателя - Plate Assy, Emergency Sw Lock (Plate, lock;) (Plate Assy, Emergency Sw Lock)

под заказ2570 руб.
537823-92E02-000

   (актуальный код замены) Пластина блокировки аварийного выключателя - Plate Assy, Emergency Sw Lock

3 шт2770 руб.
537823-92E01-000

Пластина блокировки аварийного выключателя - Plate Assy, Emergency Sw Lock (Plate Assy, Emergency Sw Lock)

под заказ2570 руб.
537823-92E02-000

   (актуальный код замены) Пластина блокировки аварийного выключателя - Plate Assy, Emergency Sw Lock

3 шт2770 руб.
537826-92E00-000

Гайка - Nut (Nut)

под заказ740 руб.
509160-25069-000

Шайба (25x40x1.1) - Washer (25x40x11) (Washer, ignition sw ) (Washer (25x40x1.1))

под заказ370 руб.
609160-12067-000

Шайба (12.5x23x1) - Washer (125x23x1) (Washer, emergency sw # Washer; ) (Washer (12.5x23x1))

8 шт230 руб.
738423-95510-000

Трубка провода переключателя (l: 250) - Tube, Switch Lead (l:250) (Tube (l:150); L:150->100) (Tube, Switch Lead (l:250))

под заказ610 руб.
733833-91J00-000

   (актуальный код замены) Трубка провода переключателя (l: 250) - Tube, Switch Lead (l:250)

под заказ610 руб.
733833-91J00-000

Трубка провода переключателя (l: 250) - Tube, Switch Lead (l:250) (Tube, Switch Lead (l:250))

под заказ610 руб.
837830-95D00-000

Выключатель аварийной остановки двигателя - Switch Assy, Emergency & Stop (Switch assy, emergency & stop; Dt40c, 40w, 40wk, manual starter) (Switch Assy, Emergency & Stop)

под заказ6340 руб.
837830-95D04-000

   (актуальный код замены) Выключатель аварийной остановки двигателя - Switch Assy, Emergency & Stop

под заказ6340 руб.
837830-95D03-000

Выключатель аварийной остановки двигателя - Switch Assy, Emergency & Stop (Switch Assy, Emergency & Stop)

2 шт6340 руб.
837830-95D04-000

   (актуальный код замены) Выключатель аварийной остановки двигателя - Switch Assy, Emergency & Stop

под заказ6340 руб.
909160-12067-000

Шайба (12.5x23x1) - Washer (125x23x1) (Washer, emergency sw # Washer; Manual starter ) (Washer (12.5x23x1))

8 шт230 руб.
1039601-95D00-000

Внешняя розетка - Receptacle (Receptacle assy, lighting # Receptacle assy, lighting; Manual starter ) (Receptacle)

под заказ4660 руб.
1039601-95D01-000

   (актуальный код замены) Внешняя розетка - Receptacle

под заказ4660 руб.
1136634-93910-000

Колпачок - Cap (Manual starter ) (Cap)

под заказ340 руб.
1239603-94400-000

Пыльник розеткиe - Grommet, Receptaclee (Grommet, receptacle cable # Grommet, receptacle; Manual starter ) (Grommet, Receptaclee)

1 шт840 руб.
1239603-94401-000

   (актуальный код замены) Пыльник розеткиe - Grommet, Receptaclee

под заказ840 руб.
1309407-25402-000

Струбцина (l: 250) - Clamp (l:250) (Clamp, tilt sw # Clamp, receptacle grommet; Manual starter ) (Clamp (l:250))

под заказ350 руб.
1437835-95D00-000

Наклейка СТОП - Label, Stop (Label, Stop)

под заказ130 руб.
1437835-91J00-YAY

   (актуальный код замены) Наклейка СТОП - Label, Stop

под заказ130 руб.
1536610-94400-000

Жгут проводов, в сборе - Harness Assy, Wiring (Harness assy, wiring # Dt40tc, 40rc ) (Harness Assy, Wiring)

под заказ0 руб.
1536610-94411-000

Жгут проводов, в сборе - Harness Assy, Wiring (Dt40wr ) (Harness Assy, Wiring)

под заказ7970 руб.
1636612-94421-000

Пыльник дистанционного управления & Monitor Провод - Grommet, Remocon & Monitor Wire (Grommet ) (Grommet, Remocon & Monitor Wire)

под заказ880 руб.
1736891-94400-000

Запчасть снята с производства - The Spare Part Is Laid Off (Dt40tc, 40rc) (The Spare Part Is Laid Off)

под заказ0 руб.
1836630-92E00-000

Провод приборов - Wire Assy, Instrument (Wire assy, instrument # Wire, instrument; Dt40tc, 40rc, 40wr ) (Wire Assy, Instrument)

под заказ6000 руб.
1909407-12402-000

Струбцина (l: 120) - Clamp (l:120) (Clamp, wiring harness # Clamp; ) (Clamp (l:120))

под заказ230 руб.
2033834-87E00-000

Запчасть снята с производства - The Spare Part Is Laid Off (Tube, harness protector; Manual starter, ~model:94) (The Spare Part Is Laid Off)

под заказ0 руб.
2109407-18402-000

Струбцина (l: 165) - Clamp (l:165) (Clamp (l:165) # Clamp, protector tube; Manual starter, ~model:94 ) (Clamp (l:165))

под заказ170 руб.
2236893-94410-000

Провод в сборе, Ign Sw Удлинитель - Wire Assy, Ign Sw Extension (Wire, ign sw extension # Wire, ign sw extension; Electric starter ) (Wire Assy, Ign Sw Extension)

под заказ4850 руб.


Время выполнения запроса 3.935094833374 сек.

 
 

данный сайт носит информационный характер и не является публичной офертой

склад запчастей для водомоторной техники