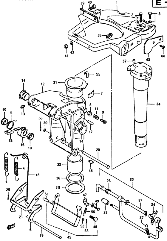
Номер на рисунке | Артикул | Наименование | QTY | Кол-во на складе | Цена |
| 1 | 43751-94450-0ED | Кронштейн рулевого управления (c) - Bracket, Steering (c) (Bracket, steering (gray) # Bracket, steering (gray); ) (Bracket, Steering (c)) | | под заказ | 0 руб. |
| 2 | 09117-08071-000 | Болт (8x35) - Bolt (8x35) (Bolt (8x35); ) (Bolt (8x35)) | | под заказ | 570 руб. |
| 3 | 09117-08075-000 | Болт (8x30) - Bolt (8x30) (Bolt (8x30);) (Bolt (8x30)) | | под заказ | 520 руб. |
| 3 | 09117-08047-000 | (актуальный код замены) Болт (8x30) - Bolt (8x30) | | 14 шт | 520 руб. |
| 3 | 09117-08047-000 | Болт (8x30) - Bolt (8x30) (Bolt (8x30)) | | 14 шт | 520 руб. |
| 4 | 09443-15031-000 | Пружина - Spring (Spring) | | под заказ | 1180 руб. |
| 5 | 09448-29018-000 | Пружина - Spring (Spring) | | под заказ | 240 руб. |
| 6 | 45231-94401-000 | Рычаг блокировки реверса - Arm, Reverse Lock (Arm, reverse lock # Arm, reverse lock; ) (Arm, Reverse Lock) | | под заказ | 2790 руб. |
| 7 | 43411-94400-000 | Регулировка рулевой системы - Adjuster, Steering (Adjuster, steering ) (Adjuster, Steering) | | под заказ | 0 руб. |
| 8 | 43421-96302-000 | Втулка, Регулятор Болт - Bush, Adjuster Bolt (Bush, adjuster bolt; ) (Bush, Adjuster Bolt) | | 1 шт | 970 руб. |
| 9 | 09119-08044-000 | Болт - Bolt (Bolt (8x23) # Bolt; ) (Bolt) | | под заказ | 0 руб. |
| 10 | 09306-22006-000 | Втулка (22.6x27x8) - Bush (226x27x8) (Bush (22.6x27x8)) | | 4 шт | 300 руб. |
| 10 | 59315-94J00-000 | (актуальный код замены) Втулка рычага блокировки - Bush, Release Lever | | 4 шт | 300 руб. |
| 11 | 09440-13045-000 | Запчасть снята с производства - The Spare Part Is Laid Off (Model:86~91) (The Spare Part Is Laid Off) | | под заказ | 0 руб. |
| 11 | 09440-12036-000 | Пружина - Spring (Model:92 ) (Spring) | | под заказ | 230 руб. |
| 12 | 43111-94490-0ED | Запчасть снята с производства - The Spare Part Is Laid Off (Bracket, swivel (gray); Model:90~92) (The Spare Part Is Laid Off) | | под заказ | 0 руб. |
| 13 | 22511-99010-000 | Ниппель смазки - Nipple, Grease (Nipple, grease;) (Nipple, Grease) | | под заказ | 340 руб. |
| 13 | 22511-99011-000 | (актуальный код замены) Ниппель смазки - Nipple, Grease | | 2 шт | 400 руб. |
| 13 | 22511-99011-000 | Ниппель смазки - Nipple, Grease (Nipple, Grease) | | 2 шт | 400 руб. |
| 14 | 43211-94401-000 | Втулка поворотного кронштейна - Bush, Swivel Bracket (Bush, Swivel Bracket) | | под заказ | 1450 руб. |
| 14 | 43211-87JL0-000 | (актуальный код замены) Втулка поворотного кронштейна - Bush, Swivel Bracket | | 8 шт | 1770 руб. |
| 14 | 43211-87JL0-000 | Втулка поворотного кронштейна - Bush, Swivel Bracket (Bush, Swivel Bracket) | | 8 шт | 1770 руб. |
| 14 | SK43211-87JL0 | (не оригинальный аналог) Втулка поворотного механизма Skipper для Suzuki DT9,9-15/ DF9,9-DF30a | | 0 шт | 148 руб. |
| 15 | 45255-93001-000 | Резинка рычага блокировки - Rubber, Release Lever (Rubber, Release Lever) | | под заказ | 390 руб. |
| 16 | 45261-94400-000 | Освобождающий рычаг - Lever, Release (Lever, Release) | | под заказ | 960 руб. |
| 16 | 45261-92L00-000 | (актуальный код замены) Освобождающий рычаг - Lever, Release | | под заказ | 960 руб. |
| 16 | 45261-92L00-000 | Освобождающий рычаг - Lever, Release (Lever, Release) | | под заказ | 960 руб. |
| 17 | 41225-94501-000 | Стопор пружины блокировки наклона - Pin, Tilt Lock Spring (Pin, Tilt Lock Spring) | | под заказ | 570 руб. |
| 17 | 41225-94502-000 | (актуальный код замены) Стопор пружины блокировки наклона - Pin, Tilt Lock Spring | | под заказ | 570 руб. |
| 17 | 41225-94502-000 | Стопор пружины блокировки наклона - Pin, Tilt Lock Spring (Pin, Tilt Lock Spring) | | под заказ | 570 руб. |
| 18 | 45250-94400-000 | Освобождающая тяга - Link, Release (Link, release ) (Link, Release) | | под заказ | 1490 руб. |
| 18 | 45250-92L00-000 | (актуальный код замены) Освобождающая тяга - Link, Release | | под заказ | 1490 руб. |
| 19 | 09200-05015-000 | Штифт (l: 117) - Pin (l:117) (Pin (l:117)) | | под заказ | 960 руб. |
| 20 | 09200-08043-000 | Штифт (8x11) - Pin (8x11) (Pin (8x11)) | | под заказ | 760 руб. |
| 21 | 45241-94400-000 | Тяга рычага блокировки реверса - Link, Reverse Lock Arm (Link, reverse lock arm;) (Link, Reverse Lock Arm) | | под заказ | 4230 руб. |
| 21 | 45241-92L00-000 | (актуальный код замены) Тяга рычага блокировки реверса - Link, Reverse Lock Arm | | под заказ | 4230 руб. |
| 21 | 45241-92L00-000 | Тяга рычага блокировки реверса - Link, Reverse Lock Arm (Link, Reverse Lock Arm) | | под заказ | 4230 руб. |
| 22 | 45700-94401-000 | Запчасть снята с производства - The Spare Part Is Laid Off (Model:87) (The Spare Part Is Laid Off) | | под заказ | 0 руб. |
| 23 | 45720-94401-000 | Запчасть снята с производства - The Spare Part Is Laid Off (The Spare Part Is Laid Off) | | под заказ | 0 руб. |
| 24 | 45730-94401-000 | Запчасть снята с производства - The Spare Part Is Laid Off (The Spare Part Is Laid Off) | | под заказ | 0 руб. |
| 26 | 09441-17002-000 | Пружина - Spring (Spring ) (Spring) | | под заказ | 180 руб. |
| 27 | 09443-08045-000 | Пружина - Spring (Spring) | | под заказ | 0 руб. |
| 28 | 45725-94400-000 | Запчасть снята с производства - The Spare Part Is Laid Off (The Spare Part Is Laid Off) | | под заказ | 0 руб. |
| 29 | 09204-01002-000 | Штифт - Pin (Cotter pin ) (Pin) | | 24 шт | 140 руб. |
| 30 | 09160-08082-000 | Шайба (8.5x16x1.2) - Washer (85x16x12) (Washer (8.5x16x1.2)) | | 13 шт | 120 руб. |
| 31 | 43711-94400-000 | Запчасть снята с производства - The Spare Part Is Laid Off (The Spare Part Is Laid Off) | | под заказ | 0 руб. |
| 31 | 43710-94400-000 | (актуальный код замены) Запчасть снята с производства - The Spare Part Is Laid Off | | под заказ | 0 руб. |
| 31 | 43710-94400-000 | Запчасть снята с производства - The Spare Part Is Laid Off (The Spare Part Is Laid Off) | | под заказ | 0 руб. |
| 32 | 43712-94410-000 | Запчасть снята с производства - The Spare Part Is Laid Off (The Spare Part Is Laid Off) | | под заказ | 0 руб. |
| 33 | 43713-94400-000 | Проставка, Рулевая система Втулка - Spacer, Steering Bush (Spacer, steering bush ) (Spacer, Steering Bush) | | под заказ | 0 руб. |
| 34 | 43741-94400-0ED | Запчасть снята с производства - The Spare Part Is Laid Off (Shaft, pilot (gray);) (The Spare Part Is Laid Off) | | под заказ | 0 руб. |
| 35 | 43753-94400-000 | Пыльник, Кронштейн рулевого управления - Grommet, Steering Bracket (Grommet, Steering Bracket) | | под заказ | 0 руб. |
| 36 | 09161-47001-000 | Запчасть снята с производства - The Spare Part Is Laid Off (The Spare Part Is Laid Off) | | под заказ | 0 руб. |
| 37 | 09206-09001-000 | Штифт (6.4x9x10) - Pin (64x9x10) (Pin (9x10) ) (Pin (6.4x9x10)) | | под заказ | 0 руб. |
| 38 | 09285-47001-000 | Запчасть снята с производства - The Spare Part Is Laid Off (The Spare Part Is Laid Off) | | под заказ | 0 руб. |
| 39 | 43755-96310-000 | Соединитель кронштейна рулевой системы - Attachment, Steering Bracket (Dt40ce1:opt/dt40tc, 40rc:std) (Attachment, Steering Bracket) | | под заказ | 15510 руб. |
| 39 | 43755-96320-000 | (актуальный код замены) Соединитель кронштейна рулевой системы - Attachment, Steering Bracket | | 2 шт | 15510 руб. |
| 39 | 43755-96320-000 | Соединитель кронштейна рулевой системы - Attachment, Steering Bracket (Attachment, Steering Bracket) | | 2 шт | 15510 руб. |
| 40 | 09100-08224-000 | Болт (8x35) - Bolt (8x35) (Bolt (8x35); Dt40ce1:opt/dt40tc, 40rc:std) (Bolt (8x35)) | | под заказ | 470 руб. |
| 40 | 09100-08224-XC0 | (актуальный код замены) Болт (8x35) - Bolt (8x35) | | 40 шт | 470 руб. |
| 40 | 09100-08224-XC0 | Болт (8x35) - Bolt (8x35) (Bolt (8x35)) | | 40 шт | 470 руб. |
| 41 | 09140-08016-000 | Гайка - Nut (Dt40ce1:opt/dt40tc, 40rc:std) (Nut) | | под заказ | 190 руб. |
| 41 | 09140-08023-XC0 | Гайка - Nut (Nut) | | 14 шт | 190 руб. |
| 42 | 09162-08007-000 | Шайба с блокировкой - Washer, Lock (Lock washer # Dt40ce1:opt/dt40tc, 40rc:std ) (Washer, Lock) | | под заказ | 160 руб. |
| 43 | 43754-94301-0ED | Запчасть снята с производства - The Spare Part Is Laid Off (Cover, steering bracket; Dt40tc, 40rc) (The Spare Part Is Laid Off) | | под заказ | 0 руб. |
| 44 | 03142-05103-000 | Винт - Screw (Dt40tc, 40rc) (Screw) | | под заказ | 200 руб. |
| 44 | 03142-0510B-000 | (актуальный код замены) Винт - Screw | | под заказ | 200 руб. |
| 44 | 03142-0510B-000 | Винт - Screw (Screw) | | под заказ | 200 руб. |
| 45 | 45700-94412-000 | Рычаг в сборе, Shallow Water Drive - Arm Assy, Shallow Water Drive (Shallow water drive assy; Opt/model:88~92) (Arm Assy, Shallow Water Drive) | | под заказ | 9220 руб. |
| 45 | 45700-92L00-000 | (актуальный код замены) Рычаг в сборе, Shallow Water Drive - Arm Assy, Shallow Water Drive | | под заказ | 9220 руб. |
| 45 | 45700-92L00-000 | Рычаг в сборе, Shallow Water Drive - Arm Assy, Shallow Water Drive (Arm Assy, Shallow Water Drive) | | под заказ | 9220 руб. |
| 46 | 45331-94610-000 | Штифт, Shallow Рычаг привода Stop - Pin, Shallow Drive Arm Stop (Pin, shallow drive water # Pin, shallow drive water; Model:88~92 ) (Pin, Shallow Drive Arm Stop) | | под заказ | 1260 руб. |
| 47 | 45713-94420-000 | Стопор, Shallow Water Drive - Stopper, Shallow Water Drive (Model:88~92) (Stopper, Shallow Water Drive) | | под заказ | 420 руб. |
| 47 | 45713-92L00-000 | (актуальный код замены) Стопор, Shallow Water Drive - Stopper, Shallow Water Drive | | под заказ | 420 руб. |
| 47 | 45713-92L00-000 | Стопор, Shallow Water Drive - Stopper, Shallow Water Drive (Stopper, Shallow Water Drive) | | под заказ | 420 руб. |
| 48 | 09111-10045-000 | Болт (10x20.8) - Bolt (10x208) (Model:88~92 ) (Bolt (10x20.8)) | | под заказ | 630 руб. |
| 49 | 09117-06038-000 | Болт (6x16) - Bolt (6x16) (Bolt (6x16); Model:88~92) (Bolt (6x16)) | | под заказ | 220 руб. |
| 49 | 09117-06030-000 | (актуальный код замены) Болт (6x16) - Bolt (6x16) | | под заказ | 220 руб. |
| 49 | 09117-06030-000 | Болт (6x16) - Bolt (6x16) (Bolt (6x16) ) (Bolt (6x16)) | | под заказ | 220 руб. |
| 50 | 09443-12039-000 | Пружина - Spring (Model:88~92 ) (Spring) | | под заказ | 410 руб. |
| 51 | 45255-95500-000 | Ручка освобождающего рычага - Knob, Release Lever (Knob, release lever # Model:88~92, ) (Knob, Release Lever) | | под заказ | 460 руб. |
| 52 | 09160-05032-000 | Шайба (5.5x12x0.8) - Washer (55x12x08) (Model:88~92) (Washer (5.5x12x0.8)) | | под заказ | 130 руб. |
| 52 | 09160-05029-000 | (актуальный код замены) Шайба (5.5x12x0.8) - Washer (5.5x12x0.8) | | 14 шт | 130 руб. |
| 52 | 09160-05029-000 | Шайба (5.5x12x0.8) - Washer (55x12x08) (Washer (5.5x12x0.8)) | | 14 шт | 130 руб. |
| 53 | 09204-01002-000 | Штифт - Pin (Cotter pin # Pin; Model:88~92 ) (Pin) | | 24 шт | 140 руб. |