УВАЖАЕМЫЕ КЛИЕНТЫ! C 19 ДЕКАБРЯ 2025 ПО 02 МАРТА 2026 ГОДА ОТДЕЛ ЗАПЧАСТЕЙ И СЕРВИС РАБОТАТЬ НЕ БУДУТ ПРОДАЖА ЛОДОЧНЫХ МОТОРОВ В ШТАТНОМ РЕЖИМЕ ОБ ИЗМЕНЕНИЯХ В ГРАФИКЕ РАБОТЫ ЧИТАЙТЕ НА САЙТА
Раздел:
Cylinder - Цилиндр
Crankshaft - Коленвал
Inlet case - вход case
Carburetor - Карбюратор для Suzuki DT40C
Carburetor - Карбюратор для Suzuki DT40W
Carburetor - Карбюратор для Suzuki DT40WK
Oil seal housing - Корпус сальника для NOTE : COLOR:0ED GRAY
Exhaust tube - Выхлоп Трубка
Fuel pump - Топливный насос для Suzuki DT40C
Fuel pump - Топливный насос для Suzuki DT40C
Fuel pump - Топливный насос для Suzuki DT40WK
Oil pump - Масляный насос для Suzuki DT40C
Oil pump - Масляный насос для Suzuki DT40C
Water pump - Водяной насос для NOTE : COLOR:0ED GRAY
Recoil starter - Барабанный стартер для ~MODEL:91; NOTE : REFER TO FIG.14C-11 FOR MODEL:92~99 COLOR:0ED GRAY
Throttle control - Управление дросселем для Suzuki DT40C
Throttle control - Управление дросселем для Suzuki DT40W
Throttle control - Управление дросселем для Suzuki DT40WK
Clutch - Сцепление
Transmission - Трансмиссия для NOTE : COLOR:0ED GRAY
Starting motor - Двигатель электростартера
Magneto - Магнето
Ignition - Ignition для ~MODEL:95; NOTE : REFER TO FIG.22AD-10 FOR MODEL:96~99
Electrical - Электрика
Ignition switch - Ignition Переключатель
Ptt relay - Реле двигателя гидроподъёма для Suzuki DT40TC
Clamp bracket - Кронштейн транца для Suzuki DT40C
Clamp bracket - Кронштейн транца для Suzuki DT40W
Swivel bracket - Поворотный кронштейн для Suzuki DT40C
Swivel bracket - Поворотный кронштейн для Suzuki DT40W
Tilt cylinder & support - Цилиндр наклона & sвышеport для Suzuki DT40TC ~MODEL:93; NOTE : COLOR:02M SILVER
Power unit - Power unit для Suzuki DT40TC/MODEL 86~89; NOTE : REFER TO FIG.34 F-5 FOR Suzuki DT40TC/MODEL:90~9
Power unit - Power unit для Suzuki DT40TC/MODEL:90~93; NOTE : COLOR:0ED GRAY
Drive shaft housing - Корпус вала передачи для NOTE : COLOR:02M SILVER 0ED GRAY
Gear case - Картер коробки передач
Lower cover - Нижняя часть корпуса для NOTE : REFER TO FIG.37AF-14 FOR MODEL:97~99
Engine cover - Крышка двигателя (капот) для Suzuki DT40C/MODEL:86; NOTE : REFER TO FIG.39 G- 3 FOR Suzuki DT40
Engine cover - Крышка двигателя (капот) для Suzuki DT40C
Engine cover - Крышка двигателя (капот) для Suzuki DT40C
Engine cover - Крышка двигателя (капот) для Suzuki DT40C/MODEL:89~93; NOTE : COLOR:0ED GRAY 019 BLACK 12R SILV
Engine cover - Крышка двигателя (капот) для Suzuki DT40W
Engine cover - Крышка двигателя (капот) для Suzuki DT40W
Engine cover - Крышка двигателя (капот) для Suzuki DT40W
Tiller handle - Румпель для NOTE : REFER TO FIG.44H-4 FOR MODEL:93~99
Fuel tank - Топливный бак для Suzuki DT40C
Fuel tank - Топливный бак для Suzuki DT40WK/GASOLINE
Fuel tank - Топливный бак для Suzuki DT40WK/PLASTIC/12L
Fuel tank - Топливный бак для Suzuki DT40WK/KEROSENE
Fuel tank - Топливный бак для PLASTIC/25L
Fuel tank - Топливный бак для Suzuki DT40C/MODEL:87/E06
Fuel tank - Топливный бак для MODEL:87~92/E28
Oil tank - Масляный бак для Suzuki DT40C
Remote control - Дистанционное управление для NOTE : COLOR:0ED GRAY *67200-93961 REF.NO.2~30 REFER TO FIG.56 I
Optional:electrical - Опции: Электрика
Optional:electrical - Опции: Электрика для 2
Optional:electrical - Опции: Электрика для ELECTRIC STARTER
Optional:electrical - Опции: Электрика для MANUAL STARTER
Optional:electrical - Опции: Электрика
Optional:meter - Опции: Прибор
Optional:remote control - Опции: Дистанционное управление
Optional:tiller handle - Опции: Румпель для MODEL:86~92; NOTE : REFER TO FIG.64AK-4 FOR MODEL:93~99
Optional:remo-con parts - Опции: remo-con parts
Optional:gasket set - Опции: Комплект прокладок
Optional - Опции
Вернуться к выбору узлов мотора
ДЕТАЛИРОВКА ДЛЯ МОДЕЛИ: SUZUKI DT40C L/DT40TC L/DT40RC L
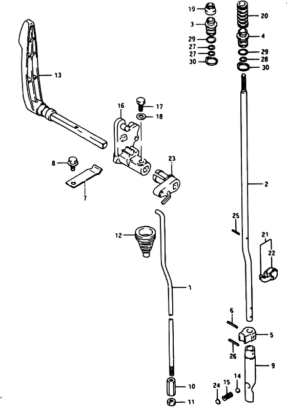
Сцепление
Код модели двигателя: DT40CS/L/L2
Год выпуска двигателя: 1990
Регион: General Export No.1 ,Код региона: P01
Цвет: California Gray Metallic
Номер на рисунке Артикул Наименование QTY Кол-во на складе Цена
1 23111-94401-000 Тяга сцепления - Rod, Clutch (Rod, clutch # <-23111-94400 ) (Rod, Clutch )
2 шт 1960 руб.
2 25111-94402-000 Переключающая тяга (l2) - Rod, Shift (l2) (L:397 ) (Rod, Shift (l2) )
под заказ 4230 руб.
2 25111-94412-000 Переключающая тяга (s) - Rod, Shift (s) (Rod, chift (s) # L:270 ) (Rod, Shift (s) )
3 шт 3080 руб.
2 25111-94422-000 Переключающая тяга (ll) - Rod, Shift (ll) (L:457 ) (Rod, Shift (ll) )
под заказ 0 руб.
2 25111-94432-000 Переключающая тяга (x) - Rod, Shift (x) (Rod, shift (ul) # L:506 ) (Rod, Shift (x) )
под заказ 0 руб.
2 25111-94442-000 Переключающая тяга (l) - Rod, Shift (l) (Rod, shift (l) # L:350 ) (Rod, Shift (l) )
под заказ 3720 руб.
3 25211-94401-000 Направляющая переключающей тяги - Guide, Shift Rod (TYPE:S TYPE:L/L2/LL/UL MODEL:95~99 ) (Guide, Shift Rod )
1 шт 2480 руб.
4 25211-94421-000 Запчасть снята с производства - The Spare Part Is Laid Off (MODEL:94 ) (The Spare Part Is Laid Off )
под заказ 0 руб.
5 25212-94401-000 Направляющая переключающей тяги Lwr - Guide, Shift Rod Lwr (Guide, shift rod lower # <-25212-94400 ) (Guide, Shift Rod Lwr )
2 шт 480 руб.
6 09205-02013-000 Стопор пружины (2.5x16) - Pin, Spring (25x16) (Pin, spring ) (Pin, Spring (2.5x16) )
под заказ 120 руб.
7 23213-94400-000 Пружина в паз сцепления - Spring, Clutch Notch (Spring, Clutch Notch )
под заказ 280 руб.
8 02162-06127-000 Винт - Screw (Screw )
под заказ 150 руб.
9 25311-94401-000 Кулачок переключателя - Cam, Shift (Cam, Shift )
под заказ 5430 руб.
9 25311-94402-000 (актуальный код замены) Кулачок переключателя - Cam, Shift
1 шт 6430 руб.
9 25311-94402-000 Кулачок переключателя - Cam, Shift (Cam, Shift )
1 шт 6430 руб.
10 23311-95D01-000 Buckle, Тяга сцепления Turn - Buckle, Clutch Rod Turn (<-23311-94300 ) (Buckle, Clutch Rod Turn )
под заказ 630 руб.
10 23311-95DL0-000 (актуальный код замены) Buckle, Тяга сцепления Turn - Buckle, Clutch Rod Turn
13 шт 640 руб.
10 23311-95DL0-000 Buckle, Тяга сцепления Turn - Buckle, Clutch Rod Turn (Buckle, Clutch Rod Turn )
13 шт 640 руб.
10 SK23311-95DL0 (не оригинальный аналог) Гайка соединительная тяги переключения передач Skipper для Suzuki DF9.9-DF15, DT25-40
0 шт 127 руб.
11 09140-06020-000 Гайка - Nut (Nut )
9 шт 150 руб.
12 23131-94400-000 Boot, Сцепление - Boot, Clutch (Boot, Clutch )
под заказ 520 руб.
12 23131-92L00-000 (актуальный код замены) Boot, Сцепление - Boot, Clutch
под заказ 520 руб.
12 23131-92L00-000 Boot, Сцепление - Boot, Clutch (Boot, Clutch )
под заказ 520 руб.
13 21110-94401-000 Рычаг сцепления - Lever, Clutch (<-21110-94400 ) (Lever, Clutch )
под заказ 3460 руб.
13 21110-94402-000 (актуальный код замены) Рычаг сцепления - Lever, Clutch
под заказ 3460 руб.
13 21110-94402-000 Рычаг сцепления - Lever, Clutch (Lever, Clutch )
под заказ 3460 руб.
14 09260-10005-000 Шарик - Ball (Steel ball ) (Ball )
4 шт 210 руб.
15 09440-07033-000 Пружина - Spring (Spring )
под заказ 160 руб.
15 09440-07071-000 Пружина - Spring (Spring, clutch notch # DT40C:464289~ DT40W:464116~ DT40WK:461084 ) (Spring )
8 шт 450 руб.
16 21121-94400-000 Пластина, Сцепление - Plate, Clutch (Plate, Clutch )
под заказ 1420 руб.
16 21121-92L00-000 (актуальный код замены) Пластина, Сцепление - Plate, Clutch
под заказ 1420 руб.
16 21121-92L00-000 Пластина, Сцепление - Plate, Clutch (Plate, Clutch )
под заказ 1420 руб.
17 02162-05167-000 Винт - Screw (Screw ) (Screw )
под заказ 150 руб.
19 25223-94400-000 Пыльник переключающеё тяги - Seal, Shift Rod Dust (TYPE:S TYPE:L/L2/LL/UL MODEL:95~99 ) (Seal, Shift Rod Dust )
под заказ 550 руб.
19 25223-96J00-000 (актуальный код замены) Сальник тяги сцепления - Seal, Clutch Rod
83 шт 630 руб.
20 25222-96300-000 Башмак переключающей тяги Направляющая - Boot, Shift Rod Guide (TYPE:L/L2/LL/UL ~MODEL:94 ) (Boot, Shift Rod Guide )
под заказ 820 руб.
20 25222-96301-000 (актуальный код замены) Башмак переключающей тяги Направляющая - Boot, Shift Rod Guide
17 шт 930 руб.
20 SK25222-96300 (не оригинальный аналог) Гофра тяги переключения передач Skipper для Suzuki DT25/30/40/DF25-30
0 шт 238 руб.
21 25230-94300-000 Магнето Set, Картер коробки передач - Magneto Set, Gear Case (Magnet set, gear case ) (Magneto Set, Gear Case )
под заказ 1650 руб.
22 25232-94300-000 Индуктор картера коробки передач - Magneto, Gear Case (Magneto, Gear Case )
под заказ 290 руб.
23 23211-94401-000 Рукоятка тяги сцепления - Arm, Clutch Rod (<-23211-94400 ) (Arm, Clutch Rod )
3 шт 780 руб.
24 21121-93300-000 Пластина в паз сцепления - Plate, Clutch Notch (Plate, clutch notch ) (Plate, Clutch Notch )
50 шт 180 руб.
25 09205-02004-000 Стопор пружины (2.5x12) - Pin, Spring (25x12) (Spring pin ) (Pin, Spring (2.5x12) )
13 шт 100 руб.
26 09205-03021-000 Стопор пружины (3.5x12) - Pin, Spring (35x12) (<-09205-03027 ) (Pin, Spring (3.5x12) )
под заказ 120 руб.
27 09280-08005-000 Уплотнительное кольцо (d: 1.7, Id: 7.7) - O Ring (d:17, Id:77) (O ring (d:1.8, id:7.6) # TYPE:S TYPE:S/L/L2/LL/UL MODEL:95~99 ) (O Ring (d:1.7, Id:7.7) )
45 шт 160 руб.
28 09280-08005-000 Уплотнительное кольцо (d: 1.7, Id: 7.7) - O Ring (d:17, Id:77) (O ring (d:1.8, id:7.6) # TYPE:L/L2/LL/UL ~MODEL:94 ) (O Ring (d:1.7, Id:7.7) )
45 шт 160 руб.
29 09280-11005-000 Уплотнительное кольцо (d: 2.4, Id: 11) - O Ring (d:24, Id:11) (O ring (d:2.4, id:10.8) # <-09280-11001 ) (O Ring (d:2.4, Id:11) )
20 шт 480 руб.
30 08331-31156-000 Стопорное кольцо - Circlip (Circlip )
под заказ 150 руб.
30 08331-3115A-000 (актуальный код замены) Стопорное кольцо - Circlip
9 шт 150 руб.
30 08331-3115A-000 Стопорное кольцо - Circlip (Circlip )
9 шт 150 руб.
Время выполнения запроса 1.3667409420013 сек.