| |
 |
|
 |
Вернуться к выбору узлов мотора
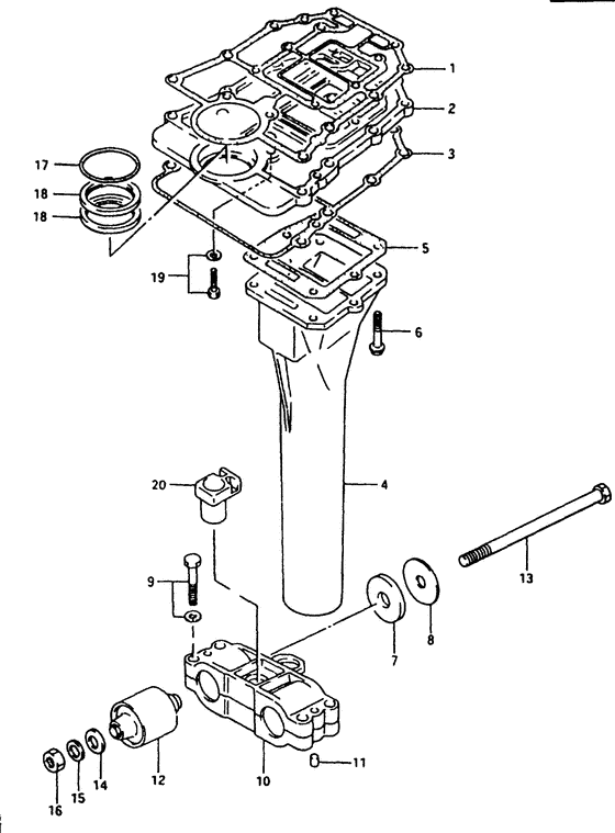
ДЕТАЛИРОВКА ДЛЯ МОДЕЛИ: SUZUKI DT40WN N
Выхлоп Трубка
Год выпуска двигателя: 1992
Номер на рисунке | Артикул | Наименование | QTY | Кол-во на складе | Цена |
| 1 | 11433-94411-000 | Прокладка нижнего корпуса сальника - Gasket, Under Oil Seal Hsg (Gasket, Under Oil Seal Hsg) | | под заказ | 3700 руб. |
| 1 | 11433-94412-000 | (актуальный код замены) Прокладка нижнего корпуса сальника - Gasket, Under Oil Seal Hsg | | 15 шт | 4600 руб. |
| 1 | 11433-94412-000 | Прокладка нижнего корпуса сальника - Gasket, Under Oil Seal Hsg (Gasket, Under Oil Seal Hsg) | | 15 шт | 4600 руб. |
| 1 | SK11433-94412 | (не оригинальный аналог) Прокладка под блок двигателя Skipper для Suzuki Модели техники: DT40 | | 1 шт | 710 руб. |
| 2 | 11431-94405-000 | Корпус нижнего сальника - Housing, Under Oil Seal (Housing, Under Oil Seal) | | под заказ | 16370 руб. |
| 2 | 11431-94406-000 | (актуальный код замены) Корпус нижнего сальника - Housing, Under Oil Seal | | под заказ | 16370 руб. |
| 2 | 11431-94406-000 | Корпус нижнего сальника - Housing, Under Oil Seal (Housing, Under Oil Seal) | | под заказ | 16370 руб. |
| 3 | 11434-94411-000 | Прокладка нижнего сальника под корпусом - Gskt, Under Oil Seal Hsg Lwr (Gasket, under oil seal lower ) (Gskt, Under Oil Seal Hsg Lwr) | | 7 шт | 3000 руб. |
| 3 | SK11434-94411 | (не оригинальный аналог) Прокладка проставки блока цилиндров Skipper для Suzuki Модели техники: DT40;DT40C | | 0 шт | 473 руб. |
| 4 | 14211-94451-000 | Выхлопная труба - Tube, Exhaust (Tube, exhaust (s/l) # Tube, exhaust (s/l); L:300 ) (Tube, Exhaust) | | под заказ | 10760 руб. |
| 4 | 14211-94431-000 | Запчасть снята с производства - The Spare Part Is Laid Off (Tube, exhaust (l2/ll/ul); L:325, dt40w, model:88~91) (The Spare Part Is Laid Off) | | под заказ | 0 руб. |
| 4 | 14211-94461-000 | Выхлопная труба - Tube, Exhaust (Tube, exhaust (l2/ll/ul) # Tube, exhaust (l2/ll/ul); L:330, dt40w, model:92~99, dt40c, model:86~99, dt40tc, model:86~99, dt40rc, model:86~99, dt40wr, model:96~99, dt40wk, model:86~99 ) (Tube, Exhaust) | | 4 шт | 14260 руб. |
| 5 | 14212-94411-000 | Прокладка выхлопной трубы - Gasket, Exhaust Tube (Gasket, Exhaust Tube) | | под заказ | 580 руб. |
| 5 | 14212-94413-000 | (актуальный код замены) Прокладка выхлопной трубы - Gasket, Exhaust Tube | | 6 шт | 640 руб. |
| 5 | 14212-94413-000 | Прокладка выхлопной трубы - Gasket, Exhaust Tube (Gasket, Exhaust Tube) | | 6 шт | 640 руб. |
| 5 | SK14212-94413 | (не оригинальный аналог) Прокладка выхлопной трубы Skipper для Suzuki DT40 | | 0 шт | 164 руб. |
| 6 | 09103-06095-000 | Болт, Выхлоп Трубка - Bolt, Exhaust Tube (Bolt (6x35);) (Bolt, Exhaust Tube) | | под заказ | 310 руб. |
| 6 | 29103-94400-000 | (актуальный код замены) Болт, Выхлоп Трубка - Bolt, Exhaust Tube | | под заказ | 310 руб. |
| 6 | 29103-94400-000 | Болт, Выхлоп Трубка - Bolt, Exhaust Tube (Bolt, Exhaust Tube) | | под заказ | 310 руб. |
| 7 | 54121-94400-000 | Стопор, вышеr Thrust - Stopper, Upr Thrust (Stopper, upper thrust ) (Stopper, Upr Thrust) | | под заказ | 460 руб. |
| 7 | 54121-94401-000 | Стопор, вышеr Thrust - Stopper, Upr Thrust (Model:99 ) (Stopper, Upr Thrust) | | под заказ | 480 руб. |
| 7 | 54121-94402-000 | (актуальный код замены) Спотор верхнего упора - Stopper, Upper Thrust | | под заказ | 480 руб. |
| 8 | 09160-10080-000 | Шайба (10.2x44x3) - Washer (102x44x3) (Washer (10x44x3) # Washer (10x44x3); ) (Washer (10.2x44x3)) | | под заказ | 390 руб. |
| 9 | 09117-08038-000 | Болт (8x45) - Bolt (8x45) (Bolt (8x45); ) (Bolt (8x45)) | | под заказ | 540 руб. |
| 10 | 54137-94400-000 | | | под заказ | нет сведений |
| 10 | 54146-94400-000 | Направляющая, вышеr Крепёж корпуса - Guide, Upr Mount Case (Guide, upper mount case ) (Guide, Upr Mount Case) | | под заказ | 580 руб. |
| 10 | 54137-94401-000 | Запчасть снята с производства - The Spare Part Is Laid Off (Model:98, 99) (The Spare Part Is Laid Off) | | под заказ | 0 руб. |
| 10 | 54137-94402-000 | Корпус верхней опоры - Case, Upr Mount (Model:99) (Case, Upr Mount) | | под заказ | 6240 руб. |
| 10 | 54137-92L10-000 | (актуальный код замены) Корпус верхней опоры - Case, Upr Mount | | под заказ | 6240 руб. |
| 10 | 54137-92L00-000 | Корпус верхней опоры - Case, Upr Mount (Case, Upr Mount) | | под заказ | 6240 руб. |
| 10 | 54137-92L10-000 | (актуальный код замены) Корпус верхней опоры - Case, Upr Mount | | под заказ | 6240 руб. |
| 11 | 09202-07001-000 | Штифт (7x10) - Pin (7x10) (Pin, dowel ) (Pin (7x10)) | | под заказ | 160 руб. |
| 11 | 09202-07006-000 | (актуальный код замены) Штифт (7x10) - Pin (7x10) | | под заказ | 160 руб. |
| 12 | 54100-94800-000 | Крепление Set, вышеr - Mount Set, Upr (Dt40c, 40tc, 40rc, type s, l, l2 ) (Mount Set, Upr) | | под заказ | 0 руб. |
| 12 | 54100-94810-000 | Крепление Set, вышеr - Mount Set, Upr (Dt40w, 40wk, 40wr ) (Mount Set, Upr) | | под заказ | 0 руб. |
| 12 | 54130-94411-000 | Крепление, вышеr - Mount, Upr (Dt40w, 40wk, 40wr, model:99) (Mount, Upr) | | под заказ | 6680 руб. |
| 12 | 54130-92L00-000 | (актуальный код замены) Крепление, вышеr - Mount, Upr | | под заказ | 6680 руб. |
| 12 | 54130-92L00-000 | Крепление, вышеr - Mount, Upr (Mount, Upr) | | под заказ | 6680 руб. |
| 13 | 09100-10217-000 | Болт (10x150) - Bolt (10x150) (Bolt (10x150); ) (Bolt (10x150)) | | под заказ | 1870 руб. |
| 14 | 09160-10081-000 | Шайба (10x20x3) - Washer (10x20x3) (Washer (10x20x3.0) # Washer (10x20x3); ) (Washer (10x20x3)) | | под заказ | 240 руб. |
| 15 | 09160-10082-000 | Шайба (10.5x19x2) - Washer (105x19x2) (Washer # Washer (10.5x19x2); ) (Washer (10.5x19x2)) | | 19 шт | 120 руб. |
| 16 | 09159-10050-000 | Гайка - Nut (Nut) | | 8 шт | 250 руб. |
| 17 | 09280-50008-000 | Уплотнительное кольцо (d: 3.1, Id: 49.4) - O Ring (d:31, Id:494) (O ring (id:49.4, od:3.10) # O ring (d:3.1 id:49.4); ) (O Ring (d:3.1, Id:49.4)) | | 8 шт | 220 руб. |
| 18 | 09282-17009-000 | Сальник (17x28x6) - Seal, Oil (17x28x6) (Oil seal (17x28x6) # Oil seal (28x25x6); ) (Seal, Oil (17x28x6)) | | 34 шт | 980 руб. |
| 18 | SK09282-17009 | (не оригинальный аналог) Сальник ведущего вала Skipper для Suzuki Модели техники: DT40-65HP, DF25-50HP | | 0 шт | 150 руб. |
| 19 | 09116-06106-000 | Болт (6x20) - Bolt (6x20) (Bolt (6x20);) (Bolt (6x20)) | | под заказ | 290 руб. |
| 19 | 09116-06204-000 | (актуальный код замены) Болт (6x20) - Bolt (6x20) | | под заказ | 290 руб. |
| 19 | 09116-06204-000 | Болт (6x20) - Bolt (6x20) (Bolt (6x20)) | | под заказ | 290 руб. |
| 20 | 54146-94400-000 | Направляющая, вышеr Крепёж корпуса - Guide, Upr Mount Case (Guide, upper mount case # Model:98, 99 ) (Guide, Upr Mount Case) | | под заказ | 580 руб. |
Время выполнения запроса 1.5757460594177 сек. |
|