| |
 |
|
 |
Вернуться к выбору узлов мотора
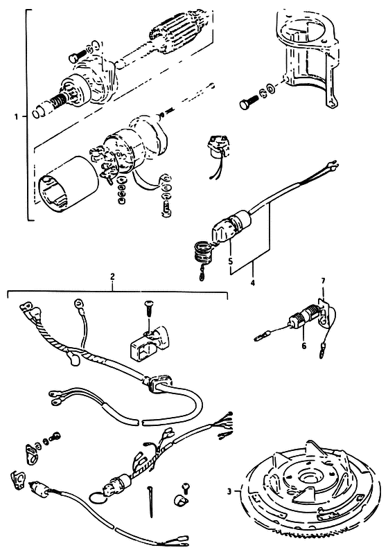
ДЕТАЛИРОВКА ДЛЯ МОДЕЛИ: SUZUKI DT40WK N
Опции: Электрика
Код модели двигателя: DT40W(R)S/L/LL/L2/UL;DT40WK(R)S/L/LL/L2/UL;
Год выпуска двигателя: 1992
Цвет: California Gray Metallic
Номер на рисунке | Артикул | Наименование | QTY | Кол-во на складе | Цена |
| 1 | 31101-94402-000 | Двигатель электростартера, в сборе (gray) - Motor Set, Starter (gray) (<-31101-94401) (Motor Set, Starter (gray)) | | под заказ | 0 руб. |
| 1 | 31101-94402-0ED | (актуальный код замены) Запчасть снята с производства - The Spare Part Is Laid Off | | под заказ | 0 руб. |
| 1 | 31101-94402-0ED | Двигатель электростартера, в сборе (gray) - Motor Set, Starter (gray) (Motor Set, Starter (gray)) | | под заказ | 0 руб. |
| 2 | 33800-94431-000 | Кабели & Переключатель Set, Starting - Cable & Switch Set, Starting (<-33800-94411 <-33800-94421 <-33800-94430) (Cable & Switch Set, Starting) | | под заказ | 28080 руб. |
| 2 | 33800-94433-000 | (актуальный код замены) Кабели & Переключатель Set, Starting - Cable & Switch Set, Starting | | под заказ | 28080 руб. |
| 2 | 33800-94433-000 | Кабели & Переключатель Set, Starting - Cable & Switch Set, Starting (Cable & Switch Set, Starting) | | под заказ | 28080 руб. |
| 3 | 32102-94412-000 | Маховик (Электростартер) - Flywheel (electric Starter) (DT40C <-32102-94411 ) (Flywheel (electric Starter)) | | под заказ | 85920 руб. |
| 3 | 32102-94451-000 | Маховик (Электростартер) - Flywheel (electric Starter) (DT40W ) (Flywheel (electric Starter)) | | под заказ | 111360 руб. |
| 3 | 32102-94461-000 | Маховик (Электростартер) - Flywheel (electric Starter) (DT40WK ) (Flywheel (electric Starter)) | | под заказ | 84000 руб. |
| 4 | 37820-94460-000 | Аварийный выключатель, в сборе - Switch Assy, Emergency (Switch assy, emergency # ~MODEL:92 ) (Switch Assy, Emergency) | | под заказ | 0 руб. |
| 4 | 37820-94461-000 | (актуальный код замены) Запчасть снята с производства - The Spare Part Is Laid Off | | под заказ | 0 руб. |
| 5 | 37823-94400-000 | Колпачок & Шнур - Cap & Rope (Cap & rope # ~MODEL:92 ) (Cap & Rope) | | под заказ | 1530 руб. |
| 5 | 37823-94401-000 | (актуальный код замены) Колпачок & Шнур - Cap & Rope | | 1 шт | 1530 руб. |
| 6 | 36740-93901-000 | Корпус предохранителя - Case Assy, Fuse (Case assy, fuse ) (Case Assy, Fuse) | | под заказ | 1720 руб. |
| 7 | 09481-20001-000 | Предохранитель (20a) - Fuse (20a) (Fuse (20a)) | | 30 шт | 180 руб. |
Время выполнения запроса 1.8029191493988 сек. |
|