Подобрать запчасти на подвесной лодочный мотор Suzuki DT40W(R)S/L/LL/L2/UL;DT40WK(R)S/L/LL/L2/UL; модель 1993 года - Fuel tank - Топливный бак
вконтакте

Контактный телефон: +7 (981) 121-46-93, +7 (800) 200-90-76 , Email: parts-katalog@yandex.ru, где купить

 
 

  Логин:

Пароль:

Регистрация

www.partskatalog.ru Все каталоги Запчасти Mercury Запчасти Suzuki Запчасти Tohatsu Запчасти Honda Контакты



УВАЖАЕМЫЕ КЛИЕНТЫ!
C 19 ДЕКАБРЯ 2025 ПО 02 МАРТА 2026 ГОДА ОТДЕЛ ЗАПЧАСТЕЙ И СЕРВИС РАБОТАТЬ НЕ БУДУТ
ПРОДАЖА ЛОДОЧНЫХ МОТОРОВ В ШТАТНОМ РЕЖИМЕ
ОБ ИЗМЕНЕНИЯХ В ГРАФИКЕ РАБОТЫ ЧИТАЙТЕ НА САЙТА



назад Раздел:   вперёд

Вернуться к выбору узлов мотора


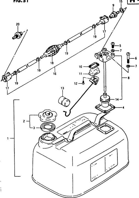
ДЕТАЛИРОВКА ДЛЯ МОДЕЛИ: SUZUKI DT40WKP P

Топливный бак


Код модели двигателя: DT40W(R)S/L/LL/L2/UL;DT40WK(R)S/L/LL/L2/UL;

Год выпуска двигателя: 1993

Регион: General Export No.1 ,Код региона: P01

Цвет: California Gray Metallic

Номер на
рисунке
АртикулНаименованиеQTYКол-во
на складе
Цена
165800-92854-000

Запчасть снята с производства - The Spare Part Is Laid Off (Tank set, fuel (23l); 6 u.s gal 3.3 imr gal) (The Spare Part Is Laid Off)

под заказ0 руб.
165800-92855-000

   (актуальный код замены) Запчасть снята с производства - The Spare Part Is Laid Off

под заказ0 руб.
265510-98508-000

Крышка горловины топливного бака, в сборе - Cap Assy, Fuel Tank (Cap Assy, Fuel Tank)

под заказ0 руб.
265510-92D00-000

   (актуальный код замены) Запчасть снята с производства - The Spare Part Is Laid Off

под заказ0 руб.
265510-92D00-000

Крышка горловины топливного бака, в сборе - Cap Assy, Fuel Tank (Cap assy, separate tank ) (Cap Assy, Fuel Tank)

под заказ0 руб.
365561-98502-000

Запчасть снята с производства - The Spare Part Is Laid Off (The Spare Part Is Laid Off)

под заказ0 руб.
465871-93010-000

Прокладка, Fuel Gauge - Gasket, Fuel Gauge (Gasket, fuel gauge ) (Gasket, Fuel Gauge)

под заказ240 руб.
502112-06167-000

Винт - Screw (Screw)

под заказ120 руб.
602112-06407-000

Винт - Screw (Screw)

под заказ130 руб.
709168-06004-000

Прокладка (6.2x11x1.2) - Gasket (62x11x12) (Washer (6x11.8x1.5) # Washer; ) (Gasket (6.2x11x1.2))

под заказ120 руб.
865850-94400-000

под заказнет сведений
865720-94411-000

Топливный коннектор - Connector, Fuel (Connector, Fuel)

под заказ0 руб.
865850-95X50-000

Прибор - измеритель уровня топлива - Gauge Assy, Fuel (Gauge Assy, Fuel)

под заказ0 руб.
809168-12015-XC0

Прокладка (12.2x21x0.8) - Gasket (122x21x08) (Gasket (12.2x21x0.8))

под заказ350 руб.
809168-12015-XC0

Прокладка (12.2x21x0.8) - Gasket (122x21x08) (Gasket (12.2x21x0.8))

под заказ350 руб.
809168-12015-XC0

Прокладка (12.2x21x0.8) - Gasket (122x21x08) (Gasket (12.2x21x0.8))

под заказ350 руб.
965720-94411-000

Топливный коннектор - Connector, Fuel (Connector, male fuel; Od:13, ) (Connector, Fuel)

под заказ0 руб.
1065854-93001-000

Прокладка - Gasket (Gasket, strainer; ) (Gasket)

под заказ0 руб.
1165853-93001-000

Топливный фильтр Gauge - Strainer, Fuel Gauge (Strainer, Fuel Gauge)

под заказ0 руб.
1202112-04107-000

Винт - Screw (Screw)

под заказ120 руб.
1365864-95200-000

Запчасть снята с производства - The Spare Part Is Laid Off (Float;) (The Spare Part Is Laid Off)

под заказ0 руб.
1465830-95500-000

Фильтр - Filter (Filter)

под заказ1180 руб.
1509168-12001-000

Прокладка (12.5x20x1) - Gasket (125x20x1) (Gasket ) (Gasket (12.5x20x1))

под заказ220 руб.
1665700-87D16-000

Топливный шланг (от бака до коннектораector) - Hose, Fuel (tank To Connector) (Hose, tank-connector;) (Hose, Fuel (tank To Connector))

под заказ12820 руб.
1665700-87D95-000

   (актуальный код замены) Топливный шланг (от бака до коннектора) - Hose, Fuel (tank To Conn)

под заказ12820 руб.
1665700-87D92-000

Топливный шланг (от бака до коннектораector) - Hose, Fuel (tank To Connector) (Hose, Fuel (tank To Connector))

под заказ12820 руб.
1665700-87D95-000

   (актуальный код замены) Топливный шланг (от бака до коннектора) - Hose, Fuel (tank To Conn)

под заказ12820 руб.
1765750-94404-000

Разъём топливного шланга - Socket, Fuel Hose (Connector, fuel # Connector, female fuel; Od:13 ) (Socket, Fuel Hose)

1 шт2130 руб.
1865770-95504-000

Запчасть снята с производства - The Spare Part Is Laid Off (Pump, squeeze;) (The Spare Part Is Laid Off)

под заказ0 руб.
1865770-95505-000

   (актуальный код замены) Запчасть снята с производства - The Spare Part Is Laid Off

под заказ0 руб.
1965781-98500-000

Зажим топливного шланга - Clip, Fuel Hose (Clip, Fuel Hose)

9 шт350 руб.
2065720-94401-000

Разъем топливного коннектора - Plug, Fuel Connector (Connector, male fuel; Od:13) (Plug, Fuel Connector)

под заказ2480 руб.
2065720-94403-000

   (актуальный код замены) Разъем топливного коннектора - Plug, Fuel Connector

1 шт2480 руб.
2065720-94403-000

Разъем топливного коннектора - Plug, Fuel Connector (Plug, Fuel Connector)

1 шт2480 руб.


Время выполнения запроса 0.92491292953491 сек.

 
 

данный сайт носит информационный характер и не является публичной офертой

склад запчастей для водомоторной техники