Подобрать запчасти на лодочный мотор Suzuki DT40W(R)S/L/LL/L2/UL;DT40WK(R)S/L/LL/L2/UL; модель 1993 года - Clutch
вконтакте

Контактный телефон: +7 (981) 121-46-93, +7 (800) 200-90-76 , Email: parts-katalog@yandex.ru, где купить

 
 

  Логин:

Пароль:

Регистрация

www.partskatalog.ru Все каталоги Запчасти Mercury Запчасти Suzuki Запчасти Tohatsu Запчасти Honda Контакты



УВАЖАЕМЫЕ КЛИЕНТЫ!
C 19 ДЕКАБРЯ 2025 ПО 02 МАРТА 2026 ГОДА ОТДЕЛ ЗАПЧАСТЕЙ И СЕРВИС РАБОТАТЬ НЕ БУДУТ
ПРОДАЖА ЛОДОЧНЫХ МОТОРОВ В ШТАТНОМ РЕЖИМЕ
ОБ ИЗМЕНЕНИЯХ В ГРАФИКЕ РАБОТЫ ЧИТАЙТЕ НА САЙТА



назад Раздел:   вперёд

Вернуться к выбору узлов мотора


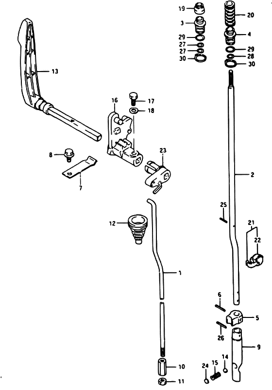
ДЕТАЛИРОВКА ДЛЯ МОДЕЛИ: SUZUKI DT40W P/DT40WR P

Сцепление


Код модели двигателя: DT40W(R)S/L/LL/L2/UL;DT40WK(R)S/L/LL/L2/UL;

Год выпуска двигателя: 1993

Цвет: California Gray Metallic

Номер на
рисунке
АртикулНаименованиеQTYКол-во
на складе
Цена
123111-94401-000

Тяга сцепления - Rod, Clutch (Rod, clutch # <-23111-94400 ) (Rod, Clutch)

2 шт1960 руб.
225111-94402-000

Переключающая тяга (l2) - Rod, Shift (l2) (L:397 ) (Rod, Shift (l2))

под заказ4230 руб.
225111-94412-000

Переключающая тяга (s) - Rod, Shift (s) (Rod, chift (s) # L:270 ) (Rod, Shift (s))

3 шт3080 руб.
225111-94422-000

Переключающая тяга (ll) - Rod, Shift (ll) (L:457 ) (Rod, Shift (ll))

под заказ0 руб.
225111-94432-000

Переключающая тяга (x) - Rod, Shift (x) (Rod, shift (ul) # L:506 ) (Rod, Shift (x))

под заказ0 руб.
225111-94442-000

Переключающая тяга (l) - Rod, Shift (l) (Rod, shift (l) # L:350 ) (Rod, Shift (l))

под заказ3720 руб.
325211-94401-000

Направляющая переключающей тяги - Guide, Shift Rod (TYPE:S TYPE:L/L2/LL/UL MODEL:95~99 ) (Guide, Shift Rod)

1 шт2480 руб.
425211-94421-000

Запчасть снята с производства - The Spare Part Is Laid Off (MODEL:94) (The Spare Part Is Laid Off)

под заказ0 руб.
525212-94401-000

Направляющая переключающей тяги Lwr - Guide, Shift Rod Lwr (Guide, shift rod lower # <-25212-94400 ) (Guide, Shift Rod Lwr)

2 шт480 руб.
609205-02013-000

Стопор пружины (2.5x16) - Pin, Spring (25x16) (Pin, spring ) (Pin, Spring (2.5x16))

под заказ120 руб.
723213-94400-000

Пружина в паз сцепления - Spring, Clutch Notch (Spring, Clutch Notch)

под заказ280 руб.
802162-06127-000

Винт - Screw (Screw)

под заказ150 руб.
925311-94401-000

Кулачок переключателя - Cam, Shift (Cam, Shift)

под заказ5430 руб.
925311-94402-000

   (актуальный код замены) Кулачок переключателя - Cam, Shift

1 шт6430 руб.
925311-94402-000

Кулачок переключателя - Cam, Shift (Cam, Shift)

1 шт6430 руб.
1023311-95D01-000

Buckle, Тяга сцепления Turn - Buckle, Clutch Rod Turn (<-23311-94300) (Buckle, Clutch Rod Turn)

под заказ630 руб.
1023311-95DL0-000

   (актуальный код замены) Buckle, Тяга сцепления Turn - Buckle, Clutch Rod Turn

13 шт640 руб.
1023311-95DL0-000

Buckle, Тяга сцепления Turn - Buckle, Clutch Rod Turn (Buckle, Clutch Rod Turn)

13 шт640 руб.
10SK23311-95DL0

   (не оригинальный аналог) Гайка соединительная тяги переключения передач Skipper для Suzuki DF9.9-DF15, DT25-40

0 шт127 руб.
1109140-06020-000

Гайка - Nut (Nut)

9 шт150 руб.
1223131-94400-000

Boot, Сцепление - Boot, Clutch (Boot, Clutch)

под заказ520 руб.
1223131-92L00-000

   (актуальный код замены) Boot, Сцепление - Boot, Clutch

под заказ520 руб.
1223131-92L00-000

Boot, Сцепление - Boot, Clutch (Boot, Clutch)

под заказ520 руб.
1321110-94401-000

Рычаг сцепления - Lever, Clutch (<-21110-94400) (Lever, Clutch)

под заказ3460 руб.
1321110-94402-000

   (актуальный код замены) Рычаг сцепления - Lever, Clutch

под заказ3460 руб.
1321110-94402-000

Рычаг сцепления - Lever, Clutch (Lever, Clutch)

под заказ3460 руб.
1409260-10005-000

Шарик - Ball (Steel ball ) (Ball)

4 шт210 руб.
1509440-07033-000

Пружина - Spring (Spring)

под заказ160 руб.
1509440-07071-000

Пружина - Spring (Spring, clutch notch # DT40C:464289~ DT40W:464116~ DT40WK:461084 ) (Spring)

8 шт450 руб.
1621121-94400-000

Пластина, Сцепление - Plate, Clutch (Plate, Clutch)

под заказ1420 руб.
1621121-92L00-000

   (актуальный код замены) Пластина, Сцепление - Plate, Clutch

под заказ1420 руб.
1621121-92L00-000

Пластина, Сцепление - Plate, Clutch (Plate, Clutch)

под заказ1420 руб.
1702162-05167-000

Винт - Screw (Screw ) (Screw)

под заказ150 руб.
1925223-94400-000

Пыльник переключающеё тяги - Seal, Shift Rod Dust (TYPE:S TYPE:L/L2/LL/UL MODEL:95~99 ) (Seal, Shift Rod Dust)

под заказ550 руб.
1925223-96J00-000

   (актуальный код замены) Сальник тяги сцепления - Seal, Clutch Rod

83 шт630 руб.
2025222-96300-000

Башмак переключающей тяги Направляющая - Boot, Shift Rod Guide (TYPE:L/L2/LL/UL ~MODEL:94 ) (Boot, Shift Rod Guide)

под заказ820 руб.
2025222-96301-000

   (актуальный код замены) Башмак переключающей тяги Направляющая - Boot, Shift Rod Guide

17 шт930 руб.
20SK25222-96300

   (не оригинальный аналог) Гофра тяги переключения передач Skipper для Suzuki DT25/30/40/DF25-30

0 шт238 руб.
2125230-94300-000

Магнето Set, Картер коробки передач - Magneto Set, Gear Case (Magnet set, gear case ) (Magneto Set, Gear Case)

под заказ1650 руб.
2225232-94300-000

Индуктор картера коробки передач - Magneto, Gear Case (Magneto, Gear Case)

под заказ290 руб.
2323211-94401-000

Рукоятка тяги сцепления - Arm, Clutch Rod (<-23211-94400 ) (Arm, Clutch Rod)

3 шт780 руб.
2421121-93300-000

Пластина в паз сцепления - Plate, Clutch Notch (Plate, clutch notch ) (Plate, Clutch Notch)

50 шт180 руб.
2509205-02004-000

Стопор пружины (2.5x12) - Pin, Spring (25x12) (Spring pin ) (Pin, Spring (2.5x12))

13 шт100 руб.
2609205-03021-000

Стопор пружины (3.5x12) - Pin, Spring (35x12) (<-09205-03027 ) (Pin, Spring (3.5x12))

под заказ120 руб.
2709280-08005-000

Уплотнительное кольцо (d: 1.7, Id: 7.7) - O Ring (d:17, Id:77) (O ring (d:1.8, id:7.6) # TYPE:S TYPE:S/L/L2/LL/UL MODEL:95~99 ) (O Ring (d:1.7, Id:7.7))

45 шт160 руб.
2809280-08005-000

Уплотнительное кольцо (d: 1.7, Id: 7.7) - O Ring (d:17, Id:77) (O ring (d:1.8, id:7.6) # TYPE:L/L2/LL/UL ~MODEL:94 ) (O Ring (d:1.7, Id:7.7))

45 шт160 руб.
2909280-11005-000

Уплотнительное кольцо (d: 2.4, Id: 11) - O Ring (d:24, Id:11) (O ring (d:2.4, id:10.8) # <-09280-11001 ) (O Ring (d:2.4, Id:11))

20 шт480 руб.
3008331-31156-000

Стопорное кольцо - Circlip (Circlip)

под заказ150 руб.
3008331-3115A-000

   (актуальный код замены) Стопорное кольцо - Circlip

9 шт150 руб.
3008331-3115A-000

Стопорное кольцо - Circlip (Circlip)

9 шт150 руб.


Время выполнения запроса 2.916081905365 сек.

 
 

данный сайт носит информационный характер и не является публичной офертой

склад запчастей для водомоторной техники