Купить оригинальные запчасти на лодочный мотор Suzuki DT40W(R)S/L/LL/L2/UL;DT40WK(R)S/L/LL/L2/UL; модель 1993 года - Топливный бак
вконтакте

Контактный телефон: +7 (981) 121-46-93, +7 (800) 200-90-76 , Email: parts-katalog@yandex.ru, где купить

 
 

  Логин:

Пароль:

Регистрация

www.partskatalog.ru Все каталоги Запчасти Mercury Запчасти Suzuki Запчасти Tohatsu Запчасти Honda Контакты



УВАЖАЕМЫЕ КЛИЕНТЫ!
C 19 ДЕКАБРЯ 2025 ПО 02 МАРТА 2026 ГОДА ОТДЕЛ ЗАПЧАСТЕЙ И СЕРВИС РАБОТАТЬ НЕ БУДУТ
ПРОДАЖА ЛОДОЧНЫХ МОТОРОВ В ШТАТНОМ РЕЖИМЕ
ОБ ИЗМЕНЕНИЯХ В ГРАФИКЕ РАБОТЫ ЧИТАЙТЕ НА САЙТА



назад Раздел:   вперёд

Вернуться к выбору узлов мотора


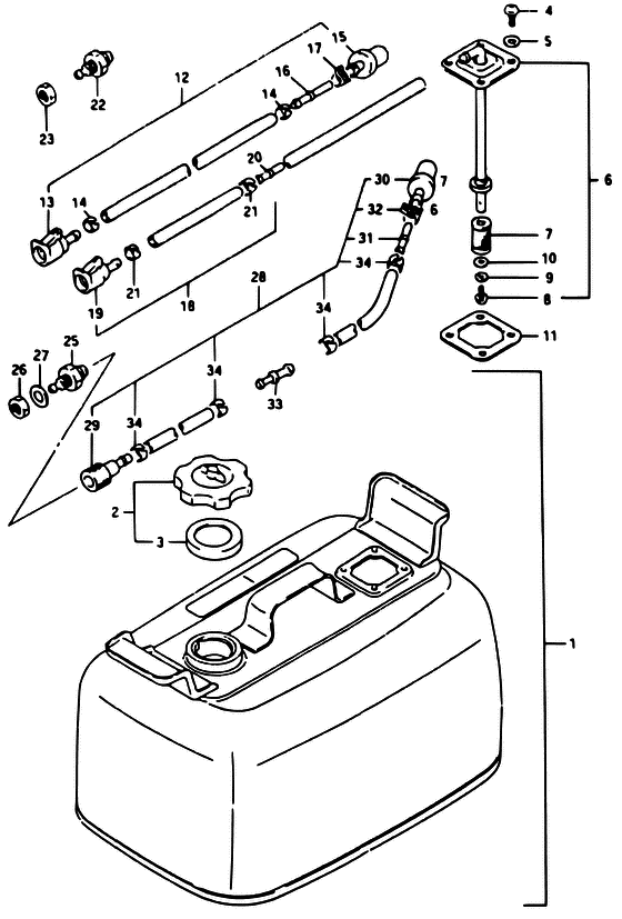
ДЕТАЛИРОВКА ДЛЯ МОДЕЛИ: SUZUKI DT40W P/DT40WR P

Топливный бак


Код модели двигателя: DT40W(R)S/L/LL/L2/UL;DT40WK(R)S/L/LL/L2/UL;

Год выпуска двигателя: 1993

Цвет: California Gray Metallic

Номер на
рисунке
АртикулНаименованиеQTYКол-во
на складе
Цена
165800-92823-000

Запчасть снята с производства - The Spare Part Is Laid Off (6.3 U.S GAL/5.3 IMP GAL <-65800-92822) (The Spare Part Is Laid Off)

под заказ0 руб.
165800-92824-000

   (актуальный код замены) Запчасть снята с производства - The Spare Part Is Laid Off

под заказ0 руб.
265510-92D00-000

Крышка горловины топливного бака, в сборе - Cap Assy, Fuel Tank (Cap assy, separate tank ) (Cap Assy, Fuel Tank)

под заказ0 руб.
365561-92D00-000

Прокладка - Gasket (Gasket, tank cap ) (Gasket)

под заказ0 руб.
409125-06063-000

Винт (6x10) - Screw (6x10) (Screw (6x10))

6 шт190 руб.
509168-06026-000

Прокладка (6.4x11.5x0.8) - Gasket (64x115x08) (Gasket (6.4x11.5x0.8))

под заказ240 руб.
665880-95200-000

Запчасть снята с производства - The Spare Part Is Laid Off (The Spare Part Is Laid Off)

под заказ0 руб.
765830-93301-000

Запчасть снята с производства - The Spare Part Is Laid Off (The Spare Part Is Laid Off)

под заказ0 руб.
809125-05050-000

Винт (5x8) - Screw (5x8) (Screw (5x8))

под заказ150 руб.
908321-01057-000

Шайба с блокировкой - Washer, Lock (Washer, Lock)

под заказ140 руб.
908321-0105A-000

   (актуальный код замены) Шайба с блокировкой - Washer, Lock

под заказ140 руб.
908321-0105A-000

Шайба с блокировкой - Washer, Lock (Washer, Lock)

под заказ140 руб.
1008322-01057-000

Шайба - Washer (Washer, front hook holder ) (Washer)

под заказ140 руб.
1165871-93010-000

Прокладка, Fuel Gauge - Gasket, Fuel Gauge (Gasket, fuel gauge ) (Gasket, Fuel Gauge)

под заказ240 руб.
1265700-94430-000

Топливный шланг (krsn) - Hose, Fuel (krsn) (N/FUEL TANK <-65700-94420) (Hose, Fuel (krsn))

под заказ9320 руб.
1265700-94433-000

   (актуальный код замены) Топливный шланг (krsn) - Hose, Fuel (krsn)

под заказ9320 руб.
1265700-94433-000

Топливный шланг (krsn) - Hose, Fuel (krsn) (Hose, Fuel (krsn))

под заказ9320 руб.
1365750-94404-000

Разъём топливного шланга - Socket, Fuel Hose (Connector, fuel # N/FUEL TANK ) (Socket, Fuel Hose)

1 шт2130 руб.
1465781-98500-000

Зажим топливного шланга - Clip, Fuel Hose (N/FUEL TANK ) (Clip, Fuel Hose)

9 шт350 руб.
1565830-95500-000

Фильтр - Filter (N/FUEL TANK ) (Filter)

под заказ1180 руб.
1665842-94400-000

Фильтр топливного шланга - Tube, Fuel Filter (N/FUEL TANK) (Tube, Fuel Filter)

под заказ600 руб.
1665842-94401-000

   (актуальный код замены) Фильтр топливного шланга - Tube, Fuel Filter

под заказ600 руб.
1665842-94401-000

Фильтр топливного шланга - Tube, Fuel Filter (Tube, Fuel Filter)

под заказ600 руб.
1709401-11407-000

Зажим - Clip (N/FUEL TANK ) (Clip)

под заказ150 руб.
1865700-93950-000

Запчасть снята с производства - The Spare Part Is Laid Off (W/FUEL TANK) (The Spare Part Is Laid Off)

под заказ0 руб.
1965750-94404-000

Разъём топливного шланга - Socket, Fuel Hose (Connector, fuel # W/FUEL TANK ) (Socket, Fuel Hose)

1 шт2130 руб.
2065779-93900-000

Соединенине топливного шланга - Union, Fuel Hose (W/FUEL TANK ) (Union, Fuel Hose)

под заказ680 руб.
2165781-98500-000

Зажим топливного шланга - Clip, Fuel Hose (W/FUEL TANK ) (Clip, Fuel Hose)

9 шт350 руб.
2265720-94401-000

Разъем топливного коннектора - Plug, Fuel Connector (Plug, Fuel Connector)

под заказ2480 руб.
2265720-94403-000

   (актуальный код замены) Разъем топливного коннектора - Plug, Fuel Connector

1 шт2480 руб.
2265720-94403-000

Разъем топливного коннектора - Plug, Fuel Connector (Plug, Fuel Connector)

1 шт2480 руб.
2308310-00107-000

Гайка - Nut (Nut)

под заказ170 руб.
2565720-98520-000

Разъем топливного коннектора - Plug, Fuel Connector (231001~) (Plug, Fuel Connector)

под заказ3170 руб.
2565720-985L1-000

   (актуальный код замены) Разъем топливного коннектора - Plug, Fuel Connector

5 шт3950 руб.
25SK65720-98520

   (не оригинальный аналог) Коннектор топливный Skipper для Suzuki DT2-65, DF9.9-15 "папа", 6 мм

0 шт836 руб.
25SF80210-1

   (не оригинальный аналог) Адаптер топливный SUNFINE тип Suzuki, 7.5мм, 6720-98521

под заказ1270 руб.
2565720-985L1-000

Разъем топливного коннектора - Plug, Fuel Connector (Plug, Fuel Connector)

5 шт3950 руб.
2608310-00107-000

Гайка - Nut (231001~ ) (Nut)

под заказ170 руб.
2708321-01107-000

Шайба с блокировкой - Washer, Lock (Lock washer # 231001~ ) (Washer, Lock)

9 шт140 руб.
2865700-94422-000

Топливный шланг (от бака до коннектораector) - Hose, Fuel (tank To Connector) (231001~ ->65700-87D41) (Hose, Fuel (tank To Connector))

под заказ0 руб.
2865700-87D47-000

   (актуальный код замены) Запчасть снята с производства - The Spare Part Is Laid Off

под заказ0 руб.
2865700-87D45-000

Топливный шланг (от бака до коннектораector) - Hose, Fuel (tank To Connector) (Hose, Fuel (tank To Connector))

под заказ0 руб.
2865700-87D47-000

   (актуальный код замены) Запчасть снята с производства - The Spare Part Is Laid Off

под заказ0 руб.
2965750-98505-000

Разъём топливного шланга - Socket, Fuel Hose (Socket, fuel hose (out) # 231001~ ) (Socket, Fuel Hose)

2 шт3240 руб.
2965750-98506-000

   (актуальный код замены) Разъём топливного шланга - Socket, Fuel Hose

под заказ3240 руб.
3065830-95500-000

Фильтр - Filter (231001~ ) (Filter)

под заказ1180 руб.
3165842-94400-000

Фильтр топливного шланга - Tube, Fuel Filter (231001~) (Tube, Fuel Filter)

под заказ600 руб.
3165842-94401-000

   (актуальный код замены) Фильтр топливного шланга - Tube, Fuel Filter

под заказ600 руб.
3165842-94401-000

Фильтр топливного шланга - Tube, Fuel Filter (Tube, Fuel Filter)

под заказ600 руб.
3209401-11407-000

Зажим - Clip (231001~ ) (Clip)

под заказ150 руб.
3365779-93900-000

Соединенине топливного шланга - Union, Fuel Hose (231001~ ) (Union, Fuel Hose)

под заказ680 руб.
3465781-98500-000

Зажим топливного шланга - Clip, Fuel Hose (231001~ ) (Clip, Fuel Hose)

9 шт350 руб.


Время выполнения запроса 1.2256290912628 сек.

 
 

данный сайт носит информационный характер и не является публичной офертой

склад запчастей для водомоторной техники