| |
 |
|
 |
Вернуться к выбору узлов мотора
ДЕТАЛИРОВКА ДЛЯ МОДЕЛИ: SUZUKI DT40W R/DT40WR R
Карбюратор
Код модели двигателя: DT40W(R)S/L/LL/L2/UL;DT40WK(R)S/L/LL/L2/UL;
Год выпуска двигателя: 1994
Цвет: California Gray Metallic
Номер на рисунке | Артикул | Наименование | QTY | Кол-во на складе | Цена |
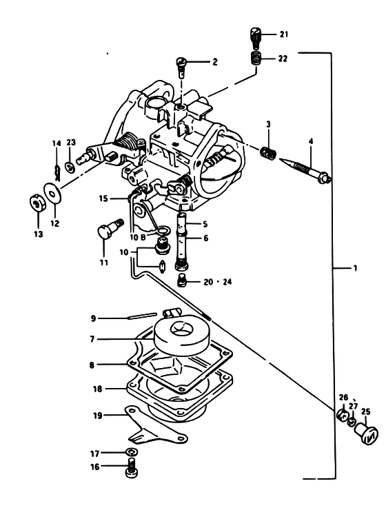
| 1 | 13200-944E1-000 | Карбюратор в сборе - Carburetor Assy (MODEL:89~99 <-13200-944E0 ) (Carburetor Assy) | | под заказ | 73920 руб. |
| 1 | 13200-97E41-000 | Карбюратор в сборе - Carburetor Assy (MODEL:89~94/E28 E90) (Carburetor Assy) | | под заказ | 73920 руб. |
| 1 | 13200-944E1-000 | (актуальный код замены) Карбюратор в сборе - Carburetor Assy | | под заказ | 73920 руб. |
| 1 | 13200-944E1-000 | Карбюратор в сборе - Carburetor Assy (Carburetor Assy) | | под заказ | 73920 руб. |
| 2 | 09492-77001-000 | Контрольная форсунка (77.5) - Jet, Pilot (775) (Jet, pilot 77.5 ) (Jet, Pilot (77.5)) | | под заказ | 1260 руб. |
| 3 | 13271-93311-000 | Пружина - Spring (Spring, air screw ) (Spring) | | 1 шт | 350 руб. |
| 4 | 13269-95210-000 | Винт контроля воздуха - Screw, Pilot Air (Adjustor ) (Screw, Pilot Air) | | под заказ | 810 руб. |
| 5 | 13237-94400-000 | Nozzle - Nozzle (Nozzle) | | 1 шт | 450 руб. |
| 6 | 13236-94400-000 | Главная форсунка - Nozzle, Main (Nozzle, Main) | | под заказ | 2790 руб. |
| 7 | 13250-93012-000 | Поплавок - Float (Float) | | под заказ | 1950 руб. |
| 8 | 13251-95220-000 | Прокладка поплавковой камеры - Gasket, Float Cahmber (<-13251-95210 ) (Gasket, Float Cahmber) | | под заказ | 840 руб. |
| 9 | 13254-93010-000 | Стопор поплавка - Pin, Float (Pin, Float) | | под заказ | 240 руб. |
| 9 | 13254-98300-000 | (актуальный код замены) Стопор поплавка - Pin, Float | | под заказ | 240 руб. |
| 9 | 13254-98300-000 | Стопор поплавка - Pin, Float (Pin, float ) (Pin, Float) | | под заказ | 240 руб. |
| 10 | 13370-28110-000 | Игольчатый клапан, в сборе - Valve Assy, Needle (Valve assy, needle ) (Valve Assy, Needle) | | 4 шт | 4350 руб. |
| 10 | 13370-97E20-000 | Игольчатый клапан, в сборе - Valve Assy, Needle (Valve assy, needle # MODEL:93~99 ) (Valve Assy, Needle) | | под заказ | 4660 руб. |
| 10 | 13392-58600-000 | Прокладка седла клапана - Gasket, Valve Seat (Gasket, valve seat ) (Gasket, Valve Seat) | | 1 шт | 150 руб. |
| 11 | 13613-94300-000 | Болт - Bolt (Bolt ) (Bolt) | | под заказ | 760 руб. |
| 12 | 13606-93310-000 | Запчасть снята с производства - The Spare Part Is Laid Off (The Spare Part Is Laid Off) | | под заказ | 0 руб. |
| 13 | 13607-93310-000 | Запчасть снята с производства - The Spare Part Is Laid Off (The Spare Part Is Laid Off) | | под заказ | 0 руб. |
| 14 | 13464-96350-000 | Стопор пружины - Spring Pin (<-13609-98300 ) (Spring Pin) | | под заказ | 150 руб. |
| 15 | 13580-94400-000 | Рычаг в сборе - Lever Assy (Lever Assy) | | под заказ | 4760 руб. |
| 16 | 02112-05167-000 | Винт - Screw (Screw) | | под заказ | 150 руб. |
| 17 | 08321-01057-000 | Шайба с блокировкой - Washer, Lock (Washer, Lock) | | под заказ | 140 руб. |
| 17 | 08321-0105A-000 | (актуальный код замены) Шайба с блокировкой - Washer, Lock | | под заказ | 140 руб. |
| 17 | 08321-0105A-000 | Шайба с блокировкой - Washer, Lock (Washer, Lock) | | под заказ | 140 руб. |
| 18 | 13245-94400-000 | Корпус в сборе, Поплавковая камера - Body Assy, Float Chamber (Froat chamber ) (Body Assy, Float Chamber) | | под заказ | 4350 руб. |
| 19 | 13426-95211-000 | Пластина - Plate (Plate) | | под заказ | 500 руб. |
| 20 | 09491-38007-000 | Главная форсунка (190) - Jet, Main (190) (Jet, main (190) ) (Jet, Main (190)) | | под заказ | 730 руб. |
| 21 | 13267-93900-000 | Винт - Screw (Screw, throttle ) (Screw) | | под заказ | 320 руб. |
| 22 | 13268-96110-000 | Пружина, Дроссель Винт - Spring, Throttle Screw (Spring, Throttle Screw) | | под заказ | 350 руб. |
| 22 | 13268-96111-000 | (актуальный код замены) Пружина, Дроссель Винт - Spring, Throttle Screw | | под заказ | 350 руб. |
| 22 | 13268-96111-000 | Пружина, Дроссель Винт - Spring, Throttle Screw (Spring, throttle screw ) (Spring, Throttle Screw) | | под заказ | 350 руб. |
| 23 | 13432-33110-000 | Шайба - Washer (Ring, friction ) (Washer) | | под заказ | 380 руб. |
| 24 | 09491-35008-000 | Главная форсунка (175) - Jet, Main (175) (OPT ) (Jet, Main (175)) | | под заказ | 0 руб. |
| 24 | 09491-36005-000 | Главная форсунка (180) - Jet, Main (180) (Jet, main (180) # OPT ) (Jet, Main (180)) | | под заказ | 970 руб. |
| 24 | 09491-37004-000 | Главная форсунка (185) - Jet, Main (185) (Jet, main (185) # OPT ) (Jet, Main (185)) | | под заказ | 900 руб. |
| 24 | 09491-38008-000 | Главная форсунка (195) - Jet, Main (195) (Jet, main (195) # OPT ) (Jet, Main (195)) | | под заказ | 730 руб. |
| 24 | 09491-40007-000 | Запчасть снята с производства - The Spare Part Is Laid Off (OPT) (The Spare Part Is Laid Off) | | под заказ | 0 руб. |
| 25 | 13631-93501-000 | Рукоятка стартера - Knob, Starter (<-13631-93500 ) (Knob, Starter) | | 2 шт | 460 руб. |
| 26 | 09305-04005-000 | Втулка - Bush (Bush) | | под заказ | 160 руб. |
| 26 | 09320-04013-000 | (актуальный код замены) Подушка, Muf Cov - Cushion, Muf Cov | | под заказ | 160 руб. |
| 26 | 09320-04009-000 | Втулка - Bush (Bush) | | под заказ | 160 руб. |
| 26 | 09320-04013-000 | (актуальный код замены) Подушка, Muf Cov - Cushion, Muf Cov | | под заказ | 160 руб. |
| 27 | 09140-04007-000 | Гайка - Nut (Nut) | | под заказ | 170 руб. |
Время выполнения запроса 1.0745561122894 сек. |
|