Комплектующие на двигатель Suzuki - Starting motor - Двигатель электростартера
вконтакте

Контактный телефон: +7 (981) 121-46-93, +7 (800) 200-90-76 , Email: parts-katalog@yandex.ru, где купить

 
 

  Логин:

Пароль:

Регистрация

www.partskatalog.ru Все каталоги Запчасти Mercury Запчасти Suzuki Запчасти Tohatsu Запчасти Honda Контакты



УВАЖАЕМЫЕ КЛИЕНТЫ!
C 19 ДЕКАБРЯ 2025 ПО 02 МАРТА 2026 ГОДА ОТДЕЛ ЗАПЧАСТЕЙ И СЕРВИС РАБОТАТЬ НЕ БУДУТ
ПРОДАЖА ЛОДОЧНЫХ МОТОРОВ В ШТАТНОМ РЕЖИМЕ
ОБ ИЗМЕНЕНИЯХ В ГРАФИКЕ РАБОТЫ ЧИТАЙТЕ НА САЙТА



назад Раздел:   вперёд

Вернуться к выбору узлов мотора


ДЕТАЛИРОВКА ДЛЯ МОДЕЛИ: SUZUKI DT40WS S

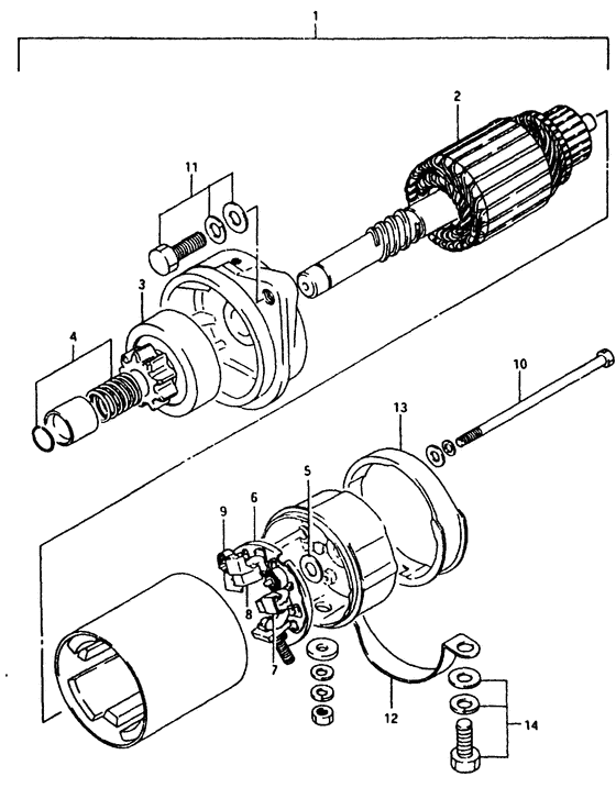
Двигатель электростартера


Год выпуска двигателя: 1995

Номер на
рисунке
АртикулНаименованиеQTYКол-во
на складе
Цена
131100-94401-000

Двигатель электростартера в сборе - Motor Assy, Starting (Motor assy, starting ) (Motor Assy, Starting)

под заказ89760 руб.
131100-94402-000

   (актуальный код замены) Двигатель электростартера в сборе - Motor Assy, Starting

под заказ89760 руб.
1SC-OT838

   (не оригинальный аналог) Электростартер двигателя Suzuki/Tohatsu/Nissan/Mercury/Mariner SC-OT838

под заказ15140 руб.
231310-96300-000

Якорь - Armature (Armature, starter ) (Armature)

2 шт45360 руб.
331320-94400-000

Комплект шестерёнок - Pinion Assy (Pinion assy; ) (Pinion Assy)

под заказ23620 руб.
431312-96300-000

Комплект стопора шестерни - Stopper Set, Pinion (Stopper Set, Pinion)

2 шт1420 руб.
531360-96300-000

Установочная шайба - Washer Set (Washer kit ) (Washer Set)

под заказ1260 руб.
631173-96301-000

Держатель щетки - Holder Assy, Brush (Holder Assy, Brush)

под заказ7780 руб.
631173-89J00-000

   (актуальный код замены) Держатель щетки - Holder Assy, Brush

1 шт7780 руб.
631173-89J00-000

Держатель щетки - Holder Assy, Brush (Holder Assy, Brush)

1 шт7780 руб.
731131-96300-000

Щётка (+) - Brush (+) (Brush (+); ) (Brush (+))

2 шт2080 руб.
831132-96300-000

Щётка (-) - Brush (-) (Brush (-); ) (Brush (-))

2 шт1110 руб.
931135-96300-000

Пружина - Spring (Spring, brush;) (Spring)

под заказ550 руб.
931135-89J00-000

   (актуальный код замены) Пружина - Spring

под заказ550 руб.
931135-89J00-000

Пружина - Spring (Spring)

под заказ550 руб.
1031281-93340-000

Сквозной болт - Bolt, Through (Bolt, starter housing ) (Bolt, Through)

под заказ410 руб.
1101580-08257-000

Болт - Bolt (Bolt)

9 шт240 руб.
1231912-94401-000

Ремешок двигателя стартера - Band, Starting Motor (Band, starting motor ) (Band, Starting Motor)

под заказ530 руб.
1231912-92L00-000

   (актуальный код замены) Ремешок двигателя стартера - Band, Starting Motor

под заказ530 руб.
1331918-94401-000

Демпфер, Lwr - Damper, Lwr (Damper, lower; ) (Damper, Lwr)

под заказ1040 руб.
1331918-94402-000

   (актуальный код замены) Нижний демпфер - Damper, Lower

под заказ1040 руб.
1401580-08257-000

Болт - Bolt (Bolt)

9 шт240 руб.


Время выполнения запроса 1.1572239398956 сек.

 
 

данный сайт носит информационный характер и не является публичной офертой

склад запчастей для водомоторной техники