Запчасти на подвесной лодочный мотор Suzuki DT40CS/L/L2 модель 1995 года - Optional:tiller handle - Опции: Румпель
вконтакте

Контактный телефон: +7 (981) 121-46-93, +7 (800) 200-90-76 , Email: parts-katalog@yandex.ru, где купить

 
 

  Логин:

Пароль:

Регистрация

www.partskatalog.ru Все каталоги Запчасти Mercury Запчасти Suzuki Запчасти Tohatsu Запчасти Honda Контакты



УВАЖАЕМЫЕ КЛИЕНТЫ!
C 19 ДЕКАБРЯ 2025 ПО 02 МАРТА 2026 ГОДА ОТДЕЛ ЗАПЧАСТЕЙ И СЕРВИС РАБОТАТЬ НЕ БУДУТ
ПРОДАЖА ЛОДОЧНЫХ МОТОРОВ В ШТАТНОМ РЕЖИМЕ
ОБ ИЗМЕНЕНИЯХ В ГРАФИКЕ РАБОТЫ ЧИТАЙТЕ НА САЙТА



назад Раздел:   вперёд

Вернуться к выбору узлов мотора


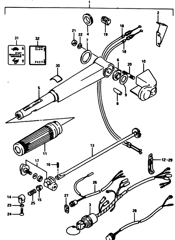
ДЕТАЛИРОВКА ДЛЯ МОДЕЛИ: SUZUKI DT40C S/DT40TC S/DT40RC S

Опции: Румпель


Код модели двигателя: DT40CS/L/L2

Год выпуска двигателя: 1995

Цвет: California Gray Metallic

Номер на
рисунке
АртикулНаименованиеQTYКол-во
на складе
Цена
163001-94431-0ED

Запчасть снята с производства - The Spare Part Is Laid Off (DT40C <-63001-94430-0ED) (The Spare Part Is Laid Off)

под заказ0 руб.
163001-94451-0ED

Запчасть снята с производства - The Spare Part Is Laid Off (DT40W 40WK <-63001-64450-0ED) (The Spare Part Is Laid Off)

под заказ0 руб.
219184-94301-000

Запчасть снята с производства - The Spare Part Is Laid Off (The Spare Part Is Laid Off)

под заказ0 руб.
337110-94442-000

Выключатель зажигания - Switch Assy, Ignition (FOR 63001-94450 ->37110-94460) (Switch Assy, Ignition)

под заказ11620 руб.
337110-94472-000

   (актуальный код замены) Выключатель зажигания - Switch Assy, Ignition

под заказ11620 руб.
337110-94471-000

Выключатель зажигания - Switch Assy, Ignition (Switch Assy, Ignition)

под заказ11620 руб.
337110-94472-000

   (актуальный код замены) Выключатель зажигания - Switch Assy, Ignition

под заказ11620 руб.
337110-94X50-000

Запчасть снята с производства - The Spare Part Is Laid Off (FOR 63001-94431 <-37110-94452) (The Spare Part Is Laid Off)

под заказ0 руб.
443753-94400-000

Пыльник, Кронштейн рулевого управления - Grommet, Steering Bracket (Grommet, Steering Bracket)

под заказ0 руб.
563111-96313-0ED

Ручка румпеля (gray) - Handle, Tiller (gray) (<-63111-96312-0ED) (Handle, Tiller (gray))

под заказ0 руб.
563111-96332-0ED

   (актуальный код замены) Запчасть снята с производства - The Spare Part Is Laid Off

под заказ0 руб.
563111-96332-0ED

Ручка румпеля (gray) - Handle, Tiller (gray) (Handle, Tiller (gray))

под заказ0 руб.
663114-94300-000

Прокладка крышки румпеля - Spacer, Handle Cover (Spacer, handle cover ) (Spacer, Handle Cover)

под заказ680 руб.
663114-95L00-000

   (актуальный код замены) Прокладка крышки румпеля - Spacer, Handle Cover

7 шт800 руб.
763115-96310-000

Прокладка внутри крышки румпеля - Spacer, Handle Cover Inside (Spacer, handle cover inside ) (Spacer, Handle Cover Inside)

5 шт690 руб.
863117-96300-000

Крышка, Stop Переключатель Провод - Cover, Stop Switch Wire (Cover, Stop Switch Wire)

под заказ480 руб.
863117-96302-000

   (актуальный код замены) Крышка, Stop Переключатель Провод - Cover, Stop Switch Wire

под заказ480 руб.
863117-96301-000

Крышка, Stop Переключатель Провод - Cover, Stop Switch Wire (Cover, stop switch wire ) (Cover, Stop Switch Wire)

под заказ480 руб.
863117-96302-000

   (актуальный код замены) Крышка, Stop Переключатель Провод - Cover, Stop Switch Wire

под заказ480 руб.
963118-94300-000

Регулировочная шайба (0.3) - Shim (03) (Shim (13.2x31x0.3) ) (Shim (0.3))

4 шт370 руб.
963118-94310-000

Регулировочная шайба (0.5) - Shim (05) (Shim (0.5) ) (Shim (0.5))

14 шт570 руб.
1063121-96302-0ED

Крышка румпеля - Cover, Tiller Handle (Cover, tiller handle (gray) ) (Cover, Tiller Handle)

под заказ0 руб.
1163210-93E00-000

Рукоятка румпеля - Grip, Handle (Grip, Handle)

под заказ3390 руб.
1163210-93E30-000

   (актуальный код замены) Рукоятка румпеля - Grip, Handle

1 шт3390 руб.
1163210-93E30-000

Рукоятка румпеля - Grip, Handle (Grip, handle ) (Grip, Handle)

1 шт3390 руб.
1209404-06432-000

Струбцина (l: 65) - Clamp (l:65) (Clamp (l:80) ) (Clamp (l:65))

8 шт170 руб.
1209404-06039-000

   (актуальный код замены) Струбцина (l: 65) - Clamp (l:65)

под заказ170 руб.
1363220-96301-000

Тяга румпеля - Rod, Handle (<-63220-96300) (Rod, Handle)

под заказ2980 руб.
1363220-96302-000

   (актуальный код замены) Тяга румпеля - Rod, Handle

под заказ2980 руб.
1363220-96302-000

Тяга румпеля - Rod, Handle (Rod, Handle)

под заказ2980 руб.
13SK63220-96302

   (не оригинальный аналог) Вал румпеля Skipper для Suzuki DT9,9-DT40

0 шт1247 руб.
1463223-92D00-000

Стопор тяги румпеля - Stopper, Handle Rod (Stopper, handle rod ) (Stopper, Handle Rod)

под заказ430 руб.
1563225-93200-000

Втулка тяги румпеля - Bush, Handle Rod (Bush, handle rod ) (Bush, Handle Rod)

14 шт480 руб.
1663227-93200-000

Штифт, Handle Тяга - Pin, Handle Rod (Pin, handle rod ) (Pin, Handle Rod)

под заказ220 руб.
1763240-96300-000

Регулировка румпеля (комплект) Рукоятка - Adjuster Set, Handle Grip (Adjuster, handle grip ) (Adjuster Set, Handle Grip)

3 шт2490 руб.
1863610-94402-000

Тросик дросселя, в сборе - Cable Assy, Throttle (Cable Assy, Throttle)

под заказ1950 руб.
1863610-92L00-000

   (актуальный код замены) Тросик дросселя, в сборе - Cable Assy, Throttle

5 шт1950 руб.
18SK63610-94402

   (не оригинальный аналог) Трос румпеля Skipper для Suzuki DT40

0 шт398 руб.
18SC-CB025

   (не оригинальный аналог) Трос газа Suzuki SC-CB025

под заказ590 руб.
1863610-92L00-000

Тросик дросселя, в сборе - Cable Assy, Throttle (Cable Assy, Throttle)

5 шт1950 руб.
1963625-96300-000

Пыльник тросика дросселя - Grommet, Throttle Cable (Grommet, throttle cable ) (Grommet, Throttle Cable)

под заказ280 руб.
1963625-96301-000

   (актуальный код замены) Пыльник тросика дросселя - Grommet, Throttle Cable

под заказ280 руб.
2009108-08147-000

Болт под шпильку - Bolt, Stud (Stud bolt ) (Bolt, Stud)

под заказ3840 руб.
2109140-08016-000

Гайка - Nut (Nut)

под заказ190 руб.
2109140-08023-XC0

Гайка - Nut (Nut)

14 шт190 руб.
2209162-08007-000

Шайба с блокировкой - Washer, Lock (Lock washer ) (Washer, Lock)

под заказ160 руб.
2309163-06001-000

Шайба с блокировкой - Washer, Lock (Washer, Lock)

13 шт120 руб.
2409126-06006-000

Винт (6x20) - Screw (6x20) (Screw (6x20))

под заказ150 руб.
2509440-12027-000

Пружина - Spring (Spring)

12 шт170 руб.
2636360-94400-000

Lamp в сборе, Oil Level - Lamp Assy, Oil Level (Lamp assy, oil warning ) (Lamp Assy, Oil Level)

под заказ4010 руб.
2736365-94401-000

Запчасть снята с производства - The Spare Part Is Laid Off (The Spare Part Is Laid Off)

под заказ0 руб.
2837800-93954-000

Переключатель в сборе, Stop - Switch Assy, Stop (Switch assy, stop # <-37800-93953 ) (Switch Assy, Stop)

под заказ2760 руб.
2837800-93955-000

   (актуальный код замены) Переключатель в сборе, Stop - Switch Assy, Stop

под заказ2760 руб.
2909404-06432-000

Струбцина (l: 65) - Clamp (l:65) (Clamp (l:80) ) (Clamp (l:65))

8 шт170 руб.
2909404-06039-000

   (актуальный код замены) Струбцина (l: 65) - Clamp (l:65)

под заказ170 руб.
3063215-93400-000

Маркировка ручки румпеля - Mark, Handle Grip (Mark, handle grip # DT40C ) (Mark, Handle Grip)

1 шт290 руб.
3163215-93401-000

Маркировка, Handle - Mark, Handle (DT40W ) (Mark, Handle)

под заказ240 руб.
3263215-93450-000

Маркировка, Handle - Mark, Handle (DT40WK ) (Mark, Handle)

под заказ240 руб.


Время выполнения запроса 1.6434669494629 сек.

 
 

данный сайт носит информационный характер и не является публичной офертой

склад запчастей для водомоторной техники