Комплектующие на подвесной двигатель Suzuki модель 1995 года - Exhaust tube
вконтакте

Контактный телефон: +7 (981) 121-46-93, +7 (800) 200-90-76 , Email: parts-katalog@yandex.ru, где купить

 
 

  Логин:

Пароль:

Регистрация

www.partskatalog.ru Все каталоги Запчасти Mercury Запчасти Suzuki Запчасти Tohatsu Запчасти Honda Контакты



УВАЖАЕМЫЕ КЛИЕНТЫ!
C 19 ДЕКАБРЯ 2025 ПО 02 МАРТА 2026 ГОДА ОТДЕЛ ЗАПЧАСТЕЙ И СЕРВИС РАБОТАТЬ НЕ БУДУТ
ПРОДАЖА ЛОДОЧНЫХ МОТОРОВ В ШТАТНОМ РЕЖИМЕ
ОБ ИЗМЕНЕНИЯХ В ГРАФИКЕ РАБОТЫ ЧИТАЙТЕ НА САЙТА



назад Раздел:   вперёд

Вернуться к выбору узлов мотора


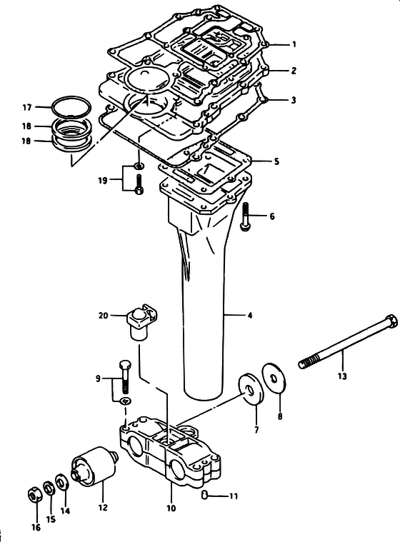
ДЕТАЛИРОВКА ДЛЯ МОДЕЛИ: SUZUKI DT40WK S

Выхлоп Трубка


Год выпуска двигателя: 1995

Номер на
рисунке
АртикулНаименованиеQTYКол-во
на складе
Цена
111433-94411-000

Прокладка нижнего корпуса сальника - Gasket, Under Oil Seal Hsg (<-11433-94402) (Gasket, Under Oil Seal Hsg)

под заказ3700 руб.
111433-94412-000

   (актуальный код замены) Прокладка нижнего корпуса сальника - Gasket, Under Oil Seal Hsg

15 шт4600 руб.
111433-94412-000

Прокладка нижнего корпуса сальника - Gasket, Under Oil Seal Hsg (Gasket, Under Oil Seal Hsg)

15 шт4600 руб.
1SK11433-94412

   (не оригинальный аналог) Прокладка под блок двигателя Skipper для Suzuki Модели техники: DT40

1 шт710 руб.
211431-94405-000

Корпус нижнего сальника - Housing, Under Oil Seal (<-11431-94404) (Housing, Under Oil Seal)

под заказ16370 руб.
211431-94406-000

   (актуальный код замены) Корпус нижнего сальника - Housing, Under Oil Seal

под заказ16370 руб.
211431-94406-000

Корпус нижнего сальника - Housing, Under Oil Seal (Housing, Under Oil Seal)

под заказ16370 руб.
311434-94411-000

Прокладка нижнего сальника под корпусом - Gskt, Under Oil Seal Hsg Lwr (Gasket, under oil seal lower # <-11434-94410 ) (Gskt, Under Oil Seal Hsg Lwr)

7 шт3000 руб.
3SK11434-94411

   (не оригинальный аналог) Прокладка проставки блока цилиндров Skipper для Suzuki Модели техники: DT40;DT40C

0 шт473 руб.
414211-94431-000

Запчасть снята с производства - The Spare Part Is Laid Off (L:325 DT40W MODEL:88~91) (The Spare Part Is Laid Off)

под заказ0 руб.
414211-94451-000

Выхлопная труба - Tube, Exhaust (Tube, exhaust (s/l) # L:300 ) (Tube, Exhaust)

под заказ10760 руб.
414211-94461-000

Выхлопная труба - Tube, Exhaust (Tube, exhaust (l2/ll/ul) # L:330 DT40W MODEL:92~99 DT40C MODEL:86~99 DT40TC MODEL:86~99 DT40RC MODEL:86~99 DT40WR MODEL:96~99 DT40WK MODEL:86~99 ) (Tube, Exhaust)

4 шт14260 руб.
514212-94411-000

Прокладка выхлопной трубы - Gasket, Exhaust Tube (<-14212-94400) (Gasket, Exhaust Tube)

под заказ580 руб.
514212-94413-000

   (актуальный код замены) Прокладка выхлопной трубы - Gasket, Exhaust Tube

6 шт640 руб.
514212-94413-000

Прокладка выхлопной трубы - Gasket, Exhaust Tube (Gasket, Exhaust Tube)

6 шт640 руб.
5SK14212-94413

   (не оригинальный аналог) Прокладка выхлопной трубы Skipper для Suzuki DT40

0 шт164 руб.
609103-06095-000

Болт, Выхлоп Трубка - Bolt, Exhaust Tube (Bolt, Exhaust Tube)

под заказ310 руб.
629103-94400-000

   (актуальный код замены) Болт, Выхлоп Трубка - Bolt, Exhaust Tube

под заказ310 руб.
629103-94400-000

Болт, Выхлоп Трубка - Bolt, Exhaust Tube (Bolt, Exhaust Tube)

под заказ310 руб.
754121-94400-000

Стопор, вышеr Thrust - Stopper, Upr Thrust (Stopper, upper thrust ) (Stopper, Upr Thrust)

под заказ460 руб.
754121-94401-000

Стопор, вышеr Thrust - Stopper, Upr Thrust (MODEL:99 ) (Stopper, Upr Thrust)

под заказ480 руб.
754121-94402-000

   (актуальный код замены) Спотор верхнего упора - Stopper, Upper Thrust

под заказ480 руб.
809160-10080-000

Шайба (10.2x44x3) - Washer (102x44x3) (Washer (10x44x3) ) (Washer (10.2x44x3))

под заказ390 руб.
909117-08038-000

Болт (8x45) - Bolt (8x45) (Bolt (8x45))

под заказ540 руб.
1054137-94400-000

(->54137-94401 USED WITH 54146-94400)

под заказнет сведений
1054146-94400-000

Направляющая, вышеr Крепёж корпуса - Guide, Upr Mount Case (Guide, upper mount case ) (Guide, Upr Mount Case)

под заказ580 руб.
1054137-94401-000

Запчасть снята с производства - The Spare Part Is Laid Off (MODEL:98, 99) (The Spare Part Is Laid Off)

под заказ0 руб.
1054137-94402-000

Корпус верхней опоры - Case, Upr Mount (MODEL:99) (Case, Upr Mount)

под заказ6240 руб.
1054137-92L10-000

   (актуальный код замены) Корпус верхней опоры - Case, Upr Mount

под заказ6240 руб.
1054137-92L00-000

Корпус верхней опоры - Case, Upr Mount (Case, Upr Mount)

под заказ6240 руб.
1054137-92L10-000

   (актуальный код замены) Корпус верхней опоры - Case, Upr Mount

под заказ6240 руб.
1109202-07001-000

Штифт (7x10) - Pin (7x10) (Pin, dowel ) (Pin (7x10))

под заказ160 руб.
1109202-07006-000

   (актуальный код замены) Штифт (7x10) - Pin (7x10)

под заказ160 руб.
1254100-94800-000

Крепление Set, вышеr - Mount Set, Upr (DT40C, 40TC, 40RC, TYPE S, L, L2 ) (Mount Set, Upr)

под заказ0 руб.
1254100-94810-000

Крепление Set, вышеr - Mount Set, Upr (DT40W, 40WK, 40WR ) (Mount Set, Upr)

под заказ0 руб.
1254130-94411-000

Крепление, вышеr - Mount, Upr (DT40W, 40WK, 40WR, MODEL:99) (Mount, Upr)

под заказ6680 руб.
1254130-92L00-000

   (актуальный код замены) Крепление, вышеr - Mount, Upr

под заказ6680 руб.
1254130-92L00-000

Крепление, вышеr - Mount, Upr (Mount, Upr)

под заказ6680 руб.
1309100-10217-000

Болт (10x150) - Bolt (10x150) (Bolt (10x150))

под заказ1870 руб.
1409160-10081-000

Шайба (10x20x3) - Washer (10x20x3) (Washer (10x20x3.0) ) (Washer (10x20x3))

под заказ240 руб.
1509160-10082-000

Шайба (10.5x19x2) - Washer (105x19x2) (Washer ) (Washer (10.5x19x2))

19 шт120 руб.
1609159-10050-000

Гайка - Nut (Nut)

8 шт250 руб.
1709280-50008-000

Уплотнительное кольцо (d: 3.1, Id: 49.4) - O Ring (d:31, Id:494) (O ring (id:49.4, od:3.10) ) (O Ring (d:3.1, Id:49.4))

8 шт220 руб.
1809282-17009-000

Сальник (17x28x6) - Seal, Oil (17x28x6) (Oil seal (17x28x6) # <-09282-17008 ) (Seal, Oil (17x28x6))

33 шт980 руб.
18SK09282-17009

   (не оригинальный аналог) Сальник ведущего вала Skipper для Suzuki Модели техники: DT40-65HP, DF25-50HP

0 шт150 руб.
1909116-06106-000

Болт (6x20) - Bolt (6x20) (<-09100-06122) (Bolt (6x20))

под заказ290 руб.
1909116-06204-000

   (актуальный код замены) Болт (6x20) - Bolt (6x20)

под заказ290 руб.
1909116-06204-000

Болт (6x20) - Bolt (6x20) (Bolt (6x20))

под заказ290 руб.
2054146-94400-000

Направляющая, вышеr Крепёж корпуса - Guide, Upr Mount Case (Guide, upper mount case # MODEL:98, 99 ) (Guide, Upr Mount Case)

под заказ580 руб.


Время выполнения запроса 1.8617470264435 сек.

 
 

данный сайт носит информационный характер и не является публичной офертой

склад запчастей для водомоторной техники