Запчасти на лодочный подвесной мотор Suzuki - Румпель
вконтакте

Контактный телефон: +7 (981) 121-46-93, +7 (800) 200-90-76 , Email: parts-katalog@yandex.ru, где купить

 
 

  Логин:

Пароль:

Регистрация

www.partskatalog.ru Все каталоги Запчасти Mercury Запчасти Suzuki Запчасти Tohatsu Запчасти Honda Контакты



УВАЖАЕМЫЕ КЛИЕНТЫ!
C 19 ДЕКАБРЯ 2025 ПО 02 МАРТА 2026 ГОДА ОТДЕЛ ЗАПЧАСТЕЙ И СЕРВИС РАБОТАТЬ НЕ БУДУТ
ПРОДАЖА ЛОДОЧНЫХ МОТОРОВ В ШТАТНОМ РЕЖИМЕ
ОБ ИЗМЕНЕНИЯХ В ГРАФИКЕ РАБОТЫ ЧИТАЙТЕ НА САЙТА



назад Раздел:   вперёд

Вернуться к выбору узлов мотора


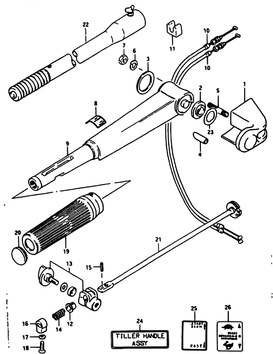
ДЕТАЛИРОВКА ДЛЯ МОДЕЛИ: SUZUKI DT40WK S

Румпель


Год выпуска двигателя: 1995

Номер на
рисунке
АртикулНаименованиеQTYКол-во
на складе
Цена
163121-96302-0ED

Крышка румпеля - Cover, Tiller Handle (Cover, tiller handle (gray) # <-63121-96302-02M <-63121-96302-01T ) (Cover, Tiller Handle)

под заказ0 руб.
263114-94300-000

Прокладка крышки румпеля - Spacer, Handle Cover (Spacer, handle cover ) (Spacer, Handle Cover)

под заказ680 руб.
263114-95L00-000

   (актуальный код замены) Прокладка крышки румпеля - Spacer, Handle Cover

7 шт800 руб.
363115-96310-000

Прокладка внутри крышки румпеля - Spacer, Handle Cover Inside (Spacer, handle cover inside # <-63115-96301 ) (Spacer, Handle Cover Inside)

5 шт690 руб.
463117-96300-000

Крышка, Stop Переключатель Провод - Cover, Stop Switch Wire (Cover, Stop Switch Wire)

под заказ480 руб.
463117-96302-000

   (актуальный код замены) Крышка, Stop Переключатель Провод - Cover, Stop Switch Wire

под заказ480 руб.
463117-96301-000

Крышка, Stop Переключатель Провод - Cover, Stop Switch Wire (Cover, stop switch wire ) (Cover, Stop Switch Wire)

под заказ480 руб.
463117-96302-000

   (актуальный код замены) Крышка, Stop Переключатель Провод - Cover, Stop Switch Wire

под заказ480 руб.
509108-08147-000

Болт под шпильку - Bolt, Stud (Stud bolt ) (Bolt, Stud)

под заказ3840 руб.
609162-08007-000

Шайба с блокировкой - Washer, Lock (Lock washer ) (Washer, Lock)

под заказ160 руб.
709140-08016-000

Гайка - Nut (Nut)

под заказ190 руб.
709140-08023-XC0

Гайка - Nut (Nut)

14 шт190 руб.
863215-93400-000

Маркировка ручки румпеля - Mark, Handle Grip (Mark, handle grip ) (Mark, Handle Grip)

1 шт290 руб.
963111-96313-0ED

Ручка румпеля (gray) - Handle, Tiller (gray) (<-63111-96312-0ED <-63111-96312-02M) (Handle, Tiller (gray))

под заказ0 руб.
963111-96332-0ED

   (актуальный код замены) Запчасть снята с производства - The Spare Part Is Laid Off

под заказ0 руб.
963111-96332-0ED

Ручка румпеля (gray) - Handle, Tiller (gray) (Handle, Tiller (gray))

под заказ0 руб.
1063610-94402-000

Тросик дросселя, в сборе - Cable Assy, Throttle (<-63610-94401) (Cable Assy, Throttle)

под заказ1950 руб.
1063610-92L00-000

   (актуальный код замены) Тросик дросселя, в сборе - Cable Assy, Throttle

5 шт1950 руб.
10SK63610-94402

   (не оригинальный аналог) Трос румпеля Skipper для Suzuki DT40

0 шт398 руб.
10SC-CB025

   (не оригинальный аналог) Трос газа Suzuki SC-CB025

под заказ590 руб.
1063610-92L00-000

Тросик дросселя, в сборе - Cable Assy, Throttle (Cable Assy, Throttle)

5 шт1950 руб.
1163627-94400-000

Направляющая, Тросик дросселя - Guide, Throttle Cable (Guide, throttle cable ) (Guide, Throttle Cable)

под заказ460 руб.
1263225-93200-000

Втулка тяги румпеля - Bush, Handle Rod (Bush, handle rod ) (Bush, Handle Rod)

14 шт480 руб.
1363240-96300-000

Регулировка румпеля (комплект) Рукоятка - Adjuster Set, Handle Grip (Adjuster, handle grip ) (Adjuster Set, Handle Grip)

3 шт2490 руб.
1409440-12027-000

Пружина - Spring (Spring)

12 шт170 руб.
1563227-93200-000

Штифт, Handle Тяга - Pin, Handle Rod (Pin, handle rod ) (Pin, Handle Rod)

под заказ220 руб.
1663223-89E00-000

Стопор тяги румпеля - Stopper, Handle Rod (DT40WK ) (Stopper, Handle Rod)

под заказ470 руб.
1663223-92D00-000

Стопор тяги румпеля - Stopper, Handle Rod (Stopper, handle rod # DT40C ) (Stopper, Handle Rod)

под заказ430 руб.
1709163-06001-000

Шайба с блокировкой - Washer, Lock (Washer, Lock)

13 шт120 руб.
1809126-06006-000

Винт (6x20) - Screw (6x20) (Screw (6x20))

под заказ150 руб.
1963210-93E00-000

Рукоятка румпеля - Grip, Handle (<-63210-93901) (Grip, Handle)

под заказ3390 руб.
1963210-93E30-000

   (актуальный код замены) Рукоятка румпеля - Grip, Handle

1 шт3390 руб.
1963210-93E30-000

Рукоятка румпеля - Grip, Handle (Grip, handle ) (Grip, Handle)

1 шт3390 руб.
2063213-94400-000

Колпачок, Stop Переключатель - Cap, Stop Switch (Cap, Stop Switch)

под заказ910 руб.
2163220-96301-000

Тяга румпеля - Rod, Handle (<-63220-96300) (Rod, Handle)

под заказ2980 руб.
2163220-96302-000

   (актуальный код замены) Тяга румпеля - Rod, Handle

под заказ2980 руб.
2163220-96302-000

Тяга румпеля - Rod, Handle (Rod, Handle)

под заказ2980 руб.
21SK63220-96302

   (не оригинальный аналог) Вал румпеля Skipper для Suzuki DT9,9-DT40

0 шт1247 руб.
2263300-93900-000

Запчасть снята с производства - The Spare Part Is Laid Off (OPT) (The Spare Part Is Laid Off)

под заказ0 руб.
2363118-94300-000

Регулировочная шайба (0.3) - Shim (03) (Shim (13.2x31x0.3) ) (Shim (0.3))

4 шт370 руб.
2363118-94310-000

Регулировочная шайба (0.5) - Shim (05) (Shim (0.5) # OPT ) (Shim (0.5))

14 шт570 руб.
2463001-94411-01T

(OPT, NOT SHOWN, MODEL:86, 87)

под заказ0 руб.
2463001-94411-02M

Запчасть снята с производства - The Spare Part Is Laid Off (OPT, NOT SHOWN, MODEL:86, 87) (The Spare Part Is Laid Off)

под заказ0 руб.
2463001-94431-0ED

Запчасть снята с производства - The Spare Part Is Laid Off (OPT NOT SHOWN DT40C/MODEL:88~92) (The Spare Part Is Laid Off)

под заказ0 руб.
2463001-94451-0ED

Запчасть снята с производства - The Spare Part Is Laid Off (OPT NOT SHOWN DT40W DT40WK MODEL:88~92 <-63001-94450-0ED) (The Spare Part Is Laid Off)

под заказ0 руб.
2563215-93450-000

Маркировка, Handle - Mark, Handle (DT40WK ) (Mark, Handle)

под заказ240 руб.
2663215-93401-000

Маркировка, Handle - Mark, Handle (DT40W ) (Mark, Handle)

под заказ240 руб.


Время выполнения запроса 0.97062206268311 сек.

 
 

данный сайт носит информационный характер и не является публичной офертой

склад запчастей для водомоторной техники