Оригинальные запчасти на подвесной двигатель Suzuki - Optional:tiller handle - Опции: Румпель
вконтакте

Контактный телефон: +7 (981) 121-46-93, +7 (800) 200-90-76 , Email: parts-katalog@yandex.ru, где купить

 
 

  Логин:

Пароль:

Регистрация

www.partskatalog.ru Все каталоги Запчасти Mercury Запчасти Suzuki Запчасти Tohatsu Запчасти Honda Контакты

назад Раздел:   вперёд

Вернуться к выбору узлов мотора


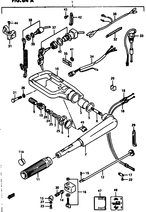
ДЕТАЛИРОВКА ДЛЯ МОДЕЛИ: SUZUKI DT40WK S

Опции: Румпель


Год выпуска двигателя: 1995

Номер на
рисунке
АртикулНаименованиеQTYКол-во
на складе
Цена
163001-97E02-0ED

Запчасть снята с производства - The Spare Part Is Laid Off (<-63001-97E01-0ED) (The Spare Part Is Laid Off)

под заказ0 руб.
163001-97E07-0ED

   (актуальный код замены) Запчасть снята с производства - The Spare Part Is Laid Off

под заказ0 руб.
163001-97E07-0ED

Запчасть снята с производства - The Spare Part Is Laid Off (The Spare Part Is Laid Off)

под заказ0 руб.
263111-97E02-0ED

(->63111-97E03-0ED USED WITH 63117-97E01)

под заказнет сведений
263111-97E05-0ED

Ручка румпеля (gray) - Handle, Tiller (gray) (Handle, Tiller (gray))

под заказ0 руб.
263117-97E01-000

Шайба, Румпель №2 - Washer, Tiller Handle No2 (Washer, tiller handle no.2 ) (Washer, Tiller Handle No.2)

под заказ990 руб.
263111-97E03-0ED

Ручка румпеля (gray) - Handle, Tiller (gray) (MODEL:97~99) (Handle, Tiller (gray))

под заказ0 руб.
263111-97E05-0ED

   (актуальный код замены) Запчасть снята с производства - The Spare Part Is Laid Off

под заказ0 руб.
263111-97E05-0ED

Ручка румпеля (gray) - Handle, Tiller (gray) (Handle, Tiller (gray))

под заказ0 руб.
363115-97E00-000

Втулка ручки румпеля - Bush, Tiller Handle (Bush, tiller handle ) (Bush, Tiller Handle)

под заказ500 руб.
463116-97E00-000

Шайба, Румпель №1 - Washer, Tiller Handle No1 (Washer, tiller handle no.1 ) (Washer, Tiller Handle No.1)

под заказ1080 руб.
563117-97E01-000

Шайба, Румпель №2 - Washer, Tiller Handle No2 (Washer, tiller handle no.2 # <-63117-97E00 ) (Washer, Tiller Handle No.2)

под заказ990 руб.
663125-97E01-000

Пластина, Румпель - Plate, Tiller Handle (Plate, tiller handle ) (Plate, Tiller Handle)

под заказ1380 руб.
763126-97E00-000

Пружина, Handle Шпилька - Spring, Handle Stud (Spring, Handle Stud)

под заказ1050 руб.
763126-97E01-000

   (актуальный код замены) Пружина, Handle Шпилька - Spring, Handle Stud

под заказ1050 руб.
763126-97E01-000

Пружина, Handle Шпилька - Spring, Handle Stud (Spring, Handle Stud)

под заказ1050 руб.
863127-97E00-000

Болт под шпильку - Bolt, Stud (Bolt, Stud)

под заказ2360 руб.
809108-10137-000

   (актуальный код замены) Болт под шпильку - Bolt, Stud

под заказ2360 руб.
809108-10137-000

Болт под шпильку - Bolt, Stud (Bolt, Stud)

под заказ2360 руб.
963128-97E00-000

Крышка, Handle Гайка - Cover, Handle Nut (Cover, handle nut ) (Cover, Handle Nut)

под заказ370 руб.
1063131-97E02-0ED

Кронштейн рукоятки румпеля - Bracket, Tiller Handle (Bracket, Tiller Handle)

под заказ0 руб.
1063131-97E03-0ED

   (актуальный код замены) Запчасть снята с производства - The Spare Part Is Laid Off

под заказ0 руб.
1063131-97E03-0ED

Кронштейн рукоятки румпеля - Bracket, Tiller Handle (Bracket, Tiller Handle)

под заказ0 руб.
1163210-93E00-000

Рукоятка румпеля - Grip, Handle (Grip, Handle)

под заказ3390 руб.
1163210-93E30-000

   (актуальный код замены) Рукоятка румпеля - Grip, Handle

1 шт3390 руб.
1163210-93E30-000

Рукоятка румпеля - Grip, Handle (Grip, handle ) (Grip, Handle)

1 шт3390 руб.
1163213-94400-000

Колпачок, Stop Переключатель - Cap, Stop Switch (Cap, Stop Switch)

под заказ910 руб.
1263220-96301-000

Тяга румпеля - Rod, Handle (<-63220-96300) (Rod, Handle)

под заказ2980 руб.
1263220-96302-000

   (актуальный код замены) Тяга румпеля - Rod, Handle

под заказ2980 руб.
1263220-96302-000

Тяга румпеля - Rod, Handle (Rod, Handle)

под заказ2980 руб.
12SK63220-96302

   (не оригинальный аналог) Вал румпеля Skipper для Suzuki DT9,9-DT40

0 шт1247 руб.
1363223-92D00-000

Стопор тяги румпеля - Stopper, Handle Rod (Stopper, handle rod ) (Stopper, Handle Rod)

под заказ430 руб.
1463225-93200-000

Втулка тяги румпеля - Bush, Handle Rod (Bush, handle rod ) (Bush, Handle Rod)

16 шт480 руб.
1563227-93200-000

Штифт, Handle Тяга - Pin, Handle Rod (Pin, handle rod ) (Pin, Handle Rod)

под заказ220 руб.
1663240-97E00-000

Регулировка румпеля (комплект) Рукоятка - Adjuster Set, Handle Grip (Adjuster Set, Handle Grip)

под заказ2600 руб.
1663240-97E20-000

   (актуальный код замены) Регулировка румпеля (комплект) Рукоятка - Adjuster Set, Handle Grip

под заказ2600 руб.
1663240-97E20-000

Регулировка румпеля (комплект) Рукоятка - Adjuster Set, Handle Grip (Adjuster Set, Handle Grip)

под заказ2600 руб.
1763241-92D00-000

Опора тяги румпеля - Support, Handle Rod (Support, handle rod ) (Support, Handle Rod)

под заказ380 руб.
1863610-94402-000

Тросик дросселя, в сборе - Cable Assy, Throttle (Cable Assy, Throttle)

под заказ1950 руб.
1863610-92L00-000

   (актуальный код замены) Тросик дросселя, в сборе - Cable Assy, Throttle

5 шт1950 руб.
18SK63610-94402

   (не оригинальный аналог) Трос румпеля Skipper для Suzuki DT40

0 шт398 руб.
18SC-CB025

   (не оригинальный аналог) Трос газа Suzuki SC-CB025

под заказ590 руб.
1863610-92L00-000

Тросик дросселя, в сборе - Cable Assy, Throttle (Cable Assy, Throttle)

5 шт1950 руб.
1963625-96300-000

Пыльник тросика дросселя - Grommet, Throttle Cable (Grommet, throttle cable # <-63625-94420 ) (Grommet, Throttle Cable)

под заказ280 руб.
1963625-96301-000

   (актуальный код замены) Пыльник тросика дросселя - Grommet, Throttle Cable

под заказ280 руб.
2063627-94400-000

Направляющая, Тросик дросселя - Guide, Throttle Cable (Guide, throttle cable ) (Guide, Throttle Cable)

под заказ460 руб.
2109100-10155-000

Болт (10x50) - Bolt (10x50) (Bolt (10x50) ) (Bolt (10x50))

под заказ520 руб.
2209125-05046-000

Винт (5x12) - Screw (5x12) (Screw (5x12) ) (Screw (5x12))

под заказ150 руб.
2309126-06015-000

Винт (6x23) - Screw (6x23) (Screw (6x23))

6 шт190 руб.
2409159-10050-000

Гайка - Nut (Nut)

8 шт250 руб.
2509160-10082-000

Шайба (10.5x19x2) - Washer (105x19x2) (Washer ) (Washer (10.5x19x2))

19 шт120 руб.
2609162-10005-000

Шайба с блокировкой - Washer, Lock (Lock washer ) (Washer, Lock)

под заказ130 руб.
2709163-06001-000

Шайба с блокировкой - Washer, Lock (Washer, Lock)

13 шт120 руб.
2809204-01002-000

Штифт - Pin (Cotter pin ) (Pin)

24 шт140 руб.
2909404-06433-000

Струбцина (l: 80) - Clamp (l:80) (Clamp (l:80) ) (Clamp (l:80))

под заказ230 руб.
2909404-06436-000

   (актуальный код замены) Струбцина (l: 80) - Clamp (l:80)

под заказ230 руб.
3009440-12027-000

Пружина - Spring (Spring)

12 шт170 руб.
3133816-94400-000

Запчасть снята с производства - The Spare Part Is Laid Off (The Spare Part Is Laid Off)

под заказ0 руб.
3133816-96300-000

Зажим кабеля - Clamp, Cable (Clamp, cable # MODEL:96~99 ) (Clamp, Cable)

под заказ520 руб.
3238423-95510-000

Трубка провода переключателя (l: 250) - Tube, Switch Lead (l:250) (L:150->100) (Tube, Switch Lead (l:250))

под заказ610 руб.
3233833-91J00-000

   (актуальный код замены) Трубка провода переключателя (l: 250) - Tube, Switch Lead (l:250)

под заказ610 руб.
3233833-91J00-000

Трубка провода переключателя (l: 250) - Tube, Switch Lead (l:250) (Tube, Switch Lead (l:250))

под заказ610 руб.
3334860-94402-000

Переключатель в сборе, Oil Level - Switch Assy, Oil Level (Switch assy, oil level ) (Switch Assy, Oil Level)

под заказ3170 руб.
3436360-94400-000

Lamp в сборе, Oil Level - Lamp Assy, Oil Level (Lamp assy, oil warning ) (Lamp Assy, Oil Level)

под заказ4010 руб.
3536367-95D10-064

Наклейка - масло & Water Lamp - Label, Oil & Water Lamp (Label, oil/heat # <-36367-94410-064 ) (Label, Oil & Water Lamp)

под заказ300 руб.
3636893-94410-000

Провод в сборе, Ign Sw Удлинитель - Wire Assy, Ign Sw Extension (Wire, ign sw extension ) (Wire Assy, Ign Sw Extension)

под заказ4850 руб.
3737110-94461-000

Выключатель зажигания - Switch Assy, Ignition (<-37110-94460) (Switch Assy, Ignition)

под заказ11620 руб.
3737110-94472-000

   (актуальный код замены) Выключатель зажигания - Switch Assy, Ignition

под заказ11620 руб.
3737110-94471-000

Выключатель зажигания - Switch Assy, Ignition (Switch Assy, Ignition)

под заказ11620 руб.
3737110-94472-000

   (актуальный код замены) Выключатель зажигания - Switch Assy, Ignition

под заказ11620 руб.
3837820-92E00-000

Аварийный выключатель, в сборе - Switch Assy, Emergency (Switch Assy, Emergency)

под заказ4710 руб.
3837820-92E05-000

   (актуальный код замены) Аварийный выключатель, в сборе - Switch Assy, Emergency

1 шт4710 руб.
3837820-92E04-000

Аварийный выключатель, в сборе - Switch Assy, Emergency (Switch Assy, Emergency)

под заказ4710 руб.
3837820-92E05-000

   (актуальный код замены) Аварийный выключатель, в сборе - Switch Assy, Emergency

1 шт4710 руб.
3909160-12067-000

Шайба (12.5x23x1) - Washer (125x23x1) (Washer, emergency sw ) (Washer (12.5x23x1))

8 шт230 руб.
4009160-25069-000

Шайба (25x40x1.1) - Washer (25x40x11) (Washer, ignition sw ) (Washer (25x40x1.1))

под заказ370 руб.
4109320-11004-000

Подушка - Cushion (Cushion)

под заказ160 руб.
4209404-06432-000

Струбцина (l: 65) - Clamp (l:65) (Clamp (l:80) ) (Clamp (l:65))

8 шт170 руб.
4209404-06039-000

   (актуальный код замены) Струбцина (l: 65) - Clamp (l:65)

под заказ170 руб.
4302142-06127-000

Винт - Screw (Screw)

под заказ110 руб.
4403242-06253-000

Винт - Screw (Screw)

под заказ150 руб.
4403241-0625A-000

   (актуальный код замены) Винт - Screw

под заказ150 руб.
4403241-0625A-000

Винт - Screw (Screw)

под заказ150 руб.
4563215-93400-000

Маркировка ручки румпеля - Mark, Handle Grip (Mark, handle grip # DT40C ) (Mark, Handle Grip)

1 шт290 руб.
4663215-93401-000

Маркировка, Handle - Mark, Handle (DT40W ) (Mark, Handle)

под заказ240 руб.
4763215-93450-000

Маркировка, Handle - Mark, Handle (DT40WK ) (Mark, Handle)

под заказ240 руб.


Время выполнения запроса 1.454803943634 сек.

 
 

данный сайт носит информационный характер и не является публичной офертой

склад запчастей для водомоторной техники