Купить оригинальные запчасти на подвесной двигатель SUZUKI DT40CS/L/L2 - Electrical
вконтакте

Контактный телефон: +7 (981) 121-46-93, +7 (800) 200-90-76 , Email: parts-katalog@yandex.ru, где купить

 
 

  Логин:

Пароль:

Регистрация

www.partskatalog.ru Все каталоги Запчасти Mercury Запчасти Suzuki Запчасти Tohatsu Запчасти Honda Контакты



УВАЖАЕМЫЕ КЛИЕНТЫ!
C 19 ДЕКАБРЯ 2025 ПО 02 МАРТА 2026 ГОДА ОТДЕЛ ЗАПЧАСТЕЙ И СЕРВИС РАБОТАТЬ НЕ БУДУТ
ПРОДАЖА ЛОДОЧНЫХ МОТОРОВ В ШТАТНОМ РЕЖИМЕ
ОБ ИЗМЕНЕНИЯХ В ГРАФИКЕ РАБОТЫ ЧИТАЙТЕ НА САЙТА



назад Раздел:   вперёд

Вернуться к выбору узлов мотора


ДЕТАЛИРОВКА ДЛЯ МОДЕЛИ: SUZUKI DT40CT T

Электрика


Код модели двигателя: DT40CS/L/L2

Год выпуска двигателя: 1996

Цвет: California Gray Metallic

Номер на
рисунке
АртикулНаименованиеQTYКол-во
на складе
Цена
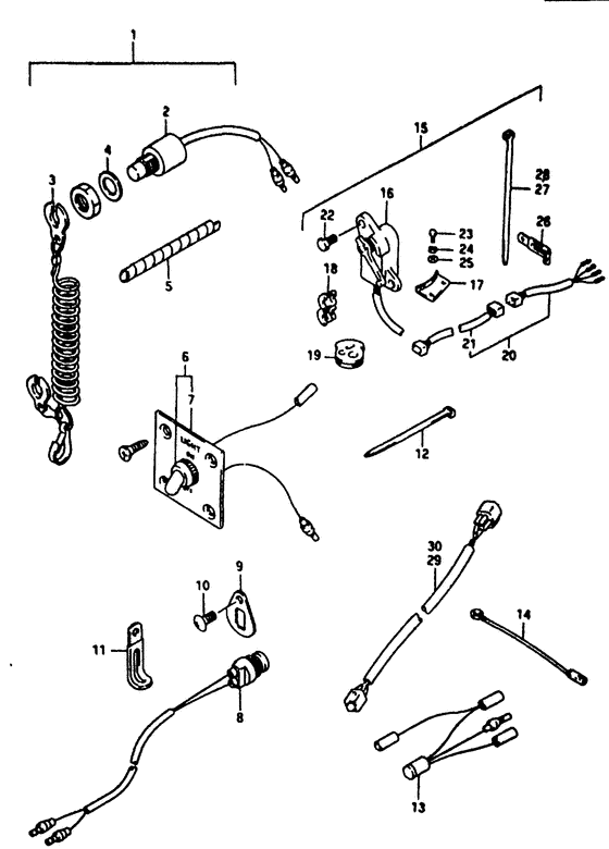
137802-95D20-000

Переключатель Set, Emergency & Stop - Switch Set, Emergency & Stop (Switch Set, Emergency & Stop)

под заказ0 руб.
137802-95D21-000

   (актуальный код замены) Запчасть снята с производства - The Spare Part Is Laid Off

под заказ0 руб.
237830-95D00-000

Выключатель аварийной остановки двигателя - Switch Assy, Emergency & Stop (Switch Assy, Emergency & Stop)

под заказ6340 руб.
237830-95D04-000

   (актуальный код замены) Выключатель аварийной остановки двигателя - Switch Assy, Emergency & Stop

под заказ6340 руб.
237830-95D03-000

Выключатель аварийной остановки двигателя - Switch Assy, Emergency & Stop (Switch Assy, Emergency & Stop)

2 шт6340 руб.
237830-95D04-000

   (актуальный код замены) Выключатель аварийной остановки двигателя - Switch Assy, Emergency & Stop

под заказ6340 руб.
337823-92E00-000

Пластина блокировки аварийного выключателя - Plate Assy, Emergency Sw Lock (Plate, lock;) (Plate Assy, Emergency Sw Lock)

под заказ2570 руб.
337823-92E02-000

   (актуальный код замены) Пластина блокировки аварийного выключателя - Plate Assy, Emergency Sw Lock

3 шт2770 руб.
337823-92E01-000

Пластина блокировки аварийного выключателя - Plate Assy, Emergency Sw Lock (Plate Assy, Emergency Sw Lock)

под заказ2570 руб.
337823-92E02-000

   (актуальный код замены) Пластина блокировки аварийного выключателя - Plate Assy, Emergency Sw Lock

3 шт2770 руб.
409160-12067-000

Шайба (12.5x23x1) - Washer (125x23x1) (Washer, emergency sw # Washer; ) (Washer (12.5x23x1))

8 шт230 руб.
409160-12057-000

Шайба (12.5x18x1.8) - Washer (125x18x18) (Washer (12.5x18x1.8))

под заказ190 руб.
409160-12087-000

   (актуальный код замены) Шайба (12.5x18x1.8) - Washer (12.5x18x1.8)

под заказ190 руб.
409160-12087-000

Шайба (12.5x18x1.8) - Washer (125x18x18) (Washer (12.5x18x1.8))

под заказ190 руб.
538423-95510-000

Трубка провода переключателя (l: 250) - Tube, Switch Lead (l:250) (Tube (l:150); L:150->100) (Tube, Switch Lead (l:250))

под заказ610 руб.
533833-91J00-000

   (актуальный код замены) Трубка провода переключателя (l: 250) - Tube, Switch Lead (l:250)

под заказ610 руб.
533833-91J00-000

Трубка провода переключателя (l: 250) - Tube, Switch Lead (l:250) (Tube, Switch Lead (l:250))

под заказ610 руб.
637210-92E00-000

Панель выключателя освещения, в сбореitch - Panel Assy, Lighting Switch (Panel Assy, Lighting Switch)

под заказ9750 руб.
637210-93J00-000

   (актуальный код замены) Панель выключателя освещения, в сбореitch - Panel Assy, Lighting Switch

под заказ9750 руб.
637210-93J00-000

Панель выключателя освещения, в сбореitch - Panel Assy, Lighting Switch (Panel Assy, Lighting Switch)

под заказ9750 руб.
737212-92E00-000

Запчасть снята с производства - The Spare Part Is Laid Off (The Spare Part Is Laid Off)

под заказ0 руб.
834850-94600-000

Датчик перегрева - Sensor Assy, Heat (Std:dt40tc, rc) (Sensor Assy, Heat)

под заказ9220 руб.
834850-94610-000

   (актуальный код замены) Датчик перегрева - Sensor Assy, Heat

под заказ9220 руб.
834850-94610-000

Датчик перегрева - Sensor Assy, Heat (Sensor Assy, Heat)

под заказ9220 руб.
934853-94700-000

Sвышеporter, Датчик температуры двигателя - Supporter, Engine Temp Sensor (Suporter, engine temp # Supporter, heat sensor; Std:dt40tc, rc ) (Supporter, Engine Temp Sensor)

под заказ350 руб.
1009125-06069-000

Винт (6x12) - Screw (6x12) (Screws; Std:dt40tc, rc ) (Screw (6x12))

под заказ180 руб.
1109404-06432-000

Струбцина (l: 65) - Clamp (l:65) (Clamp (l:80) ) (Clamp (l:65))

8 шт170 руб.
1109404-06039-000

   (актуальный код замены) Струбцина (l: 65) - Clamp (l:65)

под заказ170 руб.
1234863-94510-000

Трубка провода переключателя (l: 250) - Tube, Switch Lead (l:250) (Std:dt40tc, rc) (Tube, Switch Lead (l:250))

под заказ610 руб.
1233833-91J00-000

   (актуальный код замены) Трубка провода переключателя (l: 250) - Tube, Switch Lead (l:250)

под заказ610 руб.
1233833-91J00-000

Трубка провода переключателя (l: 250) - Tube, Switch Lead (l:250) (Tube, Switch Lead (l:250))

под заказ610 руб.
1332815-94400-000

Diode, Heat Датчик - Diode, Heat Sensor (Model:93~99, std:dt40tc, rc ) (Diode, Heat Sensor)

под заказ0 руб.
1437801-98300-000

Провод выключателя двигателя - Lead, Stop Switch (Lead, rect & reg gnd # Lead, heat snsr ground; ) (Lead, Stop Switch)

под заказ320 руб.
1437801-98301-000

   (актуальный код замены) Провод выключателя двигателя - Lead, Stop Switch

под заказ320 руб.
1534804-94701-000

Запчасть снята с производства - The Spare Part Is Laid Off (The Spare Part Is Laid Off)

1 шт0 руб.
1634801-94700-000

Запчасть снята с производства - The Spare Part Is Laid Off (The Spare Part Is Laid Off)

под заказ0 руб.
1734802-95301-000

Соединитель, Ptt - Attachment, Ptt (Attachment, Ptt)

под заказ0 руб.
1734802-95302-000

   (актуальный код замены) Запчасть снята с производства - The Spare Part Is Laid Off

под заказ0 руб.
1734802-95302-000

Соединитель, Ptt - Attachment, Ptt (Attachment, trim sender ) (Attachment, Ptt)

под заказ0 руб.
1834803-94500-000

Пыльник, Датчик трима Reed - Grommet, Trim Sender Reed (Grommet, sender lead # Grommet, sender lead; ) (Grommet, Trim Sender Reed)

под заказ0 руб.
1936658-95600-000

Пыльник, Прибор & Sw Кабели - Grommet, Meter & Sw Cable (Grommet, trim sender wire; ) (Grommet, Meter & Sw Cable)

под заказ0 руб.
2036680-92E00-000

Провод, Прибор Ext / adp (l: 7000) - Wire, Meter Ext/adp (l:7000) (Wire assy, trim meter ext # Wire assy, trim meter ext & adp; ) (Wire, Meter Ext/adp (l:7000))

под заказ0 руб.
2136682-92E00-000

Провод указателя трима (l: 6500) - Wire, Trim Meter Ext (l:6500) (Wire, trim gauge ext # Wire, trim meter; ) (Wire, Trim Meter Ext (l:6500))

2 шт10800 руб.
2209100-06113-000

Болт (6x16) - Bolt (6x16) (Bolt (6x16))

под заказ140 руб.
2309100-06131-000

Болт (6x12) - Bolt (6x12) (Bolt (6x12); ) (Bolt (6x12))

под заказ160 руб.
2409160-06082-000

Шайба (6.5x13x1.0) - Washer (65x13x10) (Washer (6.5x13x1.0))

7 шт150 руб.
2509162-06006-000

Шайба с блокировкой - Washer, Lock (Lock washer # Washer, lock; ) (Washer, Lock)

под заказ160 руб.
2609404-06432-000

Струбцина (l: 65) - Clamp (l:65) (Clamp (l:80) ) (Clamp (l:65))

8 шт170 руб.
2609404-06039-000

   (актуальный код замены) Струбцина (l: 65) - Clamp (l:65)

под заказ170 руб.
2709407-14407-000

Струбцина (l: 145) - Clamp (l:145) (Band # Clamp; ) (Clamp (l:145))

9 шт230 руб.
2809407-14403-000

Струбцина (l: 125) - Clamp (l:125) (Clamp, spark plug cap ) (Clamp (l:125))

под заказ170 руб.
2936660-94400-000

Удлинитель провода датчиков (l: 6500) - Wire, Sender Ext (l:6500) (Wire, sender ext l # Wire, sender ext l; ) (Wire, Sender Ext (l:6500))

под заказ0 руб.
3036660-94480-000

Удлинитель провода датчиков (l: 2000) - Wire, Sender Ext (l:2000) (Wire, sender ext s # Wire, sender ext s; ) (Wire, Sender Ext (l:2000))

под заказ7490 руб.


Время выполнения запроса 3.0990371704102 сек.

 
 

данный сайт носит информационный характер и не является публичной офертой

склад запчастей для водомоторной техники