УВАЖАЕМЫЕ КЛИЕНТЫ! C 19 ДЕКАБРЯ 2025 ПО 02 МАРТА 2026 ГОДА ОТДЕЛ ЗАПЧАСТЕЙ И СЕРВИС РАБОТАТЬ НЕ БУДУТ ПРОДАЖА ЛОДОЧНЫХ МОТОРОВ В ШТАТНОМ РЕЖИМЕ ОБ ИЗМЕНЕНИЯХ В ГРАФИКЕ РАБОТЫ ЧИТАЙТЕ НА САЙТА
Раздел:
Catalog preface - Каталог
Catalog preface - Каталог
Cylinder - Цилиндр
Crankshaft - Коленвал
Inlet case - вход case
Carburetor - Карбюратор для Dt40c
Carburetor - Карбюратор для Dt40w
Carburetor - Карбюратор для Dt40wk
Oil seal housing - Корпус сальника
Exhaust tube - Выхлоп Трубка
Fuel pump - Топливный насос для Dt40c
Fuel pump - Топливный насос для Dt40c
Fuel pump - Топливный насос для Dt40wk
Oil pump - Масляный насос для Dt40c
Oil pump - Масляный насос для Dt40c
Water pump - Водяной насос
Recoil starter - Барабанный стартер для ~model: 91
Recoil starter - Барабанный стартер для Model: 92~99
Throttle control - Управление дросселем для Dt40c
Throttle control - Управление дросселем для Dt40w
Throttle control - Управление дросселем для Dt40wk
Clutch - Сцепление
Transmission - Трансмиссия
Starting motor - Двигатель электростартера
Magneto - Магнето
Ignition - Ignition для ~model: 95
Ignition - Ignition для Model: 96~99
Electrical - Электрика
Ignition switch - Ignition Переключатель
Ignition switch - Ignition Переключатель для Model: 93~99
Ptt relay - Реле двигателя гидроподъёма для Dt40tc
Clamp bracket - Кронштейн транца для Dt40c
Clamp bracket - Кронштейн транца для Dt40w
Clamp bracket - Кронштейн транца для Dt40tc model: 94~99
Swivel bracket - Поворотный кронштейн для Dt40c
Swivel bracket - Поворотный кронштейн для Dt40w
Swivel bracket - Поворотный кронштейн для Dt40c
Swivel bracket - Поворотный кронштейн для Dt40tc model: 94~95
Swivel bracket - Поворотный кронштейн для Dt40tc model: 96~99
Tilt cylinder & support - Цилиндр наклона & sвышеport для Dt40tc ~model: 93
Power unit - Power unit для Dt40tc/model 86~89
Power unit - Power unit для Dt40tc/model: 90~93
Power trim & tilt - Механизированный дифферент наклона для Model: 94~99
Power trim & tilt motor - Механизированный дифферент наклона для Model: 94~99
Drive shaft housing - Корпус вала передачи
Gear case - Картер коробки передач
Lower cover - Нижняя часть корпуса
Lower cover - Нижняя часть корпуса для Model: 97~99
Engine cover - Крышка двигателя (капот) для Dt40c/model: 86
Engine cover - Крышка двигателя (капот) для Dt40c/model: 87
Engine cover - Крышка двигателя (капот) для Dt40c/model: 89~93
Engine cover - Крышка двигателя (капот) для Dt40c
Engine cover - Крышка двигателя (капот) для Dt40c
Engine cover - Крышка двигателя (капот) для Dt40w/model: 88
Engine cover - Крышка двигателя (капот) для Dt40w
Engine cover - Крышка двигателя (капот) для Dt40w
Engine cover - Крышка двигателя (капот) для Dt40w
Tiller handle - Румпель
Tiller handle - Румпель для Model: 93~99
Fuel tank - Топливный бак для Dt40c/model: 86
Fuel tank - Топливный бак для Dt40c
Fuel tank - Топливный бак для Dt40wk/gasoline
Fuel tank - Топливный бак для Dt40wk/plastic/12l
Fuel tank - Топливный бак для Dt40wk/kerosene
Fuel tank - Топливный бак для Plastic/25l
Fuel tank - Топливный бак для Dt40c/model: 87/e6
Fuel tank - Топливный бак для Model: 86/e28
Fuel tank - Топливный бак для Model: 87~92/e28
Oil tank - Масляный бак для Dt40c
Remote control - Дистанционное управление
Remote control - Дистанционное управление для Model: 93~99
Electrical - Электрика для Optional;
Electrical - Электрика для Optional;
Meter - Прибор для Optional;
Electrical - Электрика для Optional; electric starter
Electrical - Электрика для Optional; manual starter
Electrical - Электрика для Optional;
Remote control - Дистанционное управление для Optional;
Tiller handle - Румпель для Optional; model: 86~92
Tiller handle - Румпель для Optional; model: 93~99
Remo-con parts - Remo-con parts для Optional;
Gasket set - Комплект прокладок для Optional;
Optional - Опции
Вернуться к выбору узлов мотора
ДЕТАЛИРОВКА ДЛЯ МОДЕЛИ: SUZUKI DT40WRT T
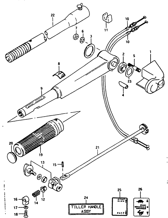
Румпель
Код модели двигателя: DT40W(R)S/L/LL/L2/UL;DT40WK(R)S/L/LL/L2/UL;
Год выпуска двигателя: 1996
Регион: General Export No.1 ,Код региона: P01
Цвет: California Gray Metallic
Номер на рисунке Артикул Наименование QTY Кол-во на складе Цена
1 63121-96302-0ED Крышка румпеля - Cover, Tiller Handle (Cover, tiller handle (gray) # Cover, tiller handle (gray); ) (Cover, Tiller Handle )
под заказ 0 руб.
2 63114-94300-000 Прокладка крышки румпеля - Spacer, Handle Cover (Spacer, handle cover # Spacer, handle cover; ) (Spacer, Handle Cover )
под заказ 680 руб.
2 63114-95L00-000 (актуальный код замены) Прокладка крышки румпеля - Spacer, Handle Cover
7 шт 800 руб.
3 63115-96310-000 Прокладка внутри крышки румпеля - Spacer, Handle Cover Inside (Spacer, handle cover inside ) (Spacer, Handle Cover Inside )
5 шт 690 руб.
4 63117-96300-000 Крышка, Stop Переключатель Провод - Cover, Stop Switch Wire (Cover, Stop Switch Wire )
под заказ 480 руб.
4 63117-96302-000 (актуальный код замены) Крышка, Stop Переключатель Провод - Cover, Stop Switch Wire
под заказ 480 руб.
4 63117-96301-000 Крышка, Stop Переключатель Провод - Cover, Stop Switch Wire (Cover, stop switch wire ) (Cover, Stop Switch Wire )
под заказ 480 руб.
4 63117-96302-000 (актуальный код замены) Крышка, Stop Переключатель Провод - Cover, Stop Switch Wire
под заказ 480 руб.
5 09108-08147-000 Болт под шпильку - Bolt, Stud (Stud bolt # Stud bolt; ) (Bolt, Stud )
под заказ 3840 руб.
6 09162-08007-000 Шайба с блокировкой - Washer, Lock (Lock washer ) (Washer, Lock )
под заказ 160 руб.
7 09140-08016-000 Гайка - Nut (Nut )
под заказ 190 руб.
7 09140-08023-XC0 Гайка - Nut (Nut )
14 шт 190 руб.
8 63215-93400-000 Маркировка ручки румпеля - Mark, Handle Grip (Mark, handle grip # Mark, handle grip; ) (Mark, Handle Grip )
1 шт 290 руб.
9 63111-96313-0ED Ручка румпеля (gray) - Handle, Tiller (gray) (Handle, Tiller (gray) )
под заказ 0 руб.
9 63111-96332-0ED (актуальный код замены) Запчасть снята с производства - The Spare Part Is Laid Off
под заказ 0 руб.
9 63111-96332-0ED Ручка румпеля (gray) - Handle, Tiller (gray) (Handle, Tiller (gray) )
под заказ 0 руб.
10 63610-94402-000 Тросик дросселя, в сборе - Cable Assy, Throttle (Cable Assy, Throttle )
под заказ 1950 руб.
10 63610-92L00-000 (актуальный код замены) Тросик дросселя, в сборе - Cable Assy, Throttle
5 шт 1950 руб.
10 SK63610-94402 (не оригинальный аналог) Трос румпеля Skipper для Suzuki DT40
0 шт 398 руб.
10 SC-CB025 (не оригинальный аналог) Трос газа Suzuki SC-CB025
под заказ 590 руб.
10 63610-92L00-000 Тросик дросселя, в сборе - Cable Assy, Throttle (Cable Assy, Throttle )
5 шт 1950 руб.
11 63627-94400-000 Направляющая, Тросик дросселя - Guide, Throttle Cable (Guide, throttle cable ) (Guide, Throttle Cable )
под заказ 460 руб.
12 63225-93200-000 Втулка тяги румпеля - Bush, Handle Rod (Bush, handle rod # Bush, handle rod; ) (Bush, Handle Rod )
14 шт 480 руб.
13 63240-96300-000 Регулировка румпеля (комплект) Рукоятка - Adjuster Set, Handle Grip (Adjuster, handle grip # Adjuster, handle grip; ) (Adjuster Set, Handle Grip )
3 шт 2490 руб.
14 09440-12027-000 Пружина - Spring (Spring )
12 шт 170 руб.
15 63227-93200-000 Штифт, Handle Тяга - Pin, Handle Rod (Pin, handle rod # Pin, handle rod; ) (Pin, Handle Rod )
под заказ 220 руб.
16 63223-92D00-000 Стопор тяги румпеля - Stopper, Handle Rod (Stopper, handle rod # Stopper, handle rod; Dt40c ) (Stopper, Handle Rod )
под заказ 430 руб.
16 63223-89E00-000 Стопор тяги румпеля - Stopper, Handle Rod (Dt40wk ) (Stopper, Handle Rod )
под заказ 470 руб.
17 09163-06001-000 Шайба с блокировкой - Washer, Lock (Washer, Lock )
13 шт 120 руб.
18 09126-06006-000 Винт (6x20) - Screw (6x20) (Screw (6x20) )
под заказ 150 руб.
19 63210-93E00-000 Рукоятка румпеля - Grip, Handle (Grip, Handle )
под заказ 3390 руб.
19 63210-93E30-000 (актуальный код замены) Рукоятка румпеля - Grip, Handle
1 шт 3390 руб.
19 63210-93E30-000 Рукоятка румпеля - Grip, Handle (Grip, handle ) (Grip, Handle )
1 шт 3390 руб.
20 63213-94400-000 Колпачок, Stop Переключатель - Cap, Stop Switch (Cap, Stop Switch )
под заказ 910 руб.
21 63220-96301-000 Тяга румпеля - Rod, Handle (Rod, Handle )
под заказ 2980 руб.
21 63220-96302-000 (актуальный код замены) Тяга румпеля - Rod, Handle
под заказ 2980 руб.
21 63220-96302-000 Тяга румпеля - Rod, Handle (Rod, Handle )
под заказ 2980 руб.
21 SK63220-96302 (не оригинальный аналог) Вал румпеля Skipper для Suzuki DT9,9-DT40
0 шт 1247 руб.
22 63300-93900-000 Запчасть снята с производства - The Spare Part Is Laid Off (Opt ) (The Spare Part Is Laid Off )
под заказ 0 руб.
23 63118-94300-000 Регулировочная шайба (0.3) - Shim (03) (Shim (13.2x31x0.3) ) (Shim (0.3) )
4 шт 370 руб.
23 63118-94310-000 Регулировочная шайба (0.5) - Shim (05) (Shim (0.5) # Opt ) (Shim (0.5) )
14 шт 570 руб.
24 63001-94411-01T (Tiller handle assy (white); Opt, not shown, model:86, 87 )
под заказ 0 руб.
24 63001-94431-0ED Запчасть снята с производства - The Spare Part Is Laid Off (Tiller handle assy (gray); Opt, not shown, dt40c/model:88~92 ) (The Spare Part Is Laid Off )
под заказ 0 руб.
24 63001-94451-0ED Запчасть снята с производства - The Spare Part Is Laid Off (Tiller handle assy (gray); Opt, not shown, dt40w, dt40wk, model:88~92 ) (The Spare Part Is Laid Off )
под заказ 0 руб.
24 63001-94411-02M Запчасть снята с производства - The Spare Part Is Laid Off (Tiller handle assy (silver); Opt, not shown, model:86, 87 ) (The Spare Part Is Laid Off )
под заказ 0 руб.
25 63215-93450-000 Маркировка, Handle - Mark, Handle (Mark, handle grip; Dt40wk ) (Mark, Handle )
под заказ 240 руб.
26 63215-93401-000 Маркировка, Handle - Mark, Handle (Mark, handle grip; Dt40w ) (Mark, Handle )
под заказ 240 руб.
Время выполнения запроса 1.6843509674072 сек.