Подобрать оригинальные запчасти на подвесной двигатель SUZUKI DT40CS/L/L2 модель 1996 года - Swivel bracket
вконтакте

Контактный телефон: +7 (981) 121-46-93, +7 (800) 200-90-76 , Email: parts-katalog@yandex.ru, где купить

 
 

  Логин:

Пароль:

Регистрация

www.partskatalog.ru Все каталоги Запчасти Mercury Запчасти Suzuki Запчасти Tohatsu Запчасти Honda Контакты

назад Раздел:   вперёд

Вернуться к выбору узлов мотора


ДЕТАЛИРОВКА ДЛЯ МОДЕЛИ: SUZUKI DT40C T/DT40TC T/DT40RC T

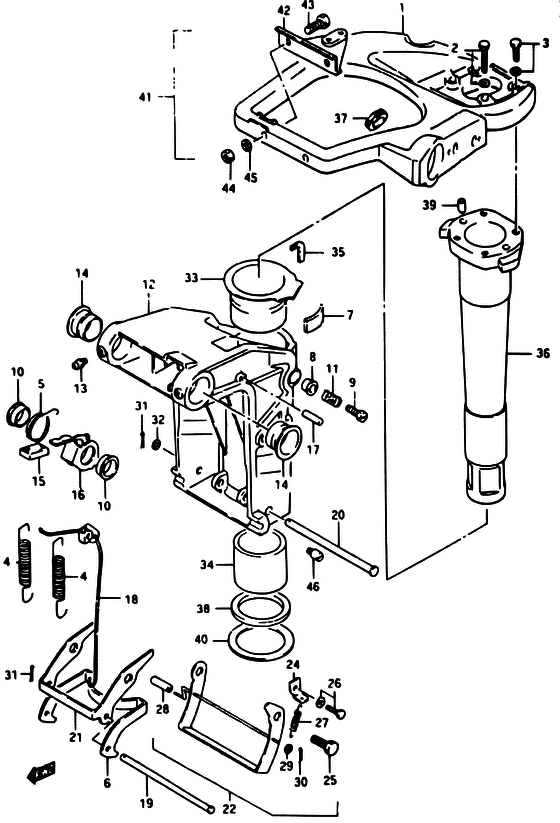
Поворотный кронштейн


Код модели двигателя: DT40CS/L/L2

Год выпуска двигателя: 1996

Цвет: California Gray Metallic

Номер на
рисунке
АртикулНаименованиеQTYКол-во
на складе
Цена
143751-94450-0ED

Кронштейн рулевого управления (c) - Bracket, Steering (c) (Bracket, steering (gray) # <-43751-94450-011 <-43751-94450-02M ) (Bracket, Steering (c))

под заказ0 руб.
209117-08071-000

Болт (8x35) - Bolt (8x35) (<-09117-08073 ) (Bolt (8x35))

под заказ570 руб.
309117-08075-000

Болт (8x30) - Bolt (8x30) (Bolt (8x30))

под заказ520 руб.
309117-08047-000

   (актуальный код замены) Болт (8x30) - Bolt (8x30)

14 шт520 руб.
309117-08047-000

Болт (8x30) - Bolt (8x30) (Bolt (8x30))

14 шт520 руб.
409443-15031-000

Пружина - Spring (Spring)

под заказ1180 руб.
509448-29018-000

Пружина - Spring (<-09444-27001 ) (Spring)

под заказ240 руб.
645231-94401-000

Рычаг блокировки реверса - Arm, Reverse Lock (Arm, reverse lock ) (Arm, Reverse Lock)

под заказ2790 руб.
743411-94400-000

Регулировка рулевой системы - Adjuster, Steering (Adjuster, steering ) (Adjuster, Steering)

под заказ0 руб.
843421-96302-000

Втулка, Регулятор Болт - Bush, Adjuster Bolt (<-43421-96301 ) (Bush, Adjuster Bolt)

1 шт970 руб.
909119-08044-000

Болт - Bolt (Bolt (8x23) ) (Bolt)

под заказ0 руб.
1009306-22006-000

Втулка (22.6x27x8) - Bush (226x27x8) (Bush (22.6x27x8))

4 шт300 руб.
1059315-94J00-000

   (актуальный код замены) Втулка рычага блокировки - Bush, Release Lever

4 шт300 руб.
1109440-12036-000

Пружина - Spring (MODEL:91, 92 ) (Spring)

под заказ230 руб.
1109440-13045-000

Запчасть снята с производства - The Spare Part Is Laid Off (MODEL:88~90) (The Spare Part Is Laid Off)

под заказ0 руб.
1243111-94490-0ED

Запчасть снята с производства - The Spare Part Is Laid Off (<-43111-94490-01T <-43111-94490-02M) (The Spare Part Is Laid Off)

под заказ0 руб.
1322511-99010-000

Ниппель смазки - Nipple, Grease (<-22511-99003) (Nipple, Grease)

под заказ340 руб.
1322511-99011-000

   (актуальный код замены) Ниппель смазки - Nipple, Grease

2 шт400 руб.
1322511-99011-000

Ниппель смазки - Nipple, Grease (Nipple, Grease)

2 шт400 руб.
1443211-94401-000

Втулка поворотного кронштейна - Bush, Swivel Bracket (Bush, Swivel Bracket)

под заказ1450 руб.
1443211-87JL0-000

   (актуальный код замены) Втулка поворотного кронштейна - Bush, Swivel Bracket

8 шт1770 руб.
1443211-87JL0-000

Втулка поворотного кронштейна - Bush, Swivel Bracket (Bush, Swivel Bracket)

8 шт1770 руб.
14SK43211-87JL0

   (не оригинальный аналог) Втулка поворотного механизма Skipper для Suzuki DT9,9-15/ DF9,9-DF30a

0 шт148 руб.
1545255-93001-000

Резинка рычага блокировки - Rubber, Release Lever (<-45255-93000 ) (Rubber, Release Lever)

под заказ390 руб.
1645261-94400-000

Освобождающий рычаг - Lever, Release (Lever, Release)

под заказ960 руб.
1645261-92L00-000

   (актуальный код замены) Освобождающий рычаг - Lever, Release

под заказ960 руб.
1645261-92L00-000

Освобождающий рычаг - Lever, Release (Lever, Release)

под заказ960 руб.
1741225-94501-000

Стопор пружины блокировки наклона - Pin, Tilt Lock Spring (Pin, Tilt Lock Spring)

под заказ570 руб.
1741225-94502-000

   (актуальный код замены) Стопор пружины блокировки наклона - Pin, Tilt Lock Spring

под заказ570 руб.
1741225-94502-000

Стопор пружины блокировки наклона - Pin, Tilt Lock Spring (Pin, Tilt Lock Spring)

под заказ570 руб.
1845250-94400-000

Освобождающая тяга - Link, Release (Link, release ) (Link, Release)

под заказ1490 руб.
1845250-92L00-000

   (актуальный код замены) Освобождающая тяга - Link, Release

под заказ1490 руб.
1909200-05015-000

Штифт (l: 117) - Pin (l:117) (Pin (l:117))

под заказ960 руб.
2009200-08043-000

Штифт (8x11) - Pin (8x11) (Pin (8x11))

под заказ760 руб.
2145241-94400-000

Тяга рычага блокировки реверса - Link, Reverse Lock Arm (Link, Reverse Lock Arm)

под заказ4230 руб.
2145241-92L00-000

   (актуальный код замены) Тяга рычага блокировки реверса - Link, Reverse Lock Arm

под заказ4230 руб.
2145241-92L00-000

Тяга рычага блокировки реверса - Link, Reverse Lock Arm (Link, Reverse Lock Arm)

под заказ4230 руб.
2245700-94412-000

Рычаг в сборе, Shallow Water Drive - Arm Assy, Shallow Water Drive (OPT) (Arm Assy, Shallow Water Drive)

под заказ9220 руб.
2245700-92L00-000

   (актуальный код замены) Рычаг в сборе, Shallow Water Drive - Arm Assy, Shallow Water Drive

под заказ9220 руб.
2245700-92L00-000

Рычаг в сборе, Shallow Water Drive - Arm Assy, Shallow Water Drive (Arm Assy, Shallow Water Drive)

под заказ9220 руб.
2445713-94420-000

Стопор, Shallow Water Drive - Stopper, Shallow Water Drive (STD:E40/OPT:E13) (Stopper, Shallow Water Drive)

под заказ420 руб.
2445713-92L00-000

   (актуальный код замены) Стопор, Shallow Water Drive - Stopper, Shallow Water Drive

под заказ420 руб.
2445713-92L00-000

Стопор, Shallow Water Drive - Stopper, Shallow Water Drive (Stopper, Shallow Water Drive)

под заказ420 руб.
2509111-10045-000

Болт (10x20.8) - Bolt (10x208) (STD:E40/OPT:E13 ) (Bolt (10x20.8))

под заказ630 руб.
2609117-06038-000

Болт (6x16) - Bolt (6x16) (STD:E40/OPT:E13) (Bolt (6x16))

под заказ220 руб.
2609117-06030-000

   (актуальный код замены) Болт (6x16) - Bolt (6x16)

под заказ220 руб.
2609117-06030-000

Болт (6x16) - Bolt (6x16) (Bolt (6x16) ) (Bolt (6x16))

под заказ220 руб.
2709443-12039-000

Пружина - Spring (STD:E40/OPT:E13 ) (Spring)

под заказ410 руб.
2845255-95500-000

Ручка освобождающего рычага - Knob, Release Lever (Knob, release lever # STD:E40/OPT:E13 ) (Knob, Release Lever)

под заказ460 руб.
2909160-05032-000

Шайба (5.5x12x0.8) - Washer (55x12x08) (STD:E40/OPT:E13) (Washer (5.5x12x0.8))

под заказ130 руб.
2909160-05029-000

   (актуальный код замены) Шайба (5.5x12x0.8) - Washer (5.5x12x0.8)

14 шт130 руб.
2909160-05029-000

Шайба (5.5x12x0.8) - Washer (55x12x08) (Washer (5.5x12x0.8))

14 шт130 руб.
3009204-01002-000

Штифт - Pin (Cotter pin # STD:E40/OPT:E13 ) (Pin)

24 шт140 руб.
3109204-01002-000

Штифт - Pin (Cotter pin ) (Pin)

24 шт140 руб.
3209160-08082-000

Шайба (8.5x16x1.2) - Washer (85x16x12) (Washer (8.5x16x1.2))

13 шт120 руб.
3343711-94400-000

Запчасть снята с производства - The Spare Part Is Laid Off (The Spare Part Is Laid Off)

под заказ0 руб.
3343710-94400-000

   (актуальный код замены) Запчасть снята с производства - The Spare Part Is Laid Off

под заказ0 руб.
3343710-94400-000

Запчасть снята с производства - The Spare Part Is Laid Off (The Spare Part Is Laid Off)

под заказ0 руб.
3443712-94410-000

Запчасть снята с производства - The Spare Part Is Laid Off (<-43712-94401) (The Spare Part Is Laid Off)

под заказ0 руб.
3543713-94400-000

Проставка, Рулевая система Втулка - Spacer, Steering Bush (Spacer, steering bush ) (Spacer, Steering Bush)

под заказ0 руб.
3643741-94400-0ED

Запчасть снята с производства - The Spare Part Is Laid Off (<-43741-94400-01T <-43741-94400-02M) (The Spare Part Is Laid Off)

под заказ0 руб.
3743753-94400-000

Пыльник, Кронштейн рулевого управления - Grommet, Steering Bracket (Grommet, Steering Bracket)

под заказ0 руб.
3809161-47001-000

Запчасть снята с производства - The Spare Part Is Laid Off (The Spare Part Is Laid Off)

под заказ0 руб.
3909206-09001-000

Штифт (6.4x9x10) - Pin (64x9x10) (Pin (9x10) ) (Pin (6.4x9x10))

под заказ0 руб.
4009285-47001-000

Запчасть снята с производства - The Spare Part Is Laid Off (The Spare Part Is Laid Off)

под заказ0 руб.
4167100-96300-000

Соединитель рулевой системы Шнур End - Attachment, Steering Rope End (Attachment set # OPT ) (Attachment, Steering Rope End)

под заказ15890 руб.
4243755-96310-000

Соединитель кронштейна рулевой системы - Attachment, Steering Bracket (OPT <-43755-96301) (Attachment, Steering Bracket)

под заказ15510 руб.
4243755-96320-000

   (актуальный код замены) Соединитель кронштейна рулевой системы - Attachment, Steering Bracket

2 шт15510 руб.
4243755-96320-000

Соединитель кронштейна рулевой системы - Attachment, Steering Bracket (Attachment, Steering Bracket)

2 шт15510 руб.
4309100-08224-000

Болт (8x35) - Bolt (8x35) (OPT) (Bolt (8x35))

под заказ470 руб.
4309100-08224-XC0

   (актуальный код замены) Болт (8x35) - Bolt (8x35)

40 шт470 руб.
4309100-08224-XC0

Болт (8x35) - Bolt (8x35) (Bolt (8x35))

40 шт470 руб.
4409140-08016-000

Гайка - Nut (OPT) (Nut)

под заказ190 руб.
4409140-08023-XC0

Гайка - Nut (Nut)

14 шт190 руб.
4509162-08007-000

Шайба с блокировкой - Washer, Lock (Lock washer # OPT ) (Washer, Lock)

под заказ160 руб.
4645331-94610-000

Штифт, Shallow Рычаг привода Stop - Pin, Shallow Drive Arm Stop (Pin, shallow drive water # E40 ) (Pin, Shallow Drive Arm Stop)

под заказ1260 руб.


Время выполнения запроса 1.2867748737335 сек.

 
 

данный сайт носит информационный характер и не является публичной офертой

склад запчастей для водомоторной техники