Запчасти на лодочный мотор SUZUKI DT40W(R)S/L/LL/L2/UL;DT40WK(R)S/L/LL/L2/UL; - Clamp bracket
вконтакте

Контактный телефон: +7 (981) 121-46-93, +7 (800) 200-90-76 , Email: parts-katalog@yandex.ru, где купить

 
 

  Логин:

Пароль:

Регистрация

www.partskatalog.ru Все каталоги Запчасти Mercury Запчасти Suzuki Запчасти Tohatsu Запчасти Honda Контакты

назад Раздел:   вперёд

Вернуться к выбору узлов мотора


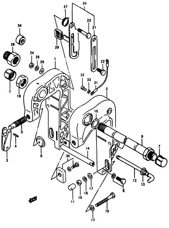
ДЕТАЛИРОВКА ДЛЯ МОДЕЛИ: SUZUKI DT40WK T

Кронштейн транца


Код модели двигателя: DT40W(R)S/L/LL/L2/UL;DT40WK(R)S/L/LL/L2/UL;

Год выпуска двигателя: 1996

Цвет: California Gray Metallic

Номер на
рисунке
АртикулНаименованиеQTYКол-во
на складе
Цена
141110-94421-0ED

Запчасть снята с производства - The Spare Part Is Laid Off (<-41110-94420-01T <-41110-94420-0ED) (The Spare Part Is Laid Off)

под заказ0 руб.
141111-94491-0ED

   (актуальный код замены) Запчасть снята с производства - The Spare Part Is Laid Off

под заказ0 руб.
141111-94491-0ED

Запчасть снята с производства - The Spare Part Is Laid Off (The Spare Part Is Laid Off)

под заказ0 руб.
241120-94440-0ED

Кронштейн левого зажима - Bracket, Clamp Port (<-41120-94411-01T <-41120-94411-02M) (Bracket, Clamp Port)

под заказ29760 руб.
241121-94490-0ED

   (актуальный код замены) Кронштейн левого зажима - Bracket, Clamp Port

под заказ29760 руб.
241121-94490-0ED

Кронштейн левого зажима - Bracket, Clamp Port (Bracket, Clamp Port)

под заказ29760 руб.
241120-94441-0ED

Кронштейн левого зажима - Bracket, Clamp Port (MODEL:98, 99) (Bracket, Clamp Port)

под заказ29760 руб.
241121-94490-0ED

   (актуальный код замены) Кронштейн левого зажима - Bracket, Clamp Port

под заказ29760 руб.
241121-94490-0ED

Кронштейн левого зажима - Bracket, Clamp Port (Bracket, Clamp Port)

под заказ29760 руб.
341212-93000-0ED

Струбцина румпеля (gray) - Handle, Clamp (gray) (<-41212-93000-01T <-41212-93000-02M) (Handle, Clamp (gray))

под заказ0 руб.
341212-93001-0ED

   (актуальный код замены) Запчасть снята с производства - The Spare Part Is Laid Off

под заказ0 руб.
341212-93001-0ED

Струбцина румпеля (gray) - Handle, Clamp (gray) (Handle, Clamp (gray))

под заказ0 руб.
409205-06007-000

Стопор пружины (6x25) - Pin, Spring (6x25) (Pin (6x27) # <-09205-06012 ) (Pin, Spring (6x25))

13 шт170 руб.
541211-95250-000

Винт зажима - Screw, Clamp (Screw, Clamp)

под заказ2020 руб.
541211-94302-000

   (актуальный код замены) Винт зажима - Screw, Clamp

под заказ2020 руб.
541211-94302-000

Винт зажима - Screw, Clamp (Screw, Clamp)

под заказ2020 руб.
641213-98100-000

Пластина струбцины - Plate, Clamp (Plate, Clamp)

под заказ390 руб.
641213-94J01-000

   (актуальный код замены) Пластина струбцины - Plate, Clamp

под заказ420 руб.
641213-94J01-000

Пластина струбцины - Plate, Clamp (Plate, Clamp)

под заказ420 руб.
741151-94500-000

Колпачок кронштейна транца Вал - Cap, Clamp Bracket Shaft (Cap, Clamp Bracket Shaft)

под заказ280 руб.
809117-08045-000

Болт (8x35) - Bolt (8x35) (Bolt (8x35))

под заказ570 руб.
809117-08071-000

   (актуальный код замены) Болт (8x35) - Bolt (8x35)

под заказ570 руб.
809117-08071-000

Болт (8x35) - Bolt (8x35) (Bolt (8x35))

под заказ570 руб.
941130-94331-000

Труба кронштейна транца - Shaft, Clamp Bracket (<-41130-94401) (Shaft, Clamp Bracket)

под заказ0 руб.
941130-94341-000

   (актуальный код замены) Запчасть снята с производства - The Spare Part Is Laid Off

под заказ0 руб.
941130-94341-000

Труба кронштейна транца - Shaft, Clamp Bracket (Shaft, Clamp Bracket)

под заказ0 руб.
1009160-22033-000

Шайба (22.5x38x1) - Washer (225x38x1) (Washer (22.5x38x1))

под заказ290 руб.
1141153-96300-000

Колпачок транцевого болта - Cap, Transom Bolt (Cap, Transom Bolt)

под заказ370 руб.
1245420-94311-000

Штифт в сборе, Tilt Lock - Pin Assy, Tilt Lock (Pin Assy, Tilt Lock)

под заказ3100 руб.
1245420-92L00-000

   (актуальный код замены) Штифт в сборе, Tilt Lock - Pin Assy, Tilt Lock

под заказ3100 руб.
1245420-92L00-000

Штифт в сборе, Tilt Lock - Pin Assy, Tilt Lock (Pin Assy, Tilt Lock)

под заказ3100 руб.
1309441-17002-000

Пружина - Spring (Spring ) (Spring)

под заказ180 руб.
1441310-94400-000

Тяга, Кронштейн транца Lwr - Rod, Clamp Bracket Lwr (Rod, clamp bracket lower ) (Rod, Clamp Bracket Lwr)

под заказ2480 руб.
1509100-08239-000

Болт (8x90) - Bolt (8x90) (Bolt (8x90))

под заказ420 руб.
1509100-08311-000

   (актуальный код замены) Болт (8x90) - Bolt (8x90)

8 шт420 руб.
1509100-08311-000

Болт (8x90) - Bolt (8x90) (Bolt (8x90))

8 шт420 руб.
1609140-08016-000

Гайка - Nut (Nut)

под заказ190 руб.
1609140-08023-XC0

Гайка - Nut (Nut)

14 шт190 руб.
1709160-08081-000

Шайба (8.5x23x1.5) - Washer (85x23x15) (Washer, clutch lever ) (Washer (8.5x23x1.5))

4 шт210 руб.
1809162-08007-000

Шайба с блокировкой - Washer, Lock (Lock washer ) (Washer, Lock)

под заказ160 руб.
1909159-22003-000

Гайка - Nut (Nut)

под заказ1950 руб.
1909159-22006-000

   (актуальный код замены) Гайка - Nut

8 шт1950 руб.
1909159-22006-000

Гайка - Nut (Nut)

8 шт1950 руб.
2041200-94400-000

Рычаг наклона - Arm Assy, Tilt (<-41222-94410) (Arm Assy, Tilt)

под заказ4470 руб.
2041200-92L00-000

   (актуальный код замены) Рычаг наклона - Arm Assy, Tilt

под заказ4470 руб.
2041200-92L00-000

Рычаг наклона - Arm Assy, Tilt (Arm Assy, Tilt)

под заказ4470 руб.
2141223-94400-000

Запчасть снята с производства - The Spare Part Is Laid Off (The Spare Part Is Laid Off)

под заказ0 руб.
2209111-10032-000

Болт (10x20.5) - Bolt (10x205) (Bolt (10x20.5))

под заказ400 руб.
2209111-10067-000

   (актуальный код замены) Болт (10x20.5) - Bolt (10x20.5)

2 шт430 руб.
2209111-10067-000

Болт (10x20.5) - Bolt (10x205) (Bolt (10x20.5))

2 шт430 руб.
2309111-10033-000

Болт (10x54.5) - Bolt (10x545) (Bolt (10x54.5))

под заказ1580 руб.
2309111-10069-000

   (актуальный код замены) Болт (10x54.5) - Bolt (10x54.5)

под заказ1580 руб.
2309111-10069-000

Болт (10x54.5) - Bolt (10x545) (Bolt (10x54.5))

под заказ1580 руб.
2409140-10031-000

Гайка - Nut (Nut)

10 шт160 руб.
2509162-10005-000

Шайба с блокировкой - Washer, Lock (Lock washer ) (Washer, Lock)

под заказ130 руб.
2609160-10082-000

Шайба (10.5x19x2) - Washer (105x19x2) (Washer ) (Washer (10.5x19x2))

19 шт120 руб.
2709448-29009-000

Пружина - Spring (Spring)

под заказ390 руб.
2841141-94300-000

Соединитель рулевой системы Регулятор - Attachment, Steering Adjuster (OPT) (Attachment, Steering Adjuster)

под заказ6920 руб.
2841141-94301-000

   (актуальный код замены) Соединитель рулевой системы Регулятор - Attachment, Steering Adjuster

под заказ6920 руб.
2841141-94301-000

Соединитель рулевой системы Регулятор - Attachment, Steering Adjuster (Attachment, Steering Adjuster)

под заказ6920 руб.
2941225-94400-000

Резинка блокировки наклона Рычаг - Rubber, Tilt Lock Arm (Rubber, tilt lock lever ) (Rubber, Tilt Lock Arm)

под заказ340 руб.
3055320-95310-000

Защитный цинковый анод - Zinc Set, Protection (Zinc Set, Protection)

под заказ1320 руб.
3055320-95311-000

   (актуальный код замены) Защитный цинковый анод - Zinc Set, Protection

16 шт1320 руб.
3055320-95311-000

Защитный цинковый анод - Zinc Set, Protection (Zinc Set, Protection)

16 шт1320 руб.
3136894-95201-000

Lead (l: 165) - Lead (l:165) (<-36894-95200 ) (Lead (l:165))

под заказ1170 руб.
3209125-05050-000

Винт (5x8) - Screw (5x8) (Screw (5x8))

под заказ150 руб.
3309161-05114-000

Шайба (5.2x11x1) - Washer (52x11x1) (Washer (5.2x11.0x1.0) # <-09161-05014 ) (Washer (5.2x11x1))

под заказ290 руб.
3441161-94400-000

Сальник рулевого кабеля - Seal, Steering Cable (Seal, steering cable # OPT:E13 ) (Seal, Steering Cable)

16 шт1530 руб.


Время выполнения запроса 1.2246029376984 сек.

 
 

данный сайт носит информационный характер и не является публичной офертой

склад запчастей для водомоторной техники