Найти запчасти на подвесной двигатель Suzuki DT40W(R)S/L/LL/L2/UL;DT40WK(R)S/L/LL/L2/UL; модель 1996 года - Fuel tank - Топливный бак
вконтакте

Контактный телефон: +7 (981) 121-46-93, +7 (800) 200-90-76 , Email: parts-katalog@yandex.ru, где купить

 
 

  Логин:

Пароль:

Регистрация

www.partskatalog.ru Все каталоги Запчасти Mercury Запчасти Suzuki Запчасти Tohatsu Запчасти Honda Контакты



УВАЖАЕМЫЕ КЛИЕНТЫ!
C 19 ДЕКАБРЯ 2025 ПО 02 МАРТА 2026 ГОДА ОТДЕЛ ЗАПЧАСТЕЙ И СЕРВИС РАБОТАТЬ НЕ БУДУТ
ПРОДАЖА ЛОДОЧНЫХ МОТОРОВ В ШТАТНОМ РЕЖИМЕ
ОБ ИЗМЕНЕНИЯХ В ГРАФИКЕ РАБОТЫ ЧИТАЙТЕ НА САЙТА



назад Раздел:   вперёд

Вернуться к выбору узлов мотора


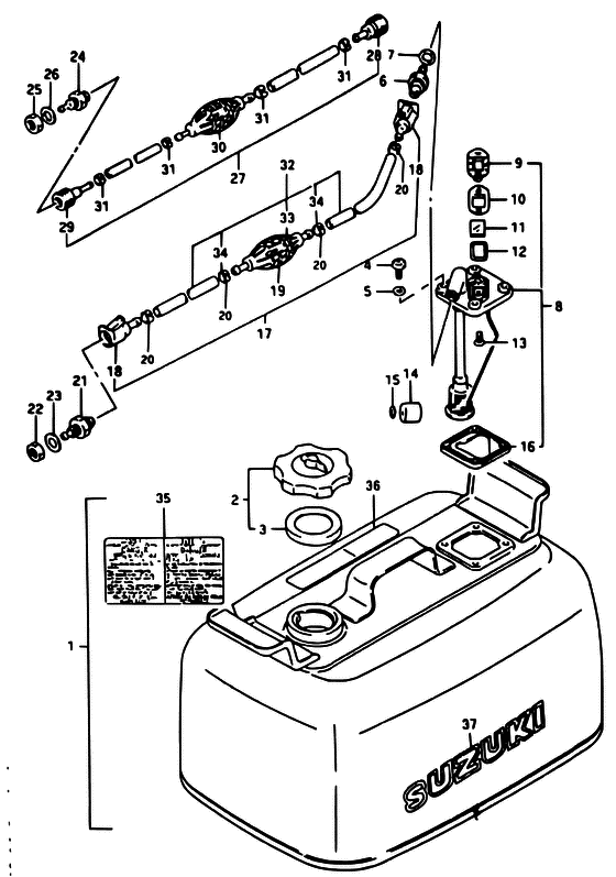
ДЕТАЛИРОВКА ДЛЯ МОДЕЛИ: SUZUKI DT40WK T

Топливный бак


Код модели двигателя: DT40W(R)S/L/LL/L2/UL;DT40WK(R)S/L/LL/L2/UL;

Год выпуска двигателя: 1996

Цвет: California Gray Metallic

Номер на
рисунке
АртикулНаименованиеQTYКол-во
на складе
Цена
165800-92823-000

Запчасть снята с производства - The Spare Part Is Laid Off (6.3 U.S GAL/5.3 IMP GAL <-65800-92822) (The Spare Part Is Laid Off)

под заказ0 руб.
165800-92824-000

   (актуальный код замены) Запчасть снята с производства - The Spare Part Is Laid Off

под заказ0 руб.
265510-92D00-000

Крышка горловины топливного бака, в сборе - Cap Assy, Fuel Tank (Cap assy, separate tank ) (Cap Assy, Fuel Tank)

под заказ0 руб.
365561-92D00-000

Прокладка - Gasket (Gasket, tank cap ) (Gasket)

под заказ0 руб.
402142-06167-000

Винт - Screw (Screw ) (Screw)

8 шт110 руб.
509168-06004-000

Прокладка (6.2x11x1.2) - Gasket (62x11x12) (Washer (6x11.8x1.5) # MODEL:88 ) (Gasket (6.2x11x1.2))

под заказ120 руб.
509168-06026-000

Прокладка (6.4x11.5x0.8) - Gasket (64x115x08) (MODEL:89~99 ) (Gasket (6.4x11.5x0.8))

под заказ240 руб.
665720-94411-000

Топливный коннектор - Connector, Fuel (<-65720-94410 ) (Connector, Fuel)

под заказ0 руб.
665740-95500-000

Разъем топливного коннектора - Plug, Fuel Connector (Connector, fuel # DT40C:231489~ DT40W:231088~ ) (Plug, Fuel Connector)

под заказ2720 руб.
665740-95501-000

   (актуальный код замены) Разъем топливного коннектора - Plug, Fuel Connector

под заказ2720 руб.
709168-12001-000

Прокладка (12.5x20x1) - Gasket (125x20x1) (Gasket # MODEL:88 ) (Gasket (12.5x20x1))

под заказ220 руб.
709168-12015-000

Прокладка (12.2x21x0.8) - Gasket (122x21x08) (MODEL:89~99) (Gasket (12.2x21x0.8))

под заказ350 руб.
709168-12015-XC0

   (актуальный код замены) Прокладка (12.2x21x0.8) - Gasket (12.2x21x0.8)

под заказ350 руб.
709168-12015-XC0

Прокладка (12.2x21x0.8) - Gasket (122x21x08) (Gasket (12.2x21x0.8))

под заказ350 руб.
865850-92D01-000

Прибор - измеритель уровня топлива - Gauge Assy, Fuel (Gauge assy, fuel # <-65850-92D00 ) (Gauge Assy, Fuel)

под заказ0 руб.
965855-92D00-000

Запчасть снята с производства - The Spare Part Is Laid Off (MODEL:88) (The Spare Part Is Laid Off)

под заказ0 руб.
965855-92D10-000

Крышка прибора - Cover, Gauge (MODEL:89~99 ) (Cover, Gauge)

под заказ0 руб.
1065854-92D10-000

Запчасть снята с производства - The Spare Part Is Laid Off (MODEL:88) (The Spare Part Is Laid Off)

под заказ0 руб.
1065854-92D20-000

Прокладка - Gasket (MODEL:89~99 ) (Gasket)

под заказ0 руб.
1165853-92D00-000

Lens - Lens (Lens)

под заказ0 руб.
1265854-92D00-000

Запчасть снята с производства - The Spare Part Is Laid Off (MODEL:88) (The Spare Part Is Laid Off)

под заказ0 руб.
1265854-92D30-000

Запчасть снята с производства - The Spare Part Is Laid Off (MODEL:89~99) (The Spare Part Is Laid Off)

под заказ0 руб.
1303221-04083-000

Винт - Screw (Screw)

под заказ140 руб.
1303221-0408A-000

   (актуальный код замены) Винт - Screw

под заказ140 руб.
1303221-0408A-000

Винт - Screw (Screw)

под заказ140 руб.
1465864-92D00-000

Запчасть снята с производства - The Spare Part Is Laid Off (The Spare Part Is Laid Off)

под заказ0 руб.
1565866-92D00-000

Push Гайка - Push Nut (Nut, push ) (Push Nut)

под заказ0 руб.
1665871-92D00-000

Прокладка, Fuel Gauge - Gasket, Fuel Gauge (Gasket, Fuel Gauge)

под заказ660 руб.
1765700-87D16-000

Топливный шланг (от бака до коннектораector) - Hose, Fuel (tank To Connector) (<-65700-87D15) (Hose, Fuel (tank To Connector))

под заказ12820 руб.
1765700-87D95-000

   (актуальный код замены) Топливный шланг (от бака до коннектора) - Hose, Fuel (tank To Conn)

под заказ12820 руб.
1765700-87D92-000

Топливный шланг (от бака до коннектораector) - Hose, Fuel (tank To Connector) (Hose, Fuel (tank To Connector))

под заказ12820 руб.
1765700-87D95-000

   (актуальный код замены) Топливный шланг (от бака до коннектора) - Hose, Fuel (tank To Conn)

под заказ12820 руб.
1865750-94404-000

Разъём топливного шланга - Socket, Fuel Hose (Connector, fuel # <-65750-94403 ) (Socket, Fuel Hose)

1 шт2130 руб.
1965770-95504-000

Запчасть снята с производства - The Spare Part Is Laid Off (<-65770-95503) (The Spare Part Is Laid Off)

под заказ0 руб.
1965770-95505-000

   (актуальный код замены) Запчасть снята с производства - The Spare Part Is Laid Off

под заказ0 руб.
2065781-98500-000

Зажим топливного шланга - Clip, Fuel Hose (Clip, Fuel Hose)

9 шт350 руб.
2165720-94401-000

Разъем топливного коннектора - Plug, Fuel Connector (<-65720-94400) (Plug, Fuel Connector)

под заказ2480 руб.
2165720-94403-000

   (актуальный код замены) Разъем топливного коннектора - Plug, Fuel Connector

1 шт2480 руб.
2165720-94403-000

Разъем топливного коннектора - Plug, Fuel Connector (Plug, Fuel Connector)

1 шт2480 руб.
2209140-10032-000

Гайка - Nut (Nut)

10 шт160 руб.
2308321-01107-000

Шайба с блокировкой - Washer, Lock (Lock washer ) (Washer, Lock)

9 шт140 руб.
2465720-98520-000

Разъем топливного коннектора - Plug, Fuel Connector (DT40C:231489, DT40W:231088) (Plug, Fuel Connector)

под заказ3170 руб.
2465720-985L1-000

   (актуальный код замены) Разъем топливного коннектора - Plug, Fuel Connector

5 шт3950 руб.
24SK65720-98520

   (не оригинальный аналог) Коннектор топливный Skipper для Suzuki DT2-65, DF9.9-15 "папа", 6 мм

0 шт836 руб.
24SF80210-1

   (не оригинальный аналог) Адаптер топливный SUNFINE тип Suzuki, 7.5мм, 6720-98521

под заказ1270 руб.
2465720-985L1-000

Разъем топливного коннектора - Plug, Fuel Connector (Plug, Fuel Connector)

5 шт3950 руб.
2509140-10032-000

Гайка - Nut (DT40C:231489, DT40W:231088 ) (Nut)

10 шт160 руб.
2608321-01107-000

Шайба с блокировкой - Washer, Lock (Lock washer # DT40C:231489, DT40W:231088 ) (Washer, Lock)

9 шт140 руб.
2765700-87D17-000

Топливный шланг (от бака до коннектора) - Hose, Fuel (tank To Conn) (DT40C:231489, DT40W:231088) (Hose, Fuel (tank To Conn))

под заказ6530 руб.
2765700-87DL2-000

   (актуальный код замены) Топливный шланг (от бака до коннектора) - Hose, Fuel (tank To Conn)

под заказ6530 руб.
2765700-87DL0-000

Топливный шланг (от бака до коннектора) - Hose, Fuel (tank To Conn) (Hose, Fuel (tank To Conn))

под заказ6530 руб.
2765700-87DL2-000

   (актуальный код замены) Топливный шланг (от бака до коннектора) - Hose, Fuel (tank To Conn)

под заказ6530 руб.
2865750-95500-000

Разъём топливного шланга - Socket, Fuel Hose (Socket, fuel hose (in) # DT40C:231489, DT40W:231088 ) (Socket, Fuel Hose)

под заказ3700 руб.
2865750-95501-000

   (актуальный код замены) Разъём топливного шланга - Socket, Fuel Hose

2 шт3700 руб.
28SF80211-4

   (не оригинальный аналог) Коннектор топливный SUNFINE тип Suzuki, Mercury, Evinrude, Tohatsu, 10мм 3GF-70281-0

под заказ1880 руб.
2965750-98505-000

Разъём топливного шланга - Socket, Fuel Hose (Socket, fuel hose (out) # DT40C:231489, DT40W:231088 ) (Socket, Fuel Hose)

2 шт3240 руб.
2965750-98506-000

   (актуальный код замены) Разъём топливного шланга - Socket, Fuel Hose

под заказ3240 руб.
3065770-95540-000

Запчасть снята с производства - The Spare Part Is Laid Off (DT40C:231489, DT40W:231088) (The Spare Part Is Laid Off)

под заказ0 руб.
3065770-95541-000

   (актуальный код замены) Запчасть снята с производства - The Spare Part Is Laid Off

под заказ0 руб.
3165781-98500-000

Зажим топливного шланга - Clip, Fuel Hose (DT40C:231489, DT40W:231088 ) (Clip, Fuel Hose)

9 шт350 руб.
3265700-98582-000

Топливный шланг (от бака до коннектораector) - Hose, Fuel (tank To Connector) (XC, E22) (Hose, Fuel (tank To Connector))

под заказ0 руб.
3265700-98585-000

   (актуальный код замены) Запчасть снята с производства - The Spare Part Is Laid Off

под заказ0 руб.
3265700-98583-000

Топливный шланг (от бака до коннектораector) - Hose, Fuel (tank To Connector) (Hose, Fuel (tank To Connector))

под заказ0 руб.
3265700-98585-000

   (актуальный код замены) Запчасть снята с производства - The Spare Part Is Laid Off

под заказ0 руб.
3365770-93903-000

Запчасть снята с производства - The Spare Part Is Laid Off (XC, E22) (The Spare Part Is Laid Off)

под заказ0 руб.
3365770-93904-000

   (актуальный код замены) Запчасть снята с производства - The Spare Part Is Laid Off

под заказ0 руб.
3465781-98500-000

Зажим топливного шланга - Clip, Fuel Hose (XC, E22 ) (Clip, Fuel Hose)

9 шт350 руб.
3565316-93331-000

Маркировка, Fuel Caution - Mark, Fuel Caution (Mark, fuel caution ) (Mark, Fuel Caution)

под заказ0 руб.
3665317-95260-000

Маркировка, Fuel Колпачокacity (24l) - Mark, Fuel Capacity (24l) (Mark, fuel capacity (24l) ) (Mark, Fuel Capacity (24l))

под заказ0 руб.
3761441-98500-000

Маркировка, Ornament - Mark, Ornament (Mark, Ornament)

под заказ0 руб.


Время выполнения запроса 1.6101970672607 сек.

 
 

данный сайт носит информационный характер и не является публичной офертой

склад запчастей для водомоторной техники