Купить оригинальные запчасти на подвесной двигатель Suzuki DT40CS/L/L2 модель 1997 года - Gear case / Картер коробки передач
вконтакте

Контактный телефон: +7 (981) 121-46-93, +7 (800) 200-90-76 , Email: parts-katalog@yandex.ru, где купить

 
 

  Логин:

Пароль:

Регистрация

www.partskatalog.ru Все каталоги Запчасти Mercury Запчасти Suzuki Запчасти Tohatsu Запчасти Honda Контакты



УВАЖАЕМЫЕ КЛИЕНТЫ!
C 19 ДЕКАБРЯ 2025 ПО 02 МАРТА 2026 ГОДА ОТДЕЛ ЗАПЧАСТЕЙ И СЕРВИС РАБОТАТЬ НЕ БУДУТ
ПРОДАЖА ЛОДОЧНЫХ МОТОРОВ В ШТАТНОМ РЕЖИМЕ
ОБ ИЗМЕНЕНИЯХ В ГРАФИКЕ РАБОТЫ ЧИТАЙТЕ НА САЙТА



назад Раздел:   вперёд

Вернуться к выбору узлов мотора


ДЕТАЛИРОВКА ДЛЯ МОДЕЛИ: SUZUKI DT40CV V

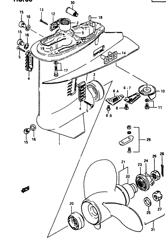
Картер коробки передач


Код модели двигателя: DT40CS/L/L2

Год выпуска двигателя: 1997

Цвет: California Gray Metallic

Номер на
рисунке
АртикулНаименованиеQTYКол-во
на складе
Цена
155100-94421-02M

под заказ0 руб.
109125-05046-000

Винт (5x12) - Screw (5x12) (Screw (5x12) ) (Screw (5x12))

под заказ150 руб.
109440-07071-000

Пружина - Spring (Spring, clutch notch ) (Spring)

8 шт450 руб.
117635-87E00-000

Водяной фильтр Sub - Filter, Water Sub (Filter, Water Sub)

8 шт620 руб.
155100-92L00-0ED

Корпус редутора - Case Assy, Gear (Case Assy, Gear)

под заказ91680 руб.
155100-94431-0ED

Корпус редутора - Case Assy, Gear (Model:94~99) (Case Assy, Gear)

под заказ91680 руб.
155100-92L00-0ED

   (актуальный код замены) Корпус редутора - Case Assy, Gear

под заказ91680 руб.
155100-92L00-0ED

Корпус редутора - Case Assy, Gear (Case Assy, Gear)

под заказ91680 руб.
209263-22039-000

Подшипник (22x30x30) - Bearing (22x30x30) (Bearing (22x30x30))

9 шт7260 руб.
2SK09263-22039

   (не оригинальный аналог) Подшипник ведущего вала Skipper для Suzuki DT40/DF40-60

0 шт2771 руб.
309265-30004-000

Подшипник (30x62x17.25) - Bearing (30x62x1725) (Bearing ) (Bearing (30x62x17.25))

8 шт6120 руб.
417631-96320-000

Водяной фильтр - Filter, Water (Filter, Water)

8 шт900 руб.
503142-04303-000

Винт - Screw (Screw)

под заказ170 руб.
503142-04309-000

   (актуальный код замены) Винт - Screw

под заказ170 руб.
503142-04309-000

Винт - Screw (Screw)

под заказ170 руб.
617635-95501-000

Фильтр, Sub Water - Filter, Sub Water (~model:94 ) (Filter, Sub Water)

под заказ0 руб.
717635-95510-000

Пластина редуктора - Plate, Gear Case (Opt ) (Plate, Gear Case)

под заказ0 руб.
809125-06053-000

Винт (6x16) - Screw (6x16) (Screw, tiller handle cover # ~model:94 ) (Screw (6x16))

под заказ220 руб.
817635-87E00-000

Водяной фильтр Sub - Filter, Water Sub (Dt40tc, model:94~99, dt40w, 40wk, model:95~99, dt40wr, model:96~99 ) (Filter, Water Sub)

8 шт620 руб.
809125-05046-000

Винт (5x12) - Screw (5x12) (Screw (5x12) # Screw (5x12); Dt40tc, model:94~99 ) (Screw (5x12))

под заказ150 руб.
955122-94400-000

Кольцо сальника редуктора - Ring, Gear Case Seal (Ring, Gear Case Seal)

под заказ750 руб.
955122-88L00-000

   (актуальный код замены) Кольцо сальника редуктора - Ring, Gear Case Seal

21 шт820 руб.
955122-88L00-000

Кольцо сальника редуктора - Ring, Gear Case Seal (Ring, Gear Case Seal)

21 шт820 руб.
1055125-95500-000

Пластина трима - Tab, Trim (Tab, Trim)

11 шт2090 руб.
1109117-08037-000

Болт (8x16) - Bolt (8x16) (Bolt (8x16);) (Bolt (8x16))

под заказ250 руб.
1109117-08109-000

   (актуальный код замены) Болт (8x16) - Bolt (8x16)

5 шт250 руб.
1109117-08109-000

Болт (8x16) - Bolt (8x16) (Bolt (8x16))

5 шт250 руб.
1255117-94401-000

Крышка картера коробки передач Stbd - Cover, Gear Case Stbd (Cover, gear case starboard # ~model:94 ) (Cover, Gear Case Stbd)

под заказ0 руб.
1303142-04203-000

Винт - Screw (Screw)

под заказ110 руб.
1303141-0420A-000

   (актуальный код замены) Винт - Screw

под заказ110 руб.
1303141-0420A-000

Винт - Screw (Screw)

под заказ110 руб.
1455112-94401-000

Запчасть снята с производства - The Spare Part Is Laid Off (~model:94) (The Spare Part Is Laid Off)

под заказ0 руб.
1509248-10008-000

Заглушка (10x7.5) - Plug (10x75) (Plug; ) (Plug (10x7.5))

120 шт500 руб.
1609168-10022-000

Прокладка (10x17x1.5) - Gasket (10x17x15) (Gasket (10x17x1.5); ) (Gasket (10x17x1.5))

2205 шт150 руб.
1709117-08086-000

Болт (8x45) - Bolt (8x45) (Bolt (8x45);) (Bolt (8x45))

под заказ440 руб.
1709116-08131-000

   (актуальный код замены) Болт (8x45) - Bolt (8x45)

20 шт500 руб.
1709116-08131-000

Болт (8x45) - Bolt (8x45) (Bolt (8x45))

20 шт500 руб.
1809202-06027-000

Штифт (6x23) - Pin (6x23) (Pin (6x23) ) (Pin (6x23))

под заказ160 руб.
1909202-06025-000

Штифт (6x17) - Pin (6x17) (Pin (6x17) ) (Pin (6x17))

под заказ160 руб.
2057632-95305-000

Стопор втулки гребного винта - Stopper, Propeller Bush (Stopper, Propeller Bush)

под заказ4900 руб.
2057632-95320-000

   (актуальный код замены) Стопор втулки гребного винта - Stopper, Propeller Bush

2 шт5300 руб.
2057632-95320-000

Стопор втулки гребного винта - Stopper, Propeller Bush (Stopper, Propeller Bush)

2 шт5300 руб.
2158100-94302-019

Гребной винт (3x11-1 / 2x9) - Propeller (3x11-1/2x9) (Propeller (3x11-1/2x9); S900) (Propeller (3x11-1/2x9))

под заказ24240 руб.
2158100-88LC0-019

   (актуальный код замены) Гребной винт Comp (3x11-1 / 2x9) - Propeller Comp (3x11-1/2x9)

под заказ24240 руб.
2158100-88L03-019

Гребной винт (3x11-1 / 2x9) - Propeller (3x11-1/2x9) (Propeller (3x11-1/2x9))

2 шт24240 руб.
2158100-88LC0-019

   (актуальный код замены) Гребной винт Comp (3x11-1 / 2x9) - Propeller Comp (3x11-1/2x9)

под заказ24240 руб.
2158100-95212-019

Гребной винт (3x11-1 / 2x10) - Propeller (3x11-1/2x10) (Propeller (3x11-1/2x10); S1000) (Propeller (3x11-1/2x10))

5 шт24240 руб.
2158100-88LD0-019

   (актуальный код замены) Гребной винт Comp (3x11-1 / 2x10) - Propeller Comp (3x11-1/2x10)

под заказ24240 руб.
2158100-88L13-019

Гребной винт (3x11-1 / 2x10) - Propeller (3x11-1/2x10) (Propeller (3x11-1/2x10))

под заказ24240 руб.
2158100-88LD0-019

   (актуальный код замены) Гребной винт Comp (3x11-1 / 2x10) - Propeller Comp (3x11-1/2x10)

под заказ24240 руб.
2158100-95222-019

Гребной винт (3x11-1 / 2x11) - Propeller (3x11-1/2x11) (Propeller (3x11-1/2x11); S1100) (Propeller (3x11-1/2x11))

4 шт24240 руб.
2158100-88LE0-019

   (актуальный код замены) Гребной винт Comp (3x11-1 / 2x11) - Propeller Comp (3x11-1/2x11)

1 шт24240 руб.
21SK58100-88L23-019

   (не оригинальный аналог) Винт гребной Skipper для Suzuki 40-50HP алюминиевый, диаметр - 11 1/2", шаг 11"

0 шт3350 руб.
2158100-88L23-019

Гребной винт (3x11-1 / 2x11) - Propeller (3x11-1/2x11) (Propeller (3x11-1/2x11))

под заказ24240 руб.
2158100-88LE0-019

   (актуальный код замены) Гребной винт Comp (3x11-1 / 2x11) - Propeller Comp (3x11-1/2x11)

1 шт24240 руб.
2158100-95393-019

Гребной винт (3x11-5 / 8x12) - Propeller (3x11-5/8x12) (Propeller (3x11-5/8x12); S1200) (Propeller (3x11-5/8x12))

4 шт24240 руб.
2158100-88LA0-019

   (актуальный код замены) Гребной винт (3x11-5 / 8x12) - Propeller (3x11-5/8x12)

под заказ24240 руб.
21SK58100-88LA0-019

   (не оригинальный аналог) Винт гребной Skipper для Suzuki 40-50HP алюминиевый, диаметр - 11 5/8", шаг 12"

0 шт3588 руб.
2158100-88LA0-019

Гребной винт (3x11-5 / 8x12) - Propeller (3x11-5/8x12) (Propeller (3x11-5/8x12))

под заказ24240 руб.
2158100-94313-019

Гребной винт (3x11-1 / 2x13) - Propeller (3x11-1/2x13) (Propeller (3x11-1/2x13); S1301) (Propeller (3x11-1/2x13))

под заказ24240 руб.
2158100-88LB0-019

   (актуальный код замены) Гребной винт (3x11-1 / 2x13) - Propeller (3x11-1/2x13)

3 шт24240 руб.
2158100-88LB0-019

Гребной винт (3x11-1 / 2x13) - Propeller (3x11-1/2x13) (Propeller (3x11-1/2x13))

3 шт24240 руб.
21SK58100-88LB0-019

   (не оригинальный аналог) Винт гребной Skipper для Suzuki 40-60, диаметр 11 1/2"" алюминиевый, лопастей - 3, шаг 13"

0 шт4158 руб.
2158100-95353-019

Гребной винт (3x11-3 / 8x14) - Propeller (3x11-3/8x14) (Propeller (3x11-3/8x14); S1400) (Propeller (3x11-3/8x14))

под заказ24240 руб.
2158100-88L52-019

   (актуальный код замены) Гребной винт (3x11-3 / 8x14) - Propeller (3x11-3/8x14)

1 шт24240 руб.
21SK58100-95353-019

   (не оригинальный аналог) Винт гребной Skipper для Suzuki 40-50HP алюминиевый, диаметр - 11 3/8", шаг 14"

0 шт3844 руб.
2158100-88L52-019

Гребной винт (3x11-3 / 8x14) - Propeller (3x11-3/8x14) (Propeller (3x11-3/8x14))

1 шт24240 руб.
2158100-95363-019

Гребной винт (3x11-1 / 4x15) - Propeller (3x11-1/4x15) (Propeller (3x11-1/4x15); S1500) (Propeller (3x11-1/4x15))

под заказ24240 руб.
2158100-88L62-019

   (актуальный код замены) Гребной винт (3x11-1 / 4x15) - Propeller (3x11-1/4x15)

8 шт27480 руб.
2158100-88L62-019

Гребной винт (3x11-1 / 4x15) - Propeller (3x11-1/4x15) (Propeller (3x11-1/4x15))

8 шт27480 руб.
21SK58100-88L62-019

   (не оригинальный аналог) Винт гребной Skipper Ultima для Suzuki 35-65HP алюминиевый, диаметр 11 1/4", шаг 15"

0 шт3416 руб.
2158100-95373-019

Гребной винт (3x11-1 / 8x16) - Propeller (3x11-1/8x16) (Propeller (3x11-1/8x16); S1600) (Propeller (3x11-1/8x16))

1 шт24240 руб.
2158100-88L72-019

   (актуальный код замены) Гребной винт (3x11-1 / 8x16) - Propeller (3x11-1/8x16)

3 шт24240 руб.
2158100-88L72-019

Гребной винт (3x11-1 / 8x16) - Propeller (3x11-1/8x16) (Propeller (3x11-1/8x16))

3 шт24240 руб.
2158100-95382-019

Гребной винт (3x11x17) - Propeller (3x11x17) (Propeller (3x11x17); S1700) (Propeller (3x11x17))

под заказ24240 руб.
2158100-88LF0-019

   (актуальный код замены) Гребной винт Comp (3x11x17) - Propeller Comp (3x11x17)

2 шт28800 руб.
2158100-88L83-019

Гребной винт (3x11x17) - Propeller (3x11x17) (Propeller (3x11x17))

под заказ24240 руб.
2158100-88LF0-019

   (актуальный код замены) Гребной винт Comp (3x11x17) - Propeller Comp (3x11x17)

2 шт28800 руб.
21SK58100-88L83-019

   (не оригинальный аналог) Винт гребной Skipper Ultima для Suzuki 35-65HP алюминиевый, диаметр 11", шаг 17"

0 шт3416 руб.
2158100-94401-000

Гребной винт (3x11-1 / 2x13) - Propeller (3x11-1/2x13) (Ss1300, sst) (Propeller (3x11-1/2x13))

под заказ213120 руб.
2158200-88L00-000

   (актуальный код замены) Гребной винт (3x11-1 / 2x13) - Propeller (3x11-1/2x13)

под заказ213120 руб.
2158200-88L00-000

Гребной винт (3x11-1 / 2x13) - Propeller (3x11-1/2x13) (Propeller (3x11-1/2x13))

под заказ213120 руб.
2158100-94411-000

Гребной винт (3x11-1 / 2x14) - Propeller (3x11-1/2x14) (Ss1400, sst) (Propeller (3x11-1/2x14))

под заказ212160 руб.
2158200-88L10-000

   (актуальный код замены) Гребной винт (3x11-1 / 2x14) - Propeller (3x11-1/2x14)

под заказ212160 руб.
2158200-88L10-000

Гребной винт (3x11-1 / 2x14) - Propeller (3x11-1/2x14) (Propeller (3x11-1/2x14))

под заказ212160 руб.
2158100-94431-000

Гребной винт (3x11-1 / 2x16) - Propeller (3x11-1/2x16) (Propeller (3x11-1/8x16); Ss1600, sst) (Propeller (3x11-1/2x16))

под заказ115680 руб.
2158200-88L30-000

   (актуальный код замены) Гребной винт (3x11-1 / 2x16) - Propeller (3x11-1/2x16)

под заказ115680 руб.
2158200-88L30-000

Гребной винт (3x11-1 / 2x16) - Propeller (3x11-1/2x16) (Propeller (3x11-1/2x16))

под заказ115680 руб.
2258120-95300-000

Втулка гребного винта - Bush, Propeller (Bush, Propeller)

под заказ4250 руб.
2258120-88L01-000

   (актуальный код замены) Втулка гребного винта - Bush, Propeller

2 шт4650 руб.
2258120-88L01-000

Втулка гребного винта - Bush, Propeller (Bush, Propeller)

2 шт4650 руб.
2357633-94300-000

Проставка гайки гребного винта - Spacer, Propeller Nut (Spacer, propeller nut # Spacer, propeller nut; ) (Spacer, Propeller Nut)

под заказ2400 руб.
2357633-94301-000

   (актуальный код замены) Проставка гайки гребного винта - Spacer, Propeller Nut

7 шт3450 руб.
2457635-95300-000

Шайба гребного винта Гайка Lock - Washer, Propeller Nut Lock (Washer, propeller nut lock; ~model:92 ) (Washer, Propeller Nut Lock)

1 шт370 руб.
2509160-18028-000

Шайба (18.5x31x1) - Washer (185x31x1) (Dt40c:233196~, dt40w:232897~, dt40wk:231046~, model:93~99 ) (Washer (18.5x31x1))

3 шт280 руб.
25SK09160-18028

   (не оригинальный аналог) Шайба гребного винта Skipper для Suzuki 40-225, DF40-300

0 шт157 руб.
2609159-18004-000

Гайка - Nut (~model:92 ) (Nut)

1 шт2300 руб.
2709141-18005-000

Гайка - Nut (Dt40c:233196~, dt40w:232897~, dt40wk:231046~, model:93~99 ) (Nut)

19 шт900 руб.
2809204-03003-000

Штифт - Pin (Pin; ) (Pin)

374 шт220 руб.
2955300-95500-000

Цинковая защита, в сборе - Zinc Assy, Protection (Zinc, protection # Zinc, protection; Opt ) (Zinc Assy, Protection)

2 шт1940 руб.
3055181-95200-000

Соединение шланга для промывки - Attachment, Flush Hose (Attachment, flush hose # Attachment, flush hose; Opt ) (Attachment, Flush Hose)

2 шт810 руб.
3055182-95200-000

Запчасть снята с производства - The Spare Part Is Laid Off (Attachment, flush hose; Opt) (The Spare Part Is Laid Off)

под заказ0 руб.
3157630-94300-000

Гайка гребного винта Kit - Propeller Nut Kit (Kit, propeller nut # Propeller nut kit; Opt, ref.no.23, 25, 27, 28 ) (Propeller Nut Kit)

под заказ3700 руб.
3157630-94301-000

   (актуальный код замены) Гайка гребного винта, комплект - Kit, Propeller Nut

6 шт3700 руб.
3225700-94400-000

Комплект сальников редуктора (re-Сальникing) - Kit, Gear Case (re-sealing) (Opt, not shown) (Kit, Gear Case (re-sealing))

под заказ3940 руб.
3225700-88L03-000

   (актуальный код замены) Комплект сальников редуктора (re-Сальникing) - Kit, Gear Case (re-sealing)

31 шт4430 руб.
3225700-88L00-000

Комплект сальников редуктора (re-Сальникing) - Kit, Gear Case (re-sealing) (Kit, Gear Case (re-sealing))

под заказ3940 руб.
3225700-88L03-000

   (актуальный код замены) Комплект сальников редуктора (re-Сальникing) - Kit, Gear Case (re-sealing)

31 шт4430 руб.


Время выполнения запроса 3.1285378932953 сек.

 
 

данный сайт носит информационный характер и не является публичной офертой

склад запчастей для водомоторной техники