Оригинальные запчасти на лодочный подвесной мотор Suzuki модель 1997 года - Clamp bracket
вконтакте

Контактный телефон: +7 (981) 121-46-93, +7 (800) 200-90-76 , Email: parts-katalog@yandex.ru, где купить

 
 

  Логин:

Пароль:

Регистрация

www.partskatalog.ru Все каталоги Запчасти Mercury Запчасти Suzuki Запчасти Tohatsu Запчасти Honda Контакты



УВАЖАЕМЫЕ КЛИЕНТЫ!
C 19 ДЕКАБРЯ 2025 ПО 02 МАРТА 2026 ГОДА ОТДЕЛ ЗАПЧАСТЕЙ И СЕРВИС РАБОТАТЬ НЕ БУДУТ
ПРОДАЖА ЛОДОЧНЫХ МОТОРОВ В ШТАТНОМ РЕЖИМЕ
ОБ ИЗМЕНЕНИЯХ В ГРАФИКЕ РАБОТЫ ЧИТАЙТЕ НА САЙТА



назад Раздел:   вперёд

Вернуться к выбору узлов мотора


ДЕТАЛИРОВКА ДЛЯ МОДЕЛИ: SUZUKI DT40WRV V

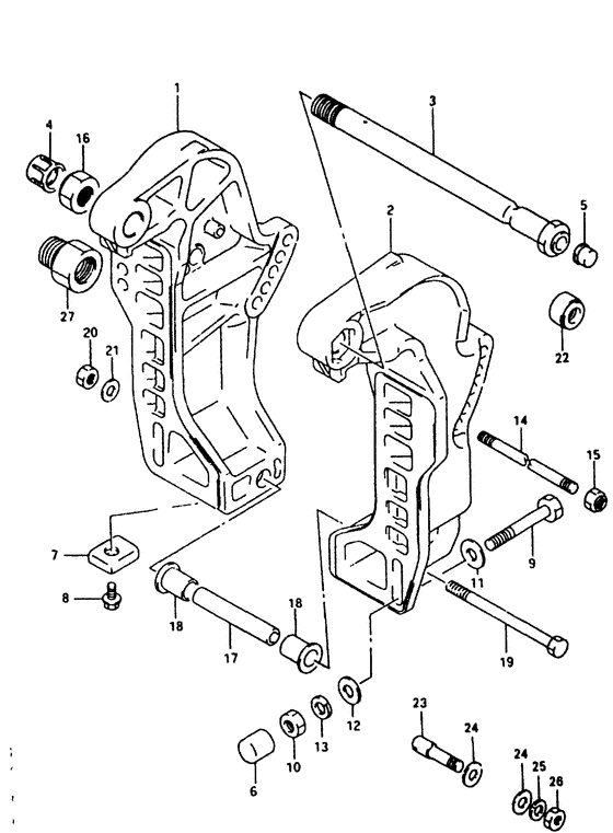
Кронштейн транца


Год выпуска двигателя: 1997

Номер на
рисунке
АртикулНаименованиеQTYКол-во
на складе
Цена
141111-97E01-0ED

Кронштейн правого зажима (gray) - Bracket, Clamp Stbd (gray) (Bracket, Clamp Stbd (gray))

под заказ0 руб.
141111-97E02-0ED

   (актуальный код замены) Запчасть снята с производства - The Spare Part Is Laid Off

под заказ0 руб.
141111-97E02-0ED

Кронштейн правого зажима (gray) - Bracket, Clamp Stbd (gray) (Bracket, Clamp Stbd (gray))

под заказ0 руб.
241121-97E01-0ED

Кронштейн левого зажима - Bracket, Clamp Port (Bracket, Clamp Port)

под заказ0 руб.
241121-97E03-0ED

   (актуальный код замены) Запчасть снята с производства - The Spare Part Is Laid Off

под заказ0 руб.
241121-97E03-0ED

Кронштейн левого зажима - Bracket, Clamp Port (Bracket, Clamp Port)

под заказ0 руб.
341130-95290-000

Труба кронштейна транца - Shaft, Clamp Bracket (Shaft, Clamp Bracket)

под заказ0 руб.
341130-95292-000

   (актуальный код замены) Запчасть снята с производства - The Spare Part Is Laid Off

под заказ0 руб.
341130-95292-000

Труба кронштейна транца - Shaft, Clamp Bracket (Shaft, Clamp Bracket)

под заказ0 руб.
441151-94500-000

Колпачок кронштейна транца Вал - Cap, Clamp Bracket Shaft (Cap, clamp bracket; ) (Cap, Clamp Bracket Shaft)

под заказ280 руб.
541152-94500-000

Заглушка, Кронштейн транца Вал - Plug, Clamp Bracket Shaft (Plug, clamp bracket shaft ) (Plug, Clamp Bracket Shaft)

под заказ290 руб.
641153-94500-000

Колпачок транцевого болта - Cap, Transom Bolt (Cap, transom bolt; ) (Cap, Transom Bolt)

2 шт370 руб.
755320-95310-000

Защитный цинковый анод - Zinc Set, Protection (Zinc, protection;) (Zinc Set, Protection)

под заказ1320 руб.
755320-95311-000

   (актуальный код замены) Защитный цинковый анод - Zinc Set, Protection

16 шт1320 руб.
755320-95311-000

Защитный цинковый анод - Zinc Set, Protection (Zinc Set, Protection)

16 шт1320 руб.
809116-06092-000

Болт (6x15) - Bolt (6x15) (Bolt, zinc (6x16);) (Bolt (6x15))

под заказ230 руб.
809116-06094-000

   (актуальный код замены) Болт (6x15) - Bolt (6x15)

20 шт270 руб.
809116-06094-000

Болт (6x15) - Bolt (6x15) (Bolt (6x15))

20 шт270 руб.
909100-12039-000

(Bolt (12x100);)

под заказнет сведений
909100-12093-000

Болт (12x100) - Bolt (12x100) (Bolt (12x100))

6 шт1330 руб.
909159-12014-000

Гайка - Nut (Nut)

18 шт370 руб.
1009140-12028-000

Гайка - Nut (Nut, transom; ) (Nut)

под заказ350 руб.
1109160-12044-000

Шайба (12.5x35x3.2) - Washer (125x35x32) (Washer (12.5x35x3.2) # Washer (12.5x35x3.2); ) (Washer (12.5x35x3.2))

12 шт260 руб.
1209160-12066-000

Шайба (12.5x22x2.5) - Washer (125x22x25) (Washer (12.5x22x2.5) # Washer (12.5x22x2.5); ) (Washer (12.5x22x2.5))

19 шт150 руб.
1309162-12005-000

Шайба с блокировкой - Washer, Lock (Lock washer (12.2x21.5x3) # Washer, transom lock; ) (Washer, Lock)

под заказ160 руб.
1445421-97E00-000

Запчасть снята с производства - The Spare Part Is Laid Off (The Spare Part Is Laid Off)

под заказ0 руб.
1509159-10050-000

Гайка - Nut (Nut, tilt lock; ) (Nut)

8 шт250 руб.
1609159-22003-000

Гайка - Nut (Nut)

под заказ1950 руб.
1609159-22006-000

   (актуальный код замены) Гайка - Nut

8 шт1950 руб.
1609159-22006-000

Гайка - Nut (Nut)

8 шт1950 руб.
1748121-97E00-000

Вал наклона Цилиндр Lwr - Shaft, Tilt Cylinder Lwr (Shaft, tilt cylinder lower ) (Shaft, Tilt Cylinder Lwr)

под заказ0 руб.
1809307-18002-000

Втулка - Bush (Bush, tilt cyl lower; ) (Bush)

под заказ840 руб.
1909100-10190-000

Болт (10x145) - Bolt (10x145) (Bolt, tilt lower (10x14.5);) (Bolt (10x145))

под заказ4230 руб.
1909100-10190-XC0

   (актуальный код замены) Болт (10x145) - Bolt (10x145)

под заказ4230 руб.
1909100-10190-XC0

Болт (10x145) - Bolt (10x145) (Bolt (10x145))

под заказ4230 руб.
2009159-10050-000

Гайка - Nut (Nut, tilt cyl lower; ) (Nut)

8 шт250 руб.
2109160-10082-000

Шайба (10.5x19x2) - Washer (105x19x2) (Washer # Washer, tilt cyl lower; ) (Washer (10.5x19x2))

19 шт120 руб.
2241161-94400-000

Сальник рулевого кабеля - Seal, Steering Cable (Seal, steering cable ) (Seal, Steering Cable)

16 шт1530 руб.
2348211-94400-000

Запчасть снята с производства - The Spare Part Is Laid Off (~model:94) (The Spare Part Is Laid Off)

под заказ0 руб.
2409160-10098-000

Шайба (10x18x1) - Washer (10x18x1) (Washer, handle brkt # ~model:94 ) (Washer (10x18x1))

под заказ170 руб.
2509162-10005-000

Шайба с блокировкой - Washer, Lock (Lock washer # ~model:94 ) (Washer, Lock)

под заказ130 руб.
2609140-10032-000

Гайка - Nut (~model:94 ) (Nut)

10 шт160 руб.
2741141-94300-000

Соединитель рулевой системы Регулятор - Attachment, Steering Adjuster (Attachment, steering cable; Opt) (Attachment, Steering Adjuster)

под заказ6920 руб.
2741141-94301-000

   (актуальный код замены) Соединитель рулевой системы Регулятор - Attachment, Steering Adjuster

под заказ6920 руб.
2741141-94301-000

Соединитель рулевой системы Регулятор - Attachment, Steering Adjuster (Attachment, Steering Adjuster)

под заказ6920 руб.


Время выполнения запроса 2.5433449745178 сек.

 
 

данный сайт носит информационный характер и не является публичной офертой

склад запчастей для водомоторной техники