Комплектующие на мотор Suzuki DT40CS/L/L2 модель 1997 года - Carburetor
вконтакте

Контактный телефон: +7 (981) 121-46-93, +7 (800) 200-90-76 , Email: parts-katalog@yandex.ru, где купить

 
 

  Логин:

Пароль:

Регистрация

www.partskatalog.ru Все каталоги Запчасти Mercury Запчасти Suzuki Запчасти Tohatsu Запчасти Honda Контакты



УВАЖАЕМЫЕ КЛИЕНТЫ!
C 19 ДЕКАБРЯ 2025 ПО 02 МАРТА 2026 ГОДА ОТДЕЛ ЗАПЧАСТЕЙ И СЕРВИС РАБОТАТЬ НЕ БУДУТ
ПРОДАЖА ЛОДОЧНЫХ МОТОРОВ В ШТАТНОМ РЕЖИМЕ
ОБ ИЗМЕНЕНИЯХ В ГРАФИКЕ РАБОТЫ ЧИТАЙТЕ НА САЙТА



назад Раздел:   вперёд

Вернуться к выбору узлов мотора


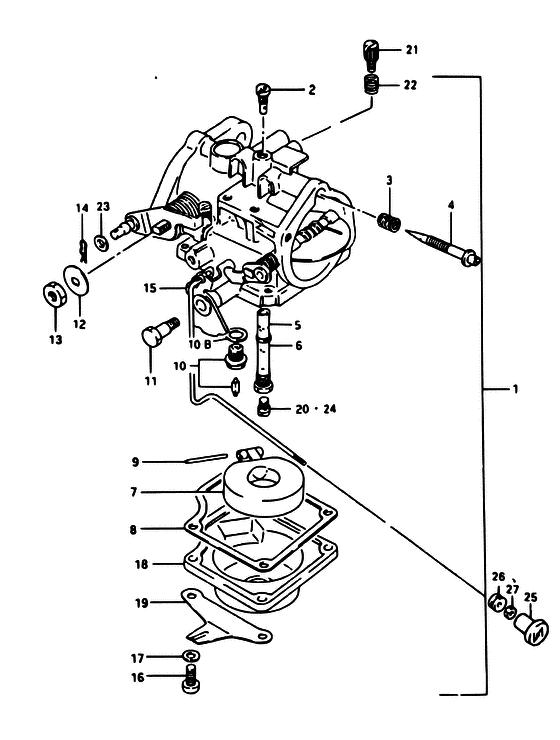
ДЕТАЛИРОВКА ДЛЯ МОДЕЛИ: SUZUKI DT40C V/DT40TC V/DT40RC V

Карбюратор


Код модели двигателя: DT40CS/L/L2

Год выпуска двигателя: 1997

Цвет: California Gray Metallic

Номер на
рисунке
АртикулНаименованиеQTYКол-во
на складе
Цена
113200-944E1-000

Карбюратор в сборе - Carburetor Assy (MODEL:89~99 <-13200-944E0 ) (Carburetor Assy)

под заказ73920 руб.
113200-97E41-000

Карбюратор в сборе - Carburetor Assy (MODEL:89~94/E28 E90) (Carburetor Assy)

под заказ73920 руб.
113200-944E1-000

   (актуальный код замены) Карбюратор в сборе - Carburetor Assy

под заказ73920 руб.
113200-944E1-000

Карбюратор в сборе - Carburetor Assy (Carburetor Assy)

под заказ73920 руб.
209492-77001-000

Контрольная форсунка (77.5) - Jet, Pilot (775) (Jet, pilot 77.5 ) (Jet, Pilot (77.5))

под заказ1260 руб.
313271-93311-000

Пружина - Spring (Spring, air screw ) (Spring)

1 шт350 руб.
413269-95210-000

Винт контроля воздуха - Screw, Pilot Air (Adjustor ) (Screw, Pilot Air)

под заказ810 руб.
513237-94400-000

Nozzle - Nozzle (Nozzle)

1 шт450 руб.
613236-94400-000

Главная форсунка - Nozzle, Main (Nozzle, Main)

под заказ2790 руб.
713250-93012-000

Поплавок - Float (Float)

под заказ1950 руб.
813251-95220-000

Прокладка поплавковой камеры - Gasket, Float Cahmber (<-13251-95210 ) (Gasket, Float Cahmber)

под заказ840 руб.
913254-93010-000

Стопор поплавка - Pin, Float (Pin, Float)

под заказ240 руб.
913254-98300-000

   (актуальный код замены) Стопор поплавка - Pin, Float

под заказ240 руб.
913254-98300-000

Стопор поплавка - Pin, Float (Pin, float ) (Pin, Float)

под заказ240 руб.
1013370-28110-000

Игольчатый клапан, в сборе - Valve Assy, Needle (Valve assy, needle ) (Valve Assy, Needle)

4 шт4350 руб.
1013370-97E20-000

Игольчатый клапан, в сборе - Valve Assy, Needle (Valve assy, needle # MODEL:93~99 ) (Valve Assy, Needle)

под заказ4660 руб.
1013392-58600-000

Прокладка седла клапана - Gasket, Valve Seat (Gasket, valve seat ) (Gasket, Valve Seat)

1 шт150 руб.
1113613-94300-000

Болт - Bolt (Bolt ) (Bolt)

под заказ760 руб.
1213606-93310-000

Запчасть снята с производства - The Spare Part Is Laid Off (The Spare Part Is Laid Off)

под заказ0 руб.
1313607-93310-000

Запчасть снята с производства - The Spare Part Is Laid Off (The Spare Part Is Laid Off)

под заказ0 руб.
1413464-96350-000

Стопор пружины - Spring Pin (<-13609-98300 ) (Spring Pin)

под заказ150 руб.
1513580-94400-000

Рычаг в сборе - Lever Assy (Lever Assy)

под заказ4760 руб.
1602112-05167-000

Винт - Screw (Screw)

под заказ150 руб.
1708321-01057-000

Шайба с блокировкой - Washer, Lock (Washer, Lock)

под заказ140 руб.
1708321-0105A-000

   (актуальный код замены) Шайба с блокировкой - Washer, Lock

под заказ140 руб.
1708321-0105A-000

Шайба с блокировкой - Washer, Lock (Washer, Lock)

под заказ140 руб.
1813245-94400-000

Корпус в сборе, Поплавковая камера - Body Assy, Float Chamber (Froat chamber ) (Body Assy, Float Chamber)

под заказ4350 руб.
1913426-95211-000

Пластина - Plate (Plate)

под заказ500 руб.
2009491-38007-000

Главная форсунка (190) - Jet, Main (190) (Jet, main (190) ) (Jet, Main (190))

под заказ730 руб.
2113267-93900-000

Винт - Screw (Screw, throttle ) (Screw)

под заказ320 руб.
2213268-96110-000

Пружина, Дроссель Винт - Spring, Throttle Screw (Spring, Throttle Screw)

под заказ350 руб.
2213268-96111-000

   (актуальный код замены) Пружина, Дроссель Винт - Spring, Throttle Screw

под заказ350 руб.
2213268-96111-000

Пружина, Дроссель Винт - Spring, Throttle Screw (Spring, throttle screw ) (Spring, Throttle Screw)

под заказ350 руб.
2313432-33110-000

Шайба - Washer (Ring, friction ) (Washer)

под заказ380 руб.
2409491-35008-000

Главная форсунка (175) - Jet, Main (175) (OPT ) (Jet, Main (175))

под заказ0 руб.
2409491-36005-000

Главная форсунка (180) - Jet, Main (180) (Jet, main (180) # OPT ) (Jet, Main (180))

под заказ970 руб.
2409491-37004-000

Главная форсунка (185) - Jet, Main (185) (Jet, main (185) # OPT ) (Jet, Main (185))

под заказ900 руб.
2409491-38008-000

Главная форсунка (195) - Jet, Main (195) (Jet, main (195) # OPT ) (Jet, Main (195))

под заказ730 руб.
2409491-40007-000

Запчасть снята с производства - The Spare Part Is Laid Off (OPT) (The Spare Part Is Laid Off)

под заказ0 руб.
2513631-93501-000

Рукоятка стартера - Knob, Starter (<-13631-93500 ) (Knob, Starter)

2 шт460 руб.
2609305-04005-000

Втулка - Bush (Bush)

под заказ160 руб.
2609320-04013-000

   (актуальный код замены) Подушка, Muf Cov - Cushion, Muf Cov

под заказ160 руб.
2609320-04009-000

Втулка - Bush (Bush)

под заказ160 руб.
2609320-04013-000

   (актуальный код замены) Подушка, Muf Cov - Cushion, Muf Cov

под заказ160 руб.
2709140-04007-000

Гайка - Nut (Nut)

под заказ170 руб.


Время выполнения запроса 3.0783669948578 сек.

 
 

данный сайт носит информационный характер и не является публичной офертой

склад запчастей для водомоторной техники