| |
 |
|
 |
Вернуться к выбору узлов мотора
ДЕТАЛИРОВКА ДЛЯ МОДЕЛИ: SUZUKI DT40W V/DT40WR V
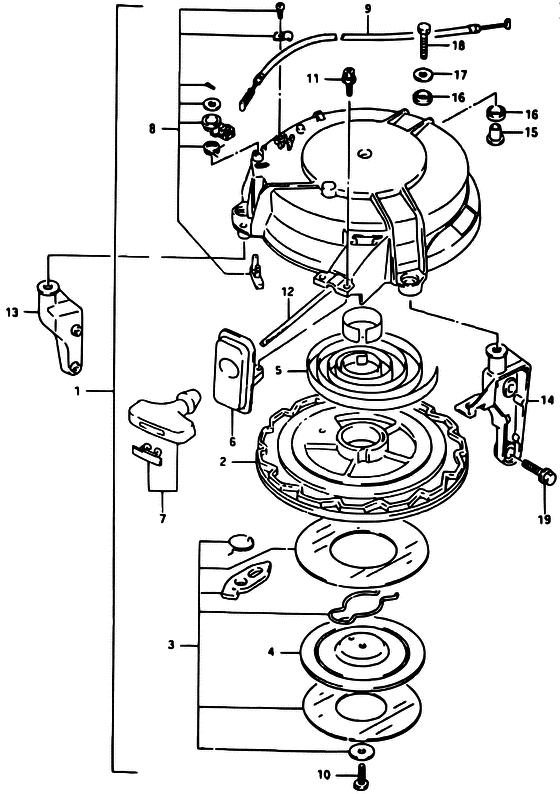
Барабанный стартер
Код модели двигателя: DT40W(R)S/L/LL/L2/UL;DT40WK(R)S/L/LL/L2/UL;
Год выпуска двигателя: 1997
Цвет: California Gray Metallic
Номер на рисунке | Артикул | Наименование | QTY | Кол-во на складе | Цена |
| 1 | 18100-94430-000 | Барабанный стартер в сборе - Starter Assy, Recoil (Starter assy, recoil ) (Starter Assy, Recoil) | | 1 шт | 65760 руб. |
| 2 | 18121-94410-000 | Барабан - Reel (Reel) | | под заказ | 9700 руб. |
| 3 | 18130-94400-000 | Храповик, установочный комплект - Ratchet Set (Ratchet Set) | | под заказ | 5860 руб. |
| 4 | 18151-94410-000 | Пластина трения - Plate, Friction (Plate, Friction) | | под заказ | 2050 руб. |
| 5 | 18142-95210-000 | Пружина - Spring (Spring) | | под заказ | 9510 руб. |
| 6 | 18191-94410-000 | Направляющая пластина - Plate, Guide (Plate, Guide) | | под заказ | 4950 руб. |
| 7 | 18210-93002-000 | Рукоятка в сборе - Grip Assy (Grip Assy) | | 1 шт | 1150 руб. |
| 8 | 18280-94400-000 | Nsi Set - Nsi Set (Nsi Set) | | под заказ | 2210 руб. |
| 9 | 18290-94400-000 | Тросик NSI - Cable Assy, Nsi (Cable Assy, Nsi) | | под заказ | 2180 руб. |
| 10 | 01500-06207-000 | Болт - Bolt (Bolt) | | под заказ | 150 руб. |
| 11 | 01580-06207-000 | Болт - Bolt (Bolt) | | под заказ | 210 руб. |
| 12 | 99000-81159-50M | Шнур стартера 6 ммdia, 50m Role - Starter Rope 6mmdia, 50m Role (OPT L:50000->2000 ) (Starter Rope 6mmdia, 50m Role) | | под заказ | 29280 руб. |
| 12 | 99000-81159-01M | (актуальный код замены) Шнур стартера 6 Mm (1 Metr) Na Otrez - Starter Rope 6 Mm (1 Metr) Na Otrez | | 49 шт | 590 руб. |
| 13 | 18711-94402-0ED | Правая скоба барабанного стартера - Brace, Recoil Starter Stbd (Brace, recoil starter stbd ) (Brace, Recoil Starter Stbd) | | под заказ | 0 руб. |
| 14 | 18721-94402-0ED | Левая скоба барабанного стартера - Brace, Recoil Starter Port (Brace, recoil starter port ) (Brace, Recoil Starter Port) | | под заказ | 0 руб. |
| 15 | 09180-08169-000 | Проставка (8.6x12x17) - Spacer (86x12x17) (Spacer (8.6x12x17)) | | под заказ | 410 руб. |
| 16 | 09320-12059-000 | Подушка - Cushion (Cushion) | | под заказ | 290 руб. |
| 17 | 09160-08124-000 | Шайба (8.5x20x1.6) - Washer (85x20x16) (Washer (8.5x20x1.6)) | | под заказ | 150 руб. |
| 18 | 01550-08357-000 | Болт - Bolt (Bolt) | | под заказ | 260 руб. |
| 19 | 02162-06257-000 | Винт - Screw (Bolt ) (Screw) | | 7 шт | 150 руб. |
Время выполнения запроса 1.3947420120239 сек. |
|