Купить запчасти на подвесной двигатель Suzuki DT40W(R)S/L/LL/L2/UL;DT40WK(R)S/L/LL/L2/UL; модель 1997 года - Топливный бак / Fuel tank
вконтакте

Контактный телефон: +7 (981) 121-46-93, +7 (800) 200-90-76 , Email: parts-katalog@yandex.ru, где купить

 
 

  Логин:

Пароль:

Регистрация

www.partskatalog.ru Все каталоги Запчасти Mercury Запчасти Suzuki Запчасти Tohatsu Запчасти Honda Контакты



УВАЖАЕМЫЕ КЛИЕНТЫ!
C 19 ДЕКАБРЯ 2025 ПО 02 МАРТА 2026 ГОДА ОТДЕЛ ЗАПЧАСТЕЙ И СЕРВИС РАБОТАТЬ НЕ БУДУТ
ПРОДАЖА ЛОДОЧНЫХ МОТОРОВ В ШТАТНОМ РЕЖИМЕ
ОБ ИЗМЕНЕНИЯХ В ГРАФИКЕ РАБОТЫ ЧИТАЙТЕ НА САЙТА



назад Раздел:   вперёд

Вернуться к выбору узлов мотора


ДЕТАЛИРОВКА ДЛЯ МОДЕЛИ: SUZUKI DT40W V/DT40WR V

Топливный бак


Код модели двигателя: DT40W(R)S/L/LL/L2/UL;DT40WK(R)S/L/LL/L2/UL;

Год выпуска двигателя: 1997

Цвет: California Gray Metallic

Номер на
рисунке
АртикулНаименованиеQTYКол-во
на складе
Цена
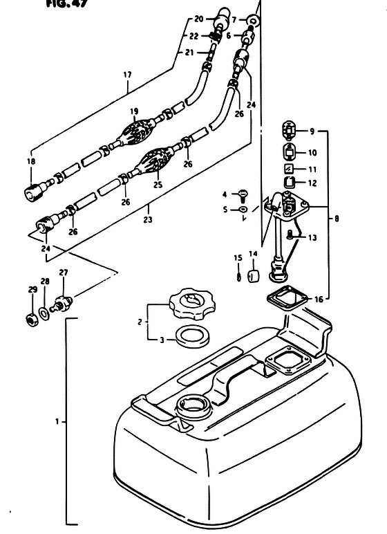
165800-92813-000

Запчасть снята с производства - The Spare Part Is Laid Off (4 U.S GAL/3.3 IMP GAL) (The Spare Part Is Laid Off)

под заказ0 руб.
165800-92814-000

   (актуальный код замены) Запчасть снята с производства - The Spare Part Is Laid Off

под заказ0 руб.
265510-92D00-000

Крышка горловины топливного бака, в сборе - Cap Assy, Fuel Tank (Cap assy, separate tank ) (Cap Assy, Fuel Tank)

под заказ0 руб.
365561-92D00-000

Прокладка - Gasket (Gasket, tank cap ) (Gasket)

под заказ0 руб.
402112-16167-000

Винт - Screw (Screw)

под заказ190 руб.
509168-06026-000

Прокладка (6.4x11.5x0.8) - Gasket (64x115x08) (Gasket (6.4x11.5x0.8))

под заказ240 руб.
665740-95500-000

Разъем топливного коннектора - Plug, Fuel Connector (Connector, fuel ) (Plug, Fuel Connector)

под заказ2720 руб.
665740-95501-000

   (актуальный код замены) Разъем топливного коннектора - Plug, Fuel Connector

под заказ2720 руб.
709168-12015-000

Прокладка (12.2x21x0.8) - Gasket (122x21x08) (Gasket (12.2x21x0.8))

под заказ350 руб.
709168-12015-XC0

   (актуальный код замены) Прокладка (12.2x21x0.8) - Gasket (12.2x21x0.8)

под заказ350 руб.
709168-12015-XC0

Прокладка (12.2x21x0.8) - Gasket (122x21x08) (Gasket (12.2x21x0.8))

под заказ350 руб.
865850-92D51-000

Прибор - измеритель уровня топлива - Gauge Assy, Fuel (Gauge Assy, Fuel)

под заказ7540 руб.
865850-92D52-000

   (актуальный код замены) Прибор - измеритель уровня топлива - Gauge Assy, Fuel

под заказ7540 руб.
965855-92D10-000

Крышка прибора - Cover, Gauge (Cover, Gauge)

под заказ0 руб.
1065854-92D20-000

Прокладка - Gasket (Gasket)

под заказ0 руб.
1165853-92D00-000

Lens - Lens (Lens)

под заказ0 руб.
1265854-92D30-000

Запчасть снята с производства - The Spare Part Is Laid Off (The Spare Part Is Laid Off)

под заказ0 руб.
1303221-04083-000

Винт - Screw (Screw)

под заказ140 руб.
1303221-0408A-000

   (актуальный код замены) Винт - Screw

под заказ140 руб.
1303221-0408A-000

Винт - Screw (Screw)

под заказ140 руб.
1465864-92D00-000

Запчасть снята с производства - The Spare Part Is Laid Off (The Spare Part Is Laid Off)

под заказ0 руб.
1565866-92D00-000

Push Гайка - Push Nut (Nut, push ) (Push Nut)

под заказ0 руб.
1665871-93010-000

Прокладка, Fuel Gauge - Gasket, Fuel Gauge (Gasket, fuel gauge ) (Gasket, Fuel Gauge)

под заказ240 руб.
1765700-87D40-000

Запчасть снята с производства - The Spare Part Is Laid Off (N/FUEL TANK) (The Spare Part Is Laid Off)

под заказ0 руб.
1765700-87D41-000

Топливный шланг (от бака до коннектораector) - Hose, Fuel (tank To Connector) (MODEL:97~99) (Hose, Fuel (tank To Connector))

под заказ0 руб.
1765700-87D47-000

   (актуальный код замены) Запчасть снята с производства - The Spare Part Is Laid Off

под заказ0 руб.
1765700-87D45-000

Топливный шланг (от бака до коннектораector) - Hose, Fuel (tank To Connector) (Hose, Fuel (tank To Connector))

под заказ0 руб.
1765700-87D47-000

   (актуальный код замены) Запчасть снята с производства - The Spare Part Is Laid Off

под заказ0 руб.
1765700-94411-000

Топливный шланг (gas от бака до коннектора) - Hose, Fuel (gas Tank To Conn) (DT40WK, N/FUEL TANK) (Hose, Fuel (gas Tank To Conn))

под заказ12440 руб.
1765700-94440-000

   (актуальный код замены) Топливный шланг (от бака до коннектора) - Hose, Fuel (tank To Conn)

под заказ12440 руб.
1765700-94416-000

Топливный шланг (gas от бака до коннектора) - Hose, Fuel (gas Tank To Conn) (Hose, Fuel (gas Tank To Conn))

под заказ12440 руб.
1765700-94440-000

   (актуальный код замены) Топливный шланг (от бака до коннектора) - Hose, Fuel (tank To Conn)

под заказ12440 руб.
1865750-94404-000

Разъём топливного шланга - Socket, Fuel Hose (Connector, fuel # N/FUEL TANK, FOR 65700-87D40 ) (Socket, Fuel Hose)

1 шт2130 руб.
1865750-95500-000

Разъём топливного шланга - Socket, Fuel Hose (Socket, fuel hose (in) # N/FUEL TANK, FOR 65700-94411 ) (Socket, Fuel Hose)

под заказ3700 руб.
1865750-95501-000

   (актуальный код замены) Разъём топливного шланга - Socket, Fuel Hose

2 шт3700 руб.
18SF80211-4

   (не оригинальный аналог) Коннектор топливный SUNFINE тип Suzuki, Mercury, Evinrude, Tohatsu, 10мм 3GF-70281-0

под заказ1880 руб.
1865750-98505-000

Разъём топливного шланга - Socket, Fuel Hose (Socket, fuel hose (out) # FOR 65700-87D41 ) (Socket, Fuel Hose)

2 шт3240 руб.
1865750-98506-000

   (актуальный код замены) Разъём топливного шланга - Socket, Fuel Hose

под заказ3240 руб.
1965770-95504-000

Запчасть снята с производства - The Spare Part Is Laid Off (N/FUEL TANK) (The Spare Part Is Laid Off)

под заказ0 руб.
1965770-95505-000

   (актуальный код замены) Запчасть снята с производства - The Spare Part Is Laid Off

под заказ0 руб.
1965770-95540-000

Запчасть снята с производства - The Spare Part Is Laid Off (FOR 65700-87D41) (The Spare Part Is Laid Off)

под заказ0 руб.
1965770-95541-000

   (актуальный код замены) Запчасть снята с производства - The Spare Part Is Laid Off

под заказ0 руб.
2065830-95500-000

Фильтр - Filter (N/FUEL TANK ) (Filter)

под заказ1180 руб.
2165842-94400-000

Фильтр топливного шланга - Tube, Fuel Filter (N/FUEL TANK) (Tube, Fuel Filter)

под заказ600 руб.
2165842-94401-000

   (актуальный код замены) Фильтр топливного шланга - Tube, Fuel Filter

под заказ600 руб.
2165842-94401-000

Фильтр топливного шланга - Tube, Fuel Filter (Tube, Fuel Filter)

под заказ600 руб.
2209401-11407-000

Зажим - Clip (N/FUEL TANK ) (Clip)

под заказ150 руб.
2365700-95516-000

Топливный шланг (от бака до коннектораector) - Hose, Fuel (tank To Connector) (W/FUEL TANK) (Hose, Fuel (tank To Connector))

под заказ30720 руб.
2365700-955A3-000

   (актуальный код замены) Шланг Comp, Fuel (от бака до коннектора) - Hose Comp, Fuel (tank To Conn)

под заказ30720 руб.
2365700-955A0-000

Топливный шланг (от бака до коннектораector) - Hose, Fuel (tank To Connector) (Hose, Fuel (tank To Connector))

под заказ30720 руб.
2365700-955A3-000

   (актуальный код замены) Шланг Comp, Fuel (от бака до коннектора) - Hose Comp, Fuel (tank To Conn)

под заказ30720 руб.
2465750-95500-000

Разъём топливного шланга - Socket, Fuel Hose (Socket, fuel hose (in) # W/FUEL TANK ) (Socket, Fuel Hose)

под заказ3700 руб.
2465750-95501-000

   (актуальный код замены) Разъём топливного шланга - Socket, Fuel Hose

2 шт3700 руб.
24SF80211-4

   (не оригинальный аналог) Коннектор топливный SUNFINE тип Suzuki, Mercury, Evinrude, Tohatsu, 10мм 3GF-70281-0

под заказ1880 руб.
2565770-95504-000

Запчасть снята с производства - The Spare Part Is Laid Off (W/FUEL TANK) (The Spare Part Is Laid Off)

под заказ0 руб.
2565770-95505-000

   (актуальный код замены) Запчасть снята с производства - The Spare Part Is Laid Off

под заказ0 руб.
2665781-98500-000

Зажим топливного шланга - Clip, Fuel Hose (W/FUEL TANK ) (Clip, Fuel Hose)

9 шт350 руб.
2765720-95511-000

Разъем топливного коннектора - Plug, Fuel Connector (Plug, Fuel Connector)

под заказ5810 руб.
2765720-955L1-000

   (актуальный код замены) Разъем топливного коннектора (gas) - Plug, Fuel Connector (gas)

под заказ5810 руб.
2765720-95512-000

Разъем топливного коннектора - Plug, Fuel Connector (Plug, Fuel Connector)

под заказ5810 руб.
2765720-955L1-000

   (актуальный код замены) Разъем топливного коннектора (gas) - Plug, Fuel Connector (gas)

под заказ5810 руб.
2808321-01127-000

Шайба с блокировкой - Washer, Lock (Washer, Lock)

под заказ150 руб.
2909140-12038-000

Гайка - Nut (Nut)

9 шт240 руб.


Время выполнения запроса 1.8128159046173 сек.

 
 

данный сайт носит информационный характер и не является публичной офертой

склад запчастей для водомоторной техники