Комплектующие на подвесной двигатель Suzuki DT40W(R)S/L/LL/L2/UL;DT40WK(R)S/L/LL/L2/UL; модель 1998 года - Oil pump / Масляный насос
вконтакте

Контактный телефон: +7 (981) 121-46-93, +7 (800) 200-90-76 , Email: parts-katalog@yandex.ru, где купить

 
 

  Логин:

Пароль:

Регистрация

www.partskatalog.ru Все каталоги Запчасти Mercury Запчасти Suzuki Запчасти Tohatsu Запчасти Honda Контакты



УВАЖАЕМЫЕ КЛИЕНТЫ!
C 19 ДЕКАБРЯ 2025 ПО 02 МАРТА 2026 ГОДА ОТДЕЛ ЗАПЧАСТЕЙ И СЕРВИС РАБОТАТЬ НЕ БУДУТ
ПРОДАЖА ЛОДОЧНЫХ МОТОРОВ В ШТАТНОМ РЕЖИМЕ
ОБ ИЗМЕНЕНИЯХ В ГРАФИКЕ РАБОТЫ ЧИТАЙТЕ НА САЙТА



назад Раздел:   вперёд

Вернуться к выбору узлов мотора


ДЕТАЛИРОВКА ДЛЯ МОДЕЛИ: SUZUKI DT40WK W

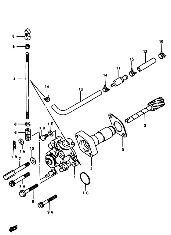
Масляный насос


Код модели двигателя: DT40W(R)S/L/LL/L2/UL;DT40WK(R)S/L/LL/L2/UL;

Год выпуска двигателя: 1998

Цвет: California Gray Metallic

Номер на
рисунке
АртикулНаименованиеQTYКол-во
на складе
Цена
116100-94420-000

Масляный насос в сборе - Pump Assy, Oil (Pump Assy, Oil)

под заказ0 руб.
113432-33100-000

Шайба - Washer (Washer)

под заказ330 руб.
116195-87D00-000

Штифт, Защелка - Pin, Snap (Pin, Snap)

под заказ250 руб.
116198-87D00-000

Уплотнительное кольцо, Масляный насос - O Ring, Oil Pump (O Ring, Oil Pump)

под заказ180 руб.
116191-94410-000

Болт - Bolt (Bolt, breed ) (Bolt)

под заказ0 руб.
116192-94410-000

Прокладка - Gasket (Gasket)

под заказ0 руб.
216331-94411-000

Шестерня масляного насоса - Gear, Oil Pump Driven (Gear, oil pump driven ) (Gear, Oil Pump Driven)

под заказ0 руб.
316340-94410-000

Фиксатор, Масляный насос - Retainer, Oil Pump (Retainer, Oil Pump)

под заказ0 руб.
316340-94420-000

   (актуальный код замены) Запчасть снята с производства - The Spare Part Is Laid Off

под заказ0 руб.
316340-94420-000

Фиксатор, Масляный насос - Retainer, Oil Pump (Retainer, Oil Pump)

под заказ0 руб.
416411-94400-000

Тяга, Масляный насос Управление - Rod, Oil Pump Control (Rod, throttle lever ) (Rod, Oil Pump Control)

под заказ0 руб.
516731-95310-000

Прокладка масляного насоса Фиксатор - Gasket, Oil Pump Retainer (Gasket, Oil Pump Retainer)

под заказ0 руб.
619131-95502-000

Коннектор - Connector (Connector, oil pump no.2 ) (Connector)

21 шт530 руб.
709119-05013-000

Запчасть снята с производства - The Spare Part Is Laid Off (MODEL:95) (The Spare Part Is Laid Off)

под заказ0 руб.
707130-05407-000

Болт - Bolt (MODEL:96~99 ) (Bolt)

под заказ230 руб.
809140-05005-000

Гайка - Nut (Nut)

10 шт270 руб.
901550-05307-000

Болт - Bolt (MODEL:95 ) (Bolt)

под заказ180 руб.
907130-05307-000

Болт - Bolt (MODEL:96~99 ) (Bolt)

под заказ190 руб.
1008322-01057-000

Шайба - Washer (Washer, front hook holder # MODEL:95 ) (Washer)

под заказ140 руб.
1116710-92E01-000

Контрольный клапан (single) - Valve, Check (single) (<-16710-92E00 ) (Valve, Check (single))

под заказ2060 руб.
1209351-50803-600

Шланг (5x8x1000) - Hose (5x8x1000) (L:600->40) (Hose (5x8x1000))

под заказ360 руб.
1209351-50803-00A

   (актуальный код замены) Шланг (5x8x1000) - Hose (5x8x1000)

под заказ360 руб.
1209351-50803-00A

Шланг (5x8x1000) - Hose (5x8x1000) (Hose (5x8x1000))

под заказ360 руб.
1309355-25705-600

Шланг (2.5x7x600) - Hose (25x7x600) (Hose, out no.4 (2.5x7x300) # L:600->130 ) (Hose (2.5x7x600))

под заказ680 руб.
1309355-25001-600

   (актуальный код замены) Шланг - Hose

под заказ680 руб.
1409401-06405-000

Зажим - Clip (Clip)

под заказ160 руб.
1509401-07403-000

Зажим - Clip (Clip)

под заказ160 руб.
1509401-08409-000

   (актуальный код замены) Зажим - Clip

под заказ160 руб.
1509401-08409-000

Зажим - Clip (Clip)

под заказ160 руб.


Время выполнения запроса 0.73826384544373 сек.

 
 

данный сайт носит информационный характер и не является публичной офертой

склад запчастей для водомоторной техники