| |
 |
|
 |
Вернуться к выбору узлов мотора
ДЕТАЛИРОВКА ДЛЯ МОДЕЛИ: SUZUKI DT40CX X
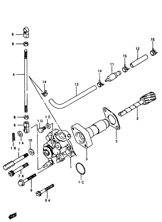
Масляный насос
Код модели двигателя: DT40CS/L/L2
Год выпуска двигателя: 1999
Цвет: California Gray Metallic
Номер на рисунке | Артикул | Наименование | QTY | Кол-во на складе | Цена |
| 1 | 16100-94420-000 | Масляный насос в сборе - Pump Assy, Oil (Pump Assy, Oil) | | под заказ | 0 руб. |
| 1 | 13432-33100-000 | Шайба - Washer (Washer) | | под заказ | 330 руб. |
| 1 | 16195-87D00-000 | Штифт, Защелка - Pin, Snap (Pin; ) (Pin, Snap) | | под заказ | 250 руб. |
| 1 | 16198-87D00-000 | Уплотнительное кольцо, Масляный насос - O Ring, Oil Pump (O Ring, Oil Pump) | | под заказ | 180 руб. |
| 1 | 16191-94410-000 | Болт - Bolt (Bolt, breed ) (Bolt) | | под заказ | 0 руб. |
| 1 | 16192-94410-000 | Прокладка - Gasket (Washer, breed; ) (Gasket) | | под заказ | 0 руб. |
| 2 | 16331-94411-000 | Шестерня масляного насоса - Gear, Oil Pump Driven (Gear, oil pump driven ) (Gear, Oil Pump Driven) | | под заказ | 0 руб. |
| 3 | 16340-94410-000 | Фиксатор, Масляный насос - Retainer, Oil Pump (Retainer, Oil Pump) | | под заказ | 0 руб. |
| 3 | 16340-94420-000 | (актуальный код замены) Запчасть снята с производства - The Spare Part Is Laid Off | | под заказ | 0 руб. |
| 3 | 16340-94420-000 | Фиксатор, Масляный насос - Retainer, Oil Pump (Retainer, Oil Pump) | | под заказ | 0 руб. |
| 4 | 16411-94400-000 | Тяга, Масляный насос Управление - Rod, Oil Pump Control (Rod, throttle lever # Rod, oil pump control; ) (Rod, Oil Pump Control) | | под заказ | 0 руб. |
| 5 | 16731-95310-000 | Прокладка масляного насоса Фиксатор - Gasket, Oil Pump Retainer (Gasket, oil pump retainer; ) (Gasket, Oil Pump Retainer) | | под заказ | 0 руб. |
| 6 | 19131-95502-000 | Коннектор - Connector (Connector, oil pump no.2 # Connector, oil pump control; ) (Connector) | | 21 шт | 530 руб. |
| 7 | 09119-05013-000 | Запчасть снята с производства - The Spare Part Is Laid Off (Model:95) (The Spare Part Is Laid Off) | | под заказ | 0 руб. |
| 7 | 07130-05407-000 | Болт - Bolt (Model:96~99 ) (Bolt) | | под заказ | 230 руб. |
| 8 | 09140-05005-000 | Гайка - Nut (Nut) | | 10 шт | 270 руб. |
| 9 | 01550-05307-000 | Болт - Bolt (Model:95 ) (Bolt) | | под заказ | 180 руб. |
| 9 | 07130-05307-000 | Болт - Bolt (Model:96~99 ) (Bolt) | | под заказ | 190 руб. |
| 10 | 08322-01057-000 | Шайба - Washer (Washer, front hook holder # Model:95 ) (Washer) | | под заказ | 140 руб. |
| 11 | 16710-92E01-000 | Контрольный клапан (single) - Valve, Check (single) (Valve, check oil; ) (Valve, Check (single)) | | под заказ | 2060 руб. |
| 12 | 09351-50803-600 | Шланг (5x8x1000) - Hose (5x8x1000) (Hose, oil (valve to 3 way); L:600->40) (Hose (5x8x1000)) | | под заказ | 360 руб. |
| 12 | 09351-50803-00A | (актуальный код замены) Шланг (5x8x1000) - Hose (5x8x1000) | | под заказ | 360 руб. |
| 12 | 09351-50803-00A | Шланг (5x8x1000) - Hose (5x8x1000) (Hose (5x8x1000)) | | под заказ | 360 руб. |
| 13 | 09355-25705-600 | Шланг (2.5x7x600) - Hose (25x7x600) (Hose, out no.4 (2.5x7x300) # Hose, oil (pump to valve); L:600->130 ) (Hose (2.5x7x600)) | | под заказ | 680 руб. |
| 13 | 09355-25001-600 | (актуальный код замены) Шланг - Hose | | под заказ | 680 руб. |
| 14 | 09401-06405-000 | Зажим - Clip (Clip) | | под заказ | 160 руб. |
| 15 | 09401-07403-000 | Зажим - Clip (Clip) | | под заказ | 160 руб. |
| 15 | 09401-08409-000 | (актуальный код замены) Зажим - Clip | | под заказ | 160 руб. |
| 15 | 09401-08409-000 | Зажим - Clip (Clip) | | под заказ | 160 руб. |
Время выполнения запроса 2.7342889308929 сек. |
|