| |
 |
|
 |
Вернуться к выбору узлов мотора
ДЕТАЛИРОВКА ДЛЯ МОДЕЛИ: SUZUKI DT40WX X
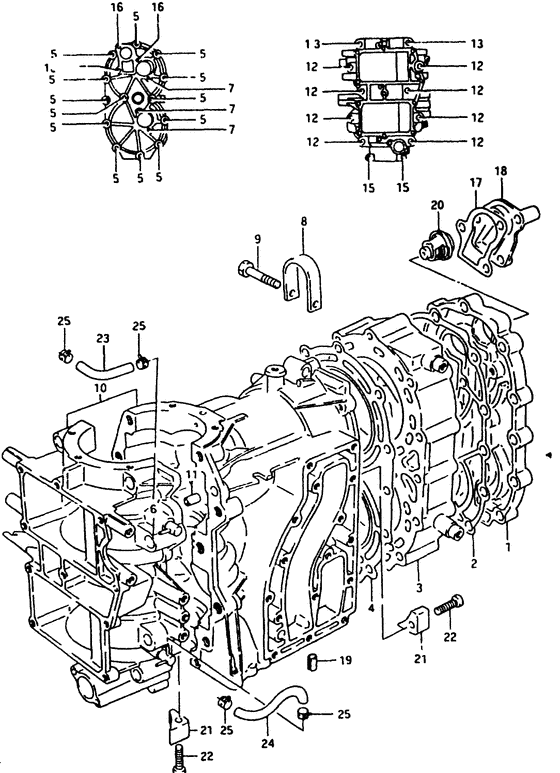
Цилиндр
Код модели двигателя: DT40W(R)S/L/LL/L2/UL;DT40WK(R)S/L/LL/L2/UL;
Год выпуска двигателя: 1999
Цвет: California Gray Metallic
Номер на рисунке | Артикул | Наименование | QTY | Кол-во на складе | Цена |
| 1 | 11161-94400-0ED | Крышка головки цилиндра - Cover, Cylinder Head (Cover, cylinder head (gray) # Cover, cylinder head (gray); ) (Cover, Cylinder Head) | | под заказ | 0 руб. |
| 2 | 11162-94410-000 | Прокладка крышки головки блока цилиндра - Gasket, Cyl Head Cover (Gasket, Cyl Head Cover) | | под заказ | 1200 руб. |
| 2 | 11162-92L00-000 | (актуальный код замены) Прокладка крышки головки блока цилиндра - Gasket, Cyl Head Cover | | 10 шт | 1500 руб. |
| 2 | SK11162-94410 | (не оригинальный аналог) Прокладка крышки головки блока Skipper для Suzuki Модели техники: 2-stroke 40HP | | 0 шт | 495 руб. |
| 2 | 11162-92L00-000 | Прокладка крышки головки блока цилиндра - Gasket, Cyl Head Cover (Gasket, Cyl Head Cover) | | 10 шт | 1500 руб. |
| 3 | 11111-94401-0ED | Головка цилиндра - Head, Cylinder (Head, cylinder (gray) # Head, cylinder (gray); Dt40c, 40tc, 40rc, 40w, 40wr, model:86~99, ) (Head, Cylinder) | | под заказ | 0 руб. |
| 3 | 11111-94421-0ED | Запчасть снята с производства - The Spare Part Is Laid Off (Head, cylinder (gray); Dt40wk, model:91~99) (The Spare Part Is Laid Off) | | под заказ | 0 руб. |
| 4 | 11141-94440-000 | Прокладка головки блока цилиндра - Gasket, Cylinder Head (Gasket, Cylinder Head) | | под заказ | 2880 руб. |
| 4 | 11141-94450-000 | (актуальный код замены) Прокладка головки блока цилиндра - Gasket, Cylinder Head | | 17 шт | 3140 руб. |
| 4 | SC-GS251 | (не оригинальный аналог) Прокладка под головку Suzuki SC-GS251 | | под заказ | 1190 руб. |
| 4 | 11141-94450-000 | Прокладка головки блока цилиндра - Gasket, Cylinder Head (Gasket, Cylinder Head) | | 17 шт | 3140 руб. |
| 5 | 01560-08757-000 | Болт - Bolt (Bolt) | | под заказ | 290 руб. |
| 6 | 16710-94420-000 | Запчасть снята с производства - The Spare Part Is Laid Off (Dt40c, model:94) (The Spare Part Is Laid Off) | | под заказ | 0 руб. |
| 7 | 09103-06182-000 | Болт (6x28) - Bolt (6x28) (Bolt (6x28)) | | под заказ | 180 руб. |
| 8 | 11291-94402-000 | Крюк двигателя - Hook, Engine (Hook, engine port ) (Hook, Engine) | | под заказ | 430 руб. |
| 9 | 01550-08357-000 | Болт - Bolt (Bolt) | | под заказ | 260 руб. |
| 10 | 11301-94446-0ED | Запчасть снята с производства - The Spare Part Is Laid Off (Cylinder assy (gray); Dt40c, model:86~94) (The Spare Part Is Laid Off) | | под заказ | 0 руб. |
| 10 | 11301-94452-0ED | Цилиндр в сборе (gray) - Cylinder Assy (gray) (Cylinder assy (gray) # Cylinder assy (gray); Dt40c, 40tc, 40rc, model:95~99, ) (Cylinder Assy (gray)) | | под заказ | 0 руб. |
| 10 | 11301-94437-0ED | Блок цилиндра в сборе - Block Assy, Cylinder (Cylinder assy (gray); Dt40w, 40wk, 40wr) (Block Assy, Cylinder) | | под заказ | 165600 руб. |
| 10 | 11300-92L20-000 | (актуальный код замены) Блок цилиндра в сборе - Block Assy, Cylinder | | под заказ | 165600 руб. |
| 10 | 11300-92L20-000 | Блок цилиндра в сборе - Block Assy, Cylinder (Block Assy, Cylinder) | | под заказ | 165600 руб. |
| 10 | 11300-92L20-000 | Блок цилиндра в сборе - Block Assy, Cylinder (Block Assy, Cylinder) | | под заказ | 165600 руб. |
| 11 | 04211-09109-000 | Штифт - Pin (Knock pin # Knock pin; ) (Pin) | | под заказ | 120 руб. |
| 12 | 01550-10557-000 | Болт - Bolt (Bolt) | | под заказ | 290 руб. |
| 13 | 01560-10657-000 | Болт - Bolt (Bolt) | | под заказ | 330 руб. |
| 15 | 01550-06407-000 | Болт - Bolt (Bolt) | | 4 шт | 210 руб. |
| 16 | 09103-06183-000 | Болт (6x36) - Bolt (6x36) (Bolt (6x38) # Bolt (6x38); ) (Bolt (6x36)) | | под заказ | 280 руб. |
| 17 | 17685-94410-000 | Прокладка крышки термостата - Gasket, Thermostat Cover (Gasket, thermostat cover ) (Gasket, Thermostat Cover) | | 5 шт | 480 руб. |
| 18 | 17681-94401-0ED | Крышка термостата - Cover, Thermostat (Cover, thermostat # Cover, thermostat (gray); ) (Cover, Thermostat) | | под заказ | 13830 руб. |
| 19 | 09205-06011-000 | Стопор пружины (6x12) - Pin, Spring (6x12) (Pin, Spring (6x12)) | | под заказ | 120 руб. |
| 21 | 11281-94400-000 | Защитный анод - Protection, Anode (Protection, anode # Protection, anode; Model:92 ) (Protection, Anode) | | под заказ | 390 руб. |
| 22 | 09126-06005-000 | Винт (6x30) - Screw (6x30) (Screw (6x30); Model:92 ) (Screw (6x30)) | | под заказ | 160 руб. |
| 23 | 09351-25703-600 | Шланг (2.5x7x600) - Hose (25x7x600) (Hose, outlet no.1 # Hose, oil; Dt40c, l:600->60, model:94 ) (Hose (2.5x7x600)) | | под заказ | 480 руб. |
| 24 | 09351-25703-600 | Шланг (2.5x7x600) - Hose (25x7x600) (Hose, outlet no.1 # Hose, oil; Dt40c, l:600->75, model:94 ) (Hose (2.5x7x600)) | | под заказ | 480 руб. |
| 25 | 09401-06405-000 | Зажим - Clip (Dt40c, model:94 ) (Clip) | | под заказ | 160 руб. |
Время выполнения запроса 1.2629868984222 сек. |
|