Найти запчасти Suzuki DT40CS/L/L2 - Корпус вала передачи
вконтакте

Контактный телефон: +7 (981) 121-46-93, +7 (800) 200-90-76 , Email: parts-katalog@yandex.ru, где купить

 
 

  Логин:

Пароль:

Регистрация

www.partskatalog.ru Все каталоги Запчасти Mercury Запчасти Suzuki Запчасти Tohatsu Запчасти Honda Контакты



УВАЖАЕМЫЕ КЛИЕНТЫ!
C 19 ДЕКАБРЯ 2025 ПО 02 МАРТА 2026 ГОДА ОТДЕЛ ЗАПЧАСТЕЙ И СЕРВИС РАБОТАТЬ НЕ БУДУТ
ПРОДАЖА ЛОДОЧНЫХ МОТОРОВ В ШТАТНОМ РЕЖИМЕ
ОБ ИЗМЕНЕНИЯХ В ГРАФИКЕ РАБОТЫ ЧИТАЙТЕ НА САЙТА



назад Раздел:   вперёд

Вернуться к выбору узлов мотора


ДЕТАЛИРОВКА ДЛЯ МОДЕЛИ: SUZUKI DT40C X/DT40TC X/DT40RC X

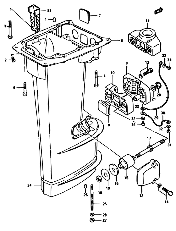
Корпус вала передачи


Код модели двигателя: DT40CS/L/L2

Год выпуска двигателя: 1999

Цвет: California Gray Metallic

Номер на
рисунке
АртикулНаименованиеQTYКол-во
на складе
Цена
109202-06031-000

Штифт (6x12) - Pin (6x12) (Pin, knock # <-09202-06026 ) (Pin (6x12))

20 шт220 руб.
252117-94400-000

Трубка контрольной струи - Tube, Water Inspection (~MODEL:96 ) (Tube, Water Inspection)

под заказ330 руб.
309118-08098-000

Болт (8x85) - Bolt (8x85) (Bolt (8x85))

под заказ570 руб.
309118-08172-000

   (актуальный код замены) Болт (8x85) - Bolt (8x85)

под заказ570 руб.
309118-08172-000

Болт (8x85) - Bolt (8x85) (Bolt (8x85))

под заказ570 руб.
409118-08109-000

Болт (8x75) - Bolt (8x75) (Bolt (8x75))

под заказ1280 руб.
409118-08171-000

   (актуальный код замены) Болт (8x75) - Bolt (8x75)

под заказ1280 руб.
409118-08171-000

Болт (8x75) - Bolt (8x75) (Bolt (8x75))

под заказ1280 руб.
509118-08106-000

Болт (8x50) - Bolt (8x50) (Bolt (8x50) ) (Bolt (8x50))

под заказ390 руб.
652111-94431-02M

(->52110-97E11-0ED USED WITH 52117-94400)

под заказнет сведений
652110-97E11-0ED

Запчасть снята с производства - The Spare Part Is Laid Off (The Spare Part Is Laid Off)

под заказ0 руб.
652110-97E12-0ED

   (актуальный код замены) Запчасть снята с производства - The Spare Part Is Laid Off

под заказ0 руб.
652117-94400-000

Трубка контрольной струи - Tube, Water Inspection (Tube, Water Inspection)

под заказ330 руб.
652111-94441-02M

(DT40C ~612610 ->52110-97E01-0ED USED WITH 52117-94400)

под заказнет сведений
652110-97E02-0ED

Запчасть снята с производства - The Spare Part Is Laid Off (The Spare Part Is Laid Off)

под заказ0 руб.
652117-94400-000

Трубка контрольной струи - Tube, Water Inspection (Tube, Water Inspection)

под заказ330 руб.
652111-94451-02M

(DT40C ~612610 ->52110-97E21-0ED USED WITH 52117-94400)

под заказнет сведений
652110-97E22-0ED

Корпус вала передачи (sl) (gray) - Housing, Drive Shaft (sl) (gray) (Housing, Drive Shaft (sl) (gray))

под заказ61440 руб.
652117-94400-000

Трубка контрольной струи - Tube, Water Inspection (Tube, Water Inspection)

под заказ330 руб.
652110-97E01-0ED

Запчасть снята с производства - The Spare Part Is Laid Off (MODEL:98, 99) (The Spare Part Is Laid Off)

под заказ0 руб.
652110-97E02-0ED

   (актуальный код замены) Запчасть снята с производства - The Spare Part Is Laid Off

под заказ0 руб.
652110-97E02-0ED

Запчасть снята с производства - The Spare Part Is Laid Off (The Spare Part Is Laid Off)

под заказ0 руб.
652110-97E21-0ED

Корпус вала передачи (sl) (gray) - Housing, Drive Shaft (sl) (gray) (MODEL:98, 99) (Housing, Drive Shaft (sl) (gray))

под заказ61440 руб.
652110-97E22-0ED

   (актуальный код замены) Корпус вала передачи (sl) (gray) - Housing, Drive Shaft (sl) (gray)

под заказ61440 руб.
652110-97E22-0ED

Корпус вала передачи (sl) (gray) - Housing, Drive Shaft (sl) (gray) (Housing, Drive Shaft (sl) (gray))

под заказ61440 руб.
652111-97E00-0ED

Запчасть снята с производства - The Spare Part Is Laid Off (MODEL:88~97 <-52111-94446-0ED <-52111-94472-02M) (The Spare Part Is Laid Off)

под заказ0 руб.
652110-97E02-0ED

   (актуальный код замены) Запчасть снята с производства - The Spare Part Is Laid Off

под заказ0 руб.
652110-97E02-0ED

Запчасть снята с производства - The Spare Part Is Laid Off (The Spare Part Is Laid Off)

под заказ0 руб.
652111-97E10-0ED

Запчасть снята с производства - The Spare Part Is Laid Off (MODEL:88~97 <-52111-94434-0ED <-52111-94460-0ED <-52111-94460-01T) (The Spare Part Is Laid Off)

под заказ0 руб.
652110-97E12-0ED

   (актуальный код замены) Запчасть снята с производства - The Spare Part Is Laid Off

под заказ0 руб.
652111-97E21-0ED

Корпус вала передачи (sl) (gray) - Housing, Drive Shaft (sl) (gray) (MODEL:88~97 <-52111-94454-0ED <-52111-94480-01T <-52111-94480-0ED) (Housing, Drive Shaft (sl) (gray))

под заказ61440 руб.
652110-97E22-0ED

   (актуальный код замены) Корпус вала передачи (sl) (gray) - Housing, Drive Shaft (sl) (gray)

под заказ61440 руб.
652110-97E22-0ED

Корпус вала передачи (sl) (gray) - Housing, Drive Shaft (sl) (gray) (Housing, Drive Shaft (sl) (gray))

под заказ61440 руб.
754125-94400-000

Крепление верхнего упора Reverse - Mount, Upr Thrust Reverse (Mount, upper thrust reverse ) (Mount, Upr Thrust Reverse)

под заказ620 руб.
854151-94400-000

Крепление нижнего упора - Mount, Lwr Thrust (Mount, Lwr Thrust)

под заказ730 руб.
854151-99E00-000

   (актуальный код замены) Крепление нижнего упора - Mount, Lwr Thrust

под заказ730 руб.
854151-99E00-000

Крепление нижнего упора - Mount, Lwr Thrust (Mount, Lwr Thrust)

под заказ730 руб.
954211-94410-0ED

Запчасть снята с производства - The Spare Part Is Laid Off (The Spare Part Is Laid Off)

под заказ0 руб.
1054212-94400-0ED

Кронштейн нижнего крепления Rr Side - Bracket, Lwr Mount Rr Side (Bracket, Lwr Mount Rr Side)

под заказ0 руб.
1154211-97E00-0ED

Кронштейн Set, Lwr Крепление - Bracket Set, Lwr Mount (MODEL:93~99) (Bracket Set, Lwr Mount)

под заказ0 руб.
1154200-87852-0ED

   (актуальный код замены) Запчасть снята с производства - The Spare Part Is Laid Off

под заказ0 руб.
1154200-87852-0ED

Кронштейн Set, Lwr Крепление - Bracket Set, Lwr Mount (Bracket Set, Lwr Mount)

под заказ0 руб.
1254221-94400-0ED

Крышка, Lwr Крепление - Cover, Lwr Mount (Cover, Lwr Mount)

под заказ0 руб.
1254221-94401-0ED

   (актуальный код замены) Запчасть снята с производства - The Spare Part Is Laid Off

под заказ0 руб.
1254221-94401-0ED

Крышка, Lwr Крепление - Cover, Lwr Mount (Cover, Lwr Mount)

под заказ0 руб.
1309117-08038-000

Болт (8x45) - Bolt (8x45) (Bolt (8x45))

под заказ540 руб.
1409117-08045-000

Болт (8x35) - Bolt (8x35) (Bolt (8x35))

под заказ570 руб.
1409117-08071-000

   (актуальный код замены) Болт (8x35) - Bolt (8x35)

под заказ570 руб.
1409117-08071-000

Болт (8x35) - Bolt (8x35) (Bolt (8x35))

под заказ570 руб.
1554160-94400-000

Крепление, Lwr - Mount, Lwr (DT40C, 40TC, 40RC, 40WK, 40WR ) (Mount, Lwr)

под заказ4300 руб.
1554160-94410-000

Крепление, Lwr - Mount, Lwr (DT40TC LL/UL, DT40W, 40WK, 40WR, S/L ) (Mount, Lwr)

под заказ3820 руб.
1554160-94421-000

Крепление, Lwr - Mount, Lwr (DT40W, 40WK, 40WR, L2/LL/UL) (Mount, Lwr)

под заказ6680 руб.
1554160-92L00-000

   (актуальный код замены) Крепление, Lwr - Mount, Lwr

под заказ6680 руб.
1554160-92L00-000

Крепление, Lwr - Mount, Lwr (Mount, Lwr)

под заказ6680 руб.
1654165-94400-000

Демфер обратного стопора Lwr - Damper, Reverse Stopper Lwr (Stopper, upper thrust ) (Damper, Reverse Stopper Lwr)

под заказ460 руб.
1654165-94401-000

   (актуальный код замены) Демфер обратного стопора нижний - Damper, Reverse Stopper Lower

под заказ460 руб.
1754166-94410-000

Болт, Lwr Крепление - Bolt, Lwr Mount (Bolt, lower mount # <-54166-94401 ) (Bolt, Lwr Mount)

под заказ4130 руб.
1809140-12029-000

Гайка - Nut (Nut)

под заказ310 руб.
1909160-12065-000

Шайба (12x40x3) - Washer (12x40x3) (Washer (12x40x3.0) ) (Washer (12x40x3))

под заказ470 руб.
2009159-12014-000

Гайка - Nut (Nut)

18 шт370 руб.
2109160-12066-000

Шайба (12.5x22x2.5) - Washer (125x22x25) (Washer (12.5x22x2.5) ) (Washer (12.5x22x2.5))

19 шт150 руб.
2209180-12104-000

Запчасть снята с производства - The Spare Part Is Laid Off (The Spare Part Is Laid Off)

под заказ0 руб.
2311435-94400-000

Пластина, Выхлоп Release - Plate, Exhaust Release (Plate, exhaust release ) (Plate, Exhaust Release)

3 шт460 руб.
2452131-94401-0ED

Удлинитель копуса (x) - Case, Extension (x) (Case, extension (ul) ) (Case, Extension (x))

под заказ0 руб.
2452131-94402-0ED

   (актуальный код замены) Запчасть снята с производства - The Spare Part Is Laid Off

под заказ0 руб.
2452131-94411-0ED

Удлинитель копуса (ll) - Case, Extension (ll) (Case, Extension (ll))

под заказ0 руб.
2452131-94412-0ED

   (актуальный код замены) Запчасть снята с производства - The Spare Part Is Laid Off

под заказ0 руб.
2452131-94412-0ED

Удлинитель копуса (ll) - Case, Extension (ll) (Case, Extension (ll))

под заказ0 руб.
2509108-08152-000

Болт под шпильку - Bolt, Stud (L:95 ) (Bolt, Stud)

под заказ0 руб.
2509108-08153-000

Болт под шпильку - Bolt, Stud (Stud bolt (ul) # L:145 ) (Bolt, Stud)

под заказ0 руб.
2609202-06023-000

Штифт (6x10) - Pin (6x10) (Pin (6x10))

6 шт290 руб.
2709140-08016-000

Гайка - Nut (Nut)

под заказ190 руб.
2709140-08023-XC0

Гайка - Nut (Nut)

14 шт190 руб.
2809162-08007-000

Шайба с блокировкой - Washer, Lock (Lock washer ) (Washer, Lock)

под заказ160 руб.
2936894-94401-000

Lead (l: 195) - Lead (l:195) (Lead (l, ll) # <-36894-94400 ) (Lead (l:195))

под заказ1170 руб.
3036894-95201-000

Lead (l: 165) - Lead (l:165) (<-36894-95200 ) (Lead (l:165))

под заказ1170 руб.
3109125-05050-000

Винт (5x8) - Screw (5x8) (Screw (5x8))

под заказ150 руб.
3209161-05114-000

Шайба (5.2x11x1) - Washer (52x11x1) (Washer (5.2x11.0x1.0) # <-09161-05014 ) (Washer (5.2x11x1))

под заказ290 руб.


Время выполнения запроса 1.5966031551361 сек.

 
 

данный сайт носит информационный характер и не является публичной офертой

склад запчастей для водомоторной техники