Комплектующие на подвесной двигатель Suzuki DT40W(R)S/L/LL/L2/UL;DT40WK(R)S/L/LL/L2/UL; - Fuel pump - Топливный насос
вконтакте

Контактный телефон: +7 (981) 121-46-93, +7 (800) 200-90-76 , Email: parts-katalog@yandex.ru, где купить

 
 

  Логин:

Пароль:

Регистрация

www.partskatalog.ru Все каталоги Запчасти Mercury Запчасти Suzuki Запчасти Tohatsu Запчасти Honda Контакты



УВАЖАЕМЫЕ КЛИЕНТЫ!
C 19 ДЕКАБРЯ 2025 ПО 02 МАРТА 2026 ГОДА ОТДЕЛ ЗАПЧАСТЕЙ И СЕРВИС РАБОТАТЬ НЕ БУДУТ
ПРОДАЖА ЛОДОЧНЫХ МОТОРОВ В ШТАТНОМ РЕЖИМЕ
ОБ ИЗМЕНЕНИЯХ В ГРАФИКЕ РАБОТЫ ЧИТАЙТЕ НА САЙТА



назад Раздел:   вперёд

Вернуться к выбору узлов мотора


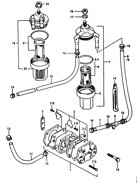
ДЕТАЛИРОВКА ДЛЯ МОДЕЛИ: SUZUKI DT40W X/DT40WR X

Топливный насос


Код модели двигателя: DT40W(R)S/L/LL/L2/UL;DT40WK(R)S/L/LL/L2/UL;

Год выпуска двигателя: 1999

Цвет: California Gray Metallic

Номер на
рисунке
АртикулНаименованиеQTYКол-во
на складе
Цена
115100-94311-000

Топливный насос, в сборе - Pump Assy, Fuel (<-15100-94310 ) (Pump Assy, Fuel)

4 шт12370 руб.
115100-94312-000

   (актуальный код замены) Топливный насос, в сборе - Pump Assy, Fuel

3 шт12370 руб.
215170-94320-000

Диафрагма Set - Diaphragm Set (Diaphragm Set)

под заказ2400 руб.
215170-94321-000

   (актуальный код замены) Диафрагма Set - Diaphragm Set

10 шт2800 руб.
2SK15170-94320

   (не оригинальный аналог) Диафрагма топливного насоса в сборе Skipper для Suzuki DT20-65

0 шт782 руб.
2SC-GS450

   (не оригинальный аналог) Ремкомплект топливного насоса Suzuki SC-GS450

под заказ1280 руб.
215183-94301-000

Винт - Screw (Screw)

под заказ170 руб.
215186-94300-000

Гайка - Nut (Nut)

под заказ160 руб.
215851-94300-000

Винт - Screw (Screw ) (Screw)

под заказ260 руб.
315321-99710-000

Прокладка топливного насоса (na) - Gasket, Fuel Pump (na) (Gasket, fuel pump ) (Gasket, Fuel Pump (na))

8 шт370 руб.
415410-93411-000

Топливный фильтр в сборе - Filter Assy, Fuel (->15410-94400) (Filter Assy, Fuel)

под заказ2280 руб.
415410-94401-000

   (актуальный код замены) Топливный фильтр в сборе - Filter Assy, Fuel

32 шт2280 руб.
415410-94400-000

Топливный фильтр в сборе - Filter Assy, Fuel (Filter Assy, Fuel)

3 шт2280 руб.
415410-94401-000

   (актуальный код замены) Топливный фильтр в сборе - Filter Assy, Fuel

32 шт2280 руб.
515413-93400-000

Cвыше - Cup (Cup ) (Cup)

под заказ0 руб.
615430-93411-000

Фильтр Set - Filter Set (Strainer set ) (Filter Set)

под заказ1230 руб.
615415-93400-000

Уплотнительное кольцо - O Ring (O ring ) (O Ring)

под заказ290 руб.
709352-50903-600

Шланг (5x9x600) - Hose (5x9x600) (DT40C 40TC 40RC L:600->40 ) (Hose (5x9x600))

под заказ570 руб.
709352-50006-600

   (актуальный код замены) Шланг (5x9x600) - Hose (5x9x600)

1 шт570 руб.
809352-50903-600

Шланг (5x9x600) - Hose (5x9x600) (DT40C 40TC 40RC L:600->180 ) (Hose (5x9x600))

под заказ570 руб.
809352-50006-600

   (актуальный код замены) Шланг (5x9x600) - Hose (5x9x600)

1 шт570 руб.
909367-06005-000

Тройник - 3 Way (DT40C, 40TC, 40RC ) (3 Way)

под заказ0 руб.
1009401-08411-000

Зажим - Clip (DT40C, 40TC, 40RC DT40W, 40WR ) (Clip)

8 шт130 руб.
1109352-50903-600

Шланг (5x9x600) - Hose (5x9x600) (L:600->110 ) (Hose (5x9x600))

под заказ570 руб.
1109352-50006-600

   (актуальный код замены) Шланг (5x9x600) - Hose (5x9x600)

1 шт570 руб.
1209352-50903-600

Шланг (5x9x600) - Hose (5x9x600) (L:600->400 ) (Hose (5x9x600))

под заказ570 руб.
1209352-50006-600

   (актуальный код замены) Шланг (5x9x600) - Hose (5x9x600)

1 шт570 руб.
1309401-08411-000

Зажим - Clip (Clip)

8 шт130 руб.
1409404-06432-000

Струбцина (l: 65) - Clamp (l:65) (Clamp (l:80) ) (Clamp (l:65))

8 шт170 руб.
1409404-06039-000

   (актуальный код замены) Струбцина (l: 65) - Clamp (l:65)

под заказ170 руб.
1501570-06407-000

Болт - Bolt (Bolt)

под заказ230 руб.
1608310-00087-000

Гайка - Nut (Nut)

под заказ140 руб.
1708322-01087-000

Шайба - Washer (Lock washer ) (Washer)

под заказ140 руб.
1809352-50903-600

Шланг (5x9x600) - Hose (5x9x600) (DT40W 40WR L:600->135 ) (Hose (5x9x600))

под заказ570 руб.
1809352-50006-600

   (актуальный код замены) Шланг (5x9x600) - Hose (5x9x600)

1 шт570 руб.
1915410-94400-000

Топливный фильтр в сборе - Filter Assy, Fuel (MODEL:97~99 ) (Filter Assy, Fuel)

3 шт2280 руб.
1915410-94401-000

   (актуальный код замены) Топливный фильтр в сборе - Filter Assy, Fuel

32 шт2280 руб.
2015413-87D10-000

Cвыше - Cup (MODEL:97~99 ) (Cup)

под заказ880 руб.
2115430-87D10-000

Element Set - Element Set (MODEL:97~99 ) (Element Set)

4 шт1350 руб.
2208316-10087-000

Гайка - Nut (MODEL:97~99 ) (Nut)

14 шт170 руб.


Время выполнения запроса 0.86537313461304 сек.

 
 

данный сайт носит информационный характер и не является публичной офертой

склад запчастей для водомоторной техники