Купить запчасти на подвесной двигатель SUZUKI DT40W(R)S/L/LL/L2/UL;DT40WK(R)S/L/LL/L2/UL; модель 1999 года - Поворотный кронштейн - Swivel bracket
вконтакте

Контактный телефон: +7 (981) 121-46-93, +7 (800) 200-90-76 , Email: parts-katalog@yandex.ru, где купить

 
 

  Логин:

Пароль:

Регистрация

www.partskatalog.ru Все каталоги Запчасти Mercury Запчасти Suzuki Запчасти Tohatsu Запчасти Honda Контакты



УВАЖАЕМЫЕ КЛИЕНТЫ!
C 19 ДЕКАБРЯ 2025 ПО 02 МАРТА 2026 ГОДА ОТДЕЛ ЗАПЧАСТЕЙ И СЕРВИС РАБОТАТЬ НЕ БУДУТ
ПРОДАЖА ЛОДОЧНЫХ МОТОРОВ В ШТАТНОМ РЕЖИМЕ
ОБ ИЗМЕНЕНИЯХ В ГРАФИКЕ РАБОТЫ ЧИТАЙТЕ НА САЙТА



назад Раздел:   вперёд

Вернуться к выбору узлов мотора


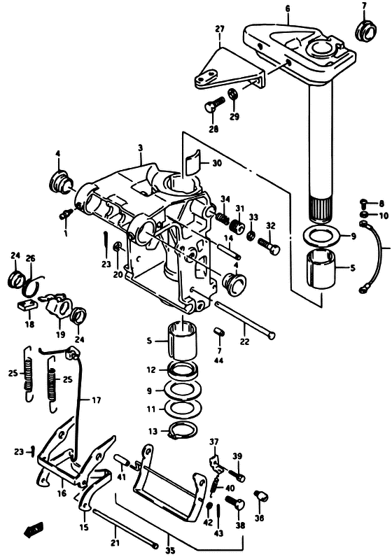
ДЕТАЛИРОВКА ДЛЯ МОДЕЛИ: SUZUKI DT40W X/DT40WR X

Поворотный кронштейн


Код модели двигателя: DT40W(R)S/L/LL/L2/UL;DT40WK(R)S/L/LL/L2/UL;

Год выпуска двигателя: 1999

Цвет: California Gray Metallic

Номер на
рисунке
АртикулНаименованиеQTYКол-во
на складе
Цена
122511-99010-000

Ниппель смазки - Nipple, Grease (Nipple, Grease)

под заказ340 руб.
122511-99011-000

   (актуальный код замены) Ниппель смазки - Nipple, Grease

9 шт400 руб.
122511-99011-000

Ниппель смазки - Nipple, Grease (Nipple, Grease)

9 шт400 руб.
236894-94401-000

Lead (l: 195) - Lead (l:195) (Lead (l, ll) ) (Lead (l:195))

под заказ1170 руб.
343111-97E00-0ED

Запчасть снята с производства - The Spare Part Is Laid Off (The Spare Part Is Laid Off)

под заказ0 руб.
343111-97E01-0ED

   (актуальный код замены) Запчасть снята с производства - The Spare Part Is Laid Off

под заказ0 руб.
443211-94401-000

Втулка поворотного кронштейна - Bush, Swivel Bracket (Bush, Swivel Bracket)

под заказ1450 руб.
443211-87JL0-000

   (актуальный код замены) Втулка поворотного кронштейна - Bush, Swivel Bracket

8 шт1770 руб.
443211-87JL0-000

Втулка поворотного кронштейна - Bush, Swivel Bracket (Bush, Swivel Bracket)

8 шт1770 руб.
4SK43211-87JL0

   (не оригинальный аналог) Втулка поворотного механизма Skipper для Suzuki DT9,9-15/ DF9,9-DF30a

0 шт148 руб.
543711-97E00-000

Втулка рулевой системы - Bush, Steering (Bush, Steering)

под заказ870 руб.
543711-97E11-000

   (актуальный код замены) Втулка рулевой системы - Bush, Steering

18 шт930 руб.
5SK43711-97E00

   (не оригинальный аналог) Втулка поворотного механизма Skipper для Suzuki DT40-200/DF40-300

0 шт254 руб.
543711-97E01-000

Втулка рулевой системы - Bush, Steering (Bush, Steering)

под заказ870 руб.
543711-97E11-000

   (актуальный код замены) Втулка рулевой системы - Bush, Steering

18 шт930 руб.
643750-97E03-0ED

Запчасть снята с производства - The Spare Part Is Laid Off (<-43750-97E02-0ED) (The Spare Part Is Laid Off)

под заказ0 руб.
643750-97E10-0ED

   (актуальный код замены) Запчасть снята с производства - The Spare Part Is Laid Off

под заказ0 руб.
643750-97E04-0ED

Запчасть снята с производства - The Spare Part Is Laid Off (The Spare Part Is Laid Off)

под заказ0 руб.
643750-97E10-0ED

   (актуальный код замены) Запчасть снята с производства - The Spare Part Is Laid Off

под заказ0 руб.
709205-08002-000

Стопор пружины (8x16) - Pin, Spring (8x16) (Pin, Spring (8x16))

под заказ370 руб.
809125-05050-000

Винт (5x8) - Screw (5x8) (Screw (5x8))

под заказ150 руб.
909160-39001-000

Шайба (39.5x64x1) - Washer (395x64x1) (Washer (39.5x64x1.0) ) (Washer (39.5x64x1))

8 шт320 руб.
1009161-05114-000

Шайба (5.2x11x1) - Washer (52x11x1) (Washer (5.2x11.0x1.0) ) (Washer (5.2x11x1))

под заказ290 руб.
1109181-39001-000

Регулировочная шайба (39.5x64x0.3) - Shim (395x64x03) (Shim (39.5x64x0.3) ) (Shim (39.5x64x0.3))

8 шт480 руб.
1209282-39001-000

Сальник (39x51x5) - Seal, Oil (39x51x5) (Seal, oil ) (Seal, Oil (39x51x5))

22 шт690 руб.
1309380-38003-000

Стопорное кольцо - Circlip (Circlip)

5 шт600 руб.
1441225-94501-000

Стопор пружины блокировки наклона - Pin, Tilt Lock Spring (Pin, Tilt Lock Spring)

под заказ570 руб.
1441225-94502-000

   (актуальный код замены) Стопор пружины блокировки наклона - Pin, Tilt Lock Spring

под заказ570 руб.
1441225-94502-000

Стопор пружины блокировки наклона - Pin, Tilt Lock Spring (Pin, Tilt Lock Spring)

под заказ570 руб.
1545231-94401-000

Рычаг блокировки реверса - Arm, Reverse Lock (Arm, reverse lock ) (Arm, Reverse Lock)

под заказ2790 руб.
1645241-94400-000

Тяга рычага блокировки реверса - Link, Reverse Lock Arm (Link, Reverse Lock Arm)

под заказ4230 руб.
1645241-92L00-000

   (актуальный код замены) Тяга рычага блокировки реверса - Link, Reverse Lock Arm

под заказ4230 руб.
1645241-92L00-000

Тяга рычага блокировки реверса - Link, Reverse Lock Arm (Link, Reverse Lock Arm)

под заказ4230 руб.
1745250-94400-000

Освобождающая тяга - Link, Release (Link, release ) (Link, Release)

под заказ1490 руб.
1745250-92L00-000

   (актуальный код замены) Освобождающая тяга - Link, Release

под заказ1490 руб.
1845255-93001-000

Резинка рычага блокировки - Rubber, Release Lever (Rubber, Release Lever)

под заказ390 руб.
1945261-94400-000

Освобождающий рычаг - Lever, Release (Lever, Release)

под заказ960 руб.
1945261-92L00-000

   (актуальный код замены) Освобождающий рычаг - Lever, Release

под заказ960 руб.
1945261-92L00-000

Освобождающий рычаг - Lever, Release (Lever, Release)

под заказ960 руб.
2009160-08082-000

Шайба (8.5x16x1.2) - Washer (85x16x12) (Washer (8.5x16x1.2))

13 шт120 руб.
2009160-08091-000

Шайба (8.5x14x1.0) - Washer (85x14x10) (Washer (8.5x14x1.0) # MODEL:97~99 ) (Washer (8.5x14x1.0))

7 шт130 руб.
2109200-05015-000

Штифт (l: 117) - Pin (l:117) (Pin (l:117))

под заказ960 руб.
2209200-08043-000

Штифт (8x11) - Pin (8x11) (Pin (8x11))

под заказ760 руб.
2309204-01002-000

Штифт - Pin (Cotter pin # <-09204-01001 ) (Pin)

24 шт140 руб.
2409306-22006-000

Втулка (22.6x27x8) - Bush (226x27x8) (Bush (22.6x27x8))

4 шт300 руб.
2459315-94J00-000

   (актуальный код замены) Втулка рычага блокировки - Bush, Release Lever

4 шт300 руб.
2509443-15031-000

Пружина - Spring (Spring)

под заказ1180 руб.
2609448-29018-000

Пружина - Spring (<-09444-27001 ) (Spring)

под заказ240 руб.
2743755-97E01-000

Соединитель кронштейна рулевой системы - Attachment, Steering Bracket (Attachment, strg brkt # DT40C, 40RC, 40W, DT40WK, 40WR ) (Attachment, Steering Bracket)

под заказ5140 руб.
2809100-10270-000

Болт (10x25) - Bolt (10x25) (Bolt, strg brkt attachment (10x25) ) (Bolt (10x25))

под заказ1500 руб.
2909162-10005-000

Шайба с блокировкой - Washer, Lock (Lock washer ) (Washer, Lock)

под заказ130 руб.
3043411-97E00-000

Регулировка рулевой системы - Adjuster, Steering (Adjuster, steering ) (Adjuster, Steering)

под заказ840 руб.
3143412-93900-000

Крышка регулировки рулевой системыer - Cover, Steering Adjuster (Cover, steering adjust ) (Cover, Steering Adjuster)

под заказ340 руб.
3143412-93901-000

   (актуальный код замены) Крышка регулировки рулевой системыer - Cover, Steering Adjuster

под заказ340 руб.
3209100-08224-000

Болт (8x35) - Bolt (8x35) (Bolt (8x35))

под заказ470 руб.
3209100-08224-XC0

   (актуальный код замены) Болт (8x35) - Bolt (8x35)

40 шт470 руб.
3209100-08224-XC0

Болт (8x35) - Bolt (8x35) (Bolt (8x35))

40 шт470 руб.
3309160-08082-000

Шайба (8.5x16x1.2) - Washer (85x16x12) (Washer (8.5x16x1.2))

13 шт120 руб.
3309160-08091-000

Шайба (8.5x14x1.0) - Washer (85x14x10) (Washer (8.5x14x1.0) # MODEL:97~99 ) (Washer (8.5x14x1.0))

7 шт130 руб.
3409440-11022-000

Пружина - Spring (Spring)

под заказ160 руб.
3545700-94412-000

Рычаг в сборе, Shallow Water Drive - Arm Assy, Shallow Water Drive (<-45700-94411) (Arm Assy, Shallow Water Drive)

под заказ9220 руб.
3545700-92L00-000

   (актуальный код замены) Рычаг в сборе, Shallow Water Drive - Arm Assy, Shallow Water Drive

под заказ9220 руб.
3545700-92L00-000

Рычаг в сборе, Shallow Water Drive - Arm Assy, Shallow Water Drive (Arm Assy, Shallow Water Drive)

под заказ9220 руб.
3645331-94610-000

Штифт, Shallow Рычаг привода Stop - Pin, Shallow Drive Arm Stop (Pin, shallow drive water ) (Pin, Shallow Drive Arm Stop)

под заказ1260 руб.
3745713-94420-000

Стопор, Shallow Water Drive - Stopper, Shallow Water Drive (Stopper, Shallow Water Drive)

под заказ420 руб.
3745713-92L00-000

   (актуальный код замены) Стопор, Shallow Water Drive - Stopper, Shallow Water Drive

под заказ420 руб.
3745713-92L00-000

Стопор, Shallow Water Drive - Stopper, Shallow Water Drive (Stopper, Shallow Water Drive)

под заказ420 руб.
3809111-10045-000

Болт (10x20.8) - Bolt (10x208) (Bolt (10x20.8))

под заказ630 руб.
3909117-06038-000

Болт (6x16) - Bolt (6x16) (Bolt (6x16))

под заказ220 руб.
3909117-06030-000

   (актуальный код замены) Болт (6x16) - Bolt (6x16)

под заказ220 руб.
3909117-06030-000

Болт (6x16) - Bolt (6x16) (Bolt (6x16) ) (Bolt (6x16))

под заказ220 руб.
4009443-12039-000

Пружина - Spring (Spring)

под заказ410 руб.
4145255-95500-000

Ручка освобождающего рычага - Knob, Release Lever (Knob, release lever ) (Knob, Release Lever)

под заказ460 руб.
4209160-05029-000

Шайба (5.5x12x0.8) - Washer (55x12x08) (MODEL:97~99 ) (Washer (5.5x12x0.8))

14 шт130 руб.
4209160-05032-000

Шайба (5.5x12x0.8) - Washer (55x12x08) (Washer (5.5x12x0.8))

под заказ130 руб.
4209160-05029-000

   (актуальный код замены) Шайба (5.5x12x0.8) - Washer (5.5x12x0.8)

14 шт130 руб.
4209160-05029-000

Шайба (5.5x12x0.8) - Washer (55x12x08) (Washer (5.5x12x0.8))

14 шт130 руб.
4309204-01002-000

Штифт - Pin (Cotter pin # <-09204-01001 ) (Pin)

24 шт140 руб.
4409205-08002-000

Стопор пружины (8x16) - Pin, Spring (8x16) (Pin, Spring (8x16))

под заказ370 руб.


Время выполнения запроса 1.9774010181427 сек.

 
 

данный сайт носит информационный характер и не является публичной офертой

склад запчастей для водомоторной техники