| |
 |
|
 |
Вернуться к выбору узлов мотора
ДЕТАЛИРОВКА ДЛЯ МОДЕЛИ: SUZUKI DT40W K3/DT40WR K3 (E13,E40)
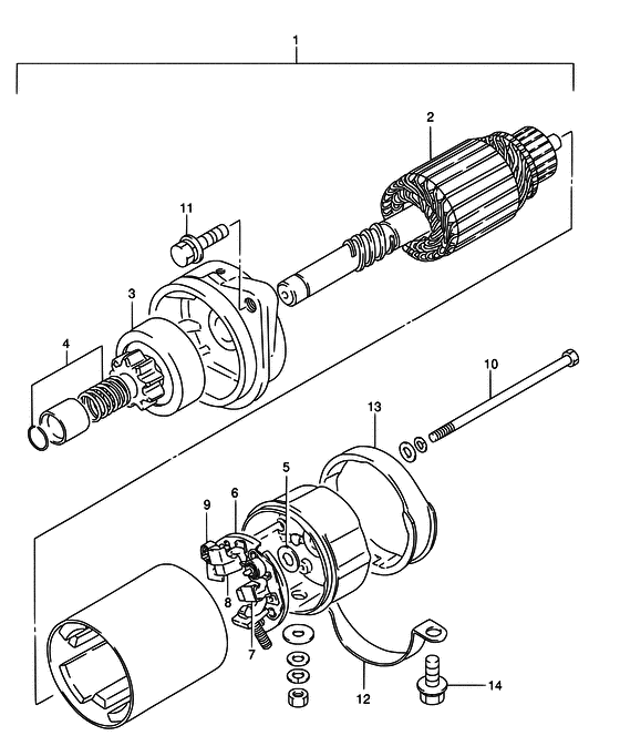
Двигатель электростартера
Код модели двигателя: DT40W(R)S/L/LL/L2/XL;DT40KW(R)S/L/LL/L2/XL
Год выпуска двигателя: 2003
Цвет: Shadow Black Metallic
Номер на рисунке | Артикул | Наименование | QTY | Кол-во на складе | Цена |
| 1 | 31100-94401-000 | Двигатель электростартера в сборе - Motor Assy, Starting (Motor assy, starting ) (Motor Assy, Starting) | | под заказ | 89760 руб. |
| 1 | 31100-94402-000 | (актуальный код замены) Двигатель электростартера в сборе - Motor Assy, Starting | | под заказ | 89760 руб. |
| 1 | SC-OT838 | (не оригинальный аналог) Электростартер двигателя Suzuki/Tohatsu/Nissan/Mercury/Mariner SC-OT838 | | под заказ | 15140 руб. |
| 2 | 31310-96300-000 | Якорь - Armature (Armature, starter ) (Armature) | | 2 шт | 45360 руб. |
| 3 | 31320-94400-000 | Комплект шестерёнок - Pinion Assy (Pinion Assy) | | под заказ | 23620 руб. |
| 4 | 31312-96300-000 | Комплект стопора шестерни - Stopper Set, Pinion (Stopper Set, Pinion) | | 2 шт | 1420 руб. |
| 5 | 31360-96300-000 | Установочная шайба - Washer Set (Washer kit ) (Washer Set) | | под заказ | 1260 руб. |
| 6 | 31173-89J00-000 | Держатель щетки - Holder Assy, Brush (Holder Assy, Brush) | | 1 шт | 7780 руб. |
| 7 | 31131-96300-000 | Щётка (+) - Brush (+) (Brush (+)) | | 2 шт | 2080 руб. |
| 8 | 31132-96300-000 | Щётка (-) - Brush (-) (Brush (-)) | | 2 шт | 1110 руб. |
| 9 | 31135-89J00-000 | Пружина - Spring (Spring) | | под заказ | 550 руб. |
| 10 | 31281-93340-000 | Сквозной болт - Bolt, Through (Bolt, starter housing ) (Bolt, Through) | | под заказ | 410 руб. |
| 11 | 01580-08257-000 | Болт - Bolt (Bolt) | | 9 шт | 240 руб. |
| 12 | 31912-94401-000 | Ремешок двигателя стартера - Band, Starting Motor (Band, starting motor ) (Band, Starting Motor) | | под заказ | 530 руб. |
| 12 | 31912-92L00-000 | (актуальный код замены) Ремешок двигателя стартера - Band, Starting Motor | | под заказ | 530 руб. |
| 13 | 31918-94401-000 | Демпфер, Lwr - Damper, Lwr (Damper, Lwr) | | под заказ | 1040 руб. |
| 13 | 31918-94402-000 | (актуальный код замены) Нижний демпфер - Damper, Lower | | под заказ | 1040 руб. |
| 14 | 01580-08257-000 | Болт - Bolt (Bolt) | | 9 шт | 240 руб. |
Время выполнения запроса 0.91528987884521 сек. |
|