Запчасти на лодочный мотор Сузуки - Трансмиссия
вконтакте

Контактный телефон: +7 (981) 121-46-93, +7 (800) 200-90-76 , Email: parts-katalog@yandex.ru, где купить

 
 

  Логин:

Пароль:

Регистрация

www.partskatalog.ru Все каталоги Запчасти Mercury Запчасти Suzuki Запчасти Tohatsu Запчасти Honda Контакты



УВАЖАЕМЫЕ КЛИЕНТЫ!
C 19 ДЕКАБРЯ 2025 ПО 02 МАРТА 2026 ГОДА ОТДЕЛ ЗАПЧАСТЕЙ И СЕРВИС РАБОТАТЬ НЕ БУДУТ
ПРОДАЖА ЛОДОЧНЫХ МОТОРОВ В ШТАТНОМ РЕЖИМЕ
ОБ ИЗМЕНЕНИЯХ В ГРАФИКЕ РАБОТЫ ЧИТАЙТЕ НА САЙТА



назад Раздел:   вперёд

Вернуться к выбору узлов мотора


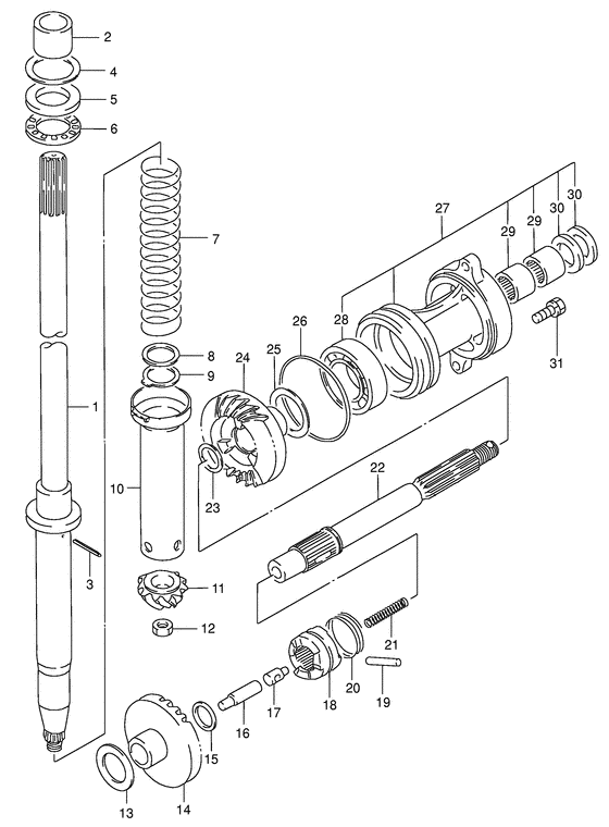
ДЕТАЛИРОВКА ДЛЯ МОДЕЛИ: SUZUKI DT40WRK6(E13) K6

Трансмиссия


Год выпуска двигателя: 2006

Номер на
рисунке
АртикулНаименованиеQTYКол-во
на складе
Цена
157110-94411-000

Вал привода (s) - Shaft, Drive (s) (Shaft, drive (s); L:736.8) (Shaft, Drive (s))

под заказ32880 руб.
157110-92L10-000

   (актуальный код замены) Вал привода (s) - Shaft, Drive (s)

3 шт32880 руб.
1SK57110-94411

   (не оригинальный аналог) Вал ведущий Skipper для Suzuki S, Модели техники: DT40HP

0 шт9912 руб.
157110-92L10-000

Вал привода (s) - Shaft, Drive (s) (Shaft, Drive (s))

3 шт32880 руб.
157110-94441-000

Вал привода (l) - Shaft, Drive (l) (Shaft, drive (l) # Shaft, drive (l); L:816.8 ) (Shaft, Drive (l))

под заказ47520 руб.
1SK57110-94441

   (не оригинальный аналог) Вал ведущий Skipper для Suzuki L, Модели техники: DT40/40C

0 шт12655 руб.
157110-94401-000

Вал привода (l) - Shaft, Drive (l) (Shaft, drive (l2); L:863.8) (Shaft, Drive (l))

под заказ36720 руб.
157110-92L00-000

   (актуальный код замены) Вал привода (l) - Shaft, Drive (l)

под заказ36720 руб.
157110-92L00-000

Вал привода (l) - Shaft, Drive (l) (Shaft, Drive (l))

под заказ36720 руб.
157110-94421-000

Вал привода (ll) - Shaft, Drive (ll) (Shaft, drive (ll); L:923.8 ) (Shaft, Drive (ll))

под заказ0 руб.
157110-94431-000

Вал привода (x) - Shaft, Drive (x) (Shaft, drive (ul) # Shaft, drive (x); L:972.8 ) (Shaft, Drive (x))

под заказ106560 руб.
257130-94301-000

Втулка вала передачи - Bush, Drive Shaft (Bush, dirve shaft # Bush, drive shaft (l/l2/ll/x); ) (Bush, Drive Shaft)

11 шт1000 руб.
309205-03019-000

Стопор пружины (3x10) - Pin, Spring (3x10) (Pin, tilt lock # Spring pin (od:3, l:10); ) (Pin, Spring (3x10))

47 шт140 руб.
409181-30186-000

Регулировочная шайба (30x42x0.5) - Shim (30x42x05) (Shim (30x42x0.5); ) (Shim (30x42x0.5))

5 шт270 руб.
409181-30187-000

Регулировочная шайба (30x42x0.6) - Shim (30x42x06) (Shim (t:0.6) # Shim (30x42x0.6); ) (Shim (30x42x0.6))

13 шт270 руб.
409181-30188-000

Регулировочная шайба (30x42x0.7) - Shim (30x42x07) (Shim (t:0.7) # Shim (30x42x0.7); ) (Shim (30x42x0.7))

8 шт270 руб.
409181-30190-000

Регулировочная шайба (30x42x0.8) - Shim (30x42x08) (Shim (30x42x0.8); ) (Shim (30x42x0.8))

18 шт300 руб.
409181-30192-000

Регулировочная шайба (30x42x0.9) - Shim (30x42x09) (Shim (30x42x0.9); ) (Shim (30x42x0.9))

8 шт270 руб.
509160-26015-000

Шайба (26.2x42x4) - Washer (262x42x4) (Washer (26.2x42x4.0) # Washer (26.2x42x4.0); ) (Washer (26.2x42x4))

4 шт2350 руб.
609263-25062-000

Подшипник (25x42x5) - Bearing (25x42x5) (Bearing ) (Bearing (25x42x5))

10 шт8360 руб.
709440-30005-000

Пружина - Spring (Spring)

7 шт700 руб.
809160-24020-000

Шайба (24x33x2.5) - Washer (24x33x25) (Washer (24x33x2.5) # Washer (24x33x2.5); ) (Washer (24x33x2.5))

3 шт580 руб.
909166-25006-000

Шайба - Washer (Washer)

7 шт470 руб.
1057133-94400-000

Пружина корпуса приводного вала - Housing, Drive Shaft Spring (Housing, drive shaft spring ) (Housing, Drive Shaft Spring)

9 шт1530 руб.
1157311-94402-000

Шестерня - Pinion (Pinion ) (Pinion)

под заказ12000 руб.
1157311-94410-000

   (актуальный код замены) Шестерня - Pinion

2 шт11530 руб.
11SK57311-94402

   (не оригинальный аналог) Шестерня ведущего вала Skipper для Suzuki Модели техники: DT40

0 шт2162 руб.
1157311-94402

   (не оригинальный аналог) Ведущая шестерня редуктора Suzuki 57311-94402

под заказ3560 руб.
1209140-12034-000

Гайка - Nut (Nut)

10 шт270 руб.
1309181-30186-000

Регулировочная шайба (30x42x0.5) - Shim (30x42x05) (Shim (30x42x0.5); ) (Shim (30x42x0.5))

5 шт270 руб.
1309181-30187-000

Регулировочная шайба (30x42x0.6) - Shim (30x42x06) (Shim (t:0.6) # Shim (30x42x0.6); ) (Shim (30x42x0.6))

13 шт270 руб.
1309181-30188-000

Регулировочная шайба (30x42x0.7) - Shim (30x42x07) (Shim (t:0.7) # Shim (30x42x0.7); ) (Shim (30x42x0.7))

8 шт270 руб.
1309181-30190-000

Регулировочная шайба (30x42x0.8) - Shim (30x42x08) (Shim (30x42x0.8); ) (Shim (30x42x0.8))

18 шт300 руб.
1309181-30192-000

Регулировочная шайба (30x42x0.9) - Shim (30x42x09) (Shim (30x42x0.9); ) (Shim (30x42x0.9))

8 шт270 руб.
1457510-94402-000

Шестерня в сборе, дляward - Gear Assy, Forward (Gear, forward ) (Gear Assy, Forward)

1 шт15360 руб.
1457510-94410-000

   (актуальный код замены) Шестерня переднего хода - Gear Comp, Forward

3 шт15360 руб.
14SK57510-94402

   (не оригинальный аналог) Шестерня переднего хода Skipper для Suzuki Модели техники: DT40

0 шт3847 руб.
1457510-94402

   (не оригинальный аналог) Шестерня переднего хода Suzuki 57510-94402

под заказ6340 руб.
1508211-20263-000

Шайба - Washer (Thrust washer (20x62x2); ) (Washer)

10 шт170 руб.
1657631-95302-000

Тяга толкателя - Rod, Push (Rod, Push)

под заказ1300 руб.
1657631-95303-000

   (актуальный код замены) Тяга толкателя - Rod, Push

1 шт1400 руб.
1657631-95303-000

Тяга толкателя - Rod, Push (Rod, Push)

1 шт1400 руб.
1757634-88L00-000

Штифт толкателя - Pin, Push (Pin, Push)

под заказ850 руб.
1857621-87J02-000

Переключатель собачки сцепления - Shifter, Clutch Dog (Shifter, Clutch Dog)

2 шт11760 руб.
1857621-87J03-000

   (актуальный код замены) Переключатель собачки сцепления - Shifter, Clutch Dog

6 шт11760 руб.
18SK57621-87J02

   (не оригинальный аналог) Муфта переключения передач Skipper для Suzuki DT40, DF40-50, DF40A-DF60A

0 шт2236 руб.
1857621-87J03-000

Переключатель собачки сцепления - Shifter, Clutch Dog (Shifter, Clutch Dog)

6 шт11760 руб.
1909202-05022-000

Штифт (5.5x38.5) - Pin (55x385) (Pin (5.5x38.5))

35 шт370 руб.
19SK09202-05022

   (не оригинальный аналог) Штифт шестерни переключения передач Skipper для Suzuki DT40-60/DF40-50

0 шт176 руб.
2009440-40002-000

Пружина - Spring (Spring)

15 шт270 руб.
2109440-08034-000

Пружина - Spring (Spring, return ) (Spring)

18 шт290 руб.
2109440-08043-000

Пружина - Spring (Dt40w (wr):781230~, dt40wk:780037~ ) (Spring)

8 шт190 руб.
2257610-94402-000

Вал гребного винта - Shaft, Propeller (Shaft, Propeller)

9 шт22560 руб.
2257610-94403-000

   (актуальный код замены) Вал Comp, Гребной винт - Shaft Comp, Propeller

под заказ22560 руб.
22SK57610-94402

   (не оригинальный аналог) Вал гребной Skipper для Suzuki DT40, DF40-50, DF40A-60A Модели техники: DT40, DF40-50, DF40A-60A

0 шт6847 руб.
2309160-22018-000

Шайба (22.2x28x1.8) - Washer (222x28x18) (Washer (t:1.8) # Washer (22.5x28x1.8); ) (Washer (22.2x28x1.8))

17 шт650 руб.
2309160-22019-000

Шайба (22.5x28x1.9) - Washer (225x28x19) (Washer (t:1.9) # Washer (22.5x28x1.9); ) (Washer (22.5x28x1.9))

7 шт290 руб.
2309160-22020-000

Шайба (22.5x28x2) - Washer (225x28x2) (Washer (t:2.0) # Washer (22.5x28x2); ) (Washer (22.5x28x2))

10 шт290 руб.
2309160-22021-000

Шайба (22.5x28x2.1) - Washer (225x28x21) (Washer (t:2.1) # Washer (22.5x28x2.1); ) (Washer (22.5x28x2.1))

13 шт350 руб.
2309160-22022-000

Шайба (22.5x28x2.2) - Washer (225x28x22) (Washer (t:2.2) # Washer (22.5x28x2.2); ) (Washer (22.5x28x2.2))

2 шт290 руб.
2309160-22023-000

Шайба (22.5x28x2.3) - Washer (225x28x23) (Washer (t:2.3) # Washer (22.5x28x2.3); ) (Washer (22.5x28x2.3))

4 шт290 руб.
2457521-94401-000

Шестерня обратного хода - Gear, Revers (Gear, reverse ) (Gear, Revers)

2 шт15360 руб.
2508221-35455-000

Регулировочная шайба - Shim (Shim (35x45x0.5) # Shim (35x45x0.5); ) (Shim)

17 шт270 руб.
2509181-35131-000

Регулировочная шайба (35x46x0.6) - Shim (35x46x06) (Shim (35x45x0.6) # Shim (35x45x0.6); ) (Shim (35x46x0.6))

8 шт300 руб.
2509181-35132-000

Регулировочная шайба (35x46x0.7) - Shim (35x46x07) (Shim (35x46x0.7) # Shim (35x45x0.7); ) (Shim (35x46x0.7))

20 шт360 руб.
2508221-35456-000

Регулировочная шайба - Shim (Shim (35x45x0.8) # Shim (35x45x0.8); ) (Shim)

7 шт240 руб.
2509181-35136-000

Регулировочная шайба (35x46x0.9) - Shim (35x46x09) (Shim (35x45x0.9) # Shim (35x45x0.9); ) (Shim (35x46x0.9))

11 шт240 руб.
2508211-35451-000

Шайба - Washer (Shim (35x45x1.0) # Thrust washer (35x45x1.0); ) (Washer)

19 шт290 руб.
2609280-75001-000

Уплотнительное кольцо (d: 3.3, Id: 75) - O Ring (d:33, Id:75) (O ring (d:3.8 id:75) # O ring (d:3.3, id:75.0); ) (O Ring (d:3.3, Id:75))

94 шт370 руб.
26SK09280-75001

   (не оригинальный аналог) Кольцо уплотнительное обоймы гребного вала Skipper для Suzuki Модели техники: DT40HP, DF40-50HP, DF40A-60A

0 шт141 руб.
2756120-94321-0ED

Корпус, Вал гребного винта (gray) - Housing, Propeller Shaft (gray) (Housing, Propeller Shaft (gray))

под заказ0 руб.
2756120-94321-0EP

Корпус, Вал гребного винта (чёрный) - Housing, Propeller Shaft (black) (Housing, prop shaft bearing (black) # Housing, propeller shaft brg; Model:02~ ) (Housing, Propeller Shaft (black))

18 шт24240 руб.
27SK56120-94321-0EP

   (не оригинальный аналог) Обойма гребного вала Skipper для Suzuki DT40, DF40-50, DF40A-60A

0 шт8394 руб.
2809262-35070-000

Подшипник (35x62x14) - Bearing (35x62x14) (Bearing (35x62x14))

12 шт5080 руб.
28TAB007CV47NTN

   (подбор по маркировке) Подшипник NTN TAB007CV47(35*62*14 мм)

под заказ0
2909263-22020-000

Подшипник (22.2x28.5x19) - Bearing (222x285x19) (Bearing # Bearing (22.2x28.5x19); ) (Bearing (22.2x28.5x19))

5 шт2090 руб.
29SK09263-22020

   (не оригинальный аналог) Подшипник игольчатый гребного вала Skipper для Suzuki DT40, DF40-50, DF40A-60A

0 шт1850 руб.
29B1412KOYO

   (подбор по маркировке) Подшипник KOYO B1412(22.225x28.575x19.05 мм)

под заказ0
3009289-22007-000

Сальник (22x35x5) - Seal, Oil (22x35x5) (Seal, Oil (22x35x5))

151 шт560 руб.
30SK09289-22007

   (не оригинальный аналог) Сальник гребного вала Skipper для Suzuki Модели техники: DT40, DF40-50, DF40A-60A

0 шт95 руб.
30SC-OL302

   (не оригинальный аналог) Сальник редуктора Suzuki SC-OL302

под заказ230 руб.
3109117-08047-000

Болт (8x30) - Bolt (8x30) (Bolt (8x30); ) (Bolt (8x30))

10 шт520 руб.
3109116-08122-000

Болт (8x30) - Bolt (8x30) (Bolt (8x30); Model:10~ ) (Bolt (8x30))

8 шт350 руб.


Время выполнения запроса 2.4730899333954 сек.

 
 

данный сайт носит информационный характер и не является публичной офертой

склад запчастей для водомоторной техники