Номер на рисунке | Артикул | Наименование | QTY | Кол-во на складе | Цена |
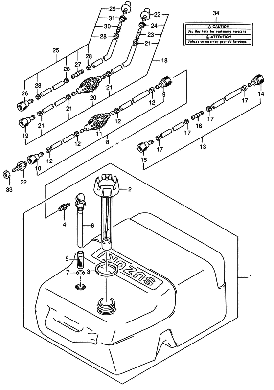
1 | 65000-95D01-000 | Топливный бак (25 литров) - Tank Assy, Fuel (25l) (Tank Assy, Fuel (25l)) | | под заказ | 17760 руб. |
1 | 65000-94L10-000 | (актуальный код замены) Топливный бак (25 литров) - Tank Assy, Fuel (25l) | | 3 шт | 17760 руб. |
2 | 65520-95D00-000 | Крышка горловины топливного бака, в сборе - Cap Assy, Fuel Tank (Cap Assy, Fuel Tank) | | 1 шт | 0 руб. |
2 | 65520-95D01-000 | (актуальный код замены) Запчасть снята с производства - The Spare Part Is Laid Off | | под заказ | 0 руб. |
2 | 65520-95D01-000 | Крышка горловины топливного бака, в сборе - Cap Assy, Fuel Tank (Cap Assy, Fuel Tank) | | под заказ | 0 руб. |
3 | 65561-95D00-000 | Прокладка крышка топливного бака - Gasket, Tank Cap (Gasket, Tank Cap) | | 1 шт | 430 руб. |
4 | 65740-95D01-000 | Разъем топливного коннектора - Plug, Fuel Connector (Plug, fuel connector ) (Plug, Fuel Connector) | | под заказ | 3870 руб. |
4 | SF80210-3 | (не оригинальный аналог) Адаптер топливный SUNFINE тип Suzuki, Mercury, Tohatsu 65740-99100 | | под заказ | 1270 руб. |
4 | SF80211-3 | (не оригинальный аналог) Адаптер топливный SUNFINE тип Suzuki, Mercury, Tohatsu 3E0-70270-0 | | 1 шт | 1270 руб. |
5 | 65831-95D00-000 | Выходной фильтр - Filter, Outlet (Filter, outlet ) (Filter, Outlet) | | 5 шт | 1270 руб. |
6 | 65890-95D00-000 | выход в сборе - Outlet Assy (Outlet Assy) | | под заказ | 5480 руб. |
7 | 65892-95D00-000 | Уплотнительное кольцо топливного выхода - O Ring, Fuel Outlet (O-ring, fuel outlet ) (O Ring, Fuel Outlet) | | под заказ | 440 руб. |
8 | 65700-87D80-000 | Топливный шланг (от бака до коннектораector) - Hose, Fuel (tank To Connector) (<-65700-87D19) (Hose, Fuel (tank To Connector)) | | под заказ | 25920 руб. |
8 | 65700-87D85-000 | (актуальный код замены) Топливный шланг (от бака до коннектора) - Hose, Fuel (tank To Conn) | | под заказ | 25920 руб. |
8 | 65700-87D82-000 | Топливный шланг (от бака до коннектораector) - Hose, Fuel (tank To Connector) (Hose, Fuel (tank To Connector)) | | под заказ | 25920 руб. |
8 | 65700-87D85-000 | (актуальный код замены) Топливный шланг (от бака до коннектора) - Hose, Fuel (tank To Conn) | | под заказ | 25920 руб. |
9 | 65750-95500-000 | Разъём топливного шланга - Socket, Fuel Hose (Socket, fuel hose (in) ) (Socket, Fuel Hose) | | под заказ | 3700 руб. |
9 | 65750-95501-000 | (актуальный код замены) Разъём топливного шланга - Socket, Fuel Hose | | 2 шт | 3700 руб. |
9 | SF80211-4 | (не оригинальный аналог) Коннектор топливный SUNFINE тип Suzuki, Mercury, Evinrude, Tohatsu, 10мм 3GF-70281-0 | | под заказ | 1880 руб. |
10 | 65750-98505-000 | Разъём топливного шланга - Socket, Fuel Hose (Socket, fuel hose (out) ) (Socket, Fuel Hose) | | 2 шт | 3240 руб. |
10 | 65750-98506-000 | (актуальный код замены) Разъём топливного шланга - Socket, Fuel Hose | | под заказ | 3240 руб. |
11 | 65770-95541-000 | Запчасть снята с производства - The Spare Part Is Laid Off (The Spare Part Is Laid Off) | | под заказ | 0 руб. |
12 | 65781-98500-000 | Зажим топливного шланга - Clip, Fuel Hose (Clip, Fuel Hose) | | 9 шт | 350 руб. |
13 | 65700-96362-000 | Топливный шланг (k, от бака до коннектора) - Hose, Fuel (k, Tank To Conn) (FOR KEROSENE ->65700-87D80 ) (Hose, Fuel (k, Tank To Conn)) | | под заказ | 13590 руб. |
13 | 65700-96364-000 | (актуальный код замены) Топливный шланг (от бака до коннектора) - Hose, Fuel (tank To Conn) | | под заказ | 13590 руб. |
14 | 65750-95500-000 | Разъём топливного шланга - Socket, Fuel Hose (Socket, fuel hose (in) ) (Socket, Fuel Hose) | | под заказ | 3700 руб. |
14 | 65750-95501-000 | (актуальный код замены) Разъём топливного шланга - Socket, Fuel Hose | | 2 шт | 3700 руб. |
14 | SF80211-4 | (не оригинальный аналог) Коннектор топливный SUNFINE тип Suzuki, Mercury, Evinrude, Tohatsu, 10мм 3GF-70281-0 | | под заказ | 1880 руб. |
15 | 65750-98505-000 | Разъём топливного шланга - Socket, Fuel Hose (Socket, fuel hose (out) ) (Socket, Fuel Hose) | | 2 шт | 3240 руб. |
15 | 65750-98506-000 | (актуальный код замены) Разъём топливного шланга - Socket, Fuel Hose | | под заказ | 3240 руб. |
16 | 65779-93900-000 | Соединенине топливного шланга - Union, Fuel Hose (Union, Fuel Hose) | | под заказ | 680 руб. |
17 | 65781-98500-000 | Зажим топливного шланга - Clip, Fuel Hose (Clip, Fuel Hose) | | 9 шт | 350 руб. |
18 | 65700-87D44-000 | Топливный шланг (от бака до коннектораector) - Hose, Fuel (tank To Connector) (E13, N/FUEL TANK) (Hose, Fuel (tank To Connector)) | | под заказ | 0 руб. |
18 | 65700-87D47-000 | (актуальный код замены) Запчасть снята с производства - The Spare Part Is Laid Off | | под заказ | 0 руб. |
18 | 65700-87D45-000 | Топливный шланг (от бака до коннектораector) - Hose, Fuel (tank To Connector) (Hose, Fuel (tank To Connector)) | | под заказ | 0 руб. |
18 | 65700-87D47-000 | (актуальный код замены) Запчасть снята с производства - The Spare Part Is Laid Off | | под заказ | 0 руб. |
19 | 65750-98505-000 | Разъём топливного шланга - Socket, Fuel Hose (Socket, fuel hose (out) ) (Socket, Fuel Hose) | | 2 шт | 3240 руб. |
19 | 65750-98506-000 | (актуальный код замены) Разъём топливного шланга - Socket, Fuel Hose | | под заказ | 3240 руб. |
20 | 65770-95541-000 | Запчасть снята с производства - The Spare Part Is Laid Off (The Spare Part Is Laid Off) | | под заказ | 0 руб. |
21 | 65781-98500-000 | Зажим топливного шланга - Clip, Fuel Hose (Clip, Fuel Hose) | | 9 шт | 350 руб. |
22 | 65830-95500-000 | Фильтр - Filter (Filter) | | под заказ | 1180 руб. |
23 | 65842-94401-000 | Фильтр топливного шланга - Tube, Fuel Filter (Tube, Fuel Filter) | | под заказ | 600 руб. |
24 | 09401-11423-000 | Зажим - Clip (Clip) | | 7 шт | 210 руб. |
25 | 65700-94424-000 | Топливный шланг (от бака до коннектораector) - Hose, Fuel (tank To Connector) (->65700-87D44 FOR KEROSENE N/FUEL TANK ) (Hose, Fuel (tank To Connector)) | | под заказ | 13590 руб. |
25 | 65700-94426-000 | (актуальный код замены) Топливный шланг (от бака до коннектора) - Hose, Fuel (tank To Conn) | | под заказ | 13590 руб. |
26 | 65750-98505-000 | Разъём топливного шланга - Socket, Fuel Hose (Socket, fuel hose (out) ) (Socket, Fuel Hose) | | 2 шт | 3240 руб. |
26 | 65750-98506-000 | (актуальный код замены) Разъём топливного шланга - Socket, Fuel Hose | | под заказ | 3240 руб. |
27 | 65779-93900-000 | Соединенине топливного шланга - Union, Fuel Hose (Union, Fuel Hose) | | под заказ | 680 руб. |
28 | 65781-98500-000 | Зажим топливного шланга - Clip, Fuel Hose (Clip, Fuel Hose) | | 9 шт | 350 руб. |
29 | 65830-95500-000 | Фильтр - Filter (Filter) | | под заказ | 1180 руб. |
30 | 65842-94401-000 | Фильтр топливного шланга - Tube, Fuel Filter (Tube, Fuel Filter) | | под заказ | 600 руб. |
31 | 09401-11423-000 | Зажим - Clip (Clip) | | 7 шт | 210 руб. |
32 | 65720-98520-000 | Разъем топливного коннектора - Plug, Fuel Connector (Plug, Fuel Connector) | | под заказ | 3170 руб. |
32 | 65720-985L1-000 | (актуальный код замены) Разъем топливного коннектора - Plug, Fuel Connector | | 5 шт | 3950 руб. |
32 | SK65720-98520 | (не оригинальный аналог) Коннектор топливный Skipper для Suzuki DT2-65, DF9.9-15 "папа", 6 мм | | 0 шт | 836 руб. |
32 | SF80210-1 | (не оригинальный аналог) Адаптер топливный SUNFINE тип Suzuki, 7.5мм, 6720-98521 | | под заказ | 1270 руб. |
32 | 65720-985L1-000 | Разъем топливного коннектора - Plug, Fuel Connector (Plug, Fuel Connector) | | 5 шт | 3950 руб. |
33 | 09140-10032-000 | Гайка - Nut (Nut) | | под заказ | 160 руб. |
34 | 65318-93910-000 | Маркировка, Kerosene Caution - Mark, Kerosene Caution (FOR KEROSENE ) (Mark, Kerosene Caution) | | под заказ | 520 руб. |
34 | 65318-93911-000 | (актуальный код замены) Маркировка, Kerosene Caution - Mark, Kerosene Caution | | под заказ | 520 руб. |