| |
 |
|
 |
Вернуться к выбору узлов мотора
ДЕТАЛИРОВКА ДЛЯ МОДЕЛИ: SUZUKI DT40W(P40) PRD
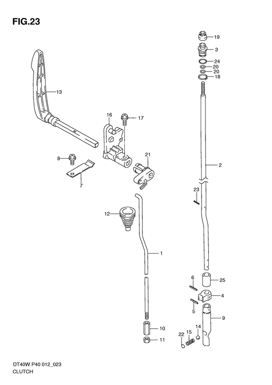
Сцепление
Код модели двигателя: DT40W(R)S/L/LL/L2/XL;DT40KW(R)S/L/LL/L2/XL
Год выпуска двигателя: 2011
Цвет: Shadow Black Metallic
Номер на рисунке | Артикул | Наименование | QTY | Кол-во на складе | Цена |
| 1 | 23111-94401-000 | Тяга сцепления - Rod, Clutch (Rod, clutch ) (Rod, Clutch) | | 2 шт | 1960 руб. |
| 2 | 25111-92L00-000 | Переключающая тяга (s) - Rod, Shift (s) (Rod, shift (s); L:270 ) (Rod, Shift (s)) | | под заказ | 1660 руб. |
| 3 | 25211-87J00-000 | Направляющая переключающей тяги - Guide, Shift Rod (Guide, Shift Rod) | | 2 шт | 1270 руб. |
| 4 | 25212-94401-000 | Направляющая переключающей тяги Lwr - Guide, Shift Rod Lwr (Guide, shift rod lower ) (Guide, Shift Rod Lwr) | | 2 шт | 480 руб. |
| 5 | 09205-03021-000 | Стопор пружины (3.5x12) - Pin, Spring (35x12) (Spring; ) (Pin, Spring (3.5x12)) | | под заказ | 120 руб. |
| 6 | 09205-02013-000 | Стопор пружины (2.5x16) - Pin, Spring (25x16) (Pin, spring # Spring; ) (Pin, Spring (2.5x16)) | | под заказ | 120 руб. |
| 7 | 23213-94400-000 | Пружина в паз сцепления - Spring, Clutch Notch (Spring, Clutch Notch) | | под заказ | 280 руб. |
| 8 | 02162-06127-000 | Винт - Screw (Screw) | | под заказ | 150 руб. |
| 9 | 25311-94402-000 | Кулачок переключателя - Cam, Shift (Cam, Shift) | | 1 шт | 6430 руб. |
| 10 | 23311-95DL0-000 | Buckle, Тяга сцепления Turn - Buckle, Clutch Rod Turn (Buckle, Clutch Rod Turn) | | 13 шт | 640 руб. |
| 10 | SK23311-95DL0 | (не оригинальный аналог) Гайка соединительная тяги переключения передач Skipper для Suzuki DF9.9-DF15, DT25-40 | | 0 шт | 127 руб. |
| 11 | 29141-93J00-000 | Гайка - Nut (Nut) | | 18 шт | 480 руб. |
| 12 | 23131-94400-000 | Boot, Сцепление - Boot, Clutch (Boot, Clutch) | | под заказ | 520 руб. |
| 12 | 23131-92L00-000 | (актуальный код замены) Boot, Сцепление - Boot, Clutch | | под заказ | 520 руб. |
| 12 | 23131-92L00-000 | Boot, Сцепление - Boot, Clutch (Boot, Clutch) | | под заказ | 520 руб. |
| 13 | 21110-94401-000 | Рычаг сцепления - Lever, Clutch (Lever, Clutch) | | под заказ | 3460 руб. |
| 13 | 21110-94402-000 | (актуальный код замены) Рычаг сцепления - Lever, Clutch | | под заказ | 3460 руб. |
| 13 | 21110-94402-000 | Рычаг сцепления - Lever, Clutch (Lever, Clutch) | | под заказ | 3460 руб. |
| 14 | 09260-10005-000 | Шарик - Ball (Steel ball ) (Ball) | | 4 шт | 210 руб. |
| 15 | 09440-07078-000 | Пружина - Spring (Spring) | | 4 шт | 460 руб. |
| 16 | 21121-94400-000 | Пластина, Сцепление - Plate, Clutch (Plate, Clutch) | | под заказ | 1420 руб. |
| 16 | 21121-92L00-000 | (актуальный код замены) Пластина, Сцепление - Plate, Clutch | | под заказ | 1420 руб. |
| 16 | 21121-92L00-000 | Пластина, Сцепление - Plate, Clutch (Plate, Clutch) | | под заказ | 1420 руб. |
| 17 | 02162-05167-000 | Винт - Screw (Screw ) (Screw) | | под заказ | 150 руб. |
| 18 | 08331-3115A-000 | Стопорное кольцо - Circlip (Circlip) | | 9 шт | 150 руб. |
| 19 | 25223-94400-000 | Пыльник переключающеё тяги - Seal, Shift Rod Dust (Seal, shift rod; ) (Seal, Shift Rod Dust) | | под заказ | 550 руб. |
| 19 | 25223-96J00-000 | (актуальный код замены) Сальник тяги сцепления - Seal, Clutch Rod | | 83 шт | 630 руб. |
| 20 | 09280-08005-000 | Уплотнительное кольцо (d: 1.7, Id: 7.7) - O Ring (d:17, Id:77) (O ring (d:1.8, id:7.6) # O ring (d:1.7, id:7.7); ) (O Ring (d:1.7, Id:7.7)) | | 45 шт | 160 руб. |
| 21 | 23211-94401-000 | Рукоятка тяги сцепления - Arm, Clutch Rod (Arm, Clutch Rod) | | 3 шт | 780 руб. |
| 22 | 21121-93300-000 | Пластина в паз сцепления - Plate, Clutch Notch (Plate, clutch notch # Plate, clutch notch; ) (Plate, Clutch Notch) | | 50 шт | 180 руб. |
| 23 | 09205-02004-000 | Стопор пружины (2.5x12) - Pin, Spring (25x12) (Spring pin # Spring; ) (Pin, Spring (2.5x12)) | | 13 шт | 100 руб. |
| 24 | 09280-11001-000 | Уплотнительное кольцо (d: 2.4, Id: 10.8) - O Ring (d:24, Id:108) (O ring (d:2.4, id:11.0) # O ring (d:2.4, id:10.8); ) (O Ring (d:2.4, Id:10.8)) | | 28 шт | 210 руб. |
| 24 | SK09280-11001 | (не оригинальный аналог) Кольцо уплотнительное тяги переключения передач Skipper для Suzuki Модели техники: DT20-85/DF2.5-DF50/DF40A-DF60A | | 0 шт | 32 руб. |
| 25 | 25232-96302-000 | Индуктор картера коробки передач - Magneto, Gear Case (Magnet, gear case; ) (Magneto, Gear Case) | | 2 шт | 690 руб. |
Время выполнения запроса 1.2882618904114 сек. |
|