Купить оригинальные запчасти на лодочный мотор Suzuki DT50S/L/LL/UL модель 1984 года - Масляный насос / Oil pump
вконтакте

Контактный телефон: +7 (981) 121-46-93, +7 (800) 200-90-76 , Email: parts-katalog@yandex.ru, где купить

 
 

  Логин:

Пароль:

Регистрация

www.partskatalog.ru Все каталоги Запчасти Mercury Запчасти Suzuki Запчасти Tohatsu Запчасти Honda Контакты



УВАЖАЕМЫЕ КЛИЕНТЫ!
C 19 ДЕКАБРЯ 2025 ПО 02 МАРТА 2026 ГОДА ОТДЕЛ ЗАПЧАСТЕЙ И СЕРВИС РАБОТАТЬ НЕ БУДУТ
ПРОДАЖА ЛОДОЧНЫХ МОТОРОВ В ШТАТНОМ РЕЖИМЕ
ОБ ИЗМЕНЕНИЯХ В ГРАФИКЕ РАБОТЫ ЧИТАЙТЕ НА САЙТА



назад Раздел:   вперёд

Вернуться к выбору узлов мотора


ДЕТАЛИРОВКА ДЛЯ МОДЕЛИ: SUZUKI DT50 VE/DT50C VE/DT50T VE/DT50TC VE

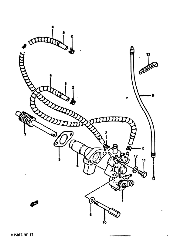
Масляный насос


Код модели двигателя: DT50S/L/LL/UL

Год выпуска двигателя: 1984

Цвет: Francois Whte №2Arctic Silver

Номер на
рисунке
АртикулНаименованиеQTYКол-во
на складе
Цена
116100-95200-000

Запчасть снята с производства - The Spare Part Is Laid Off (The Spare Part Is Laid Off)

под заказ0 руб.
116100-95201-000

   (актуальный код замены) Запчасть снята с производства - The Spare Part Is Laid Off

под заказ0 руб.
209401-06405-000

Зажим - Clip (Clip)

под заказ160 руб.
309344-02013-000

Шланг (2.5x7x600) - Hose (25x7x600) (Hose (2.5x7x600))

под заказ480 руб.
309351-25703-600

   (актуальный код замены) Шланг (2.5x7x600) - Hose (2.5x7x600)

под заказ480 руб.
309351-25703-600

Шланг (2.5x7x600) - Hose (25x7x600) (Hose, outlet no.1 ) (Hose (2.5x7x600))

под заказ480 руб.
416911-94500-000

Защита (9x11x540) - Protector (9x11x540) (Protector (9x11x540))

под заказ810 руб.
416911-92E20-000

   (актуальный код замены) Защита (9x11x540) - Protector (9x11x540)

под заказ810 руб.
416911-92E20-000

Защита (9x11x540) - Protector (9x11x540) (Protector (9x11x540))

под заказ810 руб.
516731-95300-000

Прокладка масляного насоса Фиксатор - Gasket, Oil Pump Retainer (Gasket, Oil Pump Retainer)

под заказ0 руб.
516731-95310-000

   (актуальный код замены) Запчасть снята с производства - The Spare Part Is Laid Off

под заказ0 руб.
516731-95310-000

Прокладка масляного насоса Фиксатор - Gasket, Oil Pump Retainer (Gasket, Oil Pump Retainer)

под заказ0 руб.
616340-95302-000

Запчасть снята с производства - The Spare Part Is Laid Off (The Spare Part Is Laid Off)

под заказ0 руб.
716331-95303-000

Шестерня масляного насоса - Gear, Oil Pump Driven (Gear, Oil Pump Driven)

под заказ0 руб.
716331-95304-000

   (актуальный код замены) Запчасть снята с производства - The Spare Part Is Laid Off

под заказ0 руб.
716331-95304-000

Шестерня масляного насоса - Gear, Oil Pump Driven (Gear, driven ) (Gear, Oil Pump Driven)

под заказ0 руб.
808322-21058-000

Шайба - Washer (Washer)

под заказ140 руб.
808322-01057-000

   (актуальный код замены) Шайба - Washer

под заказ140 руб.
808322-01057-000

Шайба - Washer (Washer, front hook holder ) (Washer)

под заказ140 руб.
916420-95301-000

Кабели, Масляный насос - Cable, Oil Pump (Cable, oil oump ) (Cable, Oil Pump)

под заказ0 руб.
1009119-05013-000

Запчасть снята с производства - The Spare Part Is Laid Off (The Spare Part Is Laid Off)

под заказ0 руб.
1101107-05308-000

Болт - Bolt (Bolt)

под заказ170 руб.
1101500-05307-000

   (актуальный код замены) Болт - Bolt

под заказ170 руб.
1101500-05307-000

Болт - Bolt (Bolt)

под заказ170 руб.
1208322-21058-000

Шайба - Washer (Washer)

под заказ140 руб.
1208322-01057-000

   (актуальный код замены) Шайба - Washer

под заказ140 руб.
1208322-01057-000

Шайба - Washer (Washer, front hook holder ) (Washer)

под заказ140 руб.
1309404-06413-000

Струбцина (l: 65) - Clamp (l:65) (Clamp (l:65))

под заказ170 руб.
1309404-06039-000

   (актуальный код замены) Струбцина (l: 65) - Clamp (l:65)

под заказ170 руб.
1309404-06432-000

Струбцина (l: 65) - Clamp (l:65) (Clamp (l:80) ) (Clamp (l:65))

8 шт170 руб.
1309404-06039-000

   (актуальный код замены) Струбцина (l: 65) - Clamp (l:65)

под заказ170 руб.


Время выполнения запроса 1.6582460403442 сек.

 
 

данный сайт носит информационный характер и не является публичной офертой

склад запчастей для водомоторной техники