Купить запчасти на подвесной двигатель Suzuki DT50S/L/LL/UL модель 1984 года - Electrical
вконтакте

Контактный телефон: +7 (981) 121-46-93, +7 (800) 200-90-76 , Email: parts-katalog@yandex.ru, где купить

 
 

  Логин:

Пароль:

Регистрация

www.partskatalog.ru Все каталоги Запчасти Mercury Запчасти Suzuki Запчасти Tohatsu Запчасти Honda Контакты



УВАЖАЕМЫЕ КЛИЕНТЫ!
C 19 ДЕКАБРЯ 2025 ПО 02 МАРТА 2026 ГОДА ОТДЕЛ ЗАПЧАСТЕЙ И СЕРВИС РАБОТАТЬ НЕ БУДУТ
ПРОДАЖА ЛОДОЧНЫХ МОТОРОВ В ШТАТНОМ РЕЖИМЕ
ОБ ИЗМЕНЕНИЯХ В ГРАФИКЕ РАБОТЫ ЧИТАЙТЕ НА САЙТА



назад Раздел:   вперёд

Вернуться к выбору узлов мотора


ДЕТАЛИРОВКА ДЛЯ МОДЕЛИ: SUZUKI DT50 VE/DT50C VE/DT50T VE/DT50TC VE

Электрика


Код модели двигателя: DT50S/L/LL/UL

Год выпуска двигателя: 1984

Цвет: Francois Whte №2Arctic Silver

Номер на
рисунке
АртикулНаименованиеQTYКол-во
на складе
Цена
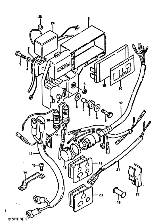
102112-05258-000

Винт - Screw (Screw)

под заказ120 руб.
102112-05257-000

   (актуальный код замены) Винт - Screw

под заказ120 руб.
102112-05257-000

Винт - Screw (Screw)

под заказ120 руб.
232800-95720-000

Выпрямитель в сборе - Rectifier Assy (Rectifier Assy)

под заказ10760 руб.
232800-95D02-000

   (актуальный код замены) Выпрямитель в сборе - Rectifier Assy

1 шт10760 руб.
232800-95D01-000

Выпрямитель в сборе - Rectifier Assy (Rectifier Assy)

под заказ10760 руб.
232800-95D02-000

   (актуальный код замены) Выпрямитель в сборе - Rectifier Assy

1 шт10760 руб.
332890-95300-000

Запчасть снята с производства - The Spare Part Is Laid Off (The Spare Part Is Laid Off)

под заказ0 руб.
408321-21058-000

Шайба с блокировкой - Washer, Lock (Washer, Lock)

под заказ140 руб.
408321-0105A-000

   (актуальный код замены) Шайба с блокировкой - Washer, Lock

под заказ140 руб.
408321-0105A-000

Шайба с блокировкой - Washer, Lock (Washer, Lock)

под заказ140 руб.
508310-11058-000

Гайка - Nut (Nut)

под заказ140 руб.
508310-00057-000

   (актуальный код замены) Гайка - Nut

под заказ140 руб.
508310-00057-000

Гайка - Nut (Nut)

под заказ140 руб.
609320-08001-000

Подушка - Cushion (Cushion ) (Cushion)

под заказ210 руб.
609320-08527-000

   (актуальный код замены) Подушка - Cushion

под заказ210 руб.
709180-06044-000

Проставка (6.1x8x9.5) - Spacer (61x8x95) (Spacer (6.1x8x9.5))

под заказ160 руб.
709180-06248-000

   (актуальный код замены) Проставка (6.1x8x9.5) - Spacer (6.1x8x9.5)

под заказ160 руб.
709180-06248-000

Проставка (6.1x8x9.5) - Spacer (61x8x95) (Spacer (6.1x8x9.5))

под заказ160 руб.
809160-06052-000

Шайба (6.5x16x1.2) - Washer (65x16x12) (Washer (6.5x16x1.2) ) (Washer (6.5x16x1.2))

под заказ160 руб.
901107-06258-000

Болт - Bolt (Bolt)

под заказ150 руб.
901500-06257-000

   (актуальный код замены) Болт - Bolt

под заказ150 руб.
901500-06257-000

Болт - Bolt (Bolt)

под заказ150 руб.
1036740-94500-000

Запчасть снята с производства - The Spare Part Is Laid Off (The Spare Part Is Laid Off)

под заказ0 руб.
1036740-95300-000

Корпус предохранителя - Case Assy, Fuse (Case Assy, Fuse)

под заказ1720 руб.
1036740-95253-000

   (актуальный код замены) Корпус предохранителя - Case Assy, Fuse

1 шт1720 руб.
1036740-95253-000

Корпус предохранителя - Case Assy, Fuse (Case Assy, Fuse)

1 шт1720 руб.
1109481-20001-000

Предохранитель (20a) - Fuse (20a) (Fuse (20a))

30 шт180 руб.
1233810-95301-000

Запчасть снята с производства - The Spare Part Is Laid Off (The Spare Part Is Laid Off)

под заказ0 руб.
1336656-95501-000

Пыльник кабеля - Grommet, Cable (E07, E13, E40, CE01, CE17, CE28) (Grommet, Cable)

под заказ1180 руб.
1336656-94701-000

   (актуальный код замены) Пыльник кабеля - Grommet, Cable

под заказ1180 руб.
1336656-94701-000

Пыльник кабеля - Grommet, Cable (Grommet, Cable)

под заказ1180 руб.
1436659-95500-000

Струбцина - Clamp (Clamp)

под заказ0 руб.
1436659-95501-000

   (актуальный код замены) Запчасть снята с производства - The Spare Part Is Laid Off

под заказ0 руб.
1436659-95501-000

Струбцина - Clamp (Clamp)

под заказ0 руб.
1509125-06021-000

Винт (6x16) - Screw (6x16) (Screw (6x16))

под заказ160 руб.
1509125-06067-000

   (актуальный код замены) Винт (6x16) - Screw (6x16)

10 шт160 руб.
1509125-06067-000

Винт (6x16) - Screw (6x16) (Screw (6x16) ) (Screw (6x16))

10 шт160 руб.
1636661-95210-000

Запчасть снята с производства - The Spare Part Is Laid Off (E07, E13, E40, CE01, CE17, CE28) (The Spare Part Is Laid Off)

под заказ0 руб.
1736610-95312-000

Запчасть снята с производства - The Spare Part Is Laid Off (The Spare Part Is Laid Off)

под заказ0 руб.
1736610-95321-000

   (актуальный код замены) Запчасть снята с производства - The Spare Part Is Laid Off

под заказ0 руб.
1836631-94300-000

Колпачок на дистанционное управление Жгут проводов - Cap, Remote Control Harness (Cap, Remote Control Harness)

под заказ390 руб.
1936650-95300-000

Крышка, Соединитель Box - Cover, Joint Box (Cover, Joint Box)

под заказ0 руб.
2036652-95203-000

Запчасть снята с производства - The Spare Part Is Laid Off (The Spare Part Is Laid Off)

под заказ0 руб.
2036652-95310-000

Запчасть снята с производства - The Spare Part Is Laid Off (E07, E13, E40, TE07, TE13, TE40) (The Spare Part Is Laid Off)

под заказ0 руб.
2136645-95500-000

Запчасть снята с производства - The Spare Part Is Laid Off (The Spare Part Is Laid Off)

под заказ0 руб.
2236616-95300-000

Держатель коннектора - Holder, Connector (Holder, Connector)

под заказ580 руб.
2236616-95301-000

   (актуальный код замены) Держатель коннектора - Holder, Connector

под заказ580 руб.
2236616-95301-000

Держатель коннектора - Holder, Connector (Holder, connector ) (Holder, Connector)

под заказ580 руб.
2336656-95510-000

Пыльник кабеля - Grommet, Cable (Grommet, Cable)

под заказ1180 руб.
2336656-94701-000

   (актуальный код замены) Пыльник кабеля - Grommet, Cable

под заказ1180 руб.
2336656-94701-000

Пыльник кабеля - Grommet, Cable (Grommet, Cable)

под заказ1180 руб.
2432900-95320-000

Запчасть снята с производства - The Spare Part Is Laid Off (The Spare Part Is Laid Off)

под заказ0 руб.
2509280-52001-000

Уплотнительное кольцо (d: 3, Id: 52.5) - O Ring (d:3, Id:525) (O ring, crankcase ) (O Ring (d:3, Id:52.5))

под заказ220 руб.


Время выполнения запроса 2.3001289367676 сек.

 
 

данный сайт носит информационный характер и не является публичной офертой

склад запчастей для водомоторной техники