Подобрать запчасти на подвесной лодочный мотор Suzuki DT50S/L/LL/UL - Engine cover
вконтакте

Контактный телефон: +7 (981) 121-46-93, +7 (800) 200-90-76 , Email: parts-katalog@yandex.ru, где купить

 
 

  Логин:

Пароль:

Регистрация

www.partskatalog.ru Все каталоги Запчасти Mercury Запчасти Suzuki Запчасти Tohatsu Запчасти Honda Контакты



УВАЖАЕМЫЕ КЛИЕНТЫ!
C 19 ДЕКАБРЯ 2025 ПО 02 МАРТА 2026 ГОДА ОТДЕЛ ЗАПЧАСТЕЙ И СЕРВИС РАБОТАТЬ НЕ БУДУТ
ПРОДАЖА ЛОДОЧНЫХ МОТОРОВ В ШТАТНОМ РЕЖИМЕ
ОБ ИЗМЕНЕНИЯХ В ГРАФИКЕ РАБОТЫ ЧИТАЙТЕ НА САЙТА



назад Раздел:   вперёд

Вернуться к выбору узлов мотора


ДЕТАЛИРОВКА ДЛЯ МОДЕЛИ: SUZUKI DT50 VE/DT50C VE/DT50T VE/DT50TC VE

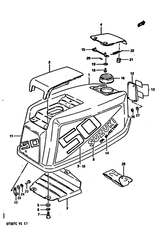
Крышка двигателя (капот)


Код модели двигателя: DT50S/L/LL/UL

Год выпуска двигателя: 1984

Цвет: Francois Whte №2Arctic Silver

Номер на
рисунке
АртикулНаименованиеQTYКол-во
на складе
Цена
161403-95810-02M

под заказ0 руб.
161631-95310-000

Крючок, Lwr Крышка двигателя (капот) - Hook, Lwr Engine Cover (Hook, under cover ) (Hook, Lwr Engine Cover)

под заказ0 руб.
261431-95201-02M

Рукоятка наклона выше - Handle, Tilt Up (Handle, Tilt Up)

под заказ0 руб.
261431-95202-0ED

   (актуальный код замены) Запчасть снята с производства - The Spare Part Is Laid Off

под заказ0 руб.
261431-95202-0ED

Рукоятка наклона выше - Handle, Tilt Up (Handle, Tilt Up)

под заказ0 руб.
361433-95300-000

Запчасть снята с производства - The Spare Part Is Laid Off (The Spare Part Is Laid Off)

под заказ0 руб.
461481-95301-02M

Запчасть снята с производства - The Spare Part Is Laid Off (The Spare Part Is Laid Off)

под заказ0 руб.
461481-95304-0ED

   (актуальный код замены) Запчасть снята с производства - The Spare Part Is Laid Off

под заказ0 руб.
509160-06036-000

Шайба (6.5x18x1.5) - Washer (65x18x15) (Washer, 6.5x18x1.5 ) (Washer (6.5x18x1.5))

под заказ150 руб.
609162-06001-000

Шайба с блокировкой - Washer, Lock (Washer, Lock)

под заказ160 руб.
609162-06006-000

   (актуальный код замены) Шайба с блокировкой - Washer, Lock

под заказ160 руб.
609162-06006-000

Шайба с блокировкой - Washer, Lock (Lock washer ) (Washer, Lock)

под заказ160 руб.
709100-06113-000

Болт (6x16) - Bolt (6x16) (Bolt (6x16))

под заказ140 руб.
861441-95360-000

Эмблема, Капот двигателя Under, L - Emblem, Cowling Under, L (Emblem, Cowling Under, L)

под заказ2500 руб.
868181-17D00-019

   (актуальный код замены) Эмблема, Капот двигателя Under, L - Emblem, Cowling Under, L

под заказ2500 руб.
868181-17D00-019

Эмблема, Капот двигателя Under, L - Emblem, Cowling Under, L (Emblem, side ) (Emblem, Cowling Under, L)

под заказ2500 руб.
961443-95290-000

Запчасть снята с производства - The Spare Part Is Laid Off (The Spare Part Is Laid Off)

под заказ0 руб.
1061453-95290-000

Запчасть снята с производства - The Spare Part Is Laid Off (The Spare Part Is Laid Off)

под заказ0 руб.
1161435-95290-000

Запчасть снята с производства - The Spare Part Is Laid Off (The Spare Part Is Laid Off)

под заказ0 руб.
1261420-95510-000

под заказнет сведений
1203242-0510B-000

Винт - Screw (Screw)

под заказ180 руб.
1203242-0510B-000

Винт - Screw (Screw)

под заказ180 руб.
1203242-0510B-000

Винт - Screw (Screw)

под заказ180 руб.
1361422-95561-000

Запчасть снята с производства - The Spare Part Is Laid Off (The Spare Part Is Laid Off)

под заказ0 руб.
1461442-94560-000

Маркировка, Oil Injection - Mark, Oil Injection (Mark, Oil Injection)

под заказ0 руб.
1461442-94600-019

   (актуальный код замены) Запчасть снята с производства - The Spare Part Is Laid Off

под заказ0 руб.
1461442-94600-019

Маркировка, Oil Injection - Mark, Oil Injection (Mark, oil injection ) (Mark, Oil Injection)

под заказ0 руб.
1561482-95301-000

Запчасть снята с производства - The Spare Part Is Laid Off (The Spare Part Is Laid Off)

под заказ0 руб.
1561482-95302-000

   (актуальный код замены) Запчасть снята с производства - The Spare Part Is Laid Off

под заказ0 руб.
1661491-95300-000

Запчасть снята с производства - The Spare Part Is Laid Off (The Spare Part Is Laid Off)

под заказ0 руб.
1761610-96301-000

Запчасть снята с производства - The Spare Part Is Laid Off (The Spare Part Is Laid Off)

под заказ0 руб.
1761610-96302-000

   (актуальный код замены) Запчасть снята с производства - The Spare Part Is Laid Off

под заказ0 руб.
1761610-96302-000

Запчасть снята с производства - The Spare Part Is Laid Off (The Spare Part Is Laid Off)

под заказ0 руб.
1809125-06033-000

Винт (6x12) - Screw (6x12) (Screw (6x12))

под заказ180 руб.
1809125-06069-000

   (актуальный код замены) Винт (6x12) - Screw (6x12)

под заказ180 руб.
1809125-06069-000

Винт (6x12) - Screw (6x12) (Screw (6x12))

под заказ180 руб.
1909160-06055-000

Шайба (7x12x1) - Washer (7x12x1) (Washer (7x12x1.0) ) (Washer (7x12x1))

67 шт130 руб.
2009205-03028-000

Стопор пружины (3x14) - Pin, Spring (3x14) (Pin, driveshaft spring ) (Pin, Spring (3x14))

под заказ170 руб.
2109329-05007-000

Запчасть снята с производства - The Spare Part Is Laid Off (The Spare Part Is Laid Off)

под заказ0 руб.
2209443-04003-000

Запчасть снята с производства - The Spare Part Is Laid Off (The Spare Part Is Laid Off)

под заказ0 руб.
2301107-06128-000

Болт - Bolt (Bolt)

под заказ150 руб.
2301500-06127-000

   (актуальный код замены) Болт - Bolt

под заказ150 руб.
2301500-06127-000

Болт - Bolt (Bolt)

под заказ150 руб.
2408321-21068-000

Шайба с блокировкой - Washer, Lock (Washer, Lock)

под заказ140 руб.
2408321-01067-000

   (актуальный код замены) Шайба с блокировкой - Washer, Lock

под заказ140 руб.
2408321-01067-000

Шайба с блокировкой - Washer, Lock (Washer, Lock)

под заказ140 руб.
2508322-21068-000

Шайба - Washer (Washer)

под заказ140 руб.
2508322-01067-000

   (актуальный код замены) Шайба - Washer

10 шт160 руб.
2508322-01067-000

Шайба - Washer (Washer)

10 шт160 руб.
2609140-05001-000

Гайка - Nut (Nut)

под заказ220 руб.
2609140-05005-000

   (актуальный код замены) Гайка - Nut

10 шт270 руб.
2609140-05005-000

Гайка - Nut (Nut)

10 шт270 руб.
2709160-05024-000

Шайба (5.5x16x1.5) - Washer (55x16x15) (Washer (5.5x16x1.5))

под заказ120 руб.
2809800-81800-000

Набор инструмента - Tool Assy (Tool Assy)

под заказ3120 руб.
2809800-01016-000

   (актуальный код замены) Набор инструмента - Tool Assy

под заказ3120 руб.
2809800-01001-000

Набор инструмента - Tool Assy (Tool Assy)

под заказ3120 руб.
2809800-01016-000

   (актуальный код замены) Набор инструмента - Tool Assy

под заказ3120 руб.


Время выполнения запроса 4.5433530807495 сек.

 
 

данный сайт носит информационный характер и не является публичной офертой

склад запчастей для водомоторной техники