Найти запчасти на лодочный подвесной мотор Suzuki модель 1980 года - Starter - Стартер
вконтакте

Контактный телефон: +7 (981) 121-46-93, +7 (800) 200-90-76 , Email: parts-katalog@yandex.ru, где купить

 
 

  Логин:

Пароль:

Регистрация

www.partskatalog.ru Все каталоги Запчасти Mercury Запчасти Suzuki Запчасти Tohatsu Запчасти Honda Контакты



УВАЖАЕМЫЕ КЛИЕНТЫ!
C 19 ДЕКАБРЯ 2025 ПО 02 МАРТА 2026 ГОДА ОТДЕЛ ЗАПЧАСТЕЙ И СЕРВИС РАБОТАТЬ НЕ БУДУТ
ПРОДАЖА ЛОДОЧНЫХ МОТОРОВ В ШТАТНОМ РЕЖИМЕ
ОБ ИЗМЕНЕНИЯХ В ГРАФИКЕ РАБОТЫ ЧИТАЙТЕ НА САЙТА



назад Раздел:   вперёд

Вернуться к выбору узлов мотора


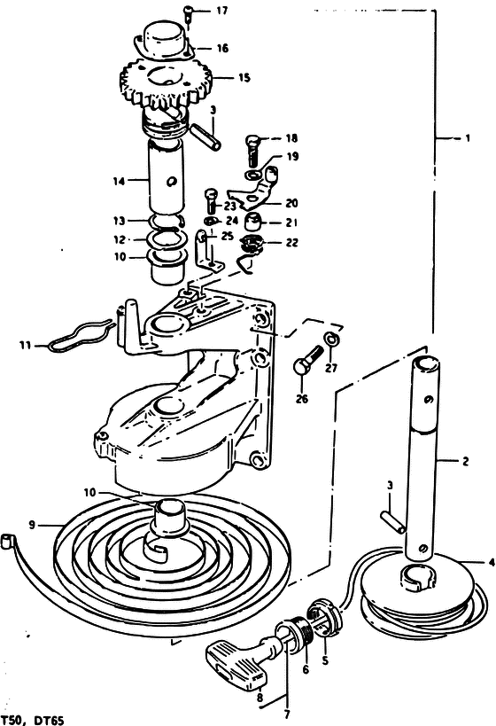
ДЕТАЛИРОВКА ДЛЯ МОДЕЛИ: SUZUKI DT50M G

Стартер


Год выпуска двигателя: 1980

Номер на
рисунке
АртикулНаименованиеQTYКол-во
на складе
Цена
118100-95220-01J

Запчасть снята с производства - The Spare Part Is Laid Off (TO 18100-95221-01J) (The Spare Part Is Laid Off)

под заказ0 руб.
118100-95221-01J

   (актуальный код замены) Запчасть снята с производства - The Spare Part Is Laid Off

под заказ0 руб.
118100-95221-01J

Запчасть снята с производства - The Spare Part Is Laid Off (The Spare Part Is Laid Off)

под заказ0 руб.
218251-95220-000

Запчасть снята с производства - The Spare Part Is Laid Off (FROM 18521-95220) (The Spare Part Is Laid Off)

под заказ0 руб.
318344-95220-000

Запчасть снята с производства - The Spare Part Is Laid Off (FROM 18525-95220) (The Spare Part Is Laid Off)

под заказ0 руб.
418121-95220-000

Запчасть снята с производства - The Spare Part Is Laid Off (The Spare Part Is Laid Off)

под заказ0 руб.
518182-95220-000

Запчасть снята с производства - The Spare Part Is Laid Off (The Spare Part Is Laid Off)

под заказ0 руб.
618181-95220-000

Запчасть снята с производства - The Spare Part Is Laid Off (The Spare Part Is Laid Off)

под заказ0 руб.
718200-95220-000

Запчасть снята с производства - The Spare Part Is Laid Off (FROM 18170-95220) (The Spare Part Is Laid Off)

под заказ0 руб.
818210-95220-000

Запчасть снята с производства - The Spare Part Is Laid Off (The Spare Part Is Laid Off)

под заказ0 руб.
918142-95220-000

Запчасть снята с производства - The Spare Part Is Laid Off (The Spare Part Is Laid Off)

под заказ0 руб.
1018253-95220-000

Запчасть снята с производства - The Spare Part Is Laid Off (FROM 18522-95220) (The Spare Part Is Laid Off)

под заказ0 руб.
1118271-95220-000

Запчасть снята с производства - The Spare Part Is Laid Off (FROM 18541-95220) (The Spare Part Is Laid Off)

под заказ0 руб.
1218335-95220-000

Запчасть снята с производства - The Spare Part Is Laid Off (FROM 18523-95220) (The Spare Part Is Laid Off)

под заказ0 руб.
1318255-95220-000

Запчасть снята с производства - The Spare Part Is Laid Off (FROM 18524-95220) (The Spare Part Is Laid Off)

под заказ0 руб.
1418264-95220-000

Запчасть снята с производства - The Spare Part Is Laid Off (FROM 18532-95220) (The Spare Part Is Laid Off)

под заказ0 руб.
1518261-95220-000

Запчасть снята с производства - The Spare Part Is Laid Off (FROM 18531-95220) (The Spare Part Is Laid Off)

под заказ0 руб.
1618266-95220-000

Запчасть снята с производства - The Spare Part Is Laid Off (FROM 18533-95220) (The Spare Part Is Laid Off)

под заказ0 руб.
1702112-04088-000

Винт - Screw (~18100-95220-01J) (Screw)

под заказ90 руб.
1702112-04087-000

   (актуальный код замены) Винт - Screw

под заказ90 руб.
1702112-04087-000

Винт - Screw (Screw)

под заказ90 руб.
1718342-95220-000

Запчасть снята с производства - The Spare Part Is Laid Off (The Spare Part Is Laid Off)

под заказ0 руб.
1809100-06047-000

Болт (6x25) - Bolt (6x25) (Bolt (6x25))

под заказ310 руб.
1809117-06049-000

   (актуальный код замены) Болт (6x25) - Bolt (6x25)

9 шт310 руб.
1809117-06049-000

Болт (6x25) - Bolt (6x25) (Bolt (6x25) ) (Bolt (6x25))

9 шт310 руб.
1909160-06015-000

Шайба (6.5x13x1.0) - Washer (65x13x10) (Washer (6.5x13x1.0))

под заказ120 руб.
1909160-06082-000

   (актуальный код замены) Шайба (6.5x13x1.0) - Washer (6.5x13x1.0)

7 шт150 руб.
1909160-06082-000

Шайба (6.5x13x1.0) - Washer (65x13x10) (Washer (6.5x13x1.0))

7 шт150 руб.
2018280-95220-000

Запчасть снята с производства - The Spare Part Is Laid Off (FROM 18550-95220) (The Spare Part Is Laid Off)

под заказ0 руб.
2118283-95220-000

Запчасть снята с производства - The Spare Part Is Laid Off (FROM 18553-95220) (The Spare Part Is Laid Off)

под заказ0 руб.
2218284-95220-000

Запчасть снята с производства - The Spare Part Is Laid Off (FROM 18554-95220) (The Spare Part Is Laid Off)

под заказ0 руб.
2309100-06058-000

Запчасть снята с производства - The Spare Part Is Laid Off (The Spare Part Is Laid Off)

под заказ0 руб.
2409162-06001-000

Шайба с блокировкой - Washer, Lock (Washer, Lock)

под заказ160 руб.
2409162-06006-000

   (актуальный код замены) Шайба с блокировкой - Washer, Lock

под заказ160 руб.
2409162-06006-000

Шайба с блокировкой - Washer, Lock (Lock washer ) (Washer, Lock)

под заказ160 руб.
2518291-95220-000

Запчасть снята с производства - The Spare Part Is Laid Off (FROM 18641-98220) (The Spare Part Is Laid Off)

под заказ0 руб.
2601107-08258-000

Болт - Bolt (Bolt)

под заказ190 руб.
2601500-08257-000

   (актуальный код замены) Болт - Bolt

под заказ190 руб.
2601500-08257-000

Болт - Bolt (Bolt)

под заказ190 руб.
2708321-21088-000

Шайба с блокировкой - Washer, Lock (Washer, Lock)

под заказ140 руб.
2708321-01087-000

   (актуальный код замены) Шайба с блокировкой - Washer, Lock

под заказ140 руб.
2708321-01087-000

Шайба с блокировкой - Washer, Lock (Washer, lock ) (Washer, Lock)

под заказ140 руб.


Время выполнения запроса 2.0331470966339 сек.

 
 

данный сайт носит информационный характер и не является публичной офертой

склад запчастей для водомоторной техники